C 9:00 до 20:00. Звонок по РФ бесплатный

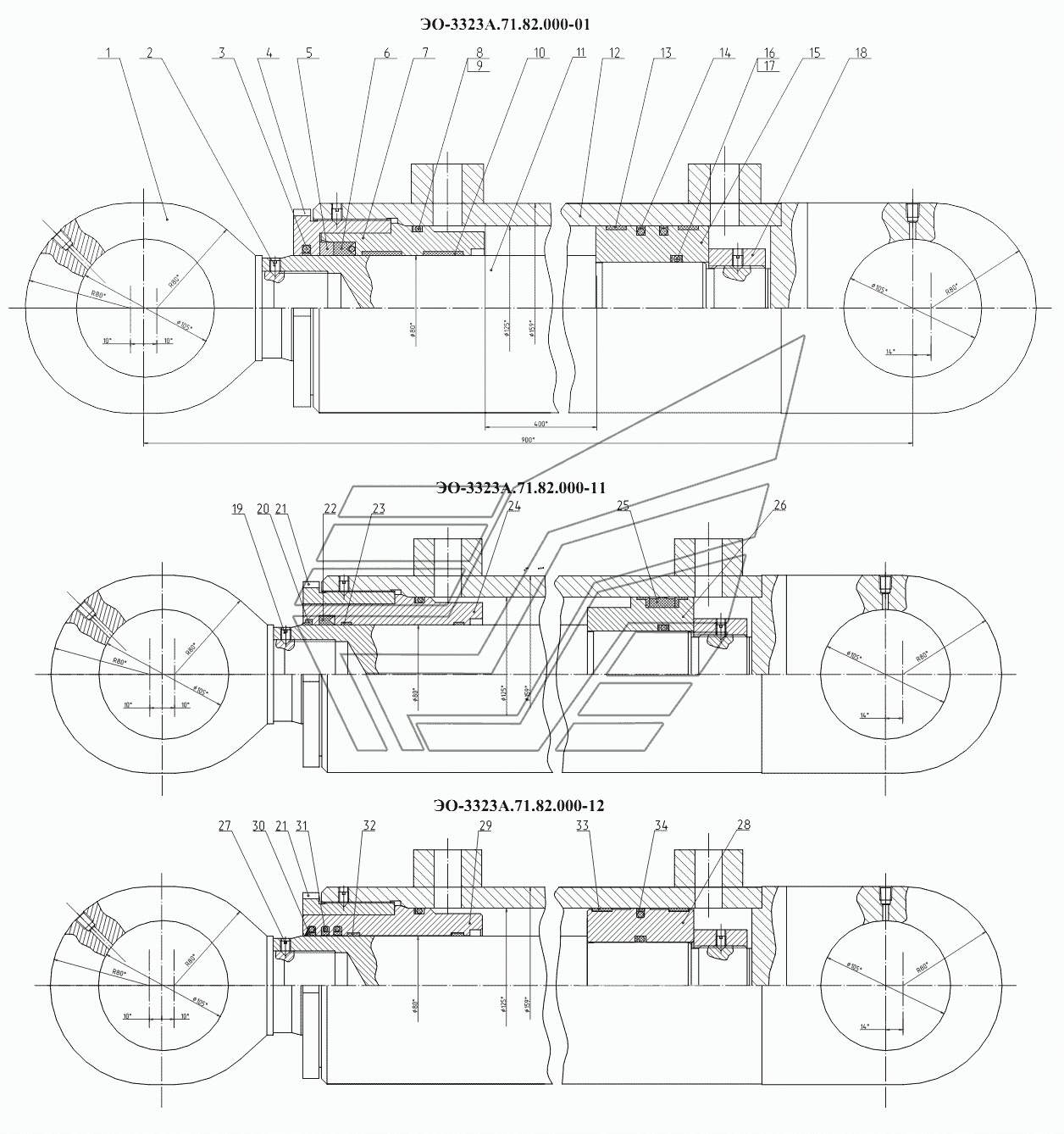
ЭО-3323А.71.82.000-01 Гидроцилиндр (с уплотнениями «Элконт»), ЭО-3323А.71.82.000-11 (с уплотнениями «ГидраПак»), ЭО-3323А.71.82.000-12 (с уплотнениями «Элконт») ЕК-12 (2013). Каталог 2013г.

ВниманиеЭлектронный автокаталог запчастей предназначен для справочных целей! Наша компания продает только те товары, у которых есть цены в списке.

Вид отображения:

Детали справа
1

Номер детали на чертеже: 

1

Проушина

Заводской номер: ЭО-3323А.71.82.001-11 Количество на модель: 1
ЭО-3323А.71.82.001-11
1
2

Номер детали на чертеже: 

2

Винт

Заводской номер: ВМ8-8gх12.14Н.019 Количество на модель: 3
ВМ8-8gх12.14Н.019
3
3

Номер детали на чертеже: 

3

Шнур

Заводской номер: Шнур Количество на модель: 1
Шнур
1
3

Номер детали на чертеже: 

3

Грязесъемник

Заводской номер: ГСВ-80 Количество на модель: 1
ГСВ-80
1
3

Номер детали на чертеже: 

3

Кольцо

Заводской номер: 01.080 Количество на модель: 1
01.080
1
3

Номер детали на чертеже: 

3

Грязесъемник

Заводской номер: Е52-080 Количество на модель: 1
Е52-080
1
4

Номер детали на чертеже: 

4

Гайка наружная

Заводской номер: ЭО-3323А.71.82.002 Количество на модель: 1
ЭО-3323А.71.82.002
1
5

Номер детали на чертеже: 

5

Кольцо

Заводской номер: ЭО-3323А.71.82.003-01 Количество на модель: 1
ЭО-3323А.71.82.003-01
1
6

Номер детали на чертеже: 

6

Манжета

Заводской номер: Е3-080-4 Количество на модель: 1
Е3-080-4
1
7

Номер детали на чертеже: 

7

Букса

Заводской номер: ЭО-3323А.71.82.004-01 Количество на модель: 1
ЭО-3323А.71.82.004-01
1
8

Номер детали на чертеже: 

8

Кольцо защитное

Заводской номер: ЭО-3323А.71.82.013 Количество на модель: 1
ЭО-3323А.71.82.013
1
9

Номер детали на чертеже: 

9

Кольцо

Заводской номер: 115-125-58-2-2 Количество на модель: 1
115-125-58-2-2
1
069203
РУСЛАН-КОМПЛЕКТ
2ПТС-4*РК 501, 085-095-58-2-2
Код: 069203
Артикул: 2ПТС-4*РК, 501, 085-095-58-2-2
Нет в наличии

На складах : Нет в наличии

Производитель: РУСЛАН-КОМПЛЕКТ
405790
ВИТЯЗЬ
Ц125*РК 3016
Код: 405790
Артикул: Ц125*РК, 3016
Производитель: ВИТЯЗЬ
405839
ВИТЯЗЬ
Ц125*РК 3015
Код: 405839
Артикул: Ц125*РК, 3015
Производитель: ВИТЯЗЬ
10

Номер детали на чертеже: 

10

Опорно-направляющее кольцо

Заводской номер: Е22-080-30-3.0 Количество на модель: 2
Е22-080-30-3.0
2
10

Номер детали на чертеже: 

10

Опорно-направляющее кольцо

Заводской номер: 00.00.12.080 Количество на модель: 2
00.00.12.080
2
11

Номер детали на чертеже: 

11

Шток

Заводской номер: ЭО-3323А.71.82.005-10 Количество на модель: 1
ЭО-3323А.71.82.005-10
1
12

Номер детали на чертеже: 

12

Цилиндр

Заводской номер: ЭО-3323А.71.82.100 Количество на модель: 1
ЭО-3323А.71.82.100
1
12

Номер детали на чертеже: 

12

Цилиндр

Заводской номер: ЭО-3323А.71.82.200 Количество на модель: 1
ЭО-3323А.71.82.200
1
13

Номер детали на чертеже: 

13

Опорно-направляющее кольцо

Заводской номер: Е21-125-15-3.0 Количество на модель: 2
Е21-125-15-3.0
2
13

Номер детали на чертеже: 

13

Опорно-направляющее кольцо

Заводской номер: 00.00.11.125 Количество на модель: 2
00.00.11.125
2
14

Номер детали на чертеже: 

14

Уплотнение

Заводской номер: Е13М-125-5 Количество на модель: 2
Е13М-125-5
2
15

Номер детали на чертеже: 

15

Поршень

Заводской номер: ЭО-3323А.71.82.006-01 Количество на модель: 1
ЭО-3323А.71.82.006-01
1
16

Номер детали на чертеже: 

16

Кольцо защитное

Заводской номер: ЭО-3323А.71.82.012 Количество на модель: 2
ЭО-3323А.71.82.012
2
17

Номер детали на чертеже: 

17

Кольцо

Заводской номер: 070-080-58-2-3 Количество на модель: 1
070-080-58-2-3
1
405612
ВИТЯЗЬ
Ц125*РК 3018
Код: 405612
Артикул: Ц125*РК, 3018
Производитель: ВИТЯЗЬ
405617
ВИТЯЗЬ
Ц125*РК 3064
Код: 405617
Артикул: Ц125*РК, 3064
Производитель: ВИТЯЗЬ
607783
ВИТЯЗЬ
ДТ75-ПО*РК 3024
Код: 607783
Артикул: ДТ75-ПО*РК, 3024
Под заказ

На складах : Под заказ

Производитель: ВИТЯЗЬ
18

Номер детали на чертеже: 

18

Гайка

Заводской номер: ЭО-3323А.71.82.020 Количество на модель: 1
ЭО-3323А.71.82.020
1
19

Номер детали на чертеже: 

19

Винт

Заводской номер: М8-6gх12.14Н.019 Количество на модель: 3
М8-6gх12.14Н.019
3
20

Номер детали на чертеже: 

20

Грязесъемник

Заводской номер: PW80 Количество на модель: 1
PW80
1
21

Номер детали на чертеже: 

21

Гайка наружная

Заводской номер: ЭО-3323А.71.82.002-11 Количество на модель: 1
ЭО-3323А.71.82.002-11
1
22

Номер детали на чертеже: 

22

Уплотнение штока

Заводской номер: TS809511.5/LA Количество на модель: 1
TS809511.5/LA
1
23

Номер детали на чертеже: 

23

Направляющая штока

Заводской номер: 1/GT80х84-8.1/102 Количество на модель: 2
1/GT80х84-8.1/102
2
24

Номер детали на чертеже: 

24

Букса

Заводской номер: ЭО-3323А.71.82.004-11 Количество на модель: 1
ЭО-3323А.71.82.004-11
1
25

Номер детали на чертеже: 

25

Поршень

Заводской номер: ЭО-3323А.71.82.006-11 Количество на модель: 1
ЭО-3323А.71.82.006-11
1
26

Номер детали на чертеже: 

26

Уплотнение поршня

Заводской номер: DPS125108 Количество на модель: 1
DPS125108
1
27

Номер детали на чертеже: 

27

Винт

Заводской номер: М8-6gх1214Н.016 Количество на модель: 3
М8-6gх1214Н.016
3
28

Номер детали на чертеже: 

28

Поршень

Заводской номер: ЭО-3323А.71.82.006-12 Количество на модель: 1
ЭО-3323А.71.82.006-12
1
29

Номер детали на чертеже: 

29

Букса

Заводской номер: ЭО-3323А.71.82.004-12 Количество на модель: 1
ЭО-3323А.71.82.004-12
1
30

Номер детали на чертеже: 

30

Грязесъемник

Заводской номер: Е50-А-080-5 Количество на модель: 1
Е50-А-080-5
1
31

Номер детали на чертеже: 

31

Уплотнение

Заводской номер: Е06-080-5 Количество на модель: 2
Е06-080-5
2
32

Номер детали на чертеже: 

32

Кольцо

Заводской номер: Е20-080-085 Количество на модель: 2
Е20-080-085
2
33

Номер детали на чертеже: 

33

Кольцо

Заводской номер: Е20-120-125 Количество на модель: 2
Е20-120-125
2
34

Номер детали на чертеже: 

34

Уплотнение

Заводской номер: Е15М-125-5 Количество на модель: 1
Е15М-125-5
1