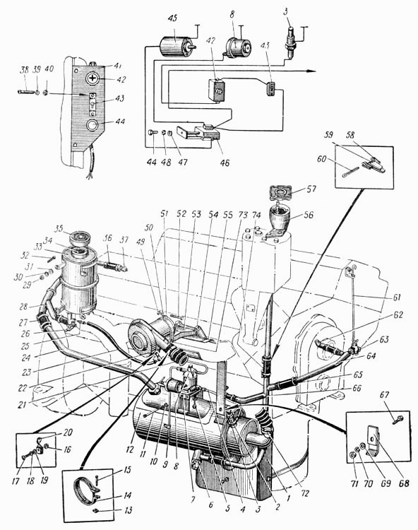
Схема системы пускового подогрева (Рис. 17) УРАЛ-375
АЗ "УРАЛ" входит в состав "Группы ГАЗ". Дата образования АЗ "УРАЛ" - 2001 год. Автомобильный завод Урал появился в результате перестройки производственного комплекса "УралАЗ". На сегодняшний день АЗ "УРАЛ" является основным звеном в структуре дивизиона "Грузовые автомобили" и занимает ведущие позиции на российском рынке полноприводных большегрузных автомобилей.
Основное назначение завода: Производство полноприводных грузовых автомобилей, дорожных грузовиков, вахтовых автобусов. На базе шасси "УРАЛ" работают более 400 видов спецтехники: вахтовые автобусы, автоцистерны, подъемные краны, топливозаправщики, пожарные автомобили, разнообразные агрегаты для лесопромышленного и нефтегазового комплекса, горной промышленности и коммунального хозяйства.
Автомобильная техника УРАЛ используется, как государственными предприятиями, так и крупными частными компаниями. В нефтегазодобывающей отрасли востребованы: бортовые автомобили, трубовозы, седельные тягачи, топливозаправщики. В начале 90-х годов на шасси "УРАЛ" изготовили спецтехнику для газодобывающей отрасли: цементировочные агрегаты, агрегаты ремонта скважин, ремонтные мастерские и др.
Основными заказчиками являются нефтяные гиганты ОАО "Газпром", ОАО "НК "Роснефть", ОАО "Сургутнефтегаз, "ТНК-ВP", энергокомпания РАО "ЕЭС", а также ряд министерств Российской Федерации: Министерство обороны, Министерство по чрезвычайным ситуациям, Министерство внутренних дел.
С 2005 года Автомобильный завод УРАЛ освоил серийное производство таких автомобилей, как седельный тягач "УРАЛ-63674" и самосвалов с грузоподъёмностью более 20 тонн "УРАЛ-63685" и "УРАЛ-6563". В 2007-2008 году на Автомобильном заводе "УРАЛ" внедряют передовые технологии:
- внедрение новой производственной системы "lean production".
- внедрение современной автоматизированной ERP-системы
- внедрение системы "Ворота Качества".
- внедрение системы менеджмента качества в соответствии с требованиями стандартов ISO 9001:2000 и ISO 9001:2008.
- внедрение СМК соответствующей требованиям ИСО/ТУ 16949:2002.
АЗ "УРАЛ" постоянно работает на расширение модельного ряда. Так в 2010 году в серийное производство был запущен вахтовый автобус Урал-32552-3011-59 и самосвал Урал-6370. А уже в 2011 году на заводе разработали вахтовый автобус на пневмоподвеске, которая обеспечит высокую плавность хода даже в условиях бездорожья.
"АвтоАльянс" активно развивает направление запчастей для автомобилей УРАЛ. В продаже широкий ассортимент продукции АЗ "УРАЛ" по оптимальным ценам. Для Вас всегда работает группа специалистов по запчастям на автомобили УРАЛ.
АЗ "УРАЛ" входит в состав "Группы ГАЗ". Дата образования АЗ "УРАЛ" - 2001 год. Автомобильный завод Урал появился в результате перестройки производственного комплекса "УралАЗ". На сегодняшний день АЗ "УРАЛ" является основным звеном в структуре дивизиона "Грузовые автомобили" и занимает ведущие позиции на российском рынке полноприводных большегрузных автомобилей.
Основное назначение завода: Производство полноприводных грузовых автомобилей, дорожных грузовиков, вахтовых автобусов. На базе шасси "УРАЛ" работают более 400 видов спецтехники: вахтовые автобусы, автоцистерны, подъемные краны, топливозаправщики, пожарные автомобили, разнообразные агрегаты для лесопромышленного и нефтегазового комплекса, горной промышленности и коммунального хозяйства.
Автомобильная техника УРАЛ используется, как государственными предприятиями, так и крупными частными компаниями. В нефтегазодобывающей отрасли востребованы: бортовые автомобили, трубовозы, седельные тягачи, топливозаправщики. В начале 90-х годов на шасси "УРАЛ" изготовили спецтехнику для газодобывающей отрасли: цементировочные агрегаты, агрегаты ремонта скважин, ремонтные мастерские и др.
Основными заказчиками являются нефтяные гиганты ОАО "Газпром", ОАО "НК "Роснефть", ОАО "Сургутнефтегаз, "ТНК-ВP", энергокомпания РАО "ЕЭС", а также ряд министерств Российской Федерации: Министерство обороны, Министерство по чрезвычайным ситуациям, Министерство внутренних дел.
С 2005 года Автомобильный завод УРАЛ освоил серийное производство таких автомобилей, как седельный тягач "УРАЛ-63674" и самосвалов с грузоподъёмностью более 20 тонн "УРАЛ-63685" и "УРАЛ-6563". В 2007-2008 году на Автомобильном заводе "УРАЛ" внедряют передовые технологии:
- внедрение новой производственной системы "lean production".
- внедрение современной автоматизированной ERP-системы
- внедрение системы "Ворота Качества".
- внедрение системы менеджмента качества в соответствии с требованиями стандартов ISO 9001:2000 и ISO 9001:2008.
- внедрение СМК соответствующей требованиям ИСО/ТУ 16949:2002.
АЗ "УРАЛ" постоянно работает на расширение модельного ряда. Так в 2010 году в серийное производство был запущен вахтовый автобус Урал-32552-3011-59 и самосвал Урал-6370. А уже в 2011 году на заводе разработали вахтовый автобус на пневмоподвеске, которая обеспечит высокую плавность хода даже в условиях бездорожья.
"АвтоАльянс" активно развивает направление запчастей для автомобилей УРАЛ. В продаже широкий ассортимент продукции АЗ "УРАЛ" по оптимальным ценам. Для Вас всегда работает группа специалистов по запчастям на автомобили УРАЛ.
АЗ "УРАЛ" входит в состав "Группы ГАЗ". Дата образования АЗ "УРАЛ" - 2001 год. Автомобильный завод Урал появился в результате перестройки производственного комплекса "УралАЗ". На сегодняшний день АЗ "УРАЛ" является основным звеном в структуре дивизиона "Грузовые автомобили" и занимает ведущие позиции на российском рынке полноприводных большегрузных автомобилей.
Основное назначение завода: Производство полноприводных грузовых автомобилей, дорожных грузовиков, вахтовых автобусов. На базе шасси "УРАЛ" работают более 400 видов спецтехники: вахтовые автобусы, автоцистерны, подъемные краны, топливозаправщики, пожарные автомобили, разнообразные агрегаты для лесопромышленного и нефтегазового комплекса, горной промышленности и коммунального хозяйства.
Автомобильная техника УРАЛ используется, как государственными предприятиями, так и крупными частными компаниями. В нефтегазодобывающей отрасли востребованы: бортовые автомобили, трубовозы, седельные тягачи, топливозаправщики. В начале 90-х годов на шасси "УРАЛ" изготовили спецтехнику для газодобывающей отрасли: цементировочные агрегаты, агрегаты ремонта скважин, ремонтные мастерские и др.
Основными заказчиками являются нефтяные гиганты ОАО "Газпром", ОАО "НК "Роснефть", ОАО "Сургутнефтегаз, "ТНК-ВP", энергокомпания РАО "ЕЭС", а также ряд министерств Российской Федерации: Министерство обороны, Министерство по чрезвычайным ситуациям, Министерство внутренних дел.
С 2005 года Автомобильный завод УРАЛ освоил серийное производство таких автомобилей, как седельный тягач "УРАЛ-63674" и самосвалов с грузоподъёмностью более 20 тонн "УРАЛ-63685" и "УРАЛ-6563". В 2007-2008 году на Автомобильном заводе "УРАЛ" внедряют передовые технологии:
- внедрение новой производственной системы "lean production".
- внедрение современной автоматизированной ERP-системы
- внедрение системы "Ворота Качества".
- внедрение системы менеджмента качества в соответствии с требованиями стандартов ISO 9001:2000 и ISO 9001:2008.
- внедрение СМК соответствующей требованиям ИСО/ТУ 16949:2002.
АЗ "УРАЛ" постоянно работает на расширение модельного ряда. Так в 2010 году в серийное производство был запущен вахтовый автобус Урал-32552-3011-59 и самосвал Урал-6370. А уже в 2011 году на заводе разработали вахтовый автобус на пневмоподвеске, которая обеспечит высокую плавность хода даже в условиях бездорожья.
"АвтоАльянс" активно развивает направление запчастей для автомобилей УРАЛ. В продаже широкий ассортимент продукции АЗ "УРАЛ" по оптимальным ценам. Для Вас всегда работает группа специалистов по запчастям на автомобили УРАЛ.
АЗ "УРАЛ" входит в состав "Группы ГАЗ". Дата образования АЗ "УРАЛ" - 2001 год. Автомобильный завод Урал появился в результате перестройки производственного комплекса "УралАЗ". На сегодняшний день АЗ "УРАЛ" является основным звеном в структуре дивизиона "Грузовые автомобили" и занимает ведущие позиции на российском рынке полноприводных большегрузных автомобилей.
Основное назначение завода: Производство полноприводных грузовых автомобилей, дорожных грузовиков, вахтовых автобусов. На базе шасси "УРАЛ" работают более 400 видов спецтехники: вахтовые автобусы, автоцистерны, подъемные краны, топливозаправщики, пожарные автомобили, разнообразные агрегаты для лесопромышленного и нефтегазового комплекса, горной промышленности и коммунального хозяйства.
Автомобильная техника УРАЛ используется, как государственными предприятиями, так и крупными частными компаниями. В нефтегазодобывающей отрасли востребованы: бортовые автомобили, трубовозы, седельные тягачи, топливозаправщики. В начале 90-х годов на шасси "УРАЛ" изготовили спецтехнику для газодобывающей отрасли: цементировочные агрегаты, агрегаты ремонта скважин, ремонтные мастерские и др.
Основными заказчиками являются нефтяные гиганты ОАО "Газпром", ОАО "НК "Роснефть", ОАО "Сургутнефтегаз, "ТНК-ВP", энергокомпания РАО "ЕЭС", а также ряд министерств Российской Федерации: Министерство обороны, Министерство по чрезвычайным ситуациям, Министерство внутренних дел.
С 2005 года Автомобильный завод УРАЛ освоил серийное производство таких автомобилей, как седельный тягач "УРАЛ-63674" и самосвалов с грузоподъёмностью более 20 тонн "УРАЛ-63685" и "УРАЛ-6563". В 2007-2008 году на Автомобильном заводе "УРАЛ" внедряют передовые технологии:
- внедрение новой производственной системы "lean production".
- внедрение современной автоматизированной ERP-системы
- внедрение системы "Ворота Качества".
- внедрение системы менеджмента качества в соответствии с требованиями стандартов ISO 9001:2000 и ISO 9001:2008.
- внедрение СМК соответствующей требованиям ИСО/ТУ 16949:2002.
АЗ "УРАЛ" постоянно работает на расширение модельного ряда. Так в 2010 году в серийное производство был запущен вахтовый автобус Урал-32552-3011-59 и самосвал Урал-6370. А уже в 2011 году на заводе разработали вахтовый автобус на пневмоподвеске, которая обеспечит высокую плавность хода даже в условиях бездорожья.
"АвтоАльянс" активно развивает направление запчастей для автомобилей УРАЛ. В продаже широкий ассортимент продукции АЗ "УРАЛ" по оптимальным ценам. Для Вас всегда работает группа специалистов по запчастям на автомобили УРАЛ.
На складах : 31 шт.
"Завод Красная Этна" уже более 110 лет производит крепёжные изделия и пружины для автомобильной промышленности. История завода начинается с 24 декабря 1898 года, когда по положению Комитета Министров Николай Второй разрешает Виктору Михайловичу Гольденбергу и германскому подданному Петру Ивановичу Мартини учредить "Акционерное Общество Рижского металлического завода "Этна". С 1904 года по 1915 год на Рижском металлическом заводе работали цеха: гвоздильный, горячепрокатный, цепочный, травильный, отжигательный, волочильный. Продукция завода была востребована в России, Прибалтике и за рубежом. В годы первой мировой войны завод был эвакуирован из Риги в Нижний Новгород. С этого момента для завода начинается новая история. Во время войны "Завод Красная Этна" обеспечивал своей продукцией фронт. На заводе начался выпуск минных цепей, гвоздей к солдатским сапогам, колючей проволоки, пряжек к ружьям и карабинов, а также другой продукции для нужд фронта и населения России. С 1916 года по 1918 год происходит национализация завода и смена учредителей. Завод стал именоваться, как Акционерное общество Нижегородского металлического завода "Новая Этна". С приходом советской власти на заводе сменилось название на "Красная Этна" и были запущены: электростанция, прокатный цех, цех тонкого волочения и болтозаклепочный цех. В 1925 в структуру завода вливается предприятие с парком металлорежущего оборудования. В этом же году, на базе влившегося предприятия, создаются инструментальный и механический цеха, а также лесопильно-ящичный цех. В начале 30х, организовано строительство Горьковского автомобильного завода, который оказал большое влияние на развитие и деятельность предприятия. "Красная Этна" переходит на выпуск изделий высокого класса точности и включается в обслуживание автомобильной промышленности страны. К началу Великой Отечественной войны, реконструированный завод представлял собой крупное предприятие автомобильной промышленности, которое специализировалось на выпуске: специальной проволоки, пружин, шайб, холоднокатаной ленты и автонормалей. Во время Второй Мировой войны завод бесперебойно снабжал фронт боеприпасами. С 1941 года по 1943 год на заводе работало 996 человек. В послевоенное время завод стал активно развиваться. В дальнейшем на заводе были реконструированы цеха и освоено новое производство, создано собственное станкостроение и автоматические линии, выстроен инженерный корпус и здание очистных сооружений. Организовано производство проката и пружин, а также стержневого крепежа. Создан важнейший отдел обеспечения качеством. На сегодняшний день ОАО "Завод Красная Этна" представляет собой современное, динамично-развивающееся предприятие, специализирующееся на производстве крепежных изделий для автомобильной промышленности. Продукция завода поставляется на крупнейшие предприятия России, стран СНГ и дальнего зарубежья. Продукция предприятия соответствует международным системам качества ИСО 9001-2000 и ISO/TS 16949:2002. Продукция завода прошла проверку аудиторами TUV CERT (Германия) и национальной системой ГОСТ Р. Номенклатура предприятия насчитывает более 2,5 тысячи видов крепёжных изделий, в том числе соответствующих стандарту DIN. Компания "АвтоАльянс" предлагает оригинальную продукцию производства ОАО "Завод Красная Этна". В ассортименте представлен широкий перечень продукции завода: винты различных конструкций, пружины, стремянки, шайбы, гайки, шпильки, заклепки, штуцеры, оси, пробки и пластины, а также всевозможный крепёж к различным автомобилям.
"Завод Красная Этна" уже более 110 лет производит крепёжные изделия и пружины для автомобильной промышленности. История завода начинается с 24 декабря 1898 года, когда по положению Комитета Министров Николай Второй разрешает Виктору Михайловичу Гольденбергу и германскому подданному Петру Ивановичу Мартини учредить "Акционерное Общество Рижского металлического завода "Этна". С 1904 года по 1915 год на Рижском металлическом заводе работали цеха: гвоздильный, горячепрокатный, цепочный, травильный, отжигательный, волочильный. Продукция завода была востребована в России, Прибалтике и за рубежом. В годы первой мировой войны завод был эвакуирован из Риги в Нижний Новгород. С этого момента для завода начинается новая история. Во время войны "Завод Красная Этна" обеспечивал своей продукцией фронт. На заводе начался выпуск минных цепей, гвоздей к солдатским сапогам, колючей проволоки, пряжек к ружьям и карабинов, а также другой продукции для нужд фронта и населения России. С 1916 года по 1918 год происходит национализация завода и смена учредителей. Завод стал именоваться, как Акционерное общество Нижегородского металлического завода "Новая Этна". С приходом советской власти на заводе сменилось название на "Красная Этна" и были запущены: электростанция, прокатный цех, цех тонкого волочения и болтозаклепочный цех. В 1925 в структуру завода вливается предприятие с парком металлорежущего оборудования. В этом же году, на базе влившегося предприятия, создаются инструментальный и механический цеха, а также лесопильно-ящичный цех. В начале 30х, организовано строительство Горьковского автомобильного завода, который оказал большое влияние на развитие и деятельность предприятия. "Красная Этна" переходит на выпуск изделий высокого класса точности и включается в обслуживание автомобильной промышленности страны. К началу Великой Отечественной войны, реконструированный завод представлял собой крупное предприятие автомобильной промышленности, которое специализировалось на выпуске: специальной проволоки, пружин, шайб, холоднокатаной ленты и автонормалей. Во время Второй Мировой войны завод бесперебойно снабжал фронт боеприпасами. С 1941 года по 1943 год на заводе работало 996 человек. В послевоенное время завод стал активно развиваться. В дальнейшем на заводе были реконструированы цеха и освоено новое производство, создано собственное станкостроение и автоматические линии, выстроен инженерный корпус и здание очистных сооружений. Организовано производство проката и пружин, а также стержневого крепежа. Создан важнейший отдел обеспечения качеством. На сегодняшний день ОАО "Завод Красная Этна" представляет собой современное, динамично-развивающееся предприятие, специализирующееся на производстве крепежных изделий для автомобильной промышленности. Продукция завода поставляется на крупнейшие предприятия России, стран СНГ и дальнего зарубежья. Продукция предприятия соответствует международным системам качества ИСО 9001-2000 и ISO/TS 16949:2002. Продукция завода прошла проверку аудиторами TUV CERT (Германия) и национальной системой ГОСТ Р. Номенклатура предприятия насчитывает более 2,5 тысячи видов крепёжных изделий, в том числе соответствующих стандарту DIN. Компания "АвтоАльянс" предлагает оригинальную продукцию производства ОАО "Завод Красная Этна". В ассортименте представлен широкий перечень продукции завода: винты различных конструкций, пружины, стремянки, шайбы, гайки, шпильки, заклепки, штуцеры, оси, пробки и пластины, а также всевозможный крепёж к различным автомобилям.
АЗ "УРАЛ" входит в состав "Группы ГАЗ". Дата образования АЗ "УРАЛ" - 2001 год. Автомобильный завод Урал появился в результате перестройки производственного комплекса "УралАЗ". На сегодняшний день АЗ "УРАЛ" является основным звеном в структуре дивизиона "Грузовые автомобили" и занимает ведущие позиции на российском рынке полноприводных большегрузных автомобилей.
Основное назначение завода: Производство полноприводных грузовых автомобилей, дорожных грузовиков, вахтовых автобусов. На базе шасси "УРАЛ" работают более 400 видов спецтехники: вахтовые автобусы, автоцистерны, подъемные краны, топливозаправщики, пожарные автомобили, разнообразные агрегаты для лесопромышленного и нефтегазового комплекса, горной промышленности и коммунального хозяйства.
Автомобильная техника УРАЛ используется, как государственными предприятиями, так и крупными частными компаниями. В нефтегазодобывающей отрасли востребованы: бортовые автомобили, трубовозы, седельные тягачи, топливозаправщики. В начале 90-х годов на шасси "УРАЛ" изготовили спецтехнику для газодобывающей отрасли: цементировочные агрегаты, агрегаты ремонта скважин, ремонтные мастерские и др.
Основными заказчиками являются нефтяные гиганты ОАО "Газпром", ОАО "НК "Роснефть", ОАО "Сургутнефтегаз, "ТНК-ВP", энергокомпания РАО "ЕЭС", а также ряд министерств Российской Федерации: Министерство обороны, Министерство по чрезвычайным ситуациям, Министерство внутренних дел.
С 2005 года Автомобильный завод УРАЛ освоил серийное производство таких автомобилей, как седельный тягач "УРАЛ-63674" и самосвалов с грузоподъёмностью более 20 тонн "УРАЛ-63685" и "УРАЛ-6563". В 2007-2008 году на Автомобильном заводе "УРАЛ" внедряют передовые технологии:
- внедрение новой производственной системы "lean production".
- внедрение современной автоматизированной ERP-системы
- внедрение системы "Ворота Качества".
- внедрение системы менеджмента качества в соответствии с требованиями стандартов ISO 9001:2000 и ISO 9001:2008.
- внедрение СМК соответствующей требованиям ИСО/ТУ 16949:2002.
АЗ "УРАЛ" постоянно работает на расширение модельного ряда. Так в 2010 году в серийное производство был запущен вахтовый автобус Урал-32552-3011-59 и самосвал Урал-6370. А уже в 2011 году на заводе разработали вахтовый автобус на пневмоподвеске, которая обеспечит высокую плавность хода даже в условиях бездорожья.
"АвтоАльянс" активно развивает направление запчастей для автомобилей УРАЛ. В продаже широкий ассортимент продукции АЗ "УРАЛ" по оптимальным ценам. Для Вас всегда работает группа специалистов по запчастям на автомобили УРАЛ.
АЗ "УРАЛ" входит в состав "Группы ГАЗ". Дата образования АЗ "УРАЛ" - 2001 год. Автомобильный завод Урал появился в результате перестройки производственного комплекса "УралАЗ". На сегодняшний день АЗ "УРАЛ" является основным звеном в структуре дивизиона "Грузовые автомобили" и занимает ведущие позиции на российском рынке полноприводных большегрузных автомобилей.
Основное назначение завода: Производство полноприводных грузовых автомобилей, дорожных грузовиков, вахтовых автобусов. На базе шасси "УРАЛ" работают более 400 видов спецтехники: вахтовые автобусы, автоцистерны, подъемные краны, топливозаправщики, пожарные автомобили, разнообразные агрегаты для лесопромышленного и нефтегазового комплекса, горной промышленности и коммунального хозяйства.
Автомобильная техника УРАЛ используется, как государственными предприятиями, так и крупными частными компаниями. В нефтегазодобывающей отрасли востребованы: бортовые автомобили, трубовозы, седельные тягачи, топливозаправщики. В начале 90-х годов на шасси "УРАЛ" изготовили спецтехнику для газодобывающей отрасли: цементировочные агрегаты, агрегаты ремонта скважин, ремонтные мастерские и др.
Основными заказчиками являются нефтяные гиганты ОАО "Газпром", ОАО "НК "Роснефть", ОАО "Сургутнефтегаз, "ТНК-ВP", энергокомпания РАО "ЕЭС", а также ряд министерств Российской Федерации: Министерство обороны, Министерство по чрезвычайным ситуациям, Министерство внутренних дел.
С 2005 года Автомобильный завод УРАЛ освоил серийное производство таких автомобилей, как седельный тягач "УРАЛ-63674" и самосвалов с грузоподъёмностью более 20 тонн "УРАЛ-63685" и "УРАЛ-6563". В 2007-2008 году на Автомобильном заводе "УРАЛ" внедряют передовые технологии:
- внедрение новой производственной системы "lean production".
- внедрение современной автоматизированной ERP-системы
- внедрение системы "Ворота Качества".
- внедрение системы менеджмента качества в соответствии с требованиями стандартов ISO 9001:2000 и ISO 9001:2008.
- внедрение СМК соответствующей требованиям ИСО/ТУ 16949:2002.
АЗ "УРАЛ" постоянно работает на расширение модельного ряда. Так в 2010 году в серийное производство был запущен вахтовый автобус Урал-32552-3011-59 и самосвал Урал-6370. А уже в 2011 году на заводе разработали вахтовый автобус на пневмоподвеске, которая обеспечит высокую плавность хода даже в условиях бездорожья.
"АвтоАльянс" активно развивает направление запчастей для автомобилей УРАЛ. В продаже широкий ассортимент продукции АЗ "УРАЛ" по оптимальным ценам. Для Вас всегда работает группа специалистов по запчастям на автомобили УРАЛ.
АЗ "УРАЛ" входит в состав "Группы ГАЗ". Дата образования АЗ "УРАЛ" - 2001 год. Автомобильный завод Урал появился в результате перестройки производственного комплекса "УралАЗ". На сегодняшний день АЗ "УРАЛ" является основным звеном в структуре дивизиона "Грузовые автомобили" и занимает ведущие позиции на российском рынке полноприводных большегрузных автомобилей.
Основное назначение завода: Производство полноприводных грузовых автомобилей, дорожных грузовиков, вахтовых автобусов. На базе шасси "УРАЛ" работают более 400 видов спецтехники: вахтовые автобусы, автоцистерны, подъемные краны, топливозаправщики, пожарные автомобили, разнообразные агрегаты для лесопромышленного и нефтегазового комплекса, горной промышленности и коммунального хозяйства.
Автомобильная техника УРАЛ используется, как государственными предприятиями, так и крупными частными компаниями. В нефтегазодобывающей отрасли востребованы: бортовые автомобили, трубовозы, седельные тягачи, топливозаправщики. В начале 90-х годов на шасси "УРАЛ" изготовили спецтехнику для газодобывающей отрасли: цементировочные агрегаты, агрегаты ремонта скважин, ремонтные мастерские и др.
Основными заказчиками являются нефтяные гиганты ОАО "Газпром", ОАО "НК "Роснефть", ОАО "Сургутнефтегаз, "ТНК-ВP", энергокомпания РАО "ЕЭС", а также ряд министерств Российской Федерации: Министерство обороны, Министерство по чрезвычайным ситуациям, Министерство внутренних дел.
С 2005 года Автомобильный завод УРАЛ освоил серийное производство таких автомобилей, как седельный тягач "УРАЛ-63674" и самосвалов с грузоподъёмностью более 20 тонн "УРАЛ-63685" и "УРАЛ-6563". В 2007-2008 году на Автомобильном заводе "УРАЛ" внедряют передовые технологии:
- внедрение новой производственной системы "lean production".
- внедрение современной автоматизированной ERP-системы
- внедрение системы "Ворота Качества".
- внедрение системы менеджмента качества в соответствии с требованиями стандартов ISO 9001:2000 и ISO 9001:2008.
- внедрение СМК соответствующей требованиям ИСО/ТУ 16949:2002.
АЗ "УРАЛ" постоянно работает на расширение модельного ряда. Так в 2010 году в серийное производство был запущен вахтовый автобус Урал-32552-3011-59 и самосвал Урал-6370. А уже в 2011 году на заводе разработали вахтовый автобус на пневмоподвеске, которая обеспечит высокую плавность хода даже в условиях бездорожья.
"АвтоАльянс" активно развивает направление запчастей для автомобилей УРАЛ. В продаже широкий ассортимент продукции АЗ "УРАЛ" по оптимальным ценам. Для Вас всегда работает группа специалистов по запчастям на автомобили УРАЛ.
АЗ "УРАЛ" входит в состав "Группы ГАЗ". Дата образования АЗ "УРАЛ" - 2001 год. Автомобильный завод Урал появился в результате перестройки производственного комплекса "УралАЗ". На сегодняшний день АЗ "УРАЛ" является основным звеном в структуре дивизиона "Грузовые автомобили" и занимает ведущие позиции на российском рынке полноприводных большегрузных автомобилей.
Основное назначение завода: Производство полноприводных грузовых автомобилей, дорожных грузовиков, вахтовых автобусов. На базе шасси "УРАЛ" работают более 400 видов спецтехники: вахтовые автобусы, автоцистерны, подъемные краны, топливозаправщики, пожарные автомобили, разнообразные агрегаты для лесопромышленного и нефтегазового комплекса, горной промышленности и коммунального хозяйства.
Автомобильная техника УРАЛ используется, как государственными предприятиями, так и крупными частными компаниями. В нефтегазодобывающей отрасли востребованы: бортовые автомобили, трубовозы, седельные тягачи, топливозаправщики. В начале 90-х годов на шасси "УРАЛ" изготовили спецтехнику для газодобывающей отрасли: цементировочные агрегаты, агрегаты ремонта скважин, ремонтные мастерские и др.
Основными заказчиками являются нефтяные гиганты ОАО "Газпром", ОАО "НК "Роснефть", ОАО "Сургутнефтегаз, "ТНК-ВP", энергокомпания РАО "ЕЭС", а также ряд министерств Российской Федерации: Министерство обороны, Министерство по чрезвычайным ситуациям, Министерство внутренних дел.
С 2005 года Автомобильный завод УРАЛ освоил серийное производство таких автомобилей, как седельный тягач "УРАЛ-63674" и самосвалов с грузоподъёмностью более 20 тонн "УРАЛ-63685" и "УРАЛ-6563". В 2007-2008 году на Автомобильном заводе "УРАЛ" внедряют передовые технологии:
- внедрение новой производственной системы "lean production".
- внедрение современной автоматизированной ERP-системы
- внедрение системы "Ворота Качества".
- внедрение системы менеджмента качества в соответствии с требованиями стандартов ISO 9001:2000 и ISO 9001:2008.
- внедрение СМК соответствующей требованиям ИСО/ТУ 16949:2002.
АЗ "УРАЛ" постоянно работает на расширение модельного ряда. Так в 2010 году в серийное производство был запущен вахтовый автобус Урал-32552-3011-59 и самосвал Урал-6370. А уже в 2011 году на заводе разработали вахтовый автобус на пневмоподвеске, которая обеспечит высокую плавность хода даже в условиях бездорожья.
"АвтоАльянс" активно развивает направление запчастей для автомобилей УРАЛ. В продаже широкий ассортимент продукции АЗ "УРАЛ" по оптимальным ценам. Для Вас всегда работает группа специалистов по запчастям на автомобили УРАЛ.
"Завод Красная Этна" уже более 110 лет производит крепёжные изделия и пружины для автомобильной промышленности. История завода начинается с 24 декабря 1898 года, когда по положению Комитета Министров Николай Второй разрешает Виктору Михайловичу Гольденбергу и германскому подданному Петру Ивановичу Мартини учредить "Акционерное Общество Рижского металлического завода "Этна". С 1904 года по 1915 год на Рижском металлическом заводе работали цеха: гвоздильный, горячепрокатный, цепочный, травильный, отжигательный, волочильный. Продукция завода была востребована в России, Прибалтике и за рубежом. В годы первой мировой войны завод был эвакуирован из Риги в Нижний Новгород. С этого момента для завода начинается новая история. Во время войны "Завод Красная Этна" обеспечивал своей продукцией фронт. На заводе начался выпуск минных цепей, гвоздей к солдатским сапогам, колючей проволоки, пряжек к ружьям и карабинов, а также другой продукции для нужд фронта и населения России. С 1916 года по 1918 год происходит национализация завода и смена учредителей. Завод стал именоваться, как Акционерное общество Нижегородского металлического завода "Новая Этна". С приходом советской власти на заводе сменилось название на "Красная Этна" и были запущены: электростанция, прокатный цех, цех тонкого волочения и болтозаклепочный цех. В 1925 в структуру завода вливается предприятие с парком металлорежущего оборудования. В этом же году, на базе влившегося предприятия, создаются инструментальный и механический цеха, а также лесопильно-ящичный цех. В начале 30х, организовано строительство Горьковского автомобильного завода, который оказал большое влияние на развитие и деятельность предприятия. "Красная Этна" переходит на выпуск изделий высокого класса точности и включается в обслуживание автомобильной промышленности страны. К началу Великой Отечественной войны, реконструированный завод представлял собой крупное предприятие автомобильной промышленности, которое специализировалось на выпуске: специальной проволоки, пружин, шайб, холоднокатаной ленты и автонормалей. Во время Второй Мировой войны завод бесперебойно снабжал фронт боеприпасами. С 1941 года по 1943 год на заводе работало 996 человек. В послевоенное время завод стал активно развиваться. В дальнейшем на заводе были реконструированы цеха и освоено новое производство, создано собственное станкостроение и автоматические линии, выстроен инженерный корпус и здание очистных сооружений. Организовано производство проката и пружин, а также стержневого крепежа. Создан важнейший отдел обеспечения качеством. На сегодняшний день ОАО "Завод Красная Этна" представляет собой современное, динамично-развивающееся предприятие, специализирующееся на производстве крепежных изделий для автомобильной промышленности. Продукция завода поставляется на крупнейшие предприятия России, стран СНГ и дальнего зарубежья. Продукция предприятия соответствует международным системам качества ИСО 9001-2000 и ISO/TS 16949:2002. Продукция завода прошла проверку аудиторами TUV CERT (Германия) и национальной системой ГОСТ Р. Номенклатура предприятия насчитывает более 2,5 тысячи видов крепёжных изделий, в том числе соответствующих стандарту DIN. Компания "АвтоАльянс" предлагает оригинальную продукцию производства ОАО "Завод Красная Этна". В ассортименте представлен широкий перечень продукции завода: винты различных конструкций, пружины, стремянки, шайбы, гайки, шпильки, заклепки, штуцеры, оси, пробки и пластины, а также всевозможный крепёж к различным автомобилям.
На складах : 702 шт.
"Завод Красная Этна" уже более 110 лет производит крепёжные изделия и пружины для автомобильной промышленности. История завода начинается с 24 декабря 1898 года, когда по положению Комитета Министров Николай Второй разрешает Виктору Михайловичу Гольденбергу и германскому подданному Петру Ивановичу Мартини учредить "Акционерное Общество Рижского металлического завода "Этна". С 1904 года по 1915 год на Рижском металлическом заводе работали цеха: гвоздильный, горячепрокатный, цепочный, травильный, отжигательный, волочильный. Продукция завода была востребована в России, Прибалтике и за рубежом. В годы первой мировой войны завод был эвакуирован из Риги в Нижний Новгород. С этого момента для завода начинается новая история. Во время войны "Завод Красная Этна" обеспечивал своей продукцией фронт. На заводе начался выпуск минных цепей, гвоздей к солдатским сапогам, колючей проволоки, пряжек к ружьям и карабинов, а также другой продукции для нужд фронта и населения России. С 1916 года по 1918 год происходит национализация завода и смена учредителей. Завод стал именоваться, как Акционерное общество Нижегородского металлического завода "Новая Этна". С приходом советской власти на заводе сменилось название на "Красная Этна" и были запущены: электростанция, прокатный цех, цех тонкого волочения и болтозаклепочный цех. В 1925 в структуру завода вливается предприятие с парком металлорежущего оборудования. В этом же году, на базе влившегося предприятия, создаются инструментальный и механический цеха, а также лесопильно-ящичный цех. В начале 30х, организовано строительство Горьковского автомобильного завода, который оказал большое влияние на развитие и деятельность предприятия. "Красная Этна" переходит на выпуск изделий высокого класса точности и включается в обслуживание автомобильной промышленности страны. К началу Великой Отечественной войны, реконструированный завод представлял собой крупное предприятие автомобильной промышленности, которое специализировалось на выпуске: специальной проволоки, пружин, шайб, холоднокатаной ленты и автонормалей. Во время Второй Мировой войны завод бесперебойно снабжал фронт боеприпасами. С 1941 года по 1943 год на заводе работало 996 человек. В послевоенное время завод стал активно развиваться. В дальнейшем на заводе были реконструированы цеха и освоено новое производство, создано собственное станкостроение и автоматические линии, выстроен инженерный корпус и здание очистных сооружений. Организовано производство проката и пружин, а также стержневого крепежа. Создан важнейший отдел обеспечения качеством. На сегодняшний день ОАО "Завод Красная Этна" представляет собой современное, динамично-развивающееся предприятие, специализирующееся на производстве крепежных изделий для автомобильной промышленности. Продукция завода поставляется на крупнейшие предприятия России, стран СНГ и дальнего зарубежья. Продукция предприятия соответствует международным системам качества ИСО 9001-2000 и ISO/TS 16949:2002. Продукция завода прошла проверку аудиторами TUV CERT (Германия) и национальной системой ГОСТ Р. Номенклатура предприятия насчитывает более 2,5 тысячи видов крепёжных изделий, в том числе соответствующих стандарту DIN. Компания "АвтоАльянс" предлагает оригинальную продукцию производства ОАО "Завод Красная Этна". В ассортименте представлен широкий перечень продукции завода: винты различных конструкций, пружины, стремянки, шайбы, гайки, шпильки, заклепки, штуцеры, оси, пробки и пластины, а также всевозможный крепёж к различным автомобилям.
АЗ "УРАЛ" входит в состав "Группы ГАЗ". Дата образования АЗ "УРАЛ" - 2001 год. Автомобильный завод Урал появился в результате перестройки производственного комплекса "УралАЗ". На сегодняшний день АЗ "УРАЛ" является основным звеном в структуре дивизиона "Грузовые автомобили" и занимает ведущие позиции на российском рынке полноприводных большегрузных автомобилей.
Основное назначение завода: Производство полноприводных грузовых автомобилей, дорожных грузовиков, вахтовых автобусов. На базе шасси "УРАЛ" работают более 400 видов спецтехники: вахтовые автобусы, автоцистерны, подъемные краны, топливозаправщики, пожарные автомобили, разнообразные агрегаты для лесопромышленного и нефтегазового комплекса, горной промышленности и коммунального хозяйства.
Автомобильная техника УРАЛ используется, как государственными предприятиями, так и крупными частными компаниями. В нефтегазодобывающей отрасли востребованы: бортовые автомобили, трубовозы, седельные тягачи, топливозаправщики. В начале 90-х годов на шасси "УРАЛ" изготовили спецтехнику для газодобывающей отрасли: цементировочные агрегаты, агрегаты ремонта скважин, ремонтные мастерские и др.
Основными заказчиками являются нефтяные гиганты ОАО "Газпром", ОАО "НК "Роснефть", ОАО "Сургутнефтегаз, "ТНК-ВP", энергокомпания РАО "ЕЭС", а также ряд министерств Российской Федерации: Министерство обороны, Министерство по чрезвычайным ситуациям, Министерство внутренних дел.
С 2005 года Автомобильный завод УРАЛ освоил серийное производство таких автомобилей, как седельный тягач "УРАЛ-63674" и самосвалов с грузоподъёмностью более 20 тонн "УРАЛ-63685" и "УРАЛ-6563". В 2007-2008 году на Автомобильном заводе "УРАЛ" внедряют передовые технологии:
- внедрение новой производственной системы "lean production".
- внедрение современной автоматизированной ERP-системы
- внедрение системы "Ворота Качества".
- внедрение системы менеджмента качества в соответствии с требованиями стандартов ISO 9001:2000 и ISO 9001:2008.
- внедрение СМК соответствующей требованиям ИСО/ТУ 16949:2002.
АЗ "УРАЛ" постоянно работает на расширение модельного ряда. Так в 2010 году в серийное производство был запущен вахтовый автобус Урал-32552-3011-59 и самосвал Урал-6370. А уже в 2011 году на заводе разработали вахтовый автобус на пневмоподвеске, которая обеспечит высокую плавность хода даже в условиях бездорожья.
"АвтоАльянс" активно развивает направление запчастей для автомобилей УРАЛ. В продаже широкий ассортимент продукции АЗ "УРАЛ" по оптимальным ценам. Для Вас всегда работает группа специалистов по запчастям на автомобили УРАЛ.
АЗ "УРАЛ" входит в состав "Группы ГАЗ". Дата образования АЗ "УРАЛ" - 2001 год. Автомобильный завод Урал появился в результате перестройки производственного комплекса "УралАЗ". На сегодняшний день АЗ "УРАЛ" является основным звеном в структуре дивизиона "Грузовые автомобили" и занимает ведущие позиции на российском рынке полноприводных большегрузных автомобилей.
Основное назначение завода: Производство полноприводных грузовых автомобилей, дорожных грузовиков, вахтовых автобусов. На базе шасси "УРАЛ" работают более 400 видов спецтехники: вахтовые автобусы, автоцистерны, подъемные краны, топливозаправщики, пожарные автомобили, разнообразные агрегаты для лесопромышленного и нефтегазового комплекса, горной промышленности и коммунального хозяйства.
Автомобильная техника УРАЛ используется, как государственными предприятиями, так и крупными частными компаниями. В нефтегазодобывающей отрасли востребованы: бортовые автомобили, трубовозы, седельные тягачи, топливозаправщики. В начале 90-х годов на шасси "УРАЛ" изготовили спецтехнику для газодобывающей отрасли: цементировочные агрегаты, агрегаты ремонта скважин, ремонтные мастерские и др.
Основными заказчиками являются нефтяные гиганты ОАО "Газпром", ОАО "НК "Роснефть", ОАО "Сургутнефтегаз, "ТНК-ВP", энергокомпания РАО "ЕЭС", а также ряд министерств Российской Федерации: Министерство обороны, Министерство по чрезвычайным ситуациям, Министерство внутренних дел.
С 2005 года Автомобильный завод УРАЛ освоил серийное производство таких автомобилей, как седельный тягач "УРАЛ-63674" и самосвалов с грузоподъёмностью более 20 тонн "УРАЛ-63685" и "УРАЛ-6563". В 2007-2008 году на Автомобильном заводе "УРАЛ" внедряют передовые технологии:
- внедрение новой производственной системы "lean production".
- внедрение современной автоматизированной ERP-системы
- внедрение системы "Ворота Качества".
- внедрение системы менеджмента качества в соответствии с требованиями стандартов ISO 9001:2000 и ISO 9001:2008.
- внедрение СМК соответствующей требованиям ИСО/ТУ 16949:2002.
АЗ "УРАЛ" постоянно работает на расширение модельного ряда. Так в 2010 году в серийное производство был запущен вахтовый автобус Урал-32552-3011-59 и самосвал Урал-6370. А уже в 2011 году на заводе разработали вахтовый автобус на пневмоподвеске, которая обеспечит высокую плавность хода даже в условиях бездорожья.
"АвтоАльянс" активно развивает направление запчастей для автомобилей УРАЛ. В продаже широкий ассортимент продукции АЗ "УРАЛ" по оптимальным ценам. Для Вас всегда работает группа специалистов по запчастям на автомобили УРАЛ.
АЗ "УРАЛ" входит в состав "Группы ГАЗ". Дата образования АЗ "УРАЛ" - 2001 год. Автомобильный завод Урал появился в результате перестройки производственного комплекса "УралАЗ". На сегодняшний день АЗ "УРАЛ" является основным звеном в структуре дивизиона "Грузовые автомобили" и занимает ведущие позиции на российском рынке полноприводных большегрузных автомобилей.
Основное назначение завода: Производство полноприводных грузовых автомобилей, дорожных грузовиков, вахтовых автобусов. На базе шасси "УРАЛ" работают более 400 видов спецтехники: вахтовые автобусы, автоцистерны, подъемные краны, топливозаправщики, пожарные автомобили, разнообразные агрегаты для лесопромышленного и нефтегазового комплекса, горной промышленности и коммунального хозяйства.
Автомобильная техника УРАЛ используется, как государственными предприятиями, так и крупными частными компаниями. В нефтегазодобывающей отрасли востребованы: бортовые автомобили, трубовозы, седельные тягачи, топливозаправщики. В начале 90-х годов на шасси "УРАЛ" изготовили спецтехнику для газодобывающей отрасли: цементировочные агрегаты, агрегаты ремонта скважин, ремонтные мастерские и др.
Основными заказчиками являются нефтяные гиганты ОАО "Газпром", ОАО "НК "Роснефть", ОАО "Сургутнефтегаз, "ТНК-ВP", энергокомпания РАО "ЕЭС", а также ряд министерств Российской Федерации: Министерство обороны, Министерство по чрезвычайным ситуациям, Министерство внутренних дел.
С 2005 года Автомобильный завод УРАЛ освоил серийное производство таких автомобилей, как седельный тягач "УРАЛ-63674" и самосвалов с грузоподъёмностью более 20 тонн "УРАЛ-63685" и "УРАЛ-6563". В 2007-2008 году на Автомобильном заводе "УРАЛ" внедряют передовые технологии:
- внедрение новой производственной системы "lean production".
- внедрение современной автоматизированной ERP-системы
- внедрение системы "Ворота Качества".
- внедрение системы менеджмента качества в соответствии с требованиями стандартов ISO 9001:2000 и ISO 9001:2008.
- внедрение СМК соответствующей требованиям ИСО/ТУ 16949:2002.
АЗ "УРАЛ" постоянно работает на расширение модельного ряда. Так в 2010 году в серийное производство был запущен вахтовый автобус Урал-32552-3011-59 и самосвал Урал-6370. А уже в 2011 году на заводе разработали вахтовый автобус на пневмоподвеске, которая обеспечит высокую плавность хода даже в условиях бездорожья.
"АвтоАльянс" активно развивает направление запчастей для автомобилей УРАЛ. В продаже широкий ассортимент продукции АЗ "УРАЛ" по оптимальным ценам. Для Вас всегда работает группа специалистов по запчастям на автомобили УРАЛ.
АЗ "УРАЛ" входит в состав "Группы ГАЗ". Дата образования АЗ "УРАЛ" - 2001 год. Автомобильный завод Урал появился в результате перестройки производственного комплекса "УралАЗ". На сегодняшний день АЗ "УРАЛ" является основным звеном в структуре дивизиона "Грузовые автомобили" и занимает ведущие позиции на российском рынке полноприводных большегрузных автомобилей.
Основное назначение завода: Производство полноприводных грузовых автомобилей, дорожных грузовиков, вахтовых автобусов. На базе шасси "УРАЛ" работают более 400 видов спецтехники: вахтовые автобусы, автоцистерны, подъемные краны, топливозаправщики, пожарные автомобили, разнообразные агрегаты для лесопромышленного и нефтегазового комплекса, горной промышленности и коммунального хозяйства.
Автомобильная техника УРАЛ используется, как государственными предприятиями, так и крупными частными компаниями. В нефтегазодобывающей отрасли востребованы: бортовые автомобили, трубовозы, седельные тягачи, топливозаправщики. В начале 90-х годов на шасси "УРАЛ" изготовили спецтехнику для газодобывающей отрасли: цементировочные агрегаты, агрегаты ремонта скважин, ремонтные мастерские и др.
Основными заказчиками являются нефтяные гиганты ОАО "Газпром", ОАО "НК "Роснефть", ОАО "Сургутнефтегаз, "ТНК-ВP", энергокомпания РАО "ЕЭС", а также ряд министерств Российской Федерации: Министерство обороны, Министерство по чрезвычайным ситуациям, Министерство внутренних дел.
С 2005 года Автомобильный завод УРАЛ освоил серийное производство таких автомобилей, как седельный тягач "УРАЛ-63674" и самосвалов с грузоподъёмностью более 20 тонн "УРАЛ-63685" и "УРАЛ-6563". В 2007-2008 году на Автомобильном заводе "УРАЛ" внедряют передовые технологии:
- внедрение новой производственной системы "lean production".
- внедрение современной автоматизированной ERP-системы
- внедрение системы "Ворота Качества".
- внедрение системы менеджмента качества в соответствии с требованиями стандартов ISO 9001:2000 и ISO 9001:2008.
- внедрение СМК соответствующей требованиям ИСО/ТУ 16949:2002.
АЗ "УРАЛ" постоянно работает на расширение модельного ряда. Так в 2010 году в серийное производство был запущен вахтовый автобус Урал-32552-3011-59 и самосвал Урал-6370. А уже в 2011 году на заводе разработали вахтовый автобус на пневмоподвеске, которая обеспечит высокую плавность хода даже в условиях бездорожья.
"АвтоАльянс" активно развивает направление запчастей для автомобилей УРАЛ. В продаже широкий ассортимент продукции АЗ "УРАЛ" по оптимальным ценам. Для Вас всегда работает группа специалистов по запчастям на автомобили УРАЛ.
Шадринский автоагрегатный завод (ШААЗ) – предприятие машиностроительного комплекса Уральской горно-металлургической компании. Основным видом деятельности ОАО "ШААЗ" является производство автомобильных агрегатов: водяных и масляных радиаторов автомобильных двигателей, радиаторов отопителей, отопительно-вентиляционных установок, домкратов гидравлических и рычажно-винтовых, бензиновых насосов автомобильных двигателей, охладителей наддувочного воздуха. Номенклатура выпускаемых изделий составляет более 150 наименований. Наибольшую долю в структуре продаж составляют радиаторы. Выпускаемая на предприятии продукция поставляется на конвейеры головных автомобильных заводов (КАМАЗ, АЗ «Урал», ГАЗ, ЗИЛ, УАЗ, ЛиАЗ, КАВЗ и др) и рынок запасных частей. Завод имеет полное инженерное обеспечение: транспорт, г/п механизмы, управления главного технолога и главного конструктора с цехом мелких серий и экспериментальной базой, отделы стандартизации и сертификации, отдел главного механика, отдел производственного контроля и охраны труда, службу качества с испытательной базой и лабораторией входного контроля, отдел главного метролога, центральную заводскую лабораторию, станкоремонтное производство, инструментальное производство, службу по строительству и реконструкции. В 1999 году ОАО «ШААЗ» вошло в состав Уральской горно-металлургической компании. Предоставленный инвестором товарный кредит позволил увеличить оборотные средства, стабилизировать работу предприятия. В 2002 году ОАО «ШААЗ» вступило в Национальную ассоциацию производителей радиаторной продукции NARSA. В феврале 2003 года на Шадринском автоагрегатном заводе запущено первое в России массовое производство автомобильных теплообменников по технологии «Купробрейз», в основе которой использование в пайке твердых припоев на основе меди, не содержащих свинца. Это обеспечивает значительно большую прочность конструкции и экологическую безопасность процесса. С запуском производства ОАО «ШААЗ» начинает изготовление принципиально новой продукции, соответствующей стандартам Евро-2 и Евро-3, – охладителей наддувочного воздуха (ОНВ). Производство оснащено уникальным оборудованием. Капитальные вложения в техническое перевооружение в 2000-2003 годах составили $4,5 млн. В настоящее время ШААЗ выпускает по новой технологии водяные радиаторы и охладители наддувочного воздуха практически для всех существующих в России и странах СНГ моделей автомобилей и автобусов, изготовлен ряд образцов теплообменников для иностранных фирм.
Шадринский автоагрегатный завод (ШААЗ) – предприятие машиностроительного комплекса Уральской горно-металлургической компании. Основным видом деятельности ОАО "ШААЗ" является производство автомобильных агрегатов: водяных и масляных радиаторов автомобильных двигателей, радиаторов отопителей, отопительно-вентиляционных установок, домкратов гидравлических и рычажно-винтовых, бензиновых насосов автомобильных двигателей, охладителей наддувочного воздуха. Номенклатура выпускаемых изделий составляет более 150 наименований. Наибольшую долю в структуре продаж составляют радиаторы. Выпускаемая на предприятии продукция поставляется на конвейеры головных автомобильных заводов (КАМАЗ, АЗ «Урал», ГАЗ, ЗИЛ, УАЗ, ЛиАЗ, КАВЗ и др) и рынок запасных частей. Завод имеет полное инженерное обеспечение: транспорт, г/п механизмы, управления главного технолога и главного конструктора с цехом мелких серий и экспериментальной базой, отделы стандартизации и сертификации, отдел главного механика, отдел производственного контроля и охраны труда, службу качества с испытательной базой и лабораторией входного контроля, отдел главного метролога, центральную заводскую лабораторию, станкоремонтное производство, инструментальное производство, службу по строительству и реконструкции. В 1999 году ОАО «ШААЗ» вошло в состав Уральской горно-металлургической компании. Предоставленный инвестором товарный кредит позволил увеличить оборотные средства, стабилизировать работу предприятия. В 2002 году ОАО «ШААЗ» вступило в Национальную ассоциацию производителей радиаторной продукции NARSA. В феврале 2003 года на Шадринском автоагрегатном заводе запущено первое в России массовое производство автомобильных теплообменников по технологии «Купробрейз», в основе которой использование в пайке твердых припоев на основе меди, не содержащих свинца. Это обеспечивает значительно большую прочность конструкции и экологическую безопасность процесса. С запуском производства ОАО «ШААЗ» начинает изготовление принципиально новой продукции, соответствующей стандартам Евро-2 и Евро-3, – охладителей наддувочного воздуха (ОНВ). Производство оснащено уникальным оборудованием. Капитальные вложения в техническое перевооружение в 2000-2003 годах составили $4,5 млн. В настоящее время ШААЗ выпускает по новой технологии водяные радиаторы и охладители наддувочного воздуха практически для всех существующих в России и странах СНГ моделей автомобилей и автобусов, изготовлен ряд образцов теплообменников для иностранных фирм.
АЗ "УРАЛ" входит в состав "Группы ГАЗ". Дата образования АЗ "УРАЛ" - 2001 год. Автомобильный завод Урал появился в результате перестройки производственного комплекса "УралАЗ". На сегодняшний день АЗ "УРАЛ" является основным звеном в структуре дивизиона "Грузовые автомобили" и занимает ведущие позиции на российском рынке полноприводных большегрузных автомобилей.
Основное назначение завода: Производство полноприводных грузовых автомобилей, дорожных грузовиков, вахтовых автобусов. На базе шасси "УРАЛ" работают более 400 видов спецтехники: вахтовые автобусы, автоцистерны, подъемные краны, топливозаправщики, пожарные автомобили, разнообразные агрегаты для лесопромышленного и нефтегазового комплекса, горной промышленности и коммунального хозяйства.
Автомобильная техника УРАЛ используется, как государственными предприятиями, так и крупными частными компаниями. В нефтегазодобывающей отрасли востребованы: бортовые автомобили, трубовозы, седельные тягачи, топливозаправщики. В начале 90-х годов на шасси "УРАЛ" изготовили спецтехнику для газодобывающей отрасли: цементировочные агрегаты, агрегаты ремонта скважин, ремонтные мастерские и др.
Основными заказчиками являются нефтяные гиганты ОАО "Газпром", ОАО "НК "Роснефть", ОАО "Сургутнефтегаз, "ТНК-ВP", энергокомпания РАО "ЕЭС", а также ряд министерств Российской Федерации: Министерство обороны, Министерство по чрезвычайным ситуациям, Министерство внутренних дел.
С 2005 года Автомобильный завод УРАЛ освоил серийное производство таких автомобилей, как седельный тягач "УРАЛ-63674" и самосвалов с грузоподъёмностью более 20 тонн "УРАЛ-63685" и "УРАЛ-6563". В 2007-2008 году на Автомобильном заводе "УРАЛ" внедряют передовые технологии:
- внедрение новой производственной системы "lean production".
- внедрение современной автоматизированной ERP-системы
- внедрение системы "Ворота Качества".
- внедрение системы менеджмента качества в соответствии с требованиями стандартов ISO 9001:2000 и ISO 9001:2008.
- внедрение СМК соответствующей требованиям ИСО/ТУ 16949:2002.
АЗ "УРАЛ" постоянно работает на расширение модельного ряда. Так в 2010 году в серийное производство был запущен вахтовый автобус Урал-32552-3011-59 и самосвал Урал-6370. А уже в 2011 году на заводе разработали вахтовый автобус на пневмоподвеске, которая обеспечит высокую плавность хода даже в условиях бездорожья.
"АвтоАльянс" активно развивает направление запчастей для автомобилей УРАЛ. В продаже широкий ассортимент продукции АЗ "УРАЛ" по оптимальным ценам. Для Вас всегда работает группа специалистов по запчастям на автомобили УРАЛ.
АЗ "УРАЛ" входит в состав "Группы ГАЗ". Дата образования АЗ "УРАЛ" - 2001 год. Автомобильный завод Урал появился в результате перестройки производственного комплекса "УралАЗ". На сегодняшний день АЗ "УРАЛ" является основным звеном в структуре дивизиона "Грузовые автомобили" и занимает ведущие позиции на российском рынке полноприводных большегрузных автомобилей.
Основное назначение завода: Производство полноприводных грузовых автомобилей, дорожных грузовиков, вахтовых автобусов. На базе шасси "УРАЛ" работают более 400 видов спецтехники: вахтовые автобусы, автоцистерны, подъемные краны, топливозаправщики, пожарные автомобили, разнообразные агрегаты для лесопромышленного и нефтегазового комплекса, горной промышленности и коммунального хозяйства.
Автомобильная техника УРАЛ используется, как государственными предприятиями, так и крупными частными компаниями. В нефтегазодобывающей отрасли востребованы: бортовые автомобили, трубовозы, седельные тягачи, топливозаправщики. В начале 90-х годов на шасси "УРАЛ" изготовили спецтехнику для газодобывающей отрасли: цементировочные агрегаты, агрегаты ремонта скважин, ремонтные мастерские и др.
Основными заказчиками являются нефтяные гиганты ОАО "Газпром", ОАО "НК "Роснефть", ОАО "Сургутнефтегаз, "ТНК-ВP", энергокомпания РАО "ЕЭС", а также ряд министерств Российской Федерации: Министерство обороны, Министерство по чрезвычайным ситуациям, Министерство внутренних дел.
С 2005 года Автомобильный завод УРАЛ освоил серийное производство таких автомобилей, как седельный тягач "УРАЛ-63674" и самосвалов с грузоподъёмностью более 20 тонн "УРАЛ-63685" и "УРАЛ-6563". В 2007-2008 году на Автомобильном заводе "УРАЛ" внедряют передовые технологии:
- внедрение новой производственной системы "lean production".
- внедрение современной автоматизированной ERP-системы
- внедрение системы "Ворота Качества".
- внедрение системы менеджмента качества в соответствии с требованиями стандартов ISO 9001:2000 и ISO 9001:2008.
- внедрение СМК соответствующей требованиям ИСО/ТУ 16949:2002.
АЗ "УРАЛ" постоянно работает на расширение модельного ряда. Так в 2010 году в серийное производство был запущен вахтовый автобус Урал-32552-3011-59 и самосвал Урал-6370. А уже в 2011 году на заводе разработали вахтовый автобус на пневмоподвеске, которая обеспечит высокую плавность хода даже в условиях бездорожья.
"АвтоАльянс" активно развивает направление запчастей для автомобилей УРАЛ. В продаже широкий ассортимент продукции АЗ "УРАЛ" по оптимальным ценам. Для Вас всегда работает группа специалистов по запчастям на автомобили УРАЛ.
"Завод Красная Этна" уже более 110 лет производит крепёжные изделия и пружины для автомобильной промышленности. История завода начинается с 24 декабря 1898 года, когда по положению Комитета Министров Николай Второй разрешает Виктору Михайловичу Гольденбергу и германскому подданному Петру Ивановичу Мартини учредить "Акционерное Общество Рижского металлического завода "Этна". С 1904 года по 1915 год на Рижском металлическом заводе работали цеха: гвоздильный, горячепрокатный, цепочный, травильный, отжигательный, волочильный. Продукция завода была востребована в России, Прибалтике и за рубежом. В годы первой мировой войны завод был эвакуирован из Риги в Нижний Новгород. С этого момента для завода начинается новая история. Во время войны "Завод Красная Этна" обеспечивал своей продукцией фронт. На заводе начался выпуск минных цепей, гвоздей к солдатским сапогам, колючей проволоки, пряжек к ружьям и карабинов, а также другой продукции для нужд фронта и населения России. С 1916 года по 1918 год происходит национализация завода и смена учредителей. Завод стал именоваться, как Акционерное общество Нижегородского металлического завода "Новая Этна". С приходом советской власти на заводе сменилось название на "Красная Этна" и были запущены: электростанция, прокатный цех, цех тонкого волочения и болтозаклепочный цех. В 1925 в структуру завода вливается предприятие с парком металлорежущего оборудования. В этом же году, на базе влившегося предприятия, создаются инструментальный и механический цеха, а также лесопильно-ящичный цех. В начале 30х, организовано строительство Горьковского автомобильного завода, который оказал большое влияние на развитие и деятельность предприятия. "Красная Этна" переходит на выпуск изделий высокого класса точности и включается в обслуживание автомобильной промышленности страны. К началу Великой Отечественной войны, реконструированный завод представлял собой крупное предприятие автомобильной промышленности, которое специализировалось на выпуске: специальной проволоки, пружин, шайб, холоднокатаной ленты и автонормалей. Во время Второй Мировой войны завод бесперебойно снабжал фронт боеприпасами. С 1941 года по 1943 год на заводе работало 996 человек. В послевоенное время завод стал активно развиваться. В дальнейшем на заводе были реконструированы цеха и освоено новое производство, создано собственное станкостроение и автоматические линии, выстроен инженерный корпус и здание очистных сооружений. Организовано производство проката и пружин, а также стержневого крепежа. Создан важнейший отдел обеспечения качеством. На сегодняшний день ОАО "Завод Красная Этна" представляет собой современное, динамично-развивающееся предприятие, специализирующееся на производстве крепежных изделий для автомобильной промышленности. Продукция завода поставляется на крупнейшие предприятия России, стран СНГ и дальнего зарубежья. Продукция предприятия соответствует международным системам качества ИСО 9001-2000 и ISO/TS 16949:2002. Продукция завода прошла проверку аудиторами TUV CERT (Германия) и национальной системой ГОСТ Р. Номенклатура предприятия насчитывает более 2,5 тысячи видов крепёжных изделий, в том числе соответствующих стандарту DIN. Компания "АвтоАльянс" предлагает оригинальную продукцию производства ОАО "Завод Красная Этна". В ассортименте представлен широкий перечень продукции завода: винты различных конструкций, пружины, стремянки, шайбы, гайки, шпильки, заклепки, штуцеры, оси, пробки и пластины, а также всевозможный крепёж к различным автомобилям.
На складах : 147 шт.
"Завод Красная Этна" уже более 110 лет производит крепёжные изделия и пружины для автомобильной промышленности. История завода начинается с 24 декабря 1898 года, когда по положению Комитета Министров Николай Второй разрешает Виктору Михайловичу Гольденбергу и германскому подданному Петру Ивановичу Мартини учредить "Акционерное Общество Рижского металлического завода "Этна". С 1904 года по 1915 год на Рижском металлическом заводе работали цеха: гвоздильный, горячепрокатный, цепочный, травильный, отжигательный, волочильный. Продукция завода была востребована в России, Прибалтике и за рубежом. В годы первой мировой войны завод был эвакуирован из Риги в Нижний Новгород. С этого момента для завода начинается новая история. Во время войны "Завод Красная Этна" обеспечивал своей продукцией фронт. На заводе начался выпуск минных цепей, гвоздей к солдатским сапогам, колючей проволоки, пряжек к ружьям и карабинов, а также другой продукции для нужд фронта и населения России. С 1916 года по 1918 год происходит национализация завода и смена учредителей. Завод стал именоваться, как Акционерное общество Нижегородского металлического завода "Новая Этна". С приходом советской власти на заводе сменилось название на "Красная Этна" и были запущены: электростанция, прокатный цех, цех тонкого волочения и болтозаклепочный цех. В 1925 в структуру завода вливается предприятие с парком металлорежущего оборудования. В этом же году, на базе влившегося предприятия, создаются инструментальный и механический цеха, а также лесопильно-ящичный цех. В начале 30х, организовано строительство Горьковского автомобильного завода, который оказал большое влияние на развитие и деятельность предприятия. "Красная Этна" переходит на выпуск изделий высокого класса точности и включается в обслуживание автомобильной промышленности страны. К началу Великой Отечественной войны, реконструированный завод представлял собой крупное предприятие автомобильной промышленности, которое специализировалось на выпуске: специальной проволоки, пружин, шайб, холоднокатаной ленты и автонормалей. Во время Второй Мировой войны завод бесперебойно снабжал фронт боеприпасами. С 1941 года по 1943 год на заводе работало 996 человек. В послевоенное время завод стал активно развиваться. В дальнейшем на заводе были реконструированы цеха и освоено новое производство, создано собственное станкостроение и автоматические линии, выстроен инженерный корпус и здание очистных сооружений. Организовано производство проката и пружин, а также стержневого крепежа. Создан важнейший отдел обеспечения качеством. На сегодняшний день ОАО "Завод Красная Этна" представляет собой современное, динамично-развивающееся предприятие, специализирующееся на производстве крепежных изделий для автомобильной промышленности. Продукция завода поставляется на крупнейшие предприятия России, стран СНГ и дальнего зарубежья. Продукция предприятия соответствует международным системам качества ИСО 9001-2000 и ISO/TS 16949:2002. Продукция завода прошла проверку аудиторами TUV CERT (Германия) и национальной системой ГОСТ Р. Номенклатура предприятия насчитывает более 2,5 тысячи видов крепёжных изделий, в том числе соответствующих стандарту DIN. Компания "АвтоАльянс" предлагает оригинальную продукцию производства ОАО "Завод Красная Этна". В ассортименте представлен широкий перечень продукции завода: винты различных конструкций, пружины, стремянки, шайбы, гайки, шпильки, заклепки, штуцеры, оси, пробки и пластины, а также всевозможный крепёж к различным автомобилям.
АЗ "УРАЛ" входит в состав "Группы ГАЗ". Дата образования АЗ "УРАЛ" - 2001 год. Автомобильный завод Урал появился в результате перестройки производственного комплекса "УралАЗ". На сегодняшний день АЗ "УРАЛ" является основным звеном в структуре дивизиона "Грузовые автомобили" и занимает ведущие позиции на российском рынке полноприводных большегрузных автомобилей.
Основное назначение завода: Производство полноприводных грузовых автомобилей, дорожных грузовиков, вахтовых автобусов. На базе шасси "УРАЛ" работают более 400 видов спецтехники: вахтовые автобусы, автоцистерны, подъемные краны, топливозаправщики, пожарные автомобили, разнообразные агрегаты для лесопромышленного и нефтегазового комплекса, горной промышленности и коммунального хозяйства.
Автомобильная техника УРАЛ используется, как государственными предприятиями, так и крупными частными компаниями. В нефтегазодобывающей отрасли востребованы: бортовые автомобили, трубовозы, седельные тягачи, топливозаправщики. В начале 90-х годов на шасси "УРАЛ" изготовили спецтехнику для газодобывающей отрасли: цементировочные агрегаты, агрегаты ремонта скважин, ремонтные мастерские и др.
Основными заказчиками являются нефтяные гиганты ОАО "Газпром", ОАО "НК "Роснефть", ОАО "Сургутнефтегаз, "ТНК-ВP", энергокомпания РАО "ЕЭС", а также ряд министерств Российской Федерации: Министерство обороны, Министерство по чрезвычайным ситуациям, Министерство внутренних дел.
С 2005 года Автомобильный завод УРАЛ освоил серийное производство таких автомобилей, как седельный тягач "УРАЛ-63674" и самосвалов с грузоподъёмностью более 20 тонн "УРАЛ-63685" и "УРАЛ-6563". В 2007-2008 году на Автомобильном заводе "УРАЛ" внедряют передовые технологии:
- внедрение новой производственной системы "lean production".
- внедрение современной автоматизированной ERP-системы
- внедрение системы "Ворота Качества".
- внедрение системы менеджмента качества в соответствии с требованиями стандартов ISO 9001:2000 и ISO 9001:2008.
- внедрение СМК соответствующей требованиям ИСО/ТУ 16949:2002.
АЗ "УРАЛ" постоянно работает на расширение модельного ряда. Так в 2010 году в серийное производство был запущен вахтовый автобус Урал-32552-3011-59 и самосвал Урал-6370. А уже в 2011 году на заводе разработали вахтовый автобус на пневмоподвеске, которая обеспечит высокую плавность хода даже в условиях бездорожья.
"АвтоАльянс" активно развивает направление запчастей для автомобилей УРАЛ. В продаже широкий ассортимент продукции АЗ "УРАЛ" по оптимальным ценам. Для Вас всегда работает группа специалистов по запчастям на автомобили УРАЛ.
АЗ "УРАЛ" входит в состав "Группы ГАЗ". Дата образования АЗ "УРАЛ" - 2001 год. Автомобильный завод Урал появился в результате перестройки производственного комплекса "УралАЗ". На сегодняшний день АЗ "УРАЛ" является основным звеном в структуре дивизиона "Грузовые автомобили" и занимает ведущие позиции на российском рынке полноприводных большегрузных автомобилей.
Основное назначение завода: Производство полноприводных грузовых автомобилей, дорожных грузовиков, вахтовых автобусов. На базе шасси "УРАЛ" работают более 400 видов спецтехники: вахтовые автобусы, автоцистерны, подъемные краны, топливозаправщики, пожарные автомобили, разнообразные агрегаты для лесопромышленного и нефтегазового комплекса, горной промышленности и коммунального хозяйства.
Автомобильная техника УРАЛ используется, как государственными предприятиями, так и крупными частными компаниями. В нефтегазодобывающей отрасли востребованы: бортовые автомобили, трубовозы, седельные тягачи, топливозаправщики. В начале 90-х годов на шасси "УРАЛ" изготовили спецтехнику для газодобывающей отрасли: цементировочные агрегаты, агрегаты ремонта скважин, ремонтные мастерские и др.
Основными заказчиками являются нефтяные гиганты ОАО "Газпром", ОАО "НК "Роснефть", ОАО "Сургутнефтегаз, "ТНК-ВP", энергокомпания РАО "ЕЭС", а также ряд министерств Российской Федерации: Министерство обороны, Министерство по чрезвычайным ситуациям, Министерство внутренних дел.
С 2005 года Автомобильный завод УРАЛ освоил серийное производство таких автомобилей, как седельный тягач "УРАЛ-63674" и самосвалов с грузоподъёмностью более 20 тонн "УРАЛ-63685" и "УРАЛ-6563". В 2007-2008 году на Автомобильном заводе "УРАЛ" внедряют передовые технологии:
- внедрение новой производственной системы "lean production".
- внедрение современной автоматизированной ERP-системы
- внедрение системы "Ворота Качества".
- внедрение системы менеджмента качества в соответствии с требованиями стандартов ISO 9001:2000 и ISO 9001:2008.
- внедрение СМК соответствующей требованиям ИСО/ТУ 16949:2002.
АЗ "УРАЛ" постоянно работает на расширение модельного ряда. Так в 2010 году в серийное производство был запущен вахтовый автобус Урал-32552-3011-59 и самосвал Урал-6370. А уже в 2011 году на заводе разработали вахтовый автобус на пневмоподвеске, которая обеспечит высокую плавность хода даже в условиях бездорожья.
"АвтоАльянс" активно развивает направление запчастей для автомобилей УРАЛ. В продаже широкий ассортимент продукции АЗ "УРАЛ" по оптимальным ценам. Для Вас всегда работает группа специалистов по запчастям на автомобили УРАЛ.
История бренда MetalPart началась в 1987 году, когда в России было создано небольшое конструкторское бюро, занимавшееся разработкой деталей и узлов для крупных машиностроительных предприятий. В те времена страна переживала бурный индустриальный подъём, и инженеры компании ставили перед собой задачу создавать надёжные компоненты для автомобилестроения и оборонной промышленности. В сложных экономических условиях 1990-х годов компания смогла адаптироваться к новым реалиям. Она наладила сотрудничество с предприятиями как в странах СНГ, так и за их пределами. При этом компания строго контролировала качество на всех этапах производства — от закупки сырья до выпуска готовой продукции.
В 2014 году компания достигла важного этапа в своём развитии: автокомпонентное направление было выделено в отдельное подразделение под брендом MetalPart. Это решение позволило сосредоточить усилия на производстве высококачественных, доступных и долговечных запчастей, которые могли бы конкурировать с зарубежными аналогами и способствовать поддержке российского автопрома. Компания использует передовые технологии и материалы, что позволяет выпускать детали с повышенной прочностью, износостойкостью и длительным сроком службы.
Сегодня MetalPart — это передовое российское предприятие с полным циклом производства, выпускающее свыше тысячи наименований автокомпонентов для автомобилей УАЗ и ГАЗ. Продукция охватывает все ключевые системы — двигатель, трансмиссию, подвеску и топливную систему. Компания осуществляет поставки не только по всей России, но и в страны Таможенного и Евразийского экономического союзов, включая Беларусь и Казахстан. Благодаря сертификации по международным стандартам ISO 9001 и ISO/TS 16949, продукция соответствует всем требованиям автомобильной промышленности и отличается высоким качеством исполнения. В ассортименте компании MetalPart представлено две серии деталей: стандартные детали, которые полностью соответствуют заводским параметрам и имеют гарантию от одного до двух лет и MetalPart PRO — детали с улучшенными характеристиками, созданные с использованием передовых материалов и дополнительных методов обработки. Они отличаются увеличенным сроком службы и расширенной гарантией до трёх лет. Такой подход позволяет компании удовлетворить потребности самых разных клиентов — от тех, кто ищет экономичные решения, до владельцев техники, нуждающихся в усиленных и максимально надёжных компонентах.
Компания MetalPart активно внедряет передовые цифровые технологии. Она использует системы виртуального моделирования, электронного проектирования и контроля качества, включая штрих-коды GS1, что обеспечивает полную прослеживаемость продукции. В будущем компания планирует развивать аддитивные технологии, автоматизировать производственные процессы и расширять ассортимент товаров. Все эти меры направлены на повышение конкурентоспособности и гибкую адаптацию к изменяющимся рыночным условиям. MetalPart не только производит автокомпоненты, но и уделяет большое внимание поддержке своих партнёров. Она проводит обучение, предоставляет консультации и оперативно решает технические проблемы. Компания регулярно участвует в профильных выставках, выпускает информационные каталоги и обучающие материалы, что способствует укреплению связей и доверия с клиентами.
За более чем тридцатилетнюю историю компания MetalPart прошла путь от небольшого конструкторского бюро до современного производителя, сочетающего опыт и инновации. Сегодня бренд остается верным своим традициям, предлагая надежные решения для российских автомобилей, которые способны выдерживать даже самые суровые условия эксплуатации.
Ассортимент:
- Детали двигателя
- Элементы топливной системы
- Детали системы охлаждения
- Сцепления
- Детали КПП и РК
- Карданные валы
- Мосты и комплектующие
- Детали подвески
- Ступицы
- Элементы рулевого управления
- комплектующие тормозной системы
- Провода высоковольтные
- Стартеры
- Стеклоочистители и привода
- Вентиляция и отопление
- Сальники
- Комплекты ремонтные и установочные
На складах : 7 шт.
История бренда MetalPart началась в 1987 году, когда в России было создано небольшое конструкторское бюро, занимавшееся разработкой деталей и узлов для крупных машиностроительных предприятий. В те времена страна переживала бурный индустриальный подъём, и инженеры компании ставили перед собой задачу создавать надёжные компоненты для автомобилестроения и оборонной промышленности. В сложных экономических условиях 1990-х годов компания смогла адаптироваться к новым реалиям. Она наладила сотрудничество с предприятиями как в странах СНГ, так и за их пределами. При этом компания строго контролировала качество на всех этапах производства — от закупки сырья до выпуска готовой продукции.
В 2014 году компания достигла важного этапа в своём развитии: автокомпонентное направление было выделено в отдельное подразделение под брендом MetalPart. Это решение позволило сосредоточить усилия на производстве высококачественных, доступных и долговечных запчастей, которые могли бы конкурировать с зарубежными аналогами и способствовать поддержке российского автопрома. Компания использует передовые технологии и материалы, что позволяет выпускать детали с повышенной прочностью, износостойкостью и длительным сроком службы.
Сегодня MetalPart — это передовое российское предприятие с полным циклом производства, выпускающее свыше тысячи наименований автокомпонентов для автомобилей УАЗ и ГАЗ. Продукция охватывает все ключевые системы — двигатель, трансмиссию, подвеску и топливную систему. Компания осуществляет поставки не только по всей России, но и в страны Таможенного и Евразийского экономического союзов, включая Беларусь и Казахстан. Благодаря сертификации по международным стандартам ISO 9001 и ISO/TS 16949, продукция соответствует всем требованиям автомобильной промышленности и отличается высоким качеством исполнения. В ассортименте компании MetalPart представлено две серии деталей: стандартные детали, которые полностью соответствуют заводским параметрам и имеют гарантию от одного до двух лет и MetalPart PRO — детали с улучшенными характеристиками, созданные с использованием передовых материалов и дополнительных методов обработки. Они отличаются увеличенным сроком службы и расширенной гарантией до трёх лет. Такой подход позволяет компании удовлетворить потребности самых разных клиентов — от тех, кто ищет экономичные решения, до владельцев техники, нуждающихся в усиленных и максимально надёжных компонентах.
Компания MetalPart активно внедряет передовые цифровые технологии. Она использует системы виртуального моделирования, электронного проектирования и контроля качества, включая штрих-коды GS1, что обеспечивает полную прослеживаемость продукции. В будущем компания планирует развивать аддитивные технологии, автоматизировать производственные процессы и расширять ассортимент товаров. Все эти меры направлены на повышение конкурентоспособности и гибкую адаптацию к изменяющимся рыночным условиям. MetalPart не только производит автокомпоненты, но и уделяет большое внимание поддержке своих партнёров. Она проводит обучение, предоставляет консультации и оперативно решает технические проблемы. Компания регулярно участвует в профильных выставках, выпускает информационные каталоги и обучающие материалы, что способствует укреплению связей и доверия с клиентами.
За более чем тридцатилетнюю историю компания MetalPart прошла путь от небольшого конструкторского бюро до современного производителя, сочетающего опыт и инновации. Сегодня бренд остается верным своим традициям, предлагая надежные решения для российских автомобилей, которые способны выдерживать даже самые суровые условия эксплуатации.
Ассортимент:
- Детали двигателя
- Элементы топливной системы
- Детали системы охлаждения
- Сцепления
- Детали КПП и РК
- Карданные валы
- Мосты и комплектующие
- Детали подвески
- Ступицы
- Элементы рулевого управления
- комплектующие тормозной системы
- Провода высоковольтные
- Стартеры
- Стеклоочистители и привода
- Вентиляция и отопление
- Сальники
- Комплекты ремонтные и установочные
ПАО "Автодизель" (Ярославский моторный завод) - одно из старейших предприятий российского автомобилестроения. В 1920 - 50-е годы был освоен выпуск первых в стране 3-12-тонных автомобилей, самосвалов, троллейбусов, автобусов, автомобильных дизельных двигателей.
С 1958 г. Ярославский моторный завод специализируется на разработке и производстве дизельных силовых агрегатов многоцелевого назначения и является признанным лидером отечественного двигателестроения.
На сегодняшний день Ярославский моторный завод (ПАО «Автодизель») является крупнейшим российским предприятием, специализирующимся на производстве дизельных двигателей многоцелевого назначения, сцеплений, коробок передач, запасных частей к ним, а также стационарных агрегатов на базе дизелей ЯМЗ.
Ярославские двигатели нашли применение более чем на 300 видах изделий производства ведущих предприятий России, Белоруссии, Украины. Они устанавливаются на автомобили, магистральные автопоезда, карьерные самосвалы, аэродромные тягачи, зерно-уборочные комбайны, лесовозы, экскаваторы, автобусы, а также на дизель-электрические станции и агрегаты.
Основные потребители: ОАО «МАЗ», ОАО «Автомобильный завод «Урал», ООО «ЛиАЗ», ХК «АвтоКрАЗ», РУПП «БелАЗ», ОАО «Электроагрегат» (Курск) и другие. Широкое применение двигатели ЯМЗ находят на специализированной технике Министерства обороны РФ.
"АвтоАльянс" является официальным дилером ПАО «Автодизель» (ЯМЗ) уже много лет и обеспечивает потребителей полным перечнем продукции завода. От запчастей до двигателей в сборе.
Борьба с контрафактом
ПАО "Автодизель" (Ярославский моторный завод) тщательно следит за высоким качеством продукции, а так же проводит комплекс активных мероприятий для борьбы с контрафактными предложениями на рынке. Для противодействия распространению контрафакта на официальном сайте завода создан раздел ЯМЗ/ЯЗДА. Защита от контрафакта, в котором размещена информация о конкурентных преимуществах оригинальной продукции, о рисках и угрозах использования альтернативной продукции ненадлежащего качества, а также доступна опция проверки оригинальности продукции ЯМЗ.
ПАО "Автодизель" (Ярославский моторный завод) - одно из старейших предприятий российского автомобилестроения. В 1920 - 50-е годы был освоен выпуск первых в стране 3-12-тонных автомобилей, самосвалов, троллейбусов, автобусов, автомобильных дизельных двигателей.
С 1958 г. Ярославский моторный завод специализируется на разработке и производстве дизельных силовых агрегатов многоцелевого назначения и является признанным лидером отечественного двигателестроения.
На сегодняшний день Ярославский моторный завод (ПАО «Автодизель») является крупнейшим российским предприятием, специализирующимся на производстве дизельных двигателей многоцелевого назначения, сцеплений, коробок передач, запасных частей к ним, а также стационарных агрегатов на базе дизелей ЯМЗ.
Ярославские двигатели нашли применение более чем на 300 видах изделий производства ведущих предприятий России, Белоруссии, Украины. Они устанавливаются на автомобили, магистральные автопоезда, карьерные самосвалы, аэродромные тягачи, зерно-уборочные комбайны, лесовозы, экскаваторы, автобусы, а также на дизель-электрические станции и агрегаты.
Основные потребители: ОАО «МАЗ», ОАО «Автомобильный завод «Урал», ООО «ЛиАЗ», ХК «АвтоКрАЗ», РУПП «БелАЗ», ОАО «Электроагрегат» (Курск) и другие. Широкое применение двигатели ЯМЗ находят на специализированной технике Министерства обороны РФ.
"АвтоАльянс" является официальным дилером ПАО «Автодизель» (ЯМЗ) уже много лет и обеспечивает потребителей полным перечнем продукции завода. От запчастей до двигателей в сборе.
Борьба с контрафактом
ПАО "Автодизель" (Ярославский моторный завод) тщательно следит за высоким качеством продукции, а так же проводит комплекс активных мероприятий для борьбы с контрафактными предложениями на рынке. Для противодействия распространению контрафакта на официальном сайте завода создан раздел ЯМЗ/ЯЗДА. Защита от контрафакта, в котором размещена информация о конкурентных преимуществах оригинальной продукции, о рисках и угрозах использования альтернативной продукции ненадлежащего качества, а также доступна опция проверки оригинальности продукции ЯМЗ.
АЗ "УРАЛ" входит в состав "Группы ГАЗ". Дата образования АЗ "УРАЛ" - 2001 год. Автомобильный завод Урал появился в результате перестройки производственного комплекса "УралАЗ". На сегодняшний день АЗ "УРАЛ" является основным звеном в структуре дивизиона "Грузовые автомобили" и занимает ведущие позиции на российском рынке полноприводных большегрузных автомобилей.
Основное назначение завода: Производство полноприводных грузовых автомобилей, дорожных грузовиков, вахтовых автобусов. На базе шасси "УРАЛ" работают более 400 видов спецтехники: вахтовые автобусы, автоцистерны, подъемные краны, топливозаправщики, пожарные автомобили, разнообразные агрегаты для лесопромышленного и нефтегазового комплекса, горной промышленности и коммунального хозяйства.
Автомобильная техника УРАЛ используется, как государственными предприятиями, так и крупными частными компаниями. В нефтегазодобывающей отрасли востребованы: бортовые автомобили, трубовозы, седельные тягачи, топливозаправщики. В начале 90-х годов на шасси "УРАЛ" изготовили спецтехнику для газодобывающей отрасли: цементировочные агрегаты, агрегаты ремонта скважин, ремонтные мастерские и др.
Основными заказчиками являются нефтяные гиганты ОАО "Газпром", ОАО "НК "Роснефть", ОАО "Сургутнефтегаз, "ТНК-ВP", энергокомпания РАО "ЕЭС", а также ряд министерств Российской Федерации: Министерство обороны, Министерство по чрезвычайным ситуациям, Министерство внутренних дел.
С 2005 года Автомобильный завод УРАЛ освоил серийное производство таких автомобилей, как седельный тягач "УРАЛ-63674" и самосвалов с грузоподъёмностью более 20 тонн "УРАЛ-63685" и "УРАЛ-6563". В 2007-2008 году на Автомобильном заводе "УРАЛ" внедряют передовые технологии:
- внедрение новой производственной системы "lean production".
- внедрение современной автоматизированной ERP-системы
- внедрение системы "Ворота Качества".
- внедрение системы менеджмента качества в соответствии с требованиями стандартов ISO 9001:2000 и ISO 9001:2008.
- внедрение СМК соответствующей требованиям ИСО/ТУ 16949:2002.
АЗ "УРАЛ" постоянно работает на расширение модельного ряда. Так в 2010 году в серийное производство был запущен вахтовый автобус Урал-32552-3011-59 и самосвал Урал-6370. А уже в 2011 году на заводе разработали вахтовый автобус на пневмоподвеске, которая обеспечит высокую плавность хода даже в условиях бездорожья.
"АвтоАльянс" активно развивает направление запчастей для автомобилей УРАЛ. В продаже широкий ассортимент продукции АЗ "УРАЛ" по оптимальным ценам. Для Вас всегда работает группа специалистов по запчастям на автомобили УРАЛ.
АЗ "УРАЛ" входит в состав "Группы ГАЗ". Дата образования АЗ "УРАЛ" - 2001 год. Автомобильный завод Урал появился в результате перестройки производственного комплекса "УралАЗ". На сегодняшний день АЗ "УРАЛ" является основным звеном в структуре дивизиона "Грузовые автомобили" и занимает ведущие позиции на российском рынке полноприводных большегрузных автомобилей.
Основное назначение завода: Производство полноприводных грузовых автомобилей, дорожных грузовиков, вахтовых автобусов. На базе шасси "УРАЛ" работают более 400 видов спецтехники: вахтовые автобусы, автоцистерны, подъемные краны, топливозаправщики, пожарные автомобили, разнообразные агрегаты для лесопромышленного и нефтегазового комплекса, горной промышленности и коммунального хозяйства.
Автомобильная техника УРАЛ используется, как государственными предприятиями, так и крупными частными компаниями. В нефтегазодобывающей отрасли востребованы: бортовые автомобили, трубовозы, седельные тягачи, топливозаправщики. В начале 90-х годов на шасси "УРАЛ" изготовили спецтехнику для газодобывающей отрасли: цементировочные агрегаты, агрегаты ремонта скважин, ремонтные мастерские и др.
Основными заказчиками являются нефтяные гиганты ОАО "Газпром", ОАО "НК "Роснефть", ОАО "Сургутнефтегаз, "ТНК-ВP", энергокомпания РАО "ЕЭС", а также ряд министерств Российской Федерации: Министерство обороны, Министерство по чрезвычайным ситуациям, Министерство внутренних дел.
С 2005 года Автомобильный завод УРАЛ освоил серийное производство таких автомобилей, как седельный тягач "УРАЛ-63674" и самосвалов с грузоподъёмностью более 20 тонн "УРАЛ-63685" и "УРАЛ-6563". В 2007-2008 году на Автомобильном заводе "УРАЛ" внедряют передовые технологии:
- внедрение новой производственной системы "lean production".
- внедрение современной автоматизированной ERP-системы
- внедрение системы "Ворота Качества".
- внедрение системы менеджмента качества в соответствии с требованиями стандартов ISO 9001:2000 и ISO 9001:2008.
- внедрение СМК соответствующей требованиям ИСО/ТУ 16949:2002.
АЗ "УРАЛ" постоянно работает на расширение модельного ряда. Так в 2010 году в серийное производство был запущен вахтовый автобус Урал-32552-3011-59 и самосвал Урал-6370. А уже в 2011 году на заводе разработали вахтовый автобус на пневмоподвеске, которая обеспечит высокую плавность хода даже в условиях бездорожья.
"АвтоАльянс" активно развивает направление запчастей для автомобилей УРАЛ. В продаже широкий ассортимент продукции АЗ "УРАЛ" по оптимальным ценам. Для Вас всегда работает группа специалистов по запчастям на автомобили УРАЛ.
"Завод Красная Этна" уже более 110 лет производит крепёжные изделия и пружины для автомобильной промышленности. История завода начинается с 24 декабря 1898 года, когда по положению Комитета Министров Николай Второй разрешает Виктору Михайловичу Гольденбергу и германскому подданному Петру Ивановичу Мартини учредить "Акционерное Общество Рижского металлического завода "Этна". С 1904 года по 1915 год на Рижском металлическом заводе работали цеха: гвоздильный, горячепрокатный, цепочный, травильный, отжигательный, волочильный. Продукция завода была востребована в России, Прибалтике и за рубежом. В годы первой мировой войны завод был эвакуирован из Риги в Нижний Новгород. С этого момента для завода начинается новая история. Во время войны "Завод Красная Этна" обеспечивал своей продукцией фронт. На заводе начался выпуск минных цепей, гвоздей к солдатским сапогам, колючей проволоки, пряжек к ружьям и карабинов, а также другой продукции для нужд фронта и населения России. С 1916 года по 1918 год происходит национализация завода и смена учредителей. Завод стал именоваться, как Акционерное общество Нижегородского металлического завода "Новая Этна". С приходом советской власти на заводе сменилось название на "Красная Этна" и были запущены: электростанция, прокатный цех, цех тонкого волочения и болтозаклепочный цех. В 1925 в структуру завода вливается предприятие с парком металлорежущего оборудования. В этом же году, на базе влившегося предприятия, создаются инструментальный и механический цеха, а также лесопильно-ящичный цех. В начале 30х, организовано строительство Горьковского автомобильного завода, который оказал большое влияние на развитие и деятельность предприятия. "Красная Этна" переходит на выпуск изделий высокого класса точности и включается в обслуживание автомобильной промышленности страны. К началу Великой Отечественной войны, реконструированный завод представлял собой крупное предприятие автомобильной промышленности, которое специализировалось на выпуске: специальной проволоки, пружин, шайб, холоднокатаной ленты и автонормалей. Во время Второй Мировой войны завод бесперебойно снабжал фронт боеприпасами. С 1941 года по 1943 год на заводе работало 996 человек. В послевоенное время завод стал активно развиваться. В дальнейшем на заводе были реконструированы цеха и освоено новое производство, создано собственное станкостроение и автоматические линии, выстроен инженерный корпус и здание очистных сооружений. Организовано производство проката и пружин, а также стержневого крепежа. Создан важнейший отдел обеспечения качеством. На сегодняшний день ОАО "Завод Красная Этна" представляет собой современное, динамично-развивающееся предприятие, специализирующееся на производстве крепежных изделий для автомобильной промышленности. Продукция завода поставляется на крупнейшие предприятия России, стран СНГ и дальнего зарубежья. Продукция предприятия соответствует международным системам качества ИСО 9001-2000 и ISO/TS 16949:2002. Продукция завода прошла проверку аудиторами TUV CERT (Германия) и национальной системой ГОСТ Р. Номенклатура предприятия насчитывает более 2,5 тысячи видов крепёжных изделий, в том числе соответствующих стандарту DIN. Компания "АвтоАльянс" предлагает оригинальную продукцию производства ОАО "Завод Красная Этна". В ассортименте представлен широкий перечень продукции завода: винты различных конструкций, пружины, стремянки, шайбы, гайки, шпильки, заклепки, штуцеры, оси, пробки и пластины, а также всевозможный крепёж к различным автомобилям.
На складах : 2540 шт.
"Завод Красная Этна" уже более 110 лет производит крепёжные изделия и пружины для автомобильной промышленности. История завода начинается с 24 декабря 1898 года, когда по положению Комитета Министров Николай Второй разрешает Виктору Михайловичу Гольденбергу и германскому подданному Петру Ивановичу Мартини учредить "Акционерное Общество Рижского металлического завода "Этна". С 1904 года по 1915 год на Рижском металлическом заводе работали цеха: гвоздильный, горячепрокатный, цепочный, травильный, отжигательный, волочильный. Продукция завода была востребована в России, Прибалтике и за рубежом. В годы первой мировой войны завод был эвакуирован из Риги в Нижний Новгород. С этого момента для завода начинается новая история. Во время войны "Завод Красная Этна" обеспечивал своей продукцией фронт. На заводе начался выпуск минных цепей, гвоздей к солдатским сапогам, колючей проволоки, пряжек к ружьям и карабинов, а также другой продукции для нужд фронта и населения России. С 1916 года по 1918 год происходит национализация завода и смена учредителей. Завод стал именоваться, как Акционерное общество Нижегородского металлического завода "Новая Этна". С приходом советской власти на заводе сменилось название на "Красная Этна" и были запущены: электростанция, прокатный цех, цех тонкого волочения и болтозаклепочный цех. В 1925 в структуру завода вливается предприятие с парком металлорежущего оборудования. В этом же году, на базе влившегося предприятия, создаются инструментальный и механический цеха, а также лесопильно-ящичный цех. В начале 30х, организовано строительство Горьковского автомобильного завода, который оказал большое влияние на развитие и деятельность предприятия. "Красная Этна" переходит на выпуск изделий высокого класса точности и включается в обслуживание автомобильной промышленности страны. К началу Великой Отечественной войны, реконструированный завод представлял собой крупное предприятие автомобильной промышленности, которое специализировалось на выпуске: специальной проволоки, пружин, шайб, холоднокатаной ленты и автонормалей. Во время Второй Мировой войны завод бесперебойно снабжал фронт боеприпасами. С 1941 года по 1943 год на заводе работало 996 человек. В послевоенное время завод стал активно развиваться. В дальнейшем на заводе были реконструированы цеха и освоено новое производство, создано собственное станкостроение и автоматические линии, выстроен инженерный корпус и здание очистных сооружений. Организовано производство проката и пружин, а также стержневого крепежа. Создан важнейший отдел обеспечения качеством. На сегодняшний день ОАО "Завод Красная Этна" представляет собой современное, динамично-развивающееся предприятие, специализирующееся на производстве крепежных изделий для автомобильной промышленности. Продукция завода поставляется на крупнейшие предприятия России, стран СНГ и дальнего зарубежья. Продукция предприятия соответствует международным системам качества ИСО 9001-2000 и ISO/TS 16949:2002. Продукция завода прошла проверку аудиторами TUV CERT (Германия) и национальной системой ГОСТ Р. Номенклатура предприятия насчитывает более 2,5 тысячи видов крепёжных изделий, в том числе соответствующих стандарту DIN. Компания "АвтоАльянс" предлагает оригинальную продукцию производства ОАО "Завод Красная Этна". В ассортименте представлен широкий перечень продукции завода: винты различных конструкций, пружины, стремянки, шайбы, гайки, шпильки, заклепки, штуцеры, оси, пробки и пластины, а также всевозможный крепёж к различным автомобилям.
История бренда MetalPart началась в 1987 году, когда в России было создано небольшое конструкторское бюро, занимавшееся разработкой деталей и узлов для крупных машиностроительных предприятий. В те времена страна переживала бурный индустриальный подъём, и инженеры компании ставили перед собой задачу создавать надёжные компоненты для автомобилестроения и оборонной промышленности. В сложных экономических условиях 1990-х годов компания смогла адаптироваться к новым реалиям. Она наладила сотрудничество с предприятиями как в странах СНГ, так и за их пределами. При этом компания строго контролировала качество на всех этапах производства — от закупки сырья до выпуска готовой продукции.
В 2014 году компания достигла важного этапа в своём развитии: автокомпонентное направление было выделено в отдельное подразделение под брендом MetalPart. Это решение позволило сосредоточить усилия на производстве высококачественных, доступных и долговечных запчастей, которые могли бы конкурировать с зарубежными аналогами и способствовать поддержке российского автопрома. Компания использует передовые технологии и материалы, что позволяет выпускать детали с повышенной прочностью, износостойкостью и длительным сроком службы.
Сегодня MetalPart — это передовое российское предприятие с полным циклом производства, выпускающее свыше тысячи наименований автокомпонентов для автомобилей УАЗ и ГАЗ. Продукция охватывает все ключевые системы — двигатель, трансмиссию, подвеску и топливную систему. Компания осуществляет поставки не только по всей России, но и в страны Таможенного и Евразийского экономического союзов, включая Беларусь и Казахстан. Благодаря сертификации по международным стандартам ISO 9001 и ISO/TS 16949, продукция соответствует всем требованиям автомобильной промышленности и отличается высоким качеством исполнения. В ассортименте компании MetalPart представлено две серии деталей: стандартные детали, которые полностью соответствуют заводским параметрам и имеют гарантию от одного до двух лет и MetalPart PRO — детали с улучшенными характеристиками, созданные с использованием передовых материалов и дополнительных методов обработки. Они отличаются увеличенным сроком службы и расширенной гарантией до трёх лет. Такой подход позволяет компании удовлетворить потребности самых разных клиентов — от тех, кто ищет экономичные решения, до владельцев техники, нуждающихся в усиленных и максимально надёжных компонентах.
Компания MetalPart активно внедряет передовые цифровые технологии. Она использует системы виртуального моделирования, электронного проектирования и контроля качества, включая штрих-коды GS1, что обеспечивает полную прослеживаемость продукции. В будущем компания планирует развивать аддитивные технологии, автоматизировать производственные процессы и расширять ассортимент товаров. Все эти меры направлены на повышение конкурентоспособности и гибкую адаптацию к изменяющимся рыночным условиям. MetalPart не только производит автокомпоненты, но и уделяет большое внимание поддержке своих партнёров. Она проводит обучение, предоставляет консультации и оперативно решает технические проблемы. Компания регулярно участвует в профильных выставках, выпускает информационные каталоги и обучающие материалы, что способствует укреплению связей и доверия с клиентами.
За более чем тридцатилетнюю историю компания MetalPart прошла путь от небольшого конструкторского бюро до современного производителя, сочетающего опыт и инновации. Сегодня бренд остается верным своим традициям, предлагая надежные решения для российских автомобилей, которые способны выдерживать даже самые суровые условия эксплуатации.
Ассортимент:
- Детали двигателя
- Элементы топливной системы
- Детали системы охлаждения
- Сцепления
- Детали КПП и РК
- Карданные валы
- Мосты и комплектующие
- Детали подвески
- Ступицы
- Элементы рулевого управления
- комплектующие тормозной системы
- Провода высоковольтные
- Стартеры
- Стеклоочистители и привода
- Вентиляция и отопление
- Сальники
- Комплекты ремонтные и установочные
На складах : 17 шт.
История бренда MetalPart началась в 1987 году, когда в России было создано небольшое конструкторское бюро, занимавшееся разработкой деталей и узлов для крупных машиностроительных предприятий. В те времена страна переживала бурный индустриальный подъём, и инженеры компании ставили перед собой задачу создавать надёжные компоненты для автомобилестроения и оборонной промышленности. В сложных экономических условиях 1990-х годов компания смогла адаптироваться к новым реалиям. Она наладила сотрудничество с предприятиями как в странах СНГ, так и за их пределами. При этом компания строго контролировала качество на всех этапах производства — от закупки сырья до выпуска готовой продукции.
В 2014 году компания достигла важного этапа в своём развитии: автокомпонентное направление было выделено в отдельное подразделение под брендом MetalPart. Это решение позволило сосредоточить усилия на производстве высококачественных, доступных и долговечных запчастей, которые могли бы конкурировать с зарубежными аналогами и способствовать поддержке российского автопрома. Компания использует передовые технологии и материалы, что позволяет выпускать детали с повышенной прочностью, износостойкостью и длительным сроком службы.
Сегодня MetalPart — это передовое российское предприятие с полным циклом производства, выпускающее свыше тысячи наименований автокомпонентов для автомобилей УАЗ и ГАЗ. Продукция охватывает все ключевые системы — двигатель, трансмиссию, подвеску и топливную систему. Компания осуществляет поставки не только по всей России, но и в страны Таможенного и Евразийского экономического союзов, включая Беларусь и Казахстан. Благодаря сертификации по международным стандартам ISO 9001 и ISO/TS 16949, продукция соответствует всем требованиям автомобильной промышленности и отличается высоким качеством исполнения. В ассортименте компании MetalPart представлено две серии деталей: стандартные детали, которые полностью соответствуют заводским параметрам и имеют гарантию от одного до двух лет и MetalPart PRO — детали с улучшенными характеристиками, созданные с использованием передовых материалов и дополнительных методов обработки. Они отличаются увеличенным сроком службы и расширенной гарантией до трёх лет. Такой подход позволяет компании удовлетворить потребности самых разных клиентов — от тех, кто ищет экономичные решения, до владельцев техники, нуждающихся в усиленных и максимально надёжных компонентах.
Компания MetalPart активно внедряет передовые цифровые технологии. Она использует системы виртуального моделирования, электронного проектирования и контроля качества, включая штрих-коды GS1, что обеспечивает полную прослеживаемость продукции. В будущем компания планирует развивать аддитивные технологии, автоматизировать производственные процессы и расширять ассортимент товаров. Все эти меры направлены на повышение конкурентоспособности и гибкую адаптацию к изменяющимся рыночным условиям. MetalPart не только производит автокомпоненты, но и уделяет большое внимание поддержке своих партнёров. Она проводит обучение, предоставляет консультации и оперативно решает технические проблемы. Компания регулярно участвует в профильных выставках, выпускает информационные каталоги и обучающие материалы, что способствует укреплению связей и доверия с клиентами.
За более чем тридцатилетнюю историю компания MetalPart прошла путь от небольшого конструкторского бюро до современного производителя, сочетающего опыт и инновации. Сегодня бренд остается верным своим традициям, предлагая надежные решения для российских автомобилей, которые способны выдерживать даже самые суровые условия эксплуатации.
Ассортимент:
- Детали двигателя
- Элементы топливной системы
- Детали системы охлаждения
- Сцепления
- Детали КПП и РК
- Карданные валы
- Мосты и комплектующие
- Детали подвески
- Ступицы
- Элементы рулевого управления
- комплектующие тормозной системы
- Провода высоковольтные
- Стартеры
- Стеклоочистители и привода
- Вентиляция и отопление
- Сальники
- Комплекты ремонтные и установочные
История бренда MetalPart началась в 1987 году, когда в России было создано небольшое конструкторское бюро, занимавшееся разработкой деталей и узлов для крупных машиностроительных предприятий. В те времена страна переживала бурный индустриальный подъём, и инженеры компании ставили перед собой задачу создавать надёжные компоненты для автомобилестроения и оборонной промышленности. В сложных экономических условиях 1990-х годов компания смогла адаптироваться к новым реалиям. Она наладила сотрудничество с предприятиями как в странах СНГ, так и за их пределами. При этом компания строго контролировала качество на всех этапах производства — от закупки сырья до выпуска готовой продукции.
В 2014 году компания достигла важного этапа в своём развитии: автокомпонентное направление было выделено в отдельное подразделение под брендом MetalPart. Это решение позволило сосредоточить усилия на производстве высококачественных, доступных и долговечных запчастей, которые могли бы конкурировать с зарубежными аналогами и способствовать поддержке российского автопрома. Компания использует передовые технологии и материалы, что позволяет выпускать детали с повышенной прочностью, износостойкостью и длительным сроком службы.
Сегодня MetalPart — это передовое российское предприятие с полным циклом производства, выпускающее свыше тысячи наименований автокомпонентов для автомобилей УАЗ и ГАЗ. Продукция охватывает все ключевые системы — двигатель, трансмиссию, подвеску и топливную систему. Компания осуществляет поставки не только по всей России, но и в страны Таможенного и Евразийского экономического союзов, включая Беларусь и Казахстан. Благодаря сертификации по международным стандартам ISO 9001 и ISO/TS 16949, продукция соответствует всем требованиям автомобильной промышленности и отличается высоким качеством исполнения. В ассортименте компании MetalPart представлено две серии деталей: стандартные детали, которые полностью соответствуют заводским параметрам и имеют гарантию от одного до двух лет и MetalPart PRO — детали с улучшенными характеристиками, созданные с использованием передовых материалов и дополнительных методов обработки. Они отличаются увеличенным сроком службы и расширенной гарантией до трёх лет. Такой подход позволяет компании удовлетворить потребности самых разных клиентов — от тех, кто ищет экономичные решения, до владельцев техники, нуждающихся в усиленных и максимально надёжных компонентах.
Компания MetalPart активно внедряет передовые цифровые технологии. Она использует системы виртуального моделирования, электронного проектирования и контроля качества, включая штрих-коды GS1, что обеспечивает полную прослеживаемость продукции. В будущем компания планирует развивать аддитивные технологии, автоматизировать производственные процессы и расширять ассортимент товаров. Все эти меры направлены на повышение конкурентоспособности и гибкую адаптацию к изменяющимся рыночным условиям. MetalPart не только производит автокомпоненты, но и уделяет большое внимание поддержке своих партнёров. Она проводит обучение, предоставляет консультации и оперативно решает технические проблемы. Компания регулярно участвует в профильных выставках, выпускает информационные каталоги и обучающие материалы, что способствует укреплению связей и доверия с клиентами.
За более чем тридцатилетнюю историю компания MetalPart прошла путь от небольшого конструкторского бюро до современного производителя, сочетающего опыт и инновации. Сегодня бренд остается верным своим традициям, предлагая надежные решения для российских автомобилей, которые способны выдерживать даже самые суровые условия эксплуатации.
Ассортимент:
- Детали двигателя
- Элементы топливной системы
- Детали системы охлаждения
- Сцепления
- Детали КПП и РК
- Карданные валы
- Мосты и комплектующие
- Детали подвески
- Ступицы
- Элементы рулевого управления
- комплектующие тормозной системы
- Провода высоковольтные
- Стартеры
- Стеклоочистители и привода
- Вентиляция и отопление
- Сальники
- Комплекты ремонтные и установочные
На складах : 7 шт.
История бренда MetalPart началась в 1987 году, когда в России было создано небольшое конструкторское бюро, занимавшееся разработкой деталей и узлов для крупных машиностроительных предприятий. В те времена страна переживала бурный индустриальный подъём, и инженеры компании ставили перед собой задачу создавать надёжные компоненты для автомобилестроения и оборонной промышленности. В сложных экономических условиях 1990-х годов компания смогла адаптироваться к новым реалиям. Она наладила сотрудничество с предприятиями как в странах СНГ, так и за их пределами. При этом компания строго контролировала качество на всех этапах производства — от закупки сырья до выпуска готовой продукции.
В 2014 году компания достигла важного этапа в своём развитии: автокомпонентное направление было выделено в отдельное подразделение под брендом MetalPart. Это решение позволило сосредоточить усилия на производстве высококачественных, доступных и долговечных запчастей, которые могли бы конкурировать с зарубежными аналогами и способствовать поддержке российского автопрома. Компания использует передовые технологии и материалы, что позволяет выпускать детали с повышенной прочностью, износостойкостью и длительным сроком службы.
Сегодня MetalPart — это передовое российское предприятие с полным циклом производства, выпускающее свыше тысячи наименований автокомпонентов для автомобилей УАЗ и ГАЗ. Продукция охватывает все ключевые системы — двигатель, трансмиссию, подвеску и топливную систему. Компания осуществляет поставки не только по всей России, но и в страны Таможенного и Евразийского экономического союзов, включая Беларусь и Казахстан. Благодаря сертификации по международным стандартам ISO 9001 и ISO/TS 16949, продукция соответствует всем требованиям автомобильной промышленности и отличается высоким качеством исполнения. В ассортименте компании MetalPart представлено две серии деталей: стандартные детали, которые полностью соответствуют заводским параметрам и имеют гарантию от одного до двух лет и MetalPart PRO — детали с улучшенными характеристиками, созданные с использованием передовых материалов и дополнительных методов обработки. Они отличаются увеличенным сроком службы и расширенной гарантией до трёх лет. Такой подход позволяет компании удовлетворить потребности самых разных клиентов — от тех, кто ищет экономичные решения, до владельцев техники, нуждающихся в усиленных и максимально надёжных компонентах.
Компания MetalPart активно внедряет передовые цифровые технологии. Она использует системы виртуального моделирования, электронного проектирования и контроля качества, включая штрих-коды GS1, что обеспечивает полную прослеживаемость продукции. В будущем компания планирует развивать аддитивные технологии, автоматизировать производственные процессы и расширять ассортимент товаров. Все эти меры направлены на повышение конкурентоспособности и гибкую адаптацию к изменяющимся рыночным условиям. MetalPart не только производит автокомпоненты, но и уделяет большое внимание поддержке своих партнёров. Она проводит обучение, предоставляет консультации и оперативно решает технические проблемы. Компания регулярно участвует в профильных выставках, выпускает информационные каталоги и обучающие материалы, что способствует укреплению связей и доверия с клиентами.
За более чем тридцатилетнюю историю компания MetalPart прошла путь от небольшого конструкторского бюро до современного производителя, сочетающего опыт и инновации. Сегодня бренд остается верным своим традициям, предлагая надежные решения для российских автомобилей, которые способны выдерживать даже самые суровые условия эксплуатации.
Ассортимент:
- Детали двигателя
- Элементы топливной системы
- Детали системы охлаждения
- Сцепления
- Детали КПП и РК
- Карданные валы
- Мосты и комплектующие
- Детали подвески
- Ступицы
- Элементы рулевого управления
- комплектующие тормозной системы
- Провода высоковольтные
- Стартеры
- Стеклоочистители и привода
- Вентиляция и отопление
- Сальники
- Комплекты ремонтные и установочные
АЗ "УРАЛ" входит в состав "Группы ГАЗ". Дата образования АЗ "УРАЛ" - 2001 год. Автомобильный завод Урал появился в результате перестройки производственного комплекса "УралАЗ". На сегодняшний день АЗ "УРАЛ" является основным звеном в структуре дивизиона "Грузовые автомобили" и занимает ведущие позиции на российском рынке полноприводных большегрузных автомобилей.
Основное назначение завода: Производство полноприводных грузовых автомобилей, дорожных грузовиков, вахтовых автобусов. На базе шасси "УРАЛ" работают более 400 видов спецтехники: вахтовые автобусы, автоцистерны, подъемные краны, топливозаправщики, пожарные автомобили, разнообразные агрегаты для лесопромышленного и нефтегазового комплекса, горной промышленности и коммунального хозяйства.
Автомобильная техника УРАЛ используется, как государственными предприятиями, так и крупными частными компаниями. В нефтегазодобывающей отрасли востребованы: бортовые автомобили, трубовозы, седельные тягачи, топливозаправщики. В начале 90-х годов на шасси "УРАЛ" изготовили спецтехнику для газодобывающей отрасли: цементировочные агрегаты, агрегаты ремонта скважин, ремонтные мастерские и др.
Основными заказчиками являются нефтяные гиганты ОАО "Газпром", ОАО "НК "Роснефть", ОАО "Сургутнефтегаз, "ТНК-ВP", энергокомпания РАО "ЕЭС", а также ряд министерств Российской Федерации: Министерство обороны, Министерство по чрезвычайным ситуациям, Министерство внутренних дел.
С 2005 года Автомобильный завод УРАЛ освоил серийное производство таких автомобилей, как седельный тягач "УРАЛ-63674" и самосвалов с грузоподъёмностью более 20 тонн "УРАЛ-63685" и "УРАЛ-6563". В 2007-2008 году на Автомобильном заводе "УРАЛ" внедряют передовые технологии:
- внедрение новой производственной системы "lean production".
- внедрение современной автоматизированной ERP-системы
- внедрение системы "Ворота Качества".
- внедрение системы менеджмента качества в соответствии с требованиями стандартов ISO 9001:2000 и ISO 9001:2008.
- внедрение СМК соответствующей требованиям ИСО/ТУ 16949:2002.
АЗ "УРАЛ" постоянно работает на расширение модельного ряда. Так в 2010 году в серийное производство был запущен вахтовый автобус Урал-32552-3011-59 и самосвал Урал-6370. А уже в 2011 году на заводе разработали вахтовый автобус на пневмоподвеске, которая обеспечит высокую плавность хода даже в условиях бездорожья.
"АвтоАльянс" активно развивает направление запчастей для автомобилей УРАЛ. В продаже широкий ассортимент продукции АЗ "УРАЛ" по оптимальным ценам. Для Вас всегда работает группа специалистов по запчастям на автомобили УРАЛ.
АЗ "УРАЛ" входит в состав "Группы ГАЗ". Дата образования АЗ "УРАЛ" - 2001 год. Автомобильный завод Урал появился в результате перестройки производственного комплекса "УралАЗ". На сегодняшний день АЗ "УРАЛ" является основным звеном в структуре дивизиона "Грузовые автомобили" и занимает ведущие позиции на российском рынке полноприводных большегрузных автомобилей.
Основное назначение завода: Производство полноприводных грузовых автомобилей, дорожных грузовиков, вахтовых автобусов. На базе шасси "УРАЛ" работают более 400 видов спецтехники: вахтовые автобусы, автоцистерны, подъемные краны, топливозаправщики, пожарные автомобили, разнообразные агрегаты для лесопромышленного и нефтегазового комплекса, горной промышленности и коммунального хозяйства.
Автомобильная техника УРАЛ используется, как государственными предприятиями, так и крупными частными компаниями. В нефтегазодобывающей отрасли востребованы: бортовые автомобили, трубовозы, седельные тягачи, топливозаправщики. В начале 90-х годов на шасси "УРАЛ" изготовили спецтехнику для газодобывающей отрасли: цементировочные агрегаты, агрегаты ремонта скважин, ремонтные мастерские и др.
Основными заказчиками являются нефтяные гиганты ОАО "Газпром", ОАО "НК "Роснефть", ОАО "Сургутнефтегаз, "ТНК-ВP", энергокомпания РАО "ЕЭС", а также ряд министерств Российской Федерации: Министерство обороны, Министерство по чрезвычайным ситуациям, Министерство внутренних дел.
С 2005 года Автомобильный завод УРАЛ освоил серийное производство таких автомобилей, как седельный тягач "УРАЛ-63674" и самосвалов с грузоподъёмностью более 20 тонн "УРАЛ-63685" и "УРАЛ-6563". В 2007-2008 году на Автомобильном заводе "УРАЛ" внедряют передовые технологии:
- внедрение новой производственной системы "lean production".
- внедрение современной автоматизированной ERP-системы
- внедрение системы "Ворота Качества".
- внедрение системы менеджмента качества в соответствии с требованиями стандартов ISO 9001:2000 и ISO 9001:2008.
- внедрение СМК соответствующей требованиям ИСО/ТУ 16949:2002.
АЗ "УРАЛ" постоянно работает на расширение модельного ряда. Так в 2010 году в серийное производство был запущен вахтовый автобус Урал-32552-3011-59 и самосвал Урал-6370. А уже в 2011 году на заводе разработали вахтовый автобус на пневмоподвеске, которая обеспечит высокую плавность хода даже в условиях бездорожья.
"АвтоАльянс" активно развивает направление запчастей для автомобилей УРАЛ. В продаже широкий ассортимент продукции АЗ "УРАЛ" по оптимальным ценам. Для Вас всегда работает группа специалистов по запчастям на автомобили УРАЛ.