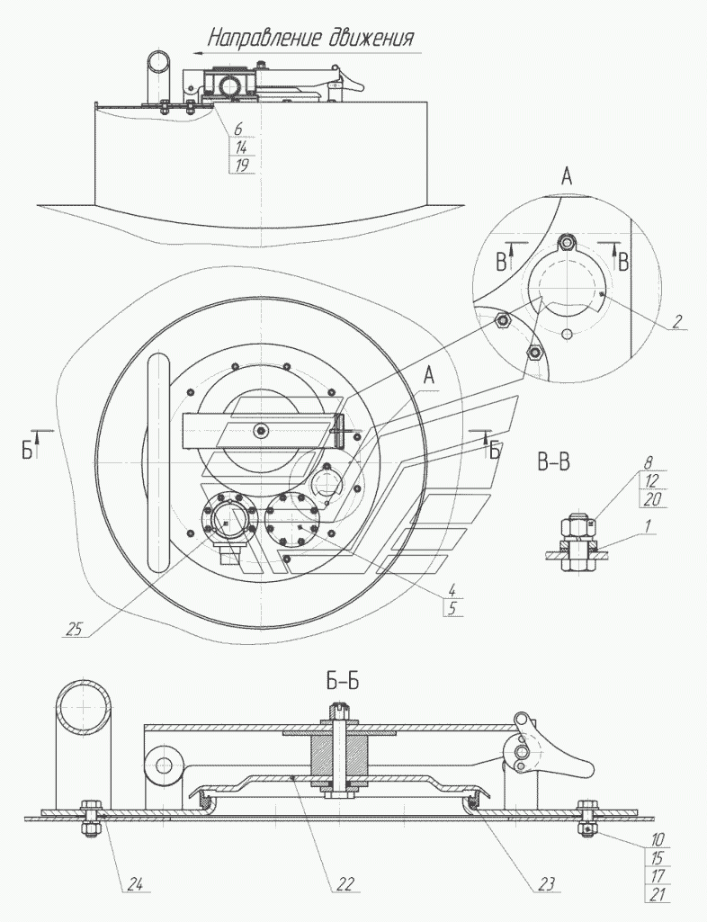
96895-8513160-04 Установка крышки горловины НефАЗ-96896-0110411. Каталог 2015г.
TEHNOTRON — созданное в Набережных Челнах передовое предприятие машиностроительной направленности, водящее в состав холдинга «ТЭМПО». Технотрон обеспечивает запчастями сферу коммерческой и сельскохозяйственной техники, в особенности электрооборудование, краны и почвообрабатывающую аппаратуру.
Располагая внушительной технической и научной базой в Набережных Челнах, Tehnotron независимо осуществляет полный цикл изготовления продукции, от проектирования и подготовки ресурсов, до тестирования и реализации товара, необходимого, в том числе для экономических нужд легкой и тяжелой промышленности.
Важно отметить, что в структурно-производственной цепи, есть место для проверки итогового продукта испытательным центром, который ответственен не только за предотвращение возможных проблем, но и за наиболее продуктивное совершенствование характеристик каждого конкретного изделия. Своим конкурентным преимуществом Технотрон выделяет особую технологию окрашивания автокомплектующих из SMC.
Бренд Tehnotron отвечает за соответствие высоким международным стандартам качества, что регулярно подтверждается обновляемым перечнем сертификатов и независимым органом оценки United Registrar of Systems Ltd. (URS Certification), благодаря контролю сырья, материалов и входящих комплектующих. Производственный потенциал в концерне позволяют конструировать и собирать все элементы самостоятельно в Набережных Челнах, не привлекая сторонние организации.
В настоящее время Технотрон в основном ориентированы на активное сотрудничество с такими автомобильными марками как ПАО «КАМАЗ», ОАО «МАЗ», «Группа ГАЗ», DAIMLER KAMAZ RUS и АЗ «УРАЛ». Компания стремится выйти на стабильный рост объемов производства, освоить также и региональные рынки и консолидировать автопромышленность.
Ассортимент:
- Система охлаждения
- Система питания
- Оперение кабины (экстерьер а/м 5490)
- Принадлежности кабины
- Элементы подвески
- Тягово-сцепные устройства
- Электрика
- Седельно-сцепные устройства
- Троллейный шинопровод и многое другое
На складах : 964 шт.
TEHNOTRON — созданное в Набережных Челнах передовое предприятие машиностроительной направленности, водящее в состав холдинга «ТЭМПО». Технотрон обеспечивает запчастями сферу коммерческой и сельскохозяйственной техники, в особенности электрооборудование, краны и почвообрабатывающую аппаратуру.
Располагая внушительной технической и научной базой в Набережных Челнах, Tehnotron независимо осуществляет полный цикл изготовления продукции, от проектирования и подготовки ресурсов, до тестирования и реализации товара, необходимого, в том числе для экономических нужд легкой и тяжелой промышленности.
Важно отметить, что в структурно-производственной цепи, есть место для проверки итогового продукта испытательным центром, который ответственен не только за предотвращение возможных проблем, но и за наиболее продуктивное совершенствование характеристик каждого конкретного изделия. Своим конкурентным преимуществом Технотрон выделяет особую технологию окрашивания автокомплектующих из SMC.
Бренд Tehnotron отвечает за соответствие высоким международным стандартам качества, что регулярно подтверждается обновляемым перечнем сертификатов и независимым органом оценки United Registrar of Systems Ltd. (URS Certification), благодаря контролю сырья, материалов и входящих комплектующих. Производственный потенциал в концерне позволяют конструировать и собирать все элементы самостоятельно в Набережных Челнах, не привлекая сторонние организации.
В настоящее время Технотрон в основном ориентированы на активное сотрудничество с такими автомобильными марками как ПАО «КАМАЗ», ОАО «МАЗ», «Группа ГАЗ», DAIMLER KAMAZ RUS и АЗ «УРАЛ». Компания стремится выйти на стабильный рост объемов производства, освоить также и региональные рынки и консолидировать автопромышленность.
Ассортимент:
- Система охлаждения
- Система питания
- Оперение кабины (экстерьер а/м 5490)
- Принадлежности кабины
- Элементы подвески
- Тягово-сцепные устройства
- Электрика
- Седельно-сцепные устройства
- Троллейный шинопровод и многое другое
TEHNOTRON — созданное в Набережных Челнах передовое предприятие машиностроительной направленности, водящее в состав холдинга «ТЭМПО». Технотрон обеспечивает запчастями сферу коммерческой и сельскохозяйственной техники, в особенности электрооборудование, краны и почвообрабатывающую аппаратуру.
Располагая внушительной технической и научной базой в Набережных Челнах, Tehnotron независимо осуществляет полный цикл изготовления продукции, от проектирования и подготовки ресурсов, до тестирования и реализации товара, необходимого, в том числе для экономических нужд легкой и тяжелой промышленности.
Важно отметить, что в структурно-производственной цепи, есть место для проверки итогового продукта испытательным центром, который ответственен не только за предотвращение возможных проблем, но и за наиболее продуктивное совершенствование характеристик каждого конкретного изделия. Своим конкурентным преимуществом Технотрон выделяет особую технологию окрашивания автокомплектующих из SMC.
Бренд Tehnotron отвечает за соответствие высоким международным стандартам качества, что регулярно подтверждается обновляемым перечнем сертификатов и независимым органом оценки United Registrar of Systems Ltd. (URS Certification), благодаря контролю сырья, материалов и входящих комплектующих. Производственный потенциал в концерне позволяют конструировать и собирать все элементы самостоятельно в Набережных Челнах, не привлекая сторонние организации.
В настоящее время Технотрон в основном ориентированы на активное сотрудничество с такими автомобильными марками как ПАО «КАМАЗ», ОАО «МАЗ», «Группа ГАЗ», DAIMLER KAMAZ RUS и АЗ «УРАЛ». Компания стремится выйти на стабильный рост объемов производства, освоить также и региональные рынки и консолидировать автопромышленность.
Ассортимент:
- Система охлаждения
- Система питания
- Оперение кабины (экстерьер а/м 5490)
- Принадлежности кабины
- Элементы подвески
- Тягово-сцепные устройства
- Электрика
- Седельно-сцепные устройства
- Троллейный шинопровод и многое другое
На складах : 454 шт.
TEHNOTRON — созданное в Набережных Челнах передовое предприятие машиностроительной направленности, водящее в состав холдинга «ТЭМПО». Технотрон обеспечивает запчастями сферу коммерческой и сельскохозяйственной техники, в особенности электрооборудование, краны и почвообрабатывающую аппаратуру.
Располагая внушительной технической и научной базой в Набережных Челнах, Tehnotron независимо осуществляет полный цикл изготовления продукции, от проектирования и подготовки ресурсов, до тестирования и реализации товара, необходимого, в том числе для экономических нужд легкой и тяжелой промышленности.
Важно отметить, что в структурно-производственной цепи, есть место для проверки итогового продукта испытательным центром, который ответственен не только за предотвращение возможных проблем, но и за наиболее продуктивное совершенствование характеристик каждого конкретного изделия. Своим конкурентным преимуществом Технотрон выделяет особую технологию окрашивания автокомплектующих из SMC.
Бренд Tehnotron отвечает за соответствие высоким международным стандартам качества, что регулярно подтверждается обновляемым перечнем сертификатов и независимым органом оценки United Registrar of Systems Ltd. (URS Certification), благодаря контролю сырья, материалов и входящих комплектующих. Производственный потенциал в концерне позволяют конструировать и собирать все элементы самостоятельно в Набережных Челнах, не привлекая сторонние организации.
В настоящее время Технотрон в основном ориентированы на активное сотрудничество с такими автомобильными марками как ПАО «КАМАЗ», ОАО «МАЗ», «Группа ГАЗ», DAIMLER KAMAZ RUS и АЗ «УРАЛ». Компания стремится выйти на стабильный рост объемов производства, освоить также и региональные рынки и консолидировать автопромышленность.
Ассортимент:
- Система охлаждения
- Система питания
- Оперение кабины (экстерьер а/м 5490)
- Принадлежности кабины
- Элементы подвески
- Тягово-сцепные устройства
- Электрика
- Седельно-сцепные устройства
- Троллейный шинопровод и многое другое
TEHNOTRON — созданное в Набережных Челнах передовое предприятие машиностроительной направленности, водящее в состав холдинга «ТЭМПО». Технотрон обеспечивает запчастями сферу коммерческой и сельскохозяйственной техники, в особенности электрооборудование, краны и почвообрабатывающую аппаратуру.
Располагая внушительной технической и научной базой в Набережных Челнах, Tehnotron независимо осуществляет полный цикл изготовления продукции, от проектирования и подготовки ресурсов, до тестирования и реализации товара, необходимого, в том числе для экономических нужд легкой и тяжелой промышленности.
Важно отметить, что в структурно-производственной цепи, есть место для проверки итогового продукта испытательным центром, который ответственен не только за предотвращение возможных проблем, но и за наиболее продуктивное совершенствование характеристик каждого конкретного изделия. Своим конкурентным преимуществом Технотрон выделяет особую технологию окрашивания автокомплектующих из SMC.
Бренд Tehnotron отвечает за соответствие высоким международным стандартам качества, что регулярно подтверждается обновляемым перечнем сертификатов и независимым органом оценки United Registrar of Systems Ltd. (URS Certification), благодаря контролю сырья, материалов и входящих комплектующих. Производственный потенциал в концерне позволяют конструировать и собирать все элементы самостоятельно в Набережных Челнах, не привлекая сторонние организации.
В настоящее время Технотрон в основном ориентированы на активное сотрудничество с такими автомобильными марками как ПАО «КАМАЗ», ОАО «МАЗ», «Группа ГАЗ», DAIMLER KAMAZ RUS и АЗ «УРАЛ». Компания стремится выйти на стабильный рост объемов производства, освоить также и региональные рынки и консолидировать автопромышленность.
Ассортимент:
- Система охлаждения
- Система питания
- Оперение кабины (экстерьер а/м 5490)
- Принадлежности кабины
- Элементы подвески
- Тягово-сцепные устройства
- Электрика
- Седельно-сцепные устройства
- Троллейный шинопровод и многое другое
На складах : 18 шт.
TEHNOTRON — созданное в Набережных Челнах передовое предприятие машиностроительной направленности, водящее в состав холдинга «ТЭМПО». Технотрон обеспечивает запчастями сферу коммерческой и сельскохозяйственной техники, в особенности электрооборудование, краны и почвообрабатывающую аппаратуру.
Располагая внушительной технической и научной базой в Набережных Челнах, Tehnotron независимо осуществляет полный цикл изготовления продукции, от проектирования и подготовки ресурсов, до тестирования и реализации товара, необходимого, в том числе для экономических нужд легкой и тяжелой промышленности.
Важно отметить, что в структурно-производственной цепи, есть место для проверки итогового продукта испытательным центром, который ответственен не только за предотвращение возможных проблем, но и за наиболее продуктивное совершенствование характеристик каждого конкретного изделия. Своим конкурентным преимуществом Технотрон выделяет особую технологию окрашивания автокомплектующих из SMC.
Бренд Tehnotron отвечает за соответствие высоким международным стандартам качества, что регулярно подтверждается обновляемым перечнем сертификатов и независимым органом оценки United Registrar of Systems Ltd. (URS Certification), благодаря контролю сырья, материалов и входящих комплектующих. Производственный потенциал в концерне позволяют конструировать и собирать все элементы самостоятельно в Набережных Челнах, не привлекая сторонние организации.
В настоящее время Технотрон в основном ориентированы на активное сотрудничество с такими автомобильными марками как ПАО «КАМАЗ», ОАО «МАЗ», «Группа ГАЗ», DAIMLER KAMAZ RUS и АЗ «УРАЛ». Компания стремится выйти на стабильный рост объемов производства, освоить также и региональные рынки и консолидировать автопромышленность.
Ассортимент:
- Система охлаждения
- Система питания
- Оперение кабины (экстерьер а/м 5490)
- Принадлежности кабины
- Элементы подвески
- Тягово-сцепные устройства
- Электрика
- Седельно-сцепные устройства
- Троллейный шинопровод и многое другое
ОАО «КАМАЗ», как крупнейший производитель грузовых автомобилей в России, занимает лидирующие позиции и на рынке продаж запасных частей к своей технике. Значительное увеличение доли высококачественной фирменной продукции на нём признаётся компанией одним из стратегически важных направлений продуктовой и сбытовой политики. ТФК «КАМАЗ» это эксклюзивный дистрибьютор, которому предоставлено исключительное право на продажу основной продукции ОАО «КАМАЗ» на территории России. Единый производственный комплекс группы организаций ОАО "КАМАЗ" охватывает весь технологический цикл производства грузовых автомобилей - от разработки, изготовления, сборки автотехники и автокомпонентов до сбыта готовой продукции и сервисного сопровождения. Система качества продукции ОАО "КАМАЗ" отвечает требованиям международного стандарта ИСО 9001-2000 и одобрена органом по сертификации систем управления "Русский регистр". Двигатели КАМАЗ-740.60-360, КАМАЗ-740.61-320 и КАМАЗ-740.62-280 соответствуют требованиям международных экологических стандартов "Евро-3". ОАО "КАМАЗ" выпускает широкую гамму грузовой техники: грузовые автомобили (более 30 моделей, свыше 400 комплектаций) ,прицепы, автобусы, двигатели, силовые агрегаты и различный инструмент. "КАМАЗ" традиционно позиционируется на рынке грузовых автомобилей полной массой от 14 до 40 тонн. В последние годы гамма продукции компании значительно расширилась. Освоено производство среднетоннажных автомобилей, модернизированной модели КАМАЗ-5460М ("Стайер"), расширен модельный ряд автомобилей повышенной грузоподъемности. Эти машины не раз доказали свою надежность и уникальную проходимость. Именно поэтому опытные водители, которые занимаются перевозками, отдают предпочтение такой продукции как автомобили КАМАЗ. Техника КАМАЗ работает в любых дорожных и климатических условиях: в районах Крайнего Севера и в тропиках, в зонах пустынь и высокогорья. Есть только одна особенность у этих автомашин - при поломке стоит использовать только те запасные части, которые соответствуют качеству машины. "АвтоАльянс" предлагает именно такие запчасти КАМАЗ. "АвтоАльянс" является официальным дилером по продаже запасных частей и силовых агрегатов ОАО "КАМАЗ". Компания предлагает оригинальные запасные части к автомобилям "КАМАЗ". Главные принципы нашей работы - это всесторонняя поддержка клиентов при формировании заявки на запчасти, а также широчайший ассортимент запчастей производства ОАО "КАМАЗ". В "АвтоАльянс" можно заказывать запчасти от "А" до "Я", от шайбы до агрегата. Экономия нужна везде и во всем, но нельзя экономить на своем верном помощнике. Вся продукция ОАО "КАМАЗ", предлагаемая к продаже, имеет сертификаты качества. Причем это касается не только крупных узлов и агрегатов. От работы множеств мелких деталей так же зависит успешное функционирование всего механизма в целом. Каждый год появляются все более совершенные модели автомобиля КАМАЗ. И "АвтоАльянс" идет в ногу со временем и постоянно расширяет ассортиментный ряд запасных частей на новые КАМАЗы. "АвтоАльянс" в заводском рейтинге дилеров является крупнейшим дилером по запчастям КАМАЗ в Центральном регионе РФ.
ОАО «КАМАЗ», как крупнейший производитель грузовых автомобилей в России, занимает лидирующие позиции и на рынке продаж запасных частей к своей технике. Значительное увеличение доли высококачественной фирменной продукции на нём признаётся компанией одним из стратегически важных направлений продуктовой и сбытовой политики. ТФК «КАМАЗ» это эксклюзивный дистрибьютор, которому предоставлено исключительное право на продажу основной продукции ОАО «КАМАЗ» на территории России. Единый производственный комплекс группы организаций ОАО "КАМАЗ" охватывает весь технологический цикл производства грузовых автомобилей - от разработки, изготовления, сборки автотехники и автокомпонентов до сбыта готовой продукции и сервисного сопровождения. Система качества продукции ОАО "КАМАЗ" отвечает требованиям международного стандарта ИСО 9001-2000 и одобрена органом по сертификации систем управления "Русский регистр". Двигатели КАМАЗ-740.60-360, КАМАЗ-740.61-320 и КАМАЗ-740.62-280 соответствуют требованиям международных экологических стандартов "Евро-3". ОАО "КАМАЗ" выпускает широкую гамму грузовой техники: грузовые автомобили (более 30 моделей, свыше 400 комплектаций) ,прицепы, автобусы, двигатели, силовые агрегаты и различный инструмент. "КАМАЗ" традиционно позиционируется на рынке грузовых автомобилей полной массой от 14 до 40 тонн. В последние годы гамма продукции компании значительно расширилась. Освоено производство среднетоннажных автомобилей, модернизированной модели КАМАЗ-5460М ("Стайер"), расширен модельный ряд автомобилей повышенной грузоподъемности. Эти машины не раз доказали свою надежность и уникальную проходимость. Именно поэтому опытные водители, которые занимаются перевозками, отдают предпочтение такой продукции как автомобили КАМАЗ. Техника КАМАЗ работает в любых дорожных и климатических условиях: в районах Крайнего Севера и в тропиках, в зонах пустынь и высокогорья. Есть только одна особенность у этих автомашин - при поломке стоит использовать только те запасные части, которые соответствуют качеству машины. "АвтоАльянс" предлагает именно такие запчасти КАМАЗ. "АвтоАльянс" является официальным дилером по продаже запасных частей и силовых агрегатов ОАО "КАМАЗ". Компания предлагает оригинальные запасные части к автомобилям "КАМАЗ". Главные принципы нашей работы - это всесторонняя поддержка клиентов при формировании заявки на запчасти, а также широчайший ассортимент запчастей производства ОАО "КАМАЗ". В "АвтоАльянс" можно заказывать запчасти от "А" до "Я", от шайбы до агрегата. Экономия нужна везде и во всем, но нельзя экономить на своем верном помощнике. Вся продукция ОАО "КАМАЗ", предлагаемая к продаже, имеет сертификаты качества. Причем это касается не только крупных узлов и агрегатов. От работы множеств мелких деталей так же зависит успешное функционирование всего механизма в целом. Каждый год появляются все более совершенные модели автомобиля КАМАЗ. И "АвтоАльянс" идет в ногу со временем и постоянно расширяет ассортиментный ряд запасных частей на новые КАМАЗы. "АвтоАльянс" в заводском рейтинге дилеров является крупнейшим дилером по запчастям КАМАЗ в Центральном регионе РФ.
На складах : 1047 шт.
TEHNOTRON — созданное в Набережных Челнах передовое предприятие машиностроительной направленности, водящее в состав холдинга «ТЭМПО». Технотрон обеспечивает запчастями сферу коммерческой и сельскохозяйственной техники, в особенности электрооборудование, краны и почвообрабатывающую аппаратуру.
Располагая внушительной технической и научной базой в Набережных Челнах, Tehnotron независимо осуществляет полный цикл изготовления продукции, от проектирования и подготовки ресурсов, до тестирования и реализации товара, необходимого, в том числе для экономических нужд легкой и тяжелой промышленности.
Важно отметить, что в структурно-производственной цепи, есть место для проверки итогового продукта испытательным центром, который ответственен не только за предотвращение возможных проблем, но и за наиболее продуктивное совершенствование характеристик каждого конкретного изделия. Своим конкурентным преимуществом Технотрон выделяет особую технологию окрашивания автокомплектующих из SMC.
Бренд Tehnotron отвечает за соответствие высоким международным стандартам качества, что регулярно подтверждается обновляемым перечнем сертификатов и независимым органом оценки United Registrar of Systems Ltd. (URS Certification), благодаря контролю сырья, материалов и входящих комплектующих. Производственный потенциал в концерне позволяют конструировать и собирать все элементы самостоятельно в Набережных Челнах, не привлекая сторонние организации.
В настоящее время Технотрон в основном ориентированы на активное сотрудничество с такими автомобильными марками как ПАО «КАМАЗ», ОАО «МАЗ», «Группа ГАЗ», DAIMLER KAMAZ RUS и АЗ «УРАЛ». Компания стремится выйти на стабильный рост объемов производства, освоить также и региональные рынки и консолидировать автопромышленность.
Ассортимент:
- Система охлаждения
- Система питания
- Оперение кабины (экстерьер а/м 5490)
- Принадлежности кабины
- Элементы подвески
- Тягово-сцепные устройства
- Электрика
- Седельно-сцепные устройства
- Троллейный шинопровод и многое другое
TEHNOTRON — созданное в Набережных Челнах передовое предприятие машиностроительной направленности, водящее в состав холдинга «ТЭМПО». Технотрон обеспечивает запчастями сферу коммерческой и сельскохозяйственной техники, в особенности электрооборудование, краны и почвообрабатывающую аппаратуру.
Располагая внушительной технической и научной базой в Набережных Челнах, Tehnotron независимо осуществляет полный цикл изготовления продукции, от проектирования и подготовки ресурсов, до тестирования и реализации товара, необходимого, в том числе для экономических нужд легкой и тяжелой промышленности.
Важно отметить, что в структурно-производственной цепи, есть место для проверки итогового продукта испытательным центром, который ответственен не только за предотвращение возможных проблем, но и за наиболее продуктивное совершенствование характеристик каждого конкретного изделия. Своим конкурентным преимуществом Технотрон выделяет особую технологию окрашивания автокомплектующих из SMC.
Бренд Tehnotron отвечает за соответствие высоким международным стандартам качества, что регулярно подтверждается обновляемым перечнем сертификатов и независимым органом оценки United Registrar of Systems Ltd. (URS Certification), благодаря контролю сырья, материалов и входящих комплектующих. Производственный потенциал в концерне позволяют конструировать и собирать все элементы самостоятельно в Набережных Челнах, не привлекая сторонние организации.
В настоящее время Технотрон в основном ориентированы на активное сотрудничество с такими автомобильными марками как ПАО «КАМАЗ», ОАО «МАЗ», «Группа ГАЗ», DAIMLER KAMAZ RUS и АЗ «УРАЛ». Компания стремится выйти на стабильный рост объемов производства, освоить также и региональные рынки и консолидировать автопромышленность.
Ассортимент:
- Система охлаждения
- Система питания
- Оперение кабины (экстерьер а/м 5490)
- Принадлежности кабины
- Элементы подвески
- Тягово-сцепные устройства
- Электрика
- Седельно-сцепные устройства
- Троллейный шинопровод и многое другое
На складах : 8832 шт.
На складах : 738 шт.
ОАО «КАМАЗ», как крупнейший производитель грузовых автомобилей в России, занимает лидирующие позиции и на рынке продаж запасных частей к своей технике. Значительное увеличение доли высококачественной фирменной продукции на нём признаётся компанией одним из стратегически важных направлений продуктовой и сбытовой политики. ТФК «КАМАЗ» это эксклюзивный дистрибьютор, которому предоставлено исключительное право на продажу основной продукции ОАО «КАМАЗ» на территории России. Единый производственный комплекс группы организаций ОАО "КАМАЗ" охватывает весь технологический цикл производства грузовых автомобилей - от разработки, изготовления, сборки автотехники и автокомпонентов до сбыта готовой продукции и сервисного сопровождения. Система качества продукции ОАО "КАМАЗ" отвечает требованиям международного стандарта ИСО 9001-2000 и одобрена органом по сертификации систем управления "Русский регистр". Двигатели КАМАЗ-740.60-360, КАМАЗ-740.61-320 и КАМАЗ-740.62-280 соответствуют требованиям международных экологических стандартов "Евро-3". ОАО "КАМАЗ" выпускает широкую гамму грузовой техники: грузовые автомобили (более 30 моделей, свыше 400 комплектаций) ,прицепы, автобусы, двигатели, силовые агрегаты и различный инструмент. "КАМАЗ" традиционно позиционируется на рынке грузовых автомобилей полной массой от 14 до 40 тонн. В последние годы гамма продукции компании значительно расширилась. Освоено производство среднетоннажных автомобилей, модернизированной модели КАМАЗ-5460М ("Стайер"), расширен модельный ряд автомобилей повышенной грузоподъемности. Эти машины не раз доказали свою надежность и уникальную проходимость. Именно поэтому опытные водители, которые занимаются перевозками, отдают предпочтение такой продукции как автомобили КАМАЗ. Техника КАМАЗ работает в любых дорожных и климатических условиях: в районах Крайнего Севера и в тропиках, в зонах пустынь и высокогорья. Есть только одна особенность у этих автомашин - при поломке стоит использовать только те запасные части, которые соответствуют качеству машины. "АвтоАльянс" предлагает именно такие запчасти КАМАЗ. "АвтоАльянс" является официальным дилером по продаже запасных частей и силовых агрегатов ОАО "КАМАЗ". Компания предлагает оригинальные запасные части к автомобилям "КАМАЗ". Главные принципы нашей работы - это всесторонняя поддержка клиентов при формировании заявки на запчасти, а также широчайший ассортимент запчастей производства ОАО "КАМАЗ". В "АвтоАльянс" можно заказывать запчасти от "А" до "Я", от шайбы до агрегата. Экономия нужна везде и во всем, но нельзя экономить на своем верном помощнике. Вся продукция ОАО "КАМАЗ", предлагаемая к продаже, имеет сертификаты качества. Причем это касается не только крупных узлов и агрегатов. От работы множеств мелких деталей так же зависит успешное функционирование всего механизма в целом. Каждый год появляются все более совершенные модели автомобиля КАМАЗ. И "АвтоАльянс" идет в ногу со временем и постоянно расширяет ассортиментный ряд запасных частей на новые КАМАЗы. "АвтоАльянс" в заводском рейтинге дилеров является крупнейшим дилером по запчастям КАМАЗ в Центральном регионе РФ.
На складах : 127 шт.
ОАО «КАМАЗ», как крупнейший производитель грузовых автомобилей в России, занимает лидирующие позиции и на рынке продаж запасных частей к своей технике. Значительное увеличение доли высококачественной фирменной продукции на нём признаётся компанией одним из стратегически важных направлений продуктовой и сбытовой политики. ТФК «КАМАЗ» это эксклюзивный дистрибьютор, которому предоставлено исключительное право на продажу основной продукции ОАО «КАМАЗ» на территории России. Единый производственный комплекс группы организаций ОАО "КАМАЗ" охватывает весь технологический цикл производства грузовых автомобилей - от разработки, изготовления, сборки автотехники и автокомпонентов до сбыта готовой продукции и сервисного сопровождения. Система качества продукции ОАО "КАМАЗ" отвечает требованиям международного стандарта ИСО 9001-2000 и одобрена органом по сертификации систем управления "Русский регистр". Двигатели КАМАЗ-740.60-360, КАМАЗ-740.61-320 и КАМАЗ-740.62-280 соответствуют требованиям международных экологических стандартов "Евро-3". ОАО "КАМАЗ" выпускает широкую гамму грузовой техники: грузовые автомобили (более 30 моделей, свыше 400 комплектаций) ,прицепы, автобусы, двигатели, силовые агрегаты и различный инструмент. "КАМАЗ" традиционно позиционируется на рынке грузовых автомобилей полной массой от 14 до 40 тонн. В последние годы гамма продукции компании значительно расширилась. Освоено производство среднетоннажных автомобилей, модернизированной модели КАМАЗ-5460М ("Стайер"), расширен модельный ряд автомобилей повышенной грузоподъемности. Эти машины не раз доказали свою надежность и уникальную проходимость. Именно поэтому опытные водители, которые занимаются перевозками, отдают предпочтение такой продукции как автомобили КАМАЗ. Техника КАМАЗ работает в любых дорожных и климатических условиях: в районах Крайнего Севера и в тропиках, в зонах пустынь и высокогорья. Есть только одна особенность у этих автомашин - при поломке стоит использовать только те запасные части, которые соответствуют качеству машины. "АвтоАльянс" предлагает именно такие запчасти КАМАЗ. "АвтоАльянс" является официальным дилером по продаже запасных частей и силовых агрегатов ОАО "КАМАЗ". Компания предлагает оригинальные запасные части к автомобилям "КАМАЗ". Главные принципы нашей работы - это всесторонняя поддержка клиентов при формировании заявки на запчасти, а также широчайший ассортимент запчастей производства ОАО "КАМАЗ". В "АвтоАльянс" можно заказывать запчасти от "А" до "Я", от шайбы до агрегата. Экономия нужна везде и во всем, но нельзя экономить на своем верном помощнике. Вся продукция ОАО "КАМАЗ", предлагаемая к продаже, имеет сертификаты качества. Причем это касается не только крупных узлов и агрегатов. От работы множеств мелких деталей так же зависит успешное функционирование всего механизма в целом. Каждый год появляются все более совершенные модели автомобиля КАМАЗ. И "АвтоАльянс" идет в ногу со временем и постоянно расширяет ассортиментный ряд запасных частей на новые КАМАЗы. "АвтоАльянс" в заводском рейтинге дилеров является крупнейшим дилером по запчастям КАМАЗ в Центральном регионе РФ.
TEHNOTRON — созданное в Набережных Челнах передовое предприятие машиностроительной направленности, водящее в состав холдинга «ТЭМПО». Технотрон обеспечивает запчастями сферу коммерческой и сельскохозяйственной техники, в особенности электрооборудование, краны и почвообрабатывающую аппаратуру.
Располагая внушительной технической и научной базой в Набережных Челнах, Tehnotron независимо осуществляет полный цикл изготовления продукции, от проектирования и подготовки ресурсов, до тестирования и реализации товара, необходимого, в том числе для экономических нужд легкой и тяжелой промышленности.
Важно отметить, что в структурно-производственной цепи, есть место для проверки итогового продукта испытательным центром, который ответственен не только за предотвращение возможных проблем, но и за наиболее продуктивное совершенствование характеристик каждого конкретного изделия. Своим конкурентным преимуществом Технотрон выделяет особую технологию окрашивания автокомплектующих из SMC.
Бренд Tehnotron отвечает за соответствие высоким международным стандартам качества, что регулярно подтверждается обновляемым перечнем сертификатов и независимым органом оценки United Registrar of Systems Ltd. (URS Certification), благодаря контролю сырья, материалов и входящих комплектующих. Производственный потенциал в концерне позволяют конструировать и собирать все элементы самостоятельно в Набережных Челнах, не привлекая сторонние организации.
В настоящее время Технотрон в основном ориентированы на активное сотрудничество с такими автомобильными марками как ПАО «КАМАЗ», ОАО «МАЗ», «Группа ГАЗ», DAIMLER KAMAZ RUS и АЗ «УРАЛ». Компания стремится выйти на стабильный рост объемов производства, освоить также и региональные рынки и консолидировать автопромышленность.
Ассортимент:
- Система охлаждения
- Система питания
- Оперение кабины (экстерьер а/м 5490)
- Принадлежности кабины
- Элементы подвески
- Тягово-сцепные устройства
- Электрика
- Седельно-сцепные устройства
- Троллейный шинопровод и многое другое
TEHNOTRON — созданное в Набережных Челнах передовое предприятие машиностроительной направленности, водящее в состав холдинга «ТЭМПО». Технотрон обеспечивает запчастями сферу коммерческой и сельскохозяйственной техники, в особенности электрооборудование, краны и почвообрабатывающую аппаратуру.
Располагая внушительной технической и научной базой в Набережных Челнах, Tehnotron независимо осуществляет полный цикл изготовления продукции, от проектирования и подготовки ресурсов, до тестирования и реализации товара, необходимого, в том числе для экономических нужд легкой и тяжелой промышленности.
Важно отметить, что в структурно-производственной цепи, есть место для проверки итогового продукта испытательным центром, который ответственен не только за предотвращение возможных проблем, но и за наиболее продуктивное совершенствование характеристик каждого конкретного изделия. Своим конкурентным преимуществом Технотрон выделяет особую технологию окрашивания автокомплектующих из SMC.
Бренд Tehnotron отвечает за соответствие высоким международным стандартам качества, что регулярно подтверждается обновляемым перечнем сертификатов и независимым органом оценки United Registrar of Systems Ltd. (URS Certification), благодаря контролю сырья, материалов и входящих комплектующих. Производственный потенциал в концерне позволяют конструировать и собирать все элементы самостоятельно в Набережных Челнах, не привлекая сторонние организации.
В настоящее время Технотрон в основном ориентированы на активное сотрудничество с такими автомобильными марками как ПАО «КАМАЗ», ОАО «МАЗ», «Группа ГАЗ», DAIMLER KAMAZ RUS и АЗ «УРАЛ». Компания стремится выйти на стабильный рост объемов производства, освоить также и региональные рынки и консолидировать автопромышленность.
Ассортимент:
- Система охлаждения
- Система питания
- Оперение кабины (экстерьер а/м 5490)
- Принадлежности кабины
- Элементы подвески
- Тягово-сцепные устройства
- Электрика
- Седельно-сцепные устройства
- Троллейный шинопровод и многое другое
На складах : 2702 шт.
На складах : 252 шт.
На складах : 1688 шт.
"Завод Красная Этна" уже более 110 лет производит крепёжные изделия и пружины для автомобильной промышленности. История завода начинается с 24 декабря 1898 года, когда по положению Комитета Министров Николай Второй разрешает Виктору Михайловичу Гольденбергу и германскому подданному Петру Ивановичу Мартини учредить "Акционерное Общество Рижского металлического завода "Этна". С 1904 года по 1915 год на Рижском металлическом заводе работали цеха: гвоздильный, горячепрокатный, цепочный, травильный, отжигательный, волочильный. Продукция завода была востребована в России, Прибалтике и за рубежом. В годы первой мировой войны завод был эвакуирован из Риги в Нижний Новгород. С этого момента для завода начинается новая история. Во время войны "Завод Красная Этна" обеспечивал своей продукцией фронт. На заводе начался выпуск минных цепей, гвоздей к солдатским сапогам, колючей проволоки, пряжек к ружьям и карабинов, а также другой продукции для нужд фронта и населения России. С 1916 года по 1918 год происходит национализация завода и смена учредителей. Завод стал именоваться, как Акционерное общество Нижегородского металлического завода "Новая Этна". С приходом советской власти на заводе сменилось название на "Красная Этна" и были запущены: электростанция, прокатный цех, цех тонкого волочения и болтозаклепочный цех. В 1925 в структуру завода вливается предприятие с парком металлорежущего оборудования. В этом же году, на базе влившегося предприятия, создаются инструментальный и механический цеха, а также лесопильно-ящичный цех. В начале 30х, организовано строительство Горьковского автомобильного завода, который оказал большое влияние на развитие и деятельность предприятия. "Красная Этна" переходит на выпуск изделий высокого класса точности и включается в обслуживание автомобильной промышленности страны. К началу Великой Отечественной войны, реконструированный завод представлял собой крупное предприятие автомобильной промышленности, которое специализировалось на выпуске: специальной проволоки, пружин, шайб, холоднокатаной ленты и автонормалей. Во время Второй Мировой войны завод бесперебойно снабжал фронт боеприпасами. С 1941 года по 1943 год на заводе работало 996 человек. В послевоенное время завод стал активно развиваться. В дальнейшем на заводе были реконструированы цеха и освоено новое производство, создано собственное станкостроение и автоматические линии, выстроен инженерный корпус и здание очистных сооружений. Организовано производство проката и пружин, а также стержневого крепежа. Создан важнейший отдел обеспечения качеством. На сегодняшний день ОАО "Завод Красная Этна" представляет собой современное, динамично-развивающееся предприятие, специализирующееся на производстве крепежных изделий для автомобильной промышленности. Продукция завода поставляется на крупнейшие предприятия России, стран СНГ и дальнего зарубежья. Продукция предприятия соответствует международным системам качества ИСО 9001-2000 и ISO/TS 16949:2002. Продукция завода прошла проверку аудиторами TUV CERT (Германия) и национальной системой ГОСТ Р. Номенклатура предприятия насчитывает более 2,5 тысячи видов крепёжных изделий, в том числе соответствующих стандарту DIN. Компания "АвтоАльянс" предлагает оригинальную продукцию производства ОАО "Завод Красная Этна". В ассортименте представлен широкий перечень продукции завода: винты различных конструкций, пружины, стремянки, шайбы, гайки, шпильки, заклепки, штуцеры, оси, пробки и пластины, а также всевозможный крепёж к различным автомобилям.
На складах : 8167 шт.
"Завод Красная Этна" уже более 110 лет производит крепёжные изделия и пружины для автомобильной промышленности. История завода начинается с 24 декабря 1898 года, когда по положению Комитета Министров Николай Второй разрешает Виктору Михайловичу Гольденбергу и германскому подданному Петру Ивановичу Мартини учредить "Акционерное Общество Рижского металлического завода "Этна". С 1904 года по 1915 год на Рижском металлическом заводе работали цеха: гвоздильный, горячепрокатный, цепочный, травильный, отжигательный, волочильный. Продукция завода была востребована в России, Прибалтике и за рубежом. В годы первой мировой войны завод был эвакуирован из Риги в Нижний Новгород. С этого момента для завода начинается новая история. Во время войны "Завод Красная Этна" обеспечивал своей продукцией фронт. На заводе начался выпуск минных цепей, гвоздей к солдатским сапогам, колючей проволоки, пряжек к ружьям и карабинов, а также другой продукции для нужд фронта и населения России. С 1916 года по 1918 год происходит национализация завода и смена учредителей. Завод стал именоваться, как Акционерное общество Нижегородского металлического завода "Новая Этна". С приходом советской власти на заводе сменилось название на "Красная Этна" и были запущены: электростанция, прокатный цех, цех тонкого волочения и болтозаклепочный цех. В 1925 в структуру завода вливается предприятие с парком металлорежущего оборудования. В этом же году, на базе влившегося предприятия, создаются инструментальный и механический цеха, а также лесопильно-ящичный цех. В начале 30х, организовано строительство Горьковского автомобильного завода, который оказал большое влияние на развитие и деятельность предприятия. "Красная Этна" переходит на выпуск изделий высокого класса точности и включается в обслуживание автомобильной промышленности страны. К началу Великой Отечественной войны, реконструированный завод представлял собой крупное предприятие автомобильной промышленности, которое специализировалось на выпуске: специальной проволоки, пружин, шайб, холоднокатаной ленты и автонормалей. Во время Второй Мировой войны завод бесперебойно снабжал фронт боеприпасами. С 1941 года по 1943 год на заводе работало 996 человек. В послевоенное время завод стал активно развиваться. В дальнейшем на заводе были реконструированы цеха и освоено новое производство, создано собственное станкостроение и автоматические линии, выстроен инженерный корпус и здание очистных сооружений. Организовано производство проката и пружин, а также стержневого крепежа. Создан важнейший отдел обеспечения качеством. На сегодняшний день ОАО "Завод Красная Этна" представляет собой современное, динамично-развивающееся предприятие, специализирующееся на производстве крепежных изделий для автомобильной промышленности. Продукция завода поставляется на крупнейшие предприятия России, стран СНГ и дальнего зарубежья. Продукция предприятия соответствует международным системам качества ИСО 9001-2000 и ISO/TS 16949:2002. Продукция завода прошла проверку аудиторами TUV CERT (Германия) и национальной системой ГОСТ Р. Номенклатура предприятия насчитывает более 2,5 тысячи видов крепёжных изделий, в том числе соответствующих стандарту DIN. Компания "АвтоАльянс" предлагает оригинальную продукцию производства ОАО "Завод Красная Этна". В ассортименте представлен широкий перечень продукции завода: винты различных конструкций, пружины, стремянки, шайбы, гайки, шпильки, заклепки, штуцеры, оси, пробки и пластины, а также всевозможный крепёж к различным автомобилям.
На складах : 2854 шт.
На складах : 10358 шт.
На складах : 167 шт.
На складах : 4051 шт.
ОАО «КАМАЗ», как крупнейший производитель грузовых автомобилей в России, занимает лидирующие позиции и на рынке продаж запасных частей к своей технике. Значительное увеличение доли высококачественной фирменной продукции на нём признаётся компанией одним из стратегически важных направлений продуктовой и сбытовой политики. ТФК «КАМАЗ» это эксклюзивный дистрибьютор, которому предоставлено исключительное право на продажу основной продукции ОАО «КАМАЗ» на территории России. Единый производственный комплекс группы организаций ОАО "КАМАЗ" охватывает весь технологический цикл производства грузовых автомобилей - от разработки, изготовления, сборки автотехники и автокомпонентов до сбыта готовой продукции и сервисного сопровождения. Система качества продукции ОАО "КАМАЗ" отвечает требованиям международного стандарта ИСО 9001-2000 и одобрена органом по сертификации систем управления "Русский регистр". Двигатели КАМАЗ-740.60-360, КАМАЗ-740.61-320 и КАМАЗ-740.62-280 соответствуют требованиям международных экологических стандартов "Евро-3". ОАО "КАМАЗ" выпускает широкую гамму грузовой техники: грузовые автомобили (более 30 моделей, свыше 400 комплектаций) ,прицепы, автобусы, двигатели, силовые агрегаты и различный инструмент. "КАМАЗ" традиционно позиционируется на рынке грузовых автомобилей полной массой от 14 до 40 тонн. В последние годы гамма продукции компании значительно расширилась. Освоено производство среднетоннажных автомобилей, модернизированной модели КАМАЗ-5460М ("Стайер"), расширен модельный ряд автомобилей повышенной грузоподъемности. Эти машины не раз доказали свою надежность и уникальную проходимость. Именно поэтому опытные водители, которые занимаются перевозками, отдают предпочтение такой продукции как автомобили КАМАЗ. Техника КАМАЗ работает в любых дорожных и климатических условиях: в районах Крайнего Севера и в тропиках, в зонах пустынь и высокогорья. Есть только одна особенность у этих автомашин - при поломке стоит использовать только те запасные части, которые соответствуют качеству машины. "АвтоАльянс" предлагает именно такие запчасти КАМАЗ. "АвтоАльянс" является официальным дилером по продаже запасных частей и силовых агрегатов ОАО "КАМАЗ". Компания предлагает оригинальные запасные части к автомобилям "КАМАЗ". Главные принципы нашей работы - это всесторонняя поддержка клиентов при формировании заявки на запчасти, а также широчайший ассортимент запчастей производства ОАО "КАМАЗ". В "АвтоАльянс" можно заказывать запчасти от "А" до "Я", от шайбы до агрегата. Экономия нужна везде и во всем, но нельзя экономить на своем верном помощнике. Вся продукция ОАО "КАМАЗ", предлагаемая к продаже, имеет сертификаты качества. Причем это касается не только крупных узлов и агрегатов. От работы множеств мелких деталей так же зависит успешное функционирование всего механизма в целом. Каждый год появляются все более совершенные модели автомобиля КАМАЗ. И "АвтоАльянс" идет в ногу со временем и постоянно расширяет ассортиментный ряд запасных частей на новые КАМАЗы. "АвтоАльянс" в заводском рейтинге дилеров является крупнейшим дилером по запчастям КАМАЗ в Центральном регионе РФ.
На складах : 127 шт.
ОАО «КАМАЗ», как крупнейший производитель грузовых автомобилей в России, занимает лидирующие позиции и на рынке продаж запасных частей к своей технике. Значительное увеличение доли высококачественной фирменной продукции на нём признаётся компанией одним из стратегически важных направлений продуктовой и сбытовой политики. ТФК «КАМАЗ» это эксклюзивный дистрибьютор, которому предоставлено исключительное право на продажу основной продукции ОАО «КАМАЗ» на территории России. Единый производственный комплекс группы организаций ОАО "КАМАЗ" охватывает весь технологический цикл производства грузовых автомобилей - от разработки, изготовления, сборки автотехники и автокомпонентов до сбыта готовой продукции и сервисного сопровождения. Система качества продукции ОАО "КАМАЗ" отвечает требованиям международного стандарта ИСО 9001-2000 и одобрена органом по сертификации систем управления "Русский регистр". Двигатели КАМАЗ-740.60-360, КАМАЗ-740.61-320 и КАМАЗ-740.62-280 соответствуют требованиям международных экологических стандартов "Евро-3". ОАО "КАМАЗ" выпускает широкую гамму грузовой техники: грузовые автомобили (более 30 моделей, свыше 400 комплектаций) ,прицепы, автобусы, двигатели, силовые агрегаты и различный инструмент. "КАМАЗ" традиционно позиционируется на рынке грузовых автомобилей полной массой от 14 до 40 тонн. В последние годы гамма продукции компании значительно расширилась. Освоено производство среднетоннажных автомобилей, модернизированной модели КАМАЗ-5460М ("Стайер"), расширен модельный ряд автомобилей повышенной грузоподъемности. Эти машины не раз доказали свою надежность и уникальную проходимость. Именно поэтому опытные водители, которые занимаются перевозками, отдают предпочтение такой продукции как автомобили КАМАЗ. Техника КАМАЗ работает в любых дорожных и климатических условиях: в районах Крайнего Севера и в тропиках, в зонах пустынь и высокогорья. Есть только одна особенность у этих автомашин - при поломке стоит использовать только те запасные части, которые соответствуют качеству машины. "АвтоАльянс" предлагает именно такие запчасти КАМАЗ. "АвтоАльянс" является официальным дилером по продаже запасных частей и силовых агрегатов ОАО "КАМАЗ". Компания предлагает оригинальные запасные части к автомобилям "КАМАЗ". Главные принципы нашей работы - это всесторонняя поддержка клиентов при формировании заявки на запчасти, а также широчайший ассортимент запчастей производства ОАО "КАМАЗ". В "АвтоАльянс" можно заказывать запчасти от "А" до "Я", от шайбы до агрегата. Экономия нужна везде и во всем, но нельзя экономить на своем верном помощнике. Вся продукция ОАО "КАМАЗ", предлагаемая к продаже, имеет сертификаты качества. Причем это касается не только крупных узлов и агрегатов. От работы множеств мелких деталей так же зависит успешное функционирование всего механизма в целом. Каждый год появляются все более совершенные модели автомобиля КАМАЗ. И "АвтоАльянс" идет в ногу со временем и постоянно расширяет ассортиментный ряд запасных частей на новые КАМАЗы. "АвтоАльянс" в заводском рейтинге дилеров является крупнейшим дилером по запчастям КАМАЗ в Центральном регионе РФ.
На складах : 3359 шт.
На складах : 252 шт.