C 9:00 до 20:00. Звонок по РФ бесплатный

9693-3718400 Щиток приборов (электрическая схема) НефАЗ-96891-10. Каталог 2009г.

ВниманиеЭлектронный автокаталог запчастей предназначен для справочных целей! Наша компания продает только те товары, у которых есть цены в списке.

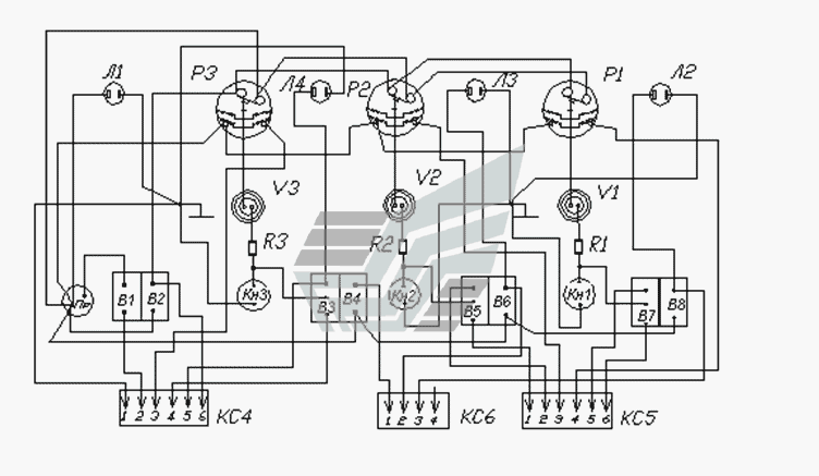
Номер детали на чертеже: 

Лампа контроля питания

Заводской номер: Л1 Количество на модель: 1
Л1
1

Номер детали на чертеже: 

Тиристоры

Заводской номер: V1 - V3 Количество на модель: 3
V1 - V3
3

Номер детали на чертеже: 

Указатели уровня

Заводской номер: Р1 - Р3 Количество на модель: 3
Р1 - Р3
3

Номер детали на чертеже: 

Колодка гнездовая 02-6.3-06 ОСТ 37.003.032-88

Заводской номер: КС4, КС5 Количество на модель: 3
КС4, КС5
3

Номер детали на чертеже: 

Предохранитель

Заводской номер: Пр Количество на модель: 1
Пр
1

Номер детали на чертеже: 

Кнопки контроля

Заводской номер: Кн1 - Кн3 Количество на модель: 3
Кн1 - Кн3
3

Номер детали на чертеже: 

Выключатели ЭПК

Заводской номер: В4, В6, В8 Количество на модель: 3
В4, В6, В8
3

Номер детали на чертеже: 

Переключатели режима работ («Налив-Слив»)

Заводской номер: В3, В5, В7 Количество на модель: 3
В3, В5, В7
3

Номер детали на чертеже: 

Выключатель освещения

Заводской номер: В2 Количество на модель: 1
В2
1

Номер детали на чертеже: 

Выключатель питания

Заводской номер: В1 Количество на модель: 1
В1
1

Номер детали на чертеже: 

Лампы контроля ЭПК

Заводской номер: Л2 - Л4 Количество на модель: 3
Л2 - Л4
3

Номер детали на чертеже: 

Резисторы

Заводской номер: R1 - R3 Количество на модель: 3
R1 - R3
3