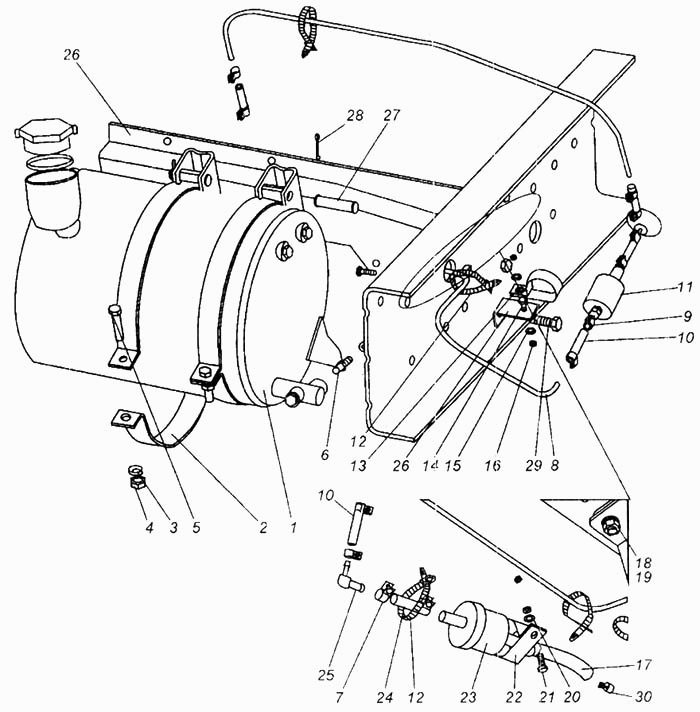
Топливопроводы питания подогревателя. Thermo 90S МАЗ-437040 (Зубренок). Каталог 2002г.
Открытое акционерное общество "Минский автомобильный завод" (ОАО МАЗ) - крупнейшее предприятие Республики Беларусь по выпуску большегрузной автомобильной, пассажирской, прицепной и автокрановой техники. Завод является самостоятельным хозяйствующим субъектом с правом юридического лица, входит в качестве головного предприятия в состав Производственного объединения "БелавтоМАЗ", в составе которого находятся также РУП "БААЗ" (г. Барановичи), РУП "ОЗАА" (г. Осиповичи) , РУА "КЗТШ" (г. Жодино), РУП "Литмаш" (г. Минск), ПРУП "ДЭМЗ" (г. Дзержинск), РУП "СтройМАЗтрест" (г. Минск). Минский автомобильный завод включает в себя все виды действующих производств, свойственных современным крупным машиностроительным заводам, среди которых: литейное, кузнечное, прессовое, сварочное, механообрабатывающее, термическое, окрасочное, сборочное, инструментальное. Наша компания является официальным дилером ОАО МАЗ. По итогам работы ТПС наша компания получила статус "Лучшего дилера 2009 года по продаже запасных частей ОАО МАЗ". На наших складах очень широкий ассортимент запчастей, кабин и рам для автомашин МАЗ. Мы предлагаем нашим покупателям самые низкие цены на продукцию ОАО МАЗ.
Открытое акционерное общество "Минский автомобильный завод" (ОАО МАЗ) - крупнейшее предприятие Республики Беларусь по выпуску большегрузной автомобильной, пассажирской, прицепной и автокрановой техники. Завод является самостоятельным хозяйствующим субъектом с правом юридического лица, входит в качестве головного предприятия в состав Производственного объединения "БелавтоМАЗ", в составе которого находятся также РУП "БААЗ" (г. Барановичи), РУП "ОЗАА" (г. Осиповичи) , РУА "КЗТШ" (г. Жодино), РУП "Литмаш" (г. Минск), ПРУП "ДЭМЗ" (г. Дзержинск), РУП "СтройМАЗтрест" (г. Минск). Минский автомобильный завод включает в себя все виды действующих производств, свойственных современным крупным машиностроительным заводам, среди которых: литейное, кузнечное, прессовое, сварочное, механообрабатывающее, термическое, окрасочное, сборочное, инструментальное. Наша компания является официальным дилером ОАО МАЗ. По итогам работы ТПС наша компания получила статус "Лучшего дилера 2009 года по продаже запасных частей ОАО МАЗ". На наших складах очень широкий ассортимент запчастей, кабин и рам для автомашин МАЗ. Мы предлагаем нашим покупателям самые низкие цены на продукцию ОАО МАЗ.
Автомобильный концерн ГАЗ является одним из ведущих производителей в России. Компания предлагает запчасти для всех своих моделей автомобилей, а также поставляет комплектующие и сопутствующие товары на рынок автокомпонентов.
Преимущества автозапчастей ГАЗ заключаются в заметном качестве и надежности продукции, а также в доступных ценах. Благодаря использованию современных технологий и высококвалифицированному персоналу, ГАЗ гарантирует соответствующие характеристики продукции.
Все запчасти и компоненты проходят строгий контроль качества на каждом из этапов производства и подвергаются испытаниям в специальных лабораториях. Это обеспечивает стабильную работу и долговечность продукции ГАЗ. Детали производятся с использованием современных технологий и проверенных материалов. Это обеспечивает высокую производительность и безопасность автомобилей, а также улучшенный комфорт во время эксплуатации.
Компания предлагает широкий ассортимент запчастей для различных моделей автомобилей, а также для транспортных средств других марок. Все изделия имеют сертификаты соответствия и гарантию на производственные дефекты.
Кроме того, ГАЗ постоянно совершенствует свои продукты и осваивает новые рынки, чтобы удовлетворить даже самые неожиданные потребности своих клиентов. Все это выгодно выделяет автозапчасти и автокомпоненты ГАЗ в глазах покупателей, как в России, так и за ее пределами.
Ассортимент:
- Двигатели и их компоненты, такие как поршни, кольца, клапаны и т.д.
- Трансмиссия, включая коробки передач и дифференциалы.
- Системы выхлопа, включая глушители, катализаторы и трубы.
- Рулевое управление, включая рулевые рейки и насосы гидроусилителя руля.
- Подвеска, включая амортизаторы, пружины, рычаги и шаровые опоры.
- Тормозные системы, включая тормозные колодки, диски и суппорты.
- Электроника, включая стартеры, генераторы, аккумуляторы и свечи зажигания.
- Кузовные запчасти, включая крылья, двери, бамперы и фары.
Автомобильный концерн ГАЗ является одним из ведущих производителей в России. Компания предлагает запчасти для всех своих моделей автомобилей, а также поставляет комплектующие и сопутствующие товары на рынок автокомпонентов.
Преимущества автозапчастей ГАЗ заключаются в заметном качестве и надежности продукции, а также в доступных ценах. Благодаря использованию современных технологий и высококвалифицированному персоналу, ГАЗ гарантирует соответствующие характеристики продукции.
Все запчасти и компоненты проходят строгий контроль качества на каждом из этапов производства и подвергаются испытаниям в специальных лабораториях. Это обеспечивает стабильную работу и долговечность продукции ГАЗ. Детали производятся с использованием современных технологий и проверенных материалов. Это обеспечивает высокую производительность и безопасность автомобилей, а также улучшенный комфорт во время эксплуатации.
Компания предлагает широкий ассортимент запчастей для различных моделей автомобилей, а также для транспортных средств других марок. Все изделия имеют сертификаты соответствия и гарантию на производственные дефекты.
Кроме того, ГАЗ постоянно совершенствует свои продукты и осваивает новые рынки, чтобы удовлетворить даже самые неожиданные потребности своих клиентов. Все это выгодно выделяет автозапчасти и автокомпоненты ГАЗ в глазах покупателей, как в России, так и за ее пределами.
Ассортимент:
- Двигатели и их компоненты, такие как поршни, кольца, клапаны и т.д.
- Трансмиссия, включая коробки передач и дифференциалы.
- Системы выхлопа, включая глушители, катализаторы и трубы.
- Рулевое управление, включая рулевые рейки и насосы гидроусилителя руля.
- Подвеска, включая амортизаторы, пружины, рычаги и шаровые опоры.
- Тормозные системы, включая тормозные колодки, диски и суппорты.
- Электроника, включая стартеры, генераторы, аккумуляторы и свечи зажигания.
- Кузовные запчасти, включая крылья, двери, бамперы и фары.
АЗ "УРАЛ" входит в состав "Группы ГАЗ". Дата образования АЗ "УРАЛ" - 2001 год. Автомобильный завод Урал появился в результате перестройки производственного комплекса "УралАЗ". На сегодняшний день АЗ "УРАЛ" является основным звеном в структуре дивизиона "Грузовые автомобили" и занимает ведущие позиции на российском рынке полноприводных большегрузных автомобилей.
Основное назначение завода: Производство полноприводных грузовых автомобилей, дорожных грузовиков, вахтовых автобусов. На базе шасси "УРАЛ" работают более 400 видов спецтехники: вахтовые автобусы, автоцистерны, подъемные краны, топливозаправщики, пожарные автомобили, разнообразные агрегаты для лесопромышленного и нефтегазового комплекса, горной промышленности и коммунального хозяйства.
Автомобильная техника УРАЛ используется, как государственными предприятиями, так и крупными частными компаниями. В нефтегазодобывающей отрасли востребованы: бортовые автомобили, трубовозы, седельные тягачи, топливозаправщики. В начале 90-х годов на шасси "УРАЛ" изготовили спецтехнику для газодобывающей отрасли: цементировочные агрегаты, агрегаты ремонта скважин, ремонтные мастерские и др.
Основными заказчиками являются нефтяные гиганты ОАО "Газпром", ОАО "НК "Роснефть", ОАО "Сургутнефтегаз, "ТНК-ВP", энергокомпания РАО "ЕЭС", а также ряд министерств Российской Федерации: Министерство обороны, Министерство по чрезвычайным ситуациям, Министерство внутренних дел.
С 2005 года Автомобильный завод УРАЛ освоил серийное производство таких автомобилей, как седельный тягач "УРАЛ-63674" и самосвалов с грузоподъёмностью более 20 тонн "УРАЛ-63685" и "УРАЛ-6563". В 2007-2008 году на Автомобильном заводе "УРАЛ" внедряют передовые технологии:
- внедрение новой производственной системы "lean production".
- внедрение современной автоматизированной ERP-системы
- внедрение системы "Ворота Качества".
- внедрение системы менеджмента качества в соответствии с требованиями стандартов ISO 9001:2000 и ISO 9001:2008.
- внедрение СМК соответствующей требованиям ИСО/ТУ 16949:2002.
АЗ "УРАЛ" постоянно работает на расширение модельного ряда. Так в 2010 году в серийное производство был запущен вахтовый автобус Урал-32552-3011-59 и самосвал Урал-6370. А уже в 2011 году на заводе разработали вахтовый автобус на пневмоподвеске, которая обеспечит высокую плавность хода даже в условиях бездорожья.
"АвтоАльянс" активно развивает направление запчастей для автомобилей УРАЛ. В продаже широкий ассортимент продукции АЗ "УРАЛ" по оптимальным ценам. Для Вас всегда работает группа специалистов по запчастям на автомобили УРАЛ.
АЗ "УРАЛ" входит в состав "Группы ГАЗ". Дата образования АЗ "УРАЛ" - 2001 год. Автомобильный завод Урал появился в результате перестройки производственного комплекса "УралАЗ". На сегодняшний день АЗ "УРАЛ" является основным звеном в структуре дивизиона "Грузовые автомобили" и занимает ведущие позиции на российском рынке полноприводных большегрузных автомобилей.
Основное назначение завода: Производство полноприводных грузовых автомобилей, дорожных грузовиков, вахтовых автобусов. На базе шасси "УРАЛ" работают более 400 видов спецтехники: вахтовые автобусы, автоцистерны, подъемные краны, топливозаправщики, пожарные автомобили, разнообразные агрегаты для лесопромышленного и нефтегазового комплекса, горной промышленности и коммунального хозяйства.
Автомобильная техника УРАЛ используется, как государственными предприятиями, так и крупными частными компаниями. В нефтегазодобывающей отрасли востребованы: бортовые автомобили, трубовозы, седельные тягачи, топливозаправщики. В начале 90-х годов на шасси "УРАЛ" изготовили спецтехнику для газодобывающей отрасли: цементировочные агрегаты, агрегаты ремонта скважин, ремонтные мастерские и др.
Основными заказчиками являются нефтяные гиганты ОАО "Газпром", ОАО "НК "Роснефть", ОАО "Сургутнефтегаз, "ТНК-ВP", энергокомпания РАО "ЕЭС", а также ряд министерств Российской Федерации: Министерство обороны, Министерство по чрезвычайным ситуациям, Министерство внутренних дел.
С 2005 года Автомобильный завод УРАЛ освоил серийное производство таких автомобилей, как седельный тягач "УРАЛ-63674" и самосвалов с грузоподъёмностью более 20 тонн "УРАЛ-63685" и "УРАЛ-6563". В 2007-2008 году на Автомобильном заводе "УРАЛ" внедряют передовые технологии:
- внедрение новой производственной системы "lean production".
- внедрение современной автоматизированной ERP-системы
- внедрение системы "Ворота Качества".
- внедрение системы менеджмента качества в соответствии с требованиями стандартов ISO 9001:2000 и ISO 9001:2008.
- внедрение СМК соответствующей требованиям ИСО/ТУ 16949:2002.
АЗ "УРАЛ" постоянно работает на расширение модельного ряда. Так в 2010 году в серийное производство был запущен вахтовый автобус Урал-32552-3011-59 и самосвал Урал-6370. А уже в 2011 году на заводе разработали вахтовый автобус на пневмоподвеске, которая обеспечит высокую плавность хода даже в условиях бездорожья.
"АвтоАльянс" активно развивает направление запчастей для автомобилей УРАЛ. В продаже широкий ассортимент продукции АЗ "УРАЛ" по оптимальным ценам. Для Вас всегда работает группа специалистов по запчастям на автомобили УРАЛ.
"Завод Красная Этна" уже более 110 лет производит крепёжные изделия и пружины для автомобильной промышленности. История завода начинается с 24 декабря 1898 года, когда по положению Комитета Министров Николай Второй разрешает Виктору Михайловичу Гольденбергу и германскому подданному Петру Ивановичу Мартини учредить "Акционерное Общество Рижского металлического завода "Этна". С 1904 года по 1915 год на Рижском металлическом заводе работали цеха: гвоздильный, горячепрокатный, цепочный, травильный, отжигательный, волочильный. Продукция завода была востребована в России, Прибалтике и за рубежом. В годы первой мировой войны завод был эвакуирован из Риги в Нижний Новгород. С этого момента для завода начинается новая история. Во время войны "Завод Красная Этна" обеспечивал своей продукцией фронт. На заводе начался выпуск минных цепей, гвоздей к солдатским сапогам, колючей проволоки, пряжек к ружьям и карабинов, а также другой продукции для нужд фронта и населения России. С 1916 года по 1918 год происходит национализация завода и смена учредителей. Завод стал именоваться, как Акционерное общество Нижегородского металлического завода "Новая Этна". С приходом советской власти на заводе сменилось название на "Красная Этна" и были запущены: электростанция, прокатный цех, цех тонкого волочения и болтозаклепочный цех. В 1925 в структуру завода вливается предприятие с парком металлорежущего оборудования. В этом же году, на базе влившегося предприятия, создаются инструментальный и механический цеха, а также лесопильно-ящичный цех. В начале 30х, организовано строительство Горьковского автомобильного завода, который оказал большое влияние на развитие и деятельность предприятия. "Красная Этна" переходит на выпуск изделий высокого класса точности и включается в обслуживание автомобильной промышленности страны. К началу Великой Отечественной войны, реконструированный завод представлял собой крупное предприятие автомобильной промышленности, которое специализировалось на выпуске: специальной проволоки, пружин, шайб, холоднокатаной ленты и автонормалей. Во время Второй Мировой войны завод бесперебойно снабжал фронт боеприпасами. С 1941 года по 1943 год на заводе работало 996 человек. В послевоенное время завод стал активно развиваться. В дальнейшем на заводе были реконструированы цеха и освоено новое производство, создано собственное станкостроение и автоматические линии, выстроен инженерный корпус и здание очистных сооружений. Организовано производство проката и пружин, а также стержневого крепежа. Создан важнейший отдел обеспечения качеством. На сегодняшний день ОАО "Завод Красная Этна" представляет собой современное, динамично-развивающееся предприятие, специализирующееся на производстве крепежных изделий для автомобильной промышленности. Продукция завода поставляется на крупнейшие предприятия России, стран СНГ и дальнего зарубежья. Продукция предприятия соответствует международным системам качества ИСО 9001-2000 и ISO/TS 16949:2002. Продукция завода прошла проверку аудиторами TUV CERT (Германия) и национальной системой ГОСТ Р. Номенклатура предприятия насчитывает более 2,5 тысячи видов крепёжных изделий, в том числе соответствующих стандарту DIN. Компания "АвтоАльянс" предлагает оригинальную продукцию производства ОАО "Завод Красная Этна". В ассортименте представлен широкий перечень продукции завода: винты различных конструкций, пружины, стремянки, шайбы, гайки, шпильки, заклепки, штуцеры, оси, пробки и пластины, а также всевозможный крепёж к различным автомобилям.
На складах : 4984 шт.
"Завод Красная Этна" уже более 110 лет производит крепёжные изделия и пружины для автомобильной промышленности. История завода начинается с 24 декабря 1898 года, когда по положению Комитета Министров Николай Второй разрешает Виктору Михайловичу Гольденбергу и германскому подданному Петру Ивановичу Мартини учредить "Акционерное Общество Рижского металлического завода "Этна". С 1904 года по 1915 год на Рижском металлическом заводе работали цеха: гвоздильный, горячепрокатный, цепочный, травильный, отжигательный, волочильный. Продукция завода была востребована в России, Прибалтике и за рубежом. В годы первой мировой войны завод был эвакуирован из Риги в Нижний Новгород. С этого момента для завода начинается новая история. Во время войны "Завод Красная Этна" обеспечивал своей продукцией фронт. На заводе начался выпуск минных цепей, гвоздей к солдатским сапогам, колючей проволоки, пряжек к ружьям и карабинов, а также другой продукции для нужд фронта и населения России. С 1916 года по 1918 год происходит национализация завода и смена учредителей. Завод стал именоваться, как Акционерное общество Нижегородского металлического завода "Новая Этна". С приходом советской власти на заводе сменилось название на "Красная Этна" и были запущены: электростанция, прокатный цех, цех тонкого волочения и болтозаклепочный цех. В 1925 в структуру завода вливается предприятие с парком металлорежущего оборудования. В этом же году, на базе влившегося предприятия, создаются инструментальный и механический цеха, а также лесопильно-ящичный цех. В начале 30х, организовано строительство Горьковского автомобильного завода, который оказал большое влияние на развитие и деятельность предприятия. "Красная Этна" переходит на выпуск изделий высокого класса точности и включается в обслуживание автомобильной промышленности страны. К началу Великой Отечественной войны, реконструированный завод представлял собой крупное предприятие автомобильной промышленности, которое специализировалось на выпуске: специальной проволоки, пружин, шайб, холоднокатаной ленты и автонормалей. Во время Второй Мировой войны завод бесперебойно снабжал фронт боеприпасами. С 1941 года по 1943 год на заводе работало 996 человек. В послевоенное время завод стал активно развиваться. В дальнейшем на заводе были реконструированы цеха и освоено новое производство, создано собственное станкостроение и автоматические линии, выстроен инженерный корпус и здание очистных сооружений. Организовано производство проката и пружин, а также стержневого крепежа. Создан важнейший отдел обеспечения качеством. На сегодняшний день ОАО "Завод Красная Этна" представляет собой современное, динамично-развивающееся предприятие, специализирующееся на производстве крепежных изделий для автомобильной промышленности. Продукция завода поставляется на крупнейшие предприятия России, стран СНГ и дальнего зарубежья. Продукция предприятия соответствует международным системам качества ИСО 9001-2000 и ISO/TS 16949:2002. Продукция завода прошла проверку аудиторами TUV CERT (Германия) и национальной системой ГОСТ Р. Номенклатура предприятия насчитывает более 2,5 тысячи видов крепёжных изделий, в том числе соответствующих стандарту DIN. Компания "АвтоАльянс" предлагает оригинальную продукцию производства ОАО "Завод Красная Этна". В ассортименте представлен широкий перечень продукции завода: винты различных конструкций, пружины, стремянки, шайбы, гайки, шпильки, заклепки, штуцеры, оси, пробки и пластины, а также всевозможный крепёж к различным автомобилям.
"Завод Красная Этна" уже более 110 лет производит крепёжные изделия и пружины для автомобильной промышленности. История завода начинается с 24 декабря 1898 года, когда по положению Комитета Министров Николай Второй разрешает Виктору Михайловичу Гольденбергу и германскому подданному Петру Ивановичу Мартини учредить "Акционерное Общество Рижского металлического завода "Этна". С 1904 года по 1915 год на Рижском металлическом заводе работали цеха: гвоздильный, горячепрокатный, цепочный, травильный, отжигательный, волочильный. Продукция завода была востребована в России, Прибалтике и за рубежом. В годы первой мировой войны завод был эвакуирован из Риги в Нижний Новгород. С этого момента для завода начинается новая история. Во время войны "Завод Красная Этна" обеспечивал своей продукцией фронт. На заводе начался выпуск минных цепей, гвоздей к солдатским сапогам, колючей проволоки, пряжек к ружьям и карабинов, а также другой продукции для нужд фронта и населения России. С 1916 года по 1918 год происходит национализация завода и смена учредителей. Завод стал именоваться, как Акционерное общество Нижегородского металлического завода "Новая Этна". С приходом советской власти на заводе сменилось название на "Красная Этна" и были запущены: электростанция, прокатный цех, цех тонкого волочения и болтозаклепочный цех. В 1925 в структуру завода вливается предприятие с парком металлорежущего оборудования. В этом же году, на базе влившегося предприятия, создаются инструментальный и механический цеха, а также лесопильно-ящичный цех. В начале 30х, организовано строительство Горьковского автомобильного завода, который оказал большое влияние на развитие и деятельность предприятия. "Красная Этна" переходит на выпуск изделий высокого класса точности и включается в обслуживание автомобильной промышленности страны. К началу Великой Отечественной войны, реконструированный завод представлял собой крупное предприятие автомобильной промышленности, которое специализировалось на выпуске: специальной проволоки, пружин, шайб, холоднокатаной ленты и автонормалей. Во время Второй Мировой войны завод бесперебойно снабжал фронт боеприпасами. С 1941 года по 1943 год на заводе работало 996 человек. В послевоенное время завод стал активно развиваться. В дальнейшем на заводе были реконструированы цеха и освоено новое производство, создано собственное станкостроение и автоматические линии, выстроен инженерный корпус и здание очистных сооружений. Организовано производство проката и пружин, а также стержневого крепежа. Создан важнейший отдел обеспечения качеством. На сегодняшний день ОАО "Завод Красная Этна" представляет собой современное, динамично-развивающееся предприятие, специализирующееся на производстве крепежных изделий для автомобильной промышленности. Продукция завода поставляется на крупнейшие предприятия России, стран СНГ и дальнего зарубежья. Продукция предприятия соответствует международным системам качества ИСО 9001-2000 и ISO/TS 16949:2002. Продукция завода прошла проверку аудиторами TUV CERT (Германия) и национальной системой ГОСТ Р. Номенклатура предприятия насчитывает более 2,5 тысячи видов крепёжных изделий, в том числе соответствующих стандарту DIN. Компания "АвтоАльянс" предлагает оригинальную продукцию производства ОАО "Завод Красная Этна". В ассортименте представлен широкий перечень продукции завода: винты различных конструкций, пружины, стремянки, шайбы, гайки, шпильки, заклепки, штуцеры, оси, пробки и пластины, а также всевозможный крепёж к различным автомобилям.
На складах : 354 шт.
"Завод Красная Этна" уже более 110 лет производит крепёжные изделия и пружины для автомобильной промышленности. История завода начинается с 24 декабря 1898 года, когда по положению Комитета Министров Николай Второй разрешает Виктору Михайловичу Гольденбергу и германскому подданному Петру Ивановичу Мартини учредить "Акционерное Общество Рижского металлического завода "Этна". С 1904 года по 1915 год на Рижском металлическом заводе работали цеха: гвоздильный, горячепрокатный, цепочный, травильный, отжигательный, волочильный. Продукция завода была востребована в России, Прибалтике и за рубежом. В годы первой мировой войны завод был эвакуирован из Риги в Нижний Новгород. С этого момента для завода начинается новая история. Во время войны "Завод Красная Этна" обеспечивал своей продукцией фронт. На заводе начался выпуск минных цепей, гвоздей к солдатским сапогам, колючей проволоки, пряжек к ружьям и карабинов, а также другой продукции для нужд фронта и населения России. С 1916 года по 1918 год происходит национализация завода и смена учредителей. Завод стал именоваться, как Акционерное общество Нижегородского металлического завода "Новая Этна". С приходом советской власти на заводе сменилось название на "Красная Этна" и были запущены: электростанция, прокатный цех, цех тонкого волочения и болтозаклепочный цех. В 1925 в структуру завода вливается предприятие с парком металлорежущего оборудования. В этом же году, на базе влившегося предприятия, создаются инструментальный и механический цеха, а также лесопильно-ящичный цех. В начале 30х, организовано строительство Горьковского автомобильного завода, который оказал большое влияние на развитие и деятельность предприятия. "Красная Этна" переходит на выпуск изделий высокого класса точности и включается в обслуживание автомобильной промышленности страны. К началу Великой Отечественной войны, реконструированный завод представлял собой крупное предприятие автомобильной промышленности, которое специализировалось на выпуске: специальной проволоки, пружин, шайб, холоднокатаной ленты и автонормалей. Во время Второй Мировой войны завод бесперебойно снабжал фронт боеприпасами. С 1941 года по 1943 год на заводе работало 996 человек. В послевоенное время завод стал активно развиваться. В дальнейшем на заводе были реконструированы цеха и освоено новое производство, создано собственное станкостроение и автоматические линии, выстроен инженерный корпус и здание очистных сооружений. Организовано производство проката и пружин, а также стержневого крепежа. Создан важнейший отдел обеспечения качеством. На сегодняшний день ОАО "Завод Красная Этна" представляет собой современное, динамично-развивающееся предприятие, специализирующееся на производстве крепежных изделий для автомобильной промышленности. Продукция завода поставляется на крупнейшие предприятия России, стран СНГ и дальнего зарубежья. Продукция предприятия соответствует международным системам качества ИСО 9001-2000 и ISO/TS 16949:2002. Продукция завода прошла проверку аудиторами TUV CERT (Германия) и национальной системой ГОСТ Р. Номенклатура предприятия насчитывает более 2,5 тысячи видов крепёжных изделий, в том числе соответствующих стандарту DIN. Компания "АвтоАльянс" предлагает оригинальную продукцию производства ОАО "Завод Красная Этна". В ассортименте представлен широкий перечень продукции завода: винты различных конструкций, пружины, стремянки, шайбы, гайки, шпильки, заклепки, штуцеры, оси, пробки и пластины, а также всевозможный крепёж к различным автомобилям.
На складах : 23 шт.
На складах : 62 шт.
На складах : 1449 шт.
На складах : 680 шт.
На складах : 126 шт.
На складах : 6968 шт.
На складах : 133 шт.
На складах : 86 шт.
На складах : 52 шт.
История бренда MetalPart началась в 1987 году, когда в России было создано небольшое конструкторское бюро, занимавшееся разработкой деталей и узлов для крупных машиностроительных предприятий. В те времена страна переживала бурный индустриальный подъём, и инженеры компании ставили перед собой задачу создавать надёжные компоненты для автомобилестроения и оборонной промышленности. В сложных экономических условиях 1990-х годов компания смогла адаптироваться к новым реалиям. Она наладила сотрудничество с предприятиями как в странах СНГ, так и за их пределами. При этом компания строго контролировала качество на всех этапах производства — от закупки сырья до выпуска готовой продукции.
В 2014 году компания достигла важного этапа в своём развитии: автокомпонентное направление было выделено в отдельное подразделение под брендом MetalPart. Это решение позволило сосредоточить усилия на производстве высококачественных, доступных и долговечных запчастей, которые могли бы конкурировать с зарубежными аналогами и способствовать поддержке российского автопрома. Компания использует передовые технологии и материалы, что позволяет выпускать детали с повышенной прочностью, износостойкостью и длительным сроком службы.
Сегодня MetalPart — это передовое российское предприятие с полным циклом производства, выпускающее свыше тысячи наименований автокомпонентов для автомобилей УАЗ и ГАЗ. Продукция охватывает все ключевые системы — двигатель, трансмиссию, подвеску и топливную систему. Компания осуществляет поставки не только по всей России, но и в страны Таможенного и Евразийского экономического союзов, включая Беларусь и Казахстан. Благодаря сертификации по международным стандартам ISO 9001 и ISO/TS 16949, продукция соответствует всем требованиям автомобильной промышленности и отличается высоким качеством исполнения. В ассортименте компании MetalPart представлено две серии деталей: стандартные детали, которые полностью соответствуют заводским параметрам и имеют гарантию от одного до двух лет и MetalPart PRO — детали с улучшенными характеристиками, созданные с использованием передовых материалов и дополнительных методов обработки. Они отличаются увеличенным сроком службы и расширенной гарантией до трёх лет. Такой подход позволяет компании удовлетворить потребности самых разных клиентов — от тех, кто ищет экономичные решения, до владельцев техники, нуждающихся в усиленных и максимально надёжных компонентах.
Компания MetalPart активно внедряет передовые цифровые технологии. Она использует системы виртуального моделирования, электронного проектирования и контроля качества, включая штрих-коды GS1, что обеспечивает полную прослеживаемость продукции. В будущем компания планирует развивать аддитивные технологии, автоматизировать производственные процессы и расширять ассортимент товаров. Все эти меры направлены на повышение конкурентоспособности и гибкую адаптацию к изменяющимся рыночным условиям. MetalPart не только производит автокомпоненты, но и уделяет большое внимание поддержке своих партнёров. Она проводит обучение, предоставляет консультации и оперативно решает технические проблемы. Компания регулярно участвует в профильных выставках, выпускает информационные каталоги и обучающие материалы, что способствует укреплению связей и доверия с клиентами.
За более чем тридцатилетнюю историю компания MetalPart прошла путь от небольшого конструкторского бюро до современного производителя, сочетающего опыт и инновации. Сегодня бренд остается верным своим традициям, предлагая надежные решения для российских автомобилей, которые способны выдерживать даже самые суровые условия эксплуатации.
Ассортимент:
- Детали двигателя
- Элементы топливной системы
- Детали системы охлаждения
- Сцепления
- Детали КПП и РК
- Карданные валы
- Мосты и комплектующие
- Детали подвески
- Ступицы
- Элементы рулевого управления
- комплектующие тормозной системы
- Провода высоковольтные
- Стартеры
- Стеклоочистители и привода
- Вентиляция и отопление
- Сальники
- Комплекты ремонтные и установочные
На складах : 8 шт.
История бренда MetalPart началась в 1987 году, когда в России было создано небольшое конструкторское бюро, занимавшееся разработкой деталей и узлов для крупных машиностроительных предприятий. В те времена страна переживала бурный индустриальный подъём, и инженеры компании ставили перед собой задачу создавать надёжные компоненты для автомобилестроения и оборонной промышленности. В сложных экономических условиях 1990-х годов компания смогла адаптироваться к новым реалиям. Она наладила сотрудничество с предприятиями как в странах СНГ, так и за их пределами. При этом компания строго контролировала качество на всех этапах производства — от закупки сырья до выпуска готовой продукции.
В 2014 году компания достигла важного этапа в своём развитии: автокомпонентное направление было выделено в отдельное подразделение под брендом MetalPart. Это решение позволило сосредоточить усилия на производстве высококачественных, доступных и долговечных запчастей, которые могли бы конкурировать с зарубежными аналогами и способствовать поддержке российского автопрома. Компания использует передовые технологии и материалы, что позволяет выпускать детали с повышенной прочностью, износостойкостью и длительным сроком службы.
Сегодня MetalPart — это передовое российское предприятие с полным циклом производства, выпускающее свыше тысячи наименований автокомпонентов для автомобилей УАЗ и ГАЗ. Продукция охватывает все ключевые системы — двигатель, трансмиссию, подвеску и топливную систему. Компания осуществляет поставки не только по всей России, но и в страны Таможенного и Евразийского экономического союзов, включая Беларусь и Казахстан. Благодаря сертификации по международным стандартам ISO 9001 и ISO/TS 16949, продукция соответствует всем требованиям автомобильной промышленности и отличается высоким качеством исполнения. В ассортименте компании MetalPart представлено две серии деталей: стандартные детали, которые полностью соответствуют заводским параметрам и имеют гарантию от одного до двух лет и MetalPart PRO — детали с улучшенными характеристиками, созданные с использованием передовых материалов и дополнительных методов обработки. Они отличаются увеличенным сроком службы и расширенной гарантией до трёх лет. Такой подход позволяет компании удовлетворить потребности самых разных клиентов — от тех, кто ищет экономичные решения, до владельцев техники, нуждающихся в усиленных и максимально надёжных компонентах.
Компания MetalPart активно внедряет передовые цифровые технологии. Она использует системы виртуального моделирования, электронного проектирования и контроля качества, включая штрих-коды GS1, что обеспечивает полную прослеживаемость продукции. В будущем компания планирует развивать аддитивные технологии, автоматизировать производственные процессы и расширять ассортимент товаров. Все эти меры направлены на повышение конкурентоспособности и гибкую адаптацию к изменяющимся рыночным условиям. MetalPart не только производит автокомпоненты, но и уделяет большое внимание поддержке своих партнёров. Она проводит обучение, предоставляет консультации и оперативно решает технические проблемы. Компания регулярно участвует в профильных выставках, выпускает информационные каталоги и обучающие материалы, что способствует укреплению связей и доверия с клиентами.
За более чем тридцатилетнюю историю компания MetalPart прошла путь от небольшого конструкторского бюро до современного производителя, сочетающего опыт и инновации. Сегодня бренд остается верным своим традициям, предлагая надежные решения для российских автомобилей, которые способны выдерживать даже самые суровые условия эксплуатации.
Ассортимент:
- Детали двигателя
- Элементы топливной системы
- Детали системы охлаждения
- Сцепления
- Детали КПП и РК
- Карданные валы
- Мосты и комплектующие
- Детали подвески
- Ступицы
- Элементы рулевого управления
- комплектующие тормозной системы
- Провода высоковольтные
- Стартеры
- Стеклоочистители и привода
- Вентиляция и отопление
- Сальники
- Комплекты ремонтные и установочные
"Завод Красная Этна" уже более 110 лет производит крепёжные изделия и пружины для автомобильной промышленности. История завода начинается с 24 декабря 1898 года, когда по положению Комитета Министров Николай Второй разрешает Виктору Михайловичу Гольденбергу и германскому подданному Петру Ивановичу Мартини учредить "Акционерное Общество Рижского металлического завода "Этна". С 1904 года по 1915 год на Рижском металлическом заводе работали цеха: гвоздильный, горячепрокатный, цепочный, травильный, отжигательный, волочильный. Продукция завода была востребована в России, Прибалтике и за рубежом. В годы первой мировой войны завод был эвакуирован из Риги в Нижний Новгород. С этого момента для завода начинается новая история. Во время войны "Завод Красная Этна" обеспечивал своей продукцией фронт. На заводе начался выпуск минных цепей, гвоздей к солдатским сапогам, колючей проволоки, пряжек к ружьям и карабинов, а также другой продукции для нужд фронта и населения России. С 1916 года по 1918 год происходит национализация завода и смена учредителей. Завод стал именоваться, как Акционерное общество Нижегородского металлического завода "Новая Этна". С приходом советской власти на заводе сменилось название на "Красная Этна" и были запущены: электростанция, прокатный цех, цех тонкого волочения и болтозаклепочный цех. В 1925 в структуру завода вливается предприятие с парком металлорежущего оборудования. В этом же году, на базе влившегося предприятия, создаются инструментальный и механический цеха, а также лесопильно-ящичный цех. В начале 30х, организовано строительство Горьковского автомобильного завода, который оказал большое влияние на развитие и деятельность предприятия. "Красная Этна" переходит на выпуск изделий высокого класса точности и включается в обслуживание автомобильной промышленности страны. К началу Великой Отечественной войны, реконструированный завод представлял собой крупное предприятие автомобильной промышленности, которое специализировалось на выпуске: специальной проволоки, пружин, шайб, холоднокатаной ленты и автонормалей. Во время Второй Мировой войны завод бесперебойно снабжал фронт боеприпасами. С 1941 года по 1943 год на заводе работало 996 человек. В послевоенное время завод стал активно развиваться. В дальнейшем на заводе были реконструированы цеха и освоено новое производство, создано собственное станкостроение и автоматические линии, выстроен инженерный корпус и здание очистных сооружений. Организовано производство проката и пружин, а также стержневого крепежа. Создан важнейший отдел обеспечения качеством. На сегодняшний день ОАО "Завод Красная Этна" представляет собой современное, динамично-развивающееся предприятие, специализирующееся на производстве крепежных изделий для автомобильной промышленности. Продукция завода поставляется на крупнейшие предприятия России, стран СНГ и дальнего зарубежья. Продукция предприятия соответствует международным системам качества ИСО 9001-2000 и ISO/TS 16949:2002. Продукция завода прошла проверку аудиторами TUV CERT (Германия) и национальной системой ГОСТ Р. Номенклатура предприятия насчитывает более 2,5 тысячи видов крепёжных изделий, в том числе соответствующих стандарту DIN. Компания "АвтоАльянс" предлагает оригинальную продукцию производства ОАО "Завод Красная Этна". В ассортименте представлен широкий перечень продукции завода: винты различных конструкций, пружины, стремянки, шайбы, гайки, шпильки, заклепки, штуцеры, оси, пробки и пластины, а также всевозможный крепёж к различным автомобилям.
"Завод Красная Этна" уже более 110 лет производит крепёжные изделия и пружины для автомобильной промышленности. История завода начинается с 24 декабря 1898 года, когда по положению Комитета Министров Николай Второй разрешает Виктору Михайловичу Гольденбергу и германскому подданному Петру Ивановичу Мартини учредить "Акционерное Общество Рижского металлического завода "Этна". С 1904 года по 1915 год на Рижском металлическом заводе работали цеха: гвоздильный, горячепрокатный, цепочный, травильный, отжигательный, волочильный. Продукция завода была востребована в России, Прибалтике и за рубежом. В годы первой мировой войны завод был эвакуирован из Риги в Нижний Новгород. С этого момента для завода начинается новая история. Во время войны "Завод Красная Этна" обеспечивал своей продукцией фронт. На заводе начался выпуск минных цепей, гвоздей к солдатским сапогам, колючей проволоки, пряжек к ружьям и карабинов, а также другой продукции для нужд фронта и населения России. С 1916 года по 1918 год происходит национализация завода и смена учредителей. Завод стал именоваться, как Акционерное общество Нижегородского металлического завода "Новая Этна". С приходом советской власти на заводе сменилось название на "Красная Этна" и были запущены: электростанция, прокатный цех, цех тонкого волочения и болтозаклепочный цех. В 1925 в структуру завода вливается предприятие с парком металлорежущего оборудования. В этом же году, на базе влившегося предприятия, создаются инструментальный и механический цеха, а также лесопильно-ящичный цех. В начале 30х, организовано строительство Горьковского автомобильного завода, который оказал большое влияние на развитие и деятельность предприятия. "Красная Этна" переходит на выпуск изделий высокого класса точности и включается в обслуживание автомобильной промышленности страны. К началу Великой Отечественной войны, реконструированный завод представлял собой крупное предприятие автомобильной промышленности, которое специализировалось на выпуске: специальной проволоки, пружин, шайб, холоднокатаной ленты и автонормалей. Во время Второй Мировой войны завод бесперебойно снабжал фронт боеприпасами. С 1941 года по 1943 год на заводе работало 996 человек. В послевоенное время завод стал активно развиваться. В дальнейшем на заводе были реконструированы цеха и освоено новое производство, создано собственное станкостроение и автоматические линии, выстроен инженерный корпус и здание очистных сооружений. Организовано производство проката и пружин, а также стержневого крепежа. Создан важнейший отдел обеспечения качеством. На сегодняшний день ОАО "Завод Красная Этна" представляет собой современное, динамично-развивающееся предприятие, специализирующееся на производстве крепежных изделий для автомобильной промышленности. Продукция завода поставляется на крупнейшие предприятия России, стран СНГ и дальнего зарубежья. Продукция предприятия соответствует международным системам качества ИСО 9001-2000 и ISO/TS 16949:2002. Продукция завода прошла проверку аудиторами TUV CERT (Германия) и национальной системой ГОСТ Р. Номенклатура предприятия насчитывает более 2,5 тысячи видов крепёжных изделий, в том числе соответствующих стандарту DIN. Компания "АвтоАльянс" предлагает оригинальную продукцию производства ОАО "Завод Красная Этна". В ассортименте представлен широкий перечень продукции завода: винты различных конструкций, пружины, стремянки, шайбы, гайки, шпильки, заклепки, штуцеры, оси, пробки и пластины, а также всевозможный крепёж к различным автомобилям.
На складах : 3542 шт.
Автомобильный концерн ГАЗ является одним из ведущих производителей в России. Компания предлагает запчасти для всех своих моделей автомобилей, а также поставляет комплектующие и сопутствующие товары на рынок автокомпонентов.
Преимущества автозапчастей ГАЗ заключаются в заметном качестве и надежности продукции, а также в доступных ценах. Благодаря использованию современных технологий и высококвалифицированному персоналу, ГАЗ гарантирует соответствующие характеристики продукции.
Все запчасти и компоненты проходят строгий контроль качества на каждом из этапов производства и подвергаются испытаниям в специальных лабораториях. Это обеспечивает стабильную работу и долговечность продукции ГАЗ. Детали производятся с использованием современных технологий и проверенных материалов. Это обеспечивает высокую производительность и безопасность автомобилей, а также улучшенный комфорт во время эксплуатации.
Компания предлагает широкий ассортимент запчастей для различных моделей автомобилей, а также для транспортных средств других марок. Все изделия имеют сертификаты соответствия и гарантию на производственные дефекты.
Кроме того, ГАЗ постоянно совершенствует свои продукты и осваивает новые рынки, чтобы удовлетворить даже самые неожиданные потребности своих клиентов. Все это выгодно выделяет автозапчасти и автокомпоненты ГАЗ в глазах покупателей, как в России, так и за ее пределами.
Ассортимент:
- Двигатели и их компоненты, такие как поршни, кольца, клапаны и т.д.
- Трансмиссия, включая коробки передач и дифференциалы.
- Системы выхлопа, включая глушители, катализаторы и трубы.
- Рулевое управление, включая рулевые рейки и насосы гидроусилителя руля.
- Подвеска, включая амортизаторы, пружины, рычаги и шаровые опоры.
- Тормозные системы, включая тормозные колодки, диски и суппорты.
- Электроника, включая стартеры, генераторы, аккумуляторы и свечи зажигания.
- Кузовные запчасти, включая крылья, двери, бамперы и фары.
Автомобильный концерн ГАЗ является одним из ведущих производителей в России. Компания предлагает запчасти для всех своих моделей автомобилей, а также поставляет комплектующие и сопутствующие товары на рынок автокомпонентов.
Преимущества автозапчастей ГАЗ заключаются в заметном качестве и надежности продукции, а также в доступных ценах. Благодаря использованию современных технологий и высококвалифицированному персоналу, ГАЗ гарантирует соответствующие характеристики продукции.
Все запчасти и компоненты проходят строгий контроль качества на каждом из этапов производства и подвергаются испытаниям в специальных лабораториях. Это обеспечивает стабильную работу и долговечность продукции ГАЗ. Детали производятся с использованием современных технологий и проверенных материалов. Это обеспечивает высокую производительность и безопасность автомобилей, а также улучшенный комфорт во время эксплуатации.
Компания предлагает широкий ассортимент запчастей для различных моделей автомобилей, а также для транспортных средств других марок. Все изделия имеют сертификаты соответствия и гарантию на производственные дефекты.
Кроме того, ГАЗ постоянно совершенствует свои продукты и осваивает новые рынки, чтобы удовлетворить даже самые неожиданные потребности своих клиентов. Все это выгодно выделяет автозапчасти и автокомпоненты ГАЗ в глазах покупателей, как в России, так и за ее пределами.
Ассортимент:
- Двигатели и их компоненты, такие как поршни, кольца, клапаны и т.д.
- Трансмиссия, включая коробки передач и дифференциалы.
- Системы выхлопа, включая глушители, катализаторы и трубы.
- Рулевое управление, включая рулевые рейки и насосы гидроусилителя руля.
- Подвеска, включая амортизаторы, пружины, рычаги и шаровые опоры.
- Тормозные системы, включая тормозные колодки, диски и суппорты.
- Электроника, включая стартеры, генераторы, аккумуляторы и свечи зажигания.
- Кузовные запчасти, включая крылья, двери, бамперы и фары.
ПАО "Автодизель" (Ярославский моторный завод) - одно из старейших предприятий российского автомобилестроения. В 1920 - 50-е годы был освоен выпуск первых в стране 3-12-тонных автомобилей, самосвалов, троллейбусов, автобусов, автомобильных дизельных двигателей.
С 1958 г. Ярославский моторный завод специализируется на разработке и производстве дизельных силовых агрегатов многоцелевого назначения и является признанным лидером отечественного двигателестроения.
На сегодняшний день Ярославский моторный завод (ПАО «Автодизель») является крупнейшим российским предприятием, специализирующимся на производстве дизельных двигателей многоцелевого назначения, сцеплений, коробок передач, запасных частей к ним, а также стационарных агрегатов на базе дизелей ЯМЗ.
Ярославские двигатели нашли применение более чем на 300 видах изделий производства ведущих предприятий России, Белоруссии, Украины. Они устанавливаются на автомобили, магистральные автопоезда, карьерные самосвалы, аэродромные тягачи, зерно-уборочные комбайны, лесовозы, экскаваторы, автобусы, а также на дизель-электрические станции и агрегаты.
Основные потребители: ОАО «МАЗ», ОАО «Автомобильный завод «Урал», ООО «ЛиАЗ», ХК «АвтоКрАЗ», РУПП «БелАЗ», ОАО «Электроагрегат» (Курск) и другие. Широкое применение двигатели ЯМЗ находят на специализированной технике Министерства обороны РФ.
"АвтоАльянс" является официальным дилером ПАО «Автодизель» (ЯМЗ) уже много лет и обеспечивает потребителей полным перечнем продукции завода. От запчастей до двигателей в сборе.
Борьба с контрафактом
ПАО "Автодизель" (Ярославский моторный завод) тщательно следит за высоким качеством продукции, а так же проводит комплекс активных мероприятий для борьбы с контрафактными предложениями на рынке. Для противодействия распространению контрафакта на официальном сайте завода создан раздел ЯМЗ/ЯЗДА. Защита от контрафакта, в котором размещена информация о конкурентных преимуществах оригинальной продукции, о рисках и угрозах использования альтернативной продукции ненадлежащего качества, а также доступна опция проверки оригинальности продукции ЯМЗ.
На складах : 420 шт.
ПАО "Автодизель" (Ярославский моторный завод) - одно из старейших предприятий российского автомобилестроения. В 1920 - 50-е годы был освоен выпуск первых в стране 3-12-тонных автомобилей, самосвалов, троллейбусов, автобусов, автомобильных дизельных двигателей.
С 1958 г. Ярославский моторный завод специализируется на разработке и производстве дизельных силовых агрегатов многоцелевого назначения и является признанным лидером отечественного двигателестроения.
На сегодняшний день Ярославский моторный завод (ПАО «Автодизель») является крупнейшим российским предприятием, специализирующимся на производстве дизельных двигателей многоцелевого назначения, сцеплений, коробок передач, запасных частей к ним, а также стационарных агрегатов на базе дизелей ЯМЗ.
Ярославские двигатели нашли применение более чем на 300 видах изделий производства ведущих предприятий России, Белоруссии, Украины. Они устанавливаются на автомобили, магистральные автопоезда, карьерные самосвалы, аэродромные тягачи, зерно-уборочные комбайны, лесовозы, экскаваторы, автобусы, а также на дизель-электрические станции и агрегаты.
Основные потребители: ОАО «МАЗ», ОАО «Автомобильный завод «Урал», ООО «ЛиАЗ», ХК «АвтоКрАЗ», РУПП «БелАЗ», ОАО «Электроагрегат» (Курск) и другие. Широкое применение двигатели ЯМЗ находят на специализированной технике Министерства обороны РФ.
"АвтоАльянс" является официальным дилером ПАО «Автодизель» (ЯМЗ) уже много лет и обеспечивает потребителей полным перечнем продукции завода. От запчастей до двигателей в сборе.
Борьба с контрафактом
ПАО "Автодизель" (Ярославский моторный завод) тщательно следит за высоким качеством продукции, а так же проводит комплекс активных мероприятий для борьбы с контрафактными предложениями на рынке. Для противодействия распространению контрафакта на официальном сайте завода создан раздел ЯМЗ/ЯЗДА. Защита от контрафакта, в котором размещена информация о конкурентных преимуществах оригинальной продукции, о рисках и угрозах использования альтернативной продукции ненадлежащего качества, а также доступна опция проверки оригинальности продукции ЯМЗ.
"Завод Красная Этна" уже более 110 лет производит крепёжные изделия и пружины для автомобильной промышленности. История завода начинается с 24 декабря 1898 года, когда по положению Комитета Министров Николай Второй разрешает Виктору Михайловичу Гольденбергу и германскому подданному Петру Ивановичу Мартини учредить "Акционерное Общество Рижского металлического завода "Этна". С 1904 года по 1915 год на Рижском металлическом заводе работали цеха: гвоздильный, горячепрокатный, цепочный, травильный, отжигательный, волочильный. Продукция завода была востребована в России, Прибалтике и за рубежом. В годы первой мировой войны завод был эвакуирован из Риги в Нижний Новгород. С этого момента для завода начинается новая история. Во время войны "Завод Красная Этна" обеспечивал своей продукцией фронт. На заводе начался выпуск минных цепей, гвоздей к солдатским сапогам, колючей проволоки, пряжек к ружьям и карабинов, а также другой продукции для нужд фронта и населения России. С 1916 года по 1918 год происходит национализация завода и смена учредителей. Завод стал именоваться, как Акционерное общество Нижегородского металлического завода "Новая Этна". С приходом советской власти на заводе сменилось название на "Красная Этна" и были запущены: электростанция, прокатный цех, цех тонкого волочения и болтозаклепочный цех. В 1925 в структуру завода вливается предприятие с парком металлорежущего оборудования. В этом же году, на базе влившегося предприятия, создаются инструментальный и механический цеха, а также лесопильно-ящичный цех. В начале 30х, организовано строительство Горьковского автомобильного завода, который оказал большое влияние на развитие и деятельность предприятия. "Красная Этна" переходит на выпуск изделий высокого класса точности и включается в обслуживание автомобильной промышленности страны. К началу Великой Отечественной войны, реконструированный завод представлял собой крупное предприятие автомобильной промышленности, которое специализировалось на выпуске: специальной проволоки, пружин, шайб, холоднокатаной ленты и автонормалей. Во время Второй Мировой войны завод бесперебойно снабжал фронт боеприпасами. С 1941 года по 1943 год на заводе работало 996 человек. В послевоенное время завод стал активно развиваться. В дальнейшем на заводе были реконструированы цеха и освоено новое производство, создано собственное станкостроение и автоматические линии, выстроен инженерный корпус и здание очистных сооружений. Организовано производство проката и пружин, а также стержневого крепежа. Создан важнейший отдел обеспечения качеством. На сегодняшний день ОАО "Завод Красная Этна" представляет собой современное, динамично-развивающееся предприятие, специализирующееся на производстве крепежных изделий для автомобильной промышленности. Продукция завода поставляется на крупнейшие предприятия России, стран СНГ и дальнего зарубежья. Продукция предприятия соответствует международным системам качества ИСО 9001-2000 и ISO/TS 16949:2002. Продукция завода прошла проверку аудиторами TUV CERT (Германия) и национальной системой ГОСТ Р. Номенклатура предприятия насчитывает более 2,5 тысячи видов крепёжных изделий, в том числе соответствующих стандарту DIN. Компания "АвтоАльянс" предлагает оригинальную продукцию производства ОАО "Завод Красная Этна". В ассортименте представлен широкий перечень продукции завода: винты различных конструкций, пружины, стремянки, шайбы, гайки, шпильки, заклепки, штуцеры, оси, пробки и пластины, а также всевозможный крепёж к различным автомобилям.
На складах : 2983 шт.
"Завод Красная Этна" уже более 110 лет производит крепёжные изделия и пружины для автомобильной промышленности. История завода начинается с 24 декабря 1898 года, когда по положению Комитета Министров Николай Второй разрешает Виктору Михайловичу Гольденбергу и германскому подданному Петру Ивановичу Мартини учредить "Акционерное Общество Рижского металлического завода "Этна". С 1904 года по 1915 год на Рижском металлическом заводе работали цеха: гвоздильный, горячепрокатный, цепочный, травильный, отжигательный, волочильный. Продукция завода была востребована в России, Прибалтике и за рубежом. В годы первой мировой войны завод был эвакуирован из Риги в Нижний Новгород. С этого момента для завода начинается новая история. Во время войны "Завод Красная Этна" обеспечивал своей продукцией фронт. На заводе начался выпуск минных цепей, гвоздей к солдатским сапогам, колючей проволоки, пряжек к ружьям и карабинов, а также другой продукции для нужд фронта и населения России. С 1916 года по 1918 год происходит национализация завода и смена учредителей. Завод стал именоваться, как Акционерное общество Нижегородского металлического завода "Новая Этна". С приходом советской власти на заводе сменилось название на "Красная Этна" и были запущены: электростанция, прокатный цех, цех тонкого волочения и болтозаклепочный цех. В 1925 в структуру завода вливается предприятие с парком металлорежущего оборудования. В этом же году, на базе влившегося предприятия, создаются инструментальный и механический цеха, а также лесопильно-ящичный цех. В начале 30х, организовано строительство Горьковского автомобильного завода, который оказал большое влияние на развитие и деятельность предприятия. "Красная Этна" переходит на выпуск изделий высокого класса точности и включается в обслуживание автомобильной промышленности страны. К началу Великой Отечественной войны, реконструированный завод представлял собой крупное предприятие автомобильной промышленности, которое специализировалось на выпуске: специальной проволоки, пружин, шайб, холоднокатаной ленты и автонормалей. Во время Второй Мировой войны завод бесперебойно снабжал фронт боеприпасами. С 1941 года по 1943 год на заводе работало 996 человек. В послевоенное время завод стал активно развиваться. В дальнейшем на заводе были реконструированы цеха и освоено новое производство, создано собственное станкостроение и автоматические линии, выстроен инженерный корпус и здание очистных сооружений. Организовано производство проката и пружин, а также стержневого крепежа. Создан важнейший отдел обеспечения качеством. На сегодняшний день ОАО "Завод Красная Этна" представляет собой современное, динамично-развивающееся предприятие, специализирующееся на производстве крепежных изделий для автомобильной промышленности. Продукция завода поставляется на крупнейшие предприятия России, стран СНГ и дальнего зарубежья. Продукция предприятия соответствует международным системам качества ИСО 9001-2000 и ISO/TS 16949:2002. Продукция завода прошла проверку аудиторами TUV CERT (Германия) и национальной системой ГОСТ Р. Номенклатура предприятия насчитывает более 2,5 тысячи видов крепёжных изделий, в том числе соответствующих стандарту DIN. Компания "АвтоАльянс" предлагает оригинальную продукцию производства ОАО "Завод Красная Этна". В ассортименте представлен широкий перечень продукции завода: винты различных конструкций, пружины, стремянки, шайбы, гайки, шпильки, заклепки, штуцеры, оси, пробки и пластины, а также всевозможный крепёж к различным автомобилям.
Открытое акционерное общество "Минский автомобильный завод" (ОАО МАЗ) - крупнейшее предприятие Республики Беларусь по выпуску большегрузной автомобильной, пассажирской, прицепной и автокрановой техники. Завод является самостоятельным хозяйствующим субъектом с правом юридического лица, входит в качестве головного предприятия в состав Производственного объединения "БелавтоМАЗ", в составе которого находятся также РУП "БААЗ" (г. Барановичи), РУП "ОЗАА" (г. Осиповичи) , РУА "КЗТШ" (г. Жодино), РУП "Литмаш" (г. Минск), ПРУП "ДЭМЗ" (г. Дзержинск), РУП "СтройМАЗтрест" (г. Минск). Минский автомобильный завод включает в себя все виды действующих производств, свойственных современным крупным машиностроительным заводам, среди которых: литейное, кузнечное, прессовое, сварочное, механообрабатывающее, термическое, окрасочное, сборочное, инструментальное. Наша компания является официальным дилером ОАО МАЗ. По итогам работы ТПС наша компания получила статус "Лучшего дилера 2009 года по продаже запасных частей ОАО МАЗ". На наших складах очень широкий ассортимент запчастей, кабин и рам для автомашин МАЗ. Мы предлагаем нашим покупателям самые низкие цены на продукцию ОАО МАЗ.
На складах : 481 шт.
Открытое акционерное общество "Минский автомобильный завод" (ОАО МАЗ) - крупнейшее предприятие Республики Беларусь по выпуску большегрузной автомобильной, пассажирской, прицепной и автокрановой техники. Завод является самостоятельным хозяйствующим субъектом с правом юридического лица, входит в качестве головного предприятия в состав Производственного объединения "БелавтоМАЗ", в составе которого находятся также РУП "БААЗ" (г. Барановичи), РУП "ОЗАА" (г. Осиповичи) , РУА "КЗТШ" (г. Жодино), РУП "Литмаш" (г. Минск), ПРУП "ДЭМЗ" (г. Дзержинск), РУП "СтройМАЗтрест" (г. Минск). Минский автомобильный завод включает в себя все виды действующих производств, свойственных современным крупным машиностроительным заводам, среди которых: литейное, кузнечное, прессовое, сварочное, механообрабатывающее, термическое, окрасочное, сборочное, инструментальное. Наша компания является официальным дилером ОАО МАЗ. По итогам работы ТПС наша компания получила статус "Лучшего дилера 2009 года по продаже запасных частей ОАО МАЗ". На наших складах очень широкий ассортимент запчастей, кабин и рам для автомашин МАЗ. Мы предлагаем нашим покупателям самые низкие цены на продукцию ОАО МАЗ.
Компания "Русский Двигатель" была основана в 2005 году в Ярославле и почти сразу завоевала доверие со стороны производителей двигателей. Предприятие имеет собственное производство и выпускает более 300 видов прокладок и 150 видов ремкомплектов на обширном станочном парке. Для создания прокладок «Русский двигатель» использует паронит заводского изготовления, а так же занимается индивидуальной разработкой штампов и запуском новых товаров. Компания является поставщиком паронитовых прокладок на конвейеры Ярославского Моторного Завода (Автодизель), ЯрДизель Аппаратуры, ОАО "Карачаевский механический завод", Ногинского завода топливной аппаратуры, Тутаевского Моторного Завода, Ярославского Завода Топливной Аппаратуры.
На складах : 48 шт.
Компания "Русский Двигатель" была основана в 2005 году в Ярославле и почти сразу завоевала доверие со стороны производителей двигателей. Предприятие имеет собственное производство и выпускает более 300 видов прокладок и 150 видов ремкомплектов на обширном станочном парке. Для создания прокладок «Русский двигатель» использует паронит заводского изготовления, а так же занимается индивидуальной разработкой штампов и запуском новых товаров. Компания является поставщиком паронитовых прокладок на конвейеры Ярославского Моторного Завода (Автодизель), ЯрДизель Аппаратуры, ОАО "Карачаевский механический завод", Ногинского завода топливной аппаратуры, Тутаевского Моторного Завода, Ярославского Завода Топливной Аппаратуры.
На складах : 2828 шт.
АЗ "УРАЛ" входит в состав "Группы ГАЗ". Дата образования АЗ "УРАЛ" - 2001 год. Автомобильный завод Урал появился в результате перестройки производственного комплекса "УралАЗ". На сегодняшний день АЗ "УРАЛ" является основным звеном в структуре дивизиона "Грузовые автомобили" и занимает ведущие позиции на российском рынке полноприводных большегрузных автомобилей.
Основное назначение завода: Производство полноприводных грузовых автомобилей, дорожных грузовиков, вахтовых автобусов. На базе шасси "УРАЛ" работают более 400 видов спецтехники: вахтовые автобусы, автоцистерны, подъемные краны, топливозаправщики, пожарные автомобили, разнообразные агрегаты для лесопромышленного и нефтегазового комплекса, горной промышленности и коммунального хозяйства.
Автомобильная техника УРАЛ используется, как государственными предприятиями, так и крупными частными компаниями. В нефтегазодобывающей отрасли востребованы: бортовые автомобили, трубовозы, седельные тягачи, топливозаправщики. В начале 90-х годов на шасси "УРАЛ" изготовили спецтехнику для газодобывающей отрасли: цементировочные агрегаты, агрегаты ремонта скважин, ремонтные мастерские и др.
Основными заказчиками являются нефтяные гиганты ОАО "Газпром", ОАО "НК "Роснефть", ОАО "Сургутнефтегаз, "ТНК-ВP", энергокомпания РАО "ЕЭС", а также ряд министерств Российской Федерации: Министерство обороны, Министерство по чрезвычайным ситуациям, Министерство внутренних дел.
С 2005 года Автомобильный завод УРАЛ освоил серийное производство таких автомобилей, как седельный тягач "УРАЛ-63674" и самосвалов с грузоподъёмностью более 20 тонн "УРАЛ-63685" и "УРАЛ-6563". В 2007-2008 году на Автомобильном заводе "УРАЛ" внедряют передовые технологии:
- внедрение новой производственной системы "lean production".
- внедрение современной автоматизированной ERP-системы
- внедрение системы "Ворота Качества".
- внедрение системы менеджмента качества в соответствии с требованиями стандартов ISO 9001:2000 и ISO 9001:2008.
- внедрение СМК соответствующей требованиям ИСО/ТУ 16949:2002.
АЗ "УРАЛ" постоянно работает на расширение модельного ряда. Так в 2010 году в серийное производство был запущен вахтовый автобус Урал-32552-3011-59 и самосвал Урал-6370. А уже в 2011 году на заводе разработали вахтовый автобус на пневмоподвеске, которая обеспечит высокую плавность хода даже в условиях бездорожья.
"АвтоАльянс" активно развивает направление запчастей для автомобилей УРАЛ. В продаже широкий ассортимент продукции АЗ "УРАЛ" по оптимальным ценам. Для Вас всегда работает группа специалистов по запчастям на автомобили УРАЛ.
На складах : 417 шт.
АЗ "УРАЛ" входит в состав "Группы ГАЗ". Дата образования АЗ "УРАЛ" - 2001 год. Автомобильный завод Урал появился в результате перестройки производственного комплекса "УралАЗ". На сегодняшний день АЗ "УРАЛ" является основным звеном в структуре дивизиона "Грузовые автомобили" и занимает ведущие позиции на российском рынке полноприводных большегрузных автомобилей.
Основное назначение завода: Производство полноприводных грузовых автомобилей, дорожных грузовиков, вахтовых автобусов. На базе шасси "УРАЛ" работают более 400 видов спецтехники: вахтовые автобусы, автоцистерны, подъемные краны, топливозаправщики, пожарные автомобили, разнообразные агрегаты для лесопромышленного и нефтегазового комплекса, горной промышленности и коммунального хозяйства.
Автомобильная техника УРАЛ используется, как государственными предприятиями, так и крупными частными компаниями. В нефтегазодобывающей отрасли востребованы: бортовые автомобили, трубовозы, седельные тягачи, топливозаправщики. В начале 90-х годов на шасси "УРАЛ" изготовили спецтехнику для газодобывающей отрасли: цементировочные агрегаты, агрегаты ремонта скважин, ремонтные мастерские и др.
Основными заказчиками являются нефтяные гиганты ОАО "Газпром", ОАО "НК "Роснефть", ОАО "Сургутнефтегаз, "ТНК-ВP", энергокомпания РАО "ЕЭС", а также ряд министерств Российской Федерации: Министерство обороны, Министерство по чрезвычайным ситуациям, Министерство внутренних дел.
С 2005 года Автомобильный завод УРАЛ освоил серийное производство таких автомобилей, как седельный тягач "УРАЛ-63674" и самосвалов с грузоподъёмностью более 20 тонн "УРАЛ-63685" и "УРАЛ-6563". В 2007-2008 году на Автомобильном заводе "УРАЛ" внедряют передовые технологии:
- внедрение новой производственной системы "lean production".
- внедрение современной автоматизированной ERP-системы
- внедрение системы "Ворота Качества".
- внедрение системы менеджмента качества в соответствии с требованиями стандартов ISO 9001:2000 и ISO 9001:2008.
- внедрение СМК соответствующей требованиям ИСО/ТУ 16949:2002.
АЗ "УРАЛ" постоянно работает на расширение модельного ряда. Так в 2010 году в серийное производство был запущен вахтовый автобус Урал-32552-3011-59 и самосвал Урал-6370. А уже в 2011 году на заводе разработали вахтовый автобус на пневмоподвеске, которая обеспечит высокую плавность хода даже в условиях бездорожья.
"АвтоАльянс" активно развивает направление запчастей для автомобилей УРАЛ. В продаже широкий ассортимент продукции АЗ "УРАЛ" по оптимальным ценам. Для Вас всегда работает группа специалистов по запчастям на автомобили УРАЛ.
ПАО "Автодизель" (Ярославский моторный завод) - одно из старейших предприятий российского автомобилестроения. В 1920 - 50-е годы был освоен выпуск первых в стране 3-12-тонных автомобилей, самосвалов, троллейбусов, автобусов, автомобильных дизельных двигателей.
С 1958 г. Ярославский моторный завод специализируется на разработке и производстве дизельных силовых агрегатов многоцелевого назначения и является признанным лидером отечественного двигателестроения.
На сегодняшний день Ярославский моторный завод (ПАО «Автодизель») является крупнейшим российским предприятием, специализирующимся на производстве дизельных двигателей многоцелевого назначения, сцеплений, коробок передач, запасных частей к ним, а также стационарных агрегатов на базе дизелей ЯМЗ.
Ярославские двигатели нашли применение более чем на 300 видах изделий производства ведущих предприятий России, Белоруссии, Украины. Они устанавливаются на автомобили, магистральные автопоезда, карьерные самосвалы, аэродромные тягачи, зерно-уборочные комбайны, лесовозы, экскаваторы, автобусы, а также на дизель-электрические станции и агрегаты.
Основные потребители: ОАО «МАЗ», ОАО «Автомобильный завод «Урал», ООО «ЛиАЗ», ХК «АвтоКрАЗ», РУПП «БелАЗ», ОАО «Электроагрегат» (Курск) и другие. Широкое применение двигатели ЯМЗ находят на специализированной технике Министерства обороны РФ.
"АвтоАльянс" является официальным дилером ПАО «Автодизель» (ЯМЗ) уже много лет и обеспечивает потребителей полным перечнем продукции завода. От запчастей до двигателей в сборе.
Борьба с контрафактом
ПАО "Автодизель" (Ярославский моторный завод) тщательно следит за высоким качеством продукции, а так же проводит комплекс активных мероприятий для борьбы с контрафактными предложениями на рынке. Для противодействия распространению контрафакта на официальном сайте завода создан раздел ЯМЗ/ЯЗДА. Защита от контрафакта, в котором размещена информация о конкурентных преимуществах оригинальной продукции, о рисках и угрозах использования альтернативной продукции ненадлежащего качества, а также доступна опция проверки оригинальности продукции ЯМЗ.
На складах : 1278 шт.
ПАО "Автодизель" (Ярославский моторный завод) - одно из старейших предприятий российского автомобилестроения. В 1920 - 50-е годы был освоен выпуск первых в стране 3-12-тонных автомобилей, самосвалов, троллейбусов, автобусов, автомобильных дизельных двигателей.
С 1958 г. Ярославский моторный завод специализируется на разработке и производстве дизельных силовых агрегатов многоцелевого назначения и является признанным лидером отечественного двигателестроения.
На сегодняшний день Ярославский моторный завод (ПАО «Автодизель») является крупнейшим российским предприятием, специализирующимся на производстве дизельных двигателей многоцелевого назначения, сцеплений, коробок передач, запасных частей к ним, а также стационарных агрегатов на базе дизелей ЯМЗ.
Ярославские двигатели нашли применение более чем на 300 видах изделий производства ведущих предприятий России, Белоруссии, Украины. Они устанавливаются на автомобили, магистральные автопоезда, карьерные самосвалы, аэродромные тягачи, зерно-уборочные комбайны, лесовозы, экскаваторы, автобусы, а также на дизель-электрические станции и агрегаты.
Основные потребители: ОАО «МАЗ», ОАО «Автомобильный завод «Урал», ООО «ЛиАЗ», ХК «АвтоКрАЗ», РУПП «БелАЗ», ОАО «Электроагрегат» (Курск) и другие. Широкое применение двигатели ЯМЗ находят на специализированной технике Министерства обороны РФ.
"АвтоАльянс" является официальным дилером ПАО «Автодизель» (ЯМЗ) уже много лет и обеспечивает потребителей полным перечнем продукции завода. От запчастей до двигателей в сборе.
Борьба с контрафактом
ПАО "Автодизель" (Ярославский моторный завод) тщательно следит за высоким качеством продукции, а так же проводит комплекс активных мероприятий для борьбы с контрафактными предложениями на рынке. Для противодействия распространению контрафакта на официальном сайте завода создан раздел ЯМЗ/ЯЗДА. Защита от контрафакта, в котором размещена информация о конкурентных преимуществах оригинальной продукции, о рисках и угрозах использования альтернативной продукции ненадлежащего качества, а также доступна опция проверки оригинальности продукции ЯМЗ.
На складах : 33 шт.
АЗ "УРАЛ" входит в состав "Группы ГАЗ". Дата образования АЗ "УРАЛ" - 2001 год. Автомобильный завод Урал появился в результате перестройки производственного комплекса "УралАЗ". На сегодняшний день АЗ "УРАЛ" является основным звеном в структуре дивизиона "Грузовые автомобили" и занимает ведущие позиции на российском рынке полноприводных большегрузных автомобилей.
Основное назначение завода: Производство полноприводных грузовых автомобилей, дорожных грузовиков, вахтовых автобусов. На базе шасси "УРАЛ" работают более 400 видов спецтехники: вахтовые автобусы, автоцистерны, подъемные краны, топливозаправщики, пожарные автомобили, разнообразные агрегаты для лесопромышленного и нефтегазового комплекса, горной промышленности и коммунального хозяйства.
Автомобильная техника УРАЛ используется, как государственными предприятиями, так и крупными частными компаниями. В нефтегазодобывающей отрасли востребованы: бортовые автомобили, трубовозы, седельные тягачи, топливозаправщики. В начале 90-х годов на шасси "УРАЛ" изготовили спецтехнику для газодобывающей отрасли: цементировочные агрегаты, агрегаты ремонта скважин, ремонтные мастерские и др.
Основными заказчиками являются нефтяные гиганты ОАО "Газпром", ОАО "НК "Роснефть", ОАО "Сургутнефтегаз, "ТНК-ВP", энергокомпания РАО "ЕЭС", а также ряд министерств Российской Федерации: Министерство обороны, Министерство по чрезвычайным ситуациям, Министерство внутренних дел.
С 2005 года Автомобильный завод УРАЛ освоил серийное производство таких автомобилей, как седельный тягач "УРАЛ-63674" и самосвалов с грузоподъёмностью более 20 тонн "УРАЛ-63685" и "УРАЛ-6563". В 2007-2008 году на Автомобильном заводе "УРАЛ" внедряют передовые технологии:
- внедрение новой производственной системы "lean production".
- внедрение современной автоматизированной ERP-системы
- внедрение системы "Ворота Качества".
- внедрение системы менеджмента качества в соответствии с требованиями стандартов ISO 9001:2000 и ISO 9001:2008.
- внедрение СМК соответствующей требованиям ИСО/ТУ 16949:2002.
АЗ "УРАЛ" постоянно работает на расширение модельного ряда. Так в 2010 году в серийное производство был запущен вахтовый автобус Урал-32552-3011-59 и самосвал Урал-6370. А уже в 2011 году на заводе разработали вахтовый автобус на пневмоподвеске, которая обеспечит высокую плавность хода даже в условиях бездорожья.
"АвтоАльянс" активно развивает направление запчастей для автомобилей УРАЛ. В продаже широкий ассортимент продукции АЗ "УРАЛ" по оптимальным ценам. Для Вас всегда работает группа специалистов по запчастям на автомобили УРАЛ.
АЗ "УРАЛ" входит в состав "Группы ГАЗ". Дата образования АЗ "УРАЛ" - 2001 год. Автомобильный завод Урал появился в результате перестройки производственного комплекса "УралАЗ". На сегодняшний день АЗ "УРАЛ" является основным звеном в структуре дивизиона "Грузовые автомобили" и занимает ведущие позиции на российском рынке полноприводных большегрузных автомобилей.
Основное назначение завода: Производство полноприводных грузовых автомобилей, дорожных грузовиков, вахтовых автобусов. На базе шасси "УРАЛ" работают более 400 видов спецтехники: вахтовые автобусы, автоцистерны, подъемные краны, топливозаправщики, пожарные автомобили, разнообразные агрегаты для лесопромышленного и нефтегазового комплекса, горной промышленности и коммунального хозяйства.
Автомобильная техника УРАЛ используется, как государственными предприятиями, так и крупными частными компаниями. В нефтегазодобывающей отрасли востребованы: бортовые автомобили, трубовозы, седельные тягачи, топливозаправщики. В начале 90-х годов на шасси "УРАЛ" изготовили спецтехнику для газодобывающей отрасли: цементировочные агрегаты, агрегаты ремонта скважин, ремонтные мастерские и др.
Основными заказчиками являются нефтяные гиганты ОАО "Газпром", ОАО "НК "Роснефть", ОАО "Сургутнефтегаз, "ТНК-ВP", энергокомпания РАО "ЕЭС", а также ряд министерств Российской Федерации: Министерство обороны, Министерство по чрезвычайным ситуациям, Министерство внутренних дел.
С 2005 года Автомобильный завод УРАЛ освоил серийное производство таких автомобилей, как седельный тягач "УРАЛ-63674" и самосвалов с грузоподъёмностью более 20 тонн "УРАЛ-63685" и "УРАЛ-6563". В 2007-2008 году на Автомобильном заводе "УРАЛ" внедряют передовые технологии:
- внедрение новой производственной системы "lean production".
- внедрение современной автоматизированной ERP-системы
- внедрение системы "Ворота Качества".
- внедрение системы менеджмента качества в соответствии с требованиями стандартов ISO 9001:2000 и ISO 9001:2008.
- внедрение СМК соответствующей требованиям ИСО/ТУ 16949:2002.
АЗ "УРАЛ" постоянно работает на расширение модельного ряда. Так в 2010 году в серийное производство был запущен вахтовый автобус Урал-32552-3011-59 и самосвал Урал-6370. А уже в 2011 году на заводе разработали вахтовый автобус на пневмоподвеске, которая обеспечит высокую плавность хода даже в условиях бездорожья.
"АвтоАльянс" активно развивает направление запчастей для автомобилей УРАЛ. В продаже широкий ассортимент продукции АЗ "УРАЛ" по оптимальным ценам. Для Вас всегда работает группа специалистов по запчастям на автомобили УРАЛ.
На складах : 1179 шт.
На складах : 85 шт.
Автомобильный концерн ГАЗ является одним из ведущих производителей в России. Компания предлагает запчасти для всех своих моделей автомобилей, а также поставляет комплектующие и сопутствующие товары на рынок автокомпонентов.
Преимущества автозапчастей ГАЗ заключаются в заметном качестве и надежности продукции, а также в доступных ценах. Благодаря использованию современных технологий и высококвалифицированному персоналу, ГАЗ гарантирует соответствующие характеристики продукции.
Все запчасти и компоненты проходят строгий контроль качества на каждом из этапов производства и подвергаются испытаниям в специальных лабораториях. Это обеспечивает стабильную работу и долговечность продукции ГАЗ. Детали производятся с использованием современных технологий и проверенных материалов. Это обеспечивает высокую производительность и безопасность автомобилей, а также улучшенный комфорт во время эксплуатации.
Компания предлагает широкий ассортимент запчастей для различных моделей автомобилей, а также для транспортных средств других марок. Все изделия имеют сертификаты соответствия и гарантию на производственные дефекты.
Кроме того, ГАЗ постоянно совершенствует свои продукты и осваивает новые рынки, чтобы удовлетворить даже самые неожиданные потребности своих клиентов. Все это выгодно выделяет автозапчасти и автокомпоненты ГАЗ в глазах покупателей, как в России, так и за ее пределами.
Ассортимент:
- Двигатели и их компоненты, такие как поршни, кольца, клапаны и т.д.
- Трансмиссия, включая коробки передач и дифференциалы.
- Системы выхлопа, включая глушители, катализаторы и трубы.
- Рулевое управление, включая рулевые рейки и насосы гидроусилителя руля.
- Подвеска, включая амортизаторы, пружины, рычаги и шаровые опоры.
- Тормозные системы, включая тормозные колодки, диски и суппорты.
- Электроника, включая стартеры, генераторы, аккумуляторы и свечи зажигания.
- Кузовные запчасти, включая крылья, двери, бамперы и фары.
На складах : 55 шт.
Автомобильный концерн ГАЗ является одним из ведущих производителей в России. Компания предлагает запчасти для всех своих моделей автомобилей, а также поставляет комплектующие и сопутствующие товары на рынок автокомпонентов.
Преимущества автозапчастей ГАЗ заключаются в заметном качестве и надежности продукции, а также в доступных ценах. Благодаря использованию современных технологий и высококвалифицированному персоналу, ГАЗ гарантирует соответствующие характеристики продукции.
Все запчасти и компоненты проходят строгий контроль качества на каждом из этапов производства и подвергаются испытаниям в специальных лабораториях. Это обеспечивает стабильную работу и долговечность продукции ГАЗ. Детали производятся с использованием современных технологий и проверенных материалов. Это обеспечивает высокую производительность и безопасность автомобилей, а также улучшенный комфорт во время эксплуатации.
Компания предлагает широкий ассортимент запчастей для различных моделей автомобилей, а также для транспортных средств других марок. Все изделия имеют сертификаты соответствия и гарантию на производственные дефекты.
Кроме того, ГАЗ постоянно совершенствует свои продукты и осваивает новые рынки, чтобы удовлетворить даже самые неожиданные потребности своих клиентов. Все это выгодно выделяет автозапчасти и автокомпоненты ГАЗ в глазах покупателей, как в России, так и за ее пределами.
Ассортимент:
- Двигатели и их компоненты, такие как поршни, кольца, клапаны и т.д.
- Трансмиссия, включая коробки передач и дифференциалы.
- Системы выхлопа, включая глушители, катализаторы и трубы.
- Рулевое управление, включая рулевые рейки и насосы гидроусилителя руля.
- Подвеска, включая амортизаторы, пружины, рычаги и шаровые опоры.
- Тормозные системы, включая тормозные колодки, диски и суппорты.
- Электроника, включая стартеры, генераторы, аккумуляторы и свечи зажигания.
- Кузовные запчасти, включая крылья, двери, бамперы и фары.
Автомобильный концерн ГАЗ является одним из ведущих производителей в России. Компания предлагает запчасти для всех своих моделей автомобилей, а также поставляет комплектующие и сопутствующие товары на рынок автокомпонентов.
Преимущества автозапчастей ГАЗ заключаются в заметном качестве и надежности продукции, а также в доступных ценах. Благодаря использованию современных технологий и высококвалифицированному персоналу, ГАЗ гарантирует соответствующие характеристики продукции.
Все запчасти и компоненты проходят строгий контроль качества на каждом из этапов производства и подвергаются испытаниям в специальных лабораториях. Это обеспечивает стабильную работу и долговечность продукции ГАЗ. Детали производятся с использованием современных технологий и проверенных материалов. Это обеспечивает высокую производительность и безопасность автомобилей, а также улучшенный комфорт во время эксплуатации.
Компания предлагает широкий ассортимент запчастей для различных моделей автомобилей, а также для транспортных средств других марок. Все изделия имеют сертификаты соответствия и гарантию на производственные дефекты.
Кроме того, ГАЗ постоянно совершенствует свои продукты и осваивает новые рынки, чтобы удовлетворить даже самые неожиданные потребности своих клиентов. Все это выгодно выделяет автозапчасти и автокомпоненты ГАЗ в глазах покупателей, как в России, так и за ее пределами.
Ассортимент:
- Двигатели и их компоненты, такие как поршни, кольца, клапаны и т.д.
- Трансмиссия, включая коробки передач и дифференциалы.
- Системы выхлопа, включая глушители, катализаторы и трубы.
- Рулевое управление, включая рулевые рейки и насосы гидроусилителя руля.
- Подвеска, включая амортизаторы, пружины, рычаги и шаровые опоры.
- Тормозные системы, включая тормозные колодки, диски и суппорты.
- Электроника, включая стартеры, генераторы, аккумуляторы и свечи зажигания.
- Кузовные запчасти, включая крылья, двери, бамперы и фары.
На складах : 28 шт.
Автомобильный концерн ГАЗ является одним из ведущих производителей в России. Компания предлагает запчасти для всех своих моделей автомобилей, а также поставляет комплектующие и сопутствующие товары на рынок автокомпонентов.
Преимущества автозапчастей ГАЗ заключаются в заметном качестве и надежности продукции, а также в доступных ценах. Благодаря использованию современных технологий и высококвалифицированному персоналу, ГАЗ гарантирует соответствующие характеристики продукции.
Все запчасти и компоненты проходят строгий контроль качества на каждом из этапов производства и подвергаются испытаниям в специальных лабораториях. Это обеспечивает стабильную работу и долговечность продукции ГАЗ. Детали производятся с использованием современных технологий и проверенных материалов. Это обеспечивает высокую производительность и безопасность автомобилей, а также улучшенный комфорт во время эксплуатации.
Компания предлагает широкий ассортимент запчастей для различных моделей автомобилей, а также для транспортных средств других марок. Все изделия имеют сертификаты соответствия и гарантию на производственные дефекты.
Кроме того, ГАЗ постоянно совершенствует свои продукты и осваивает новые рынки, чтобы удовлетворить даже самые неожиданные потребности своих клиентов. Все это выгодно выделяет автозапчасти и автокомпоненты ГАЗ в глазах покупателей, как в России, так и за ее пределами.
Ассортимент:
- Двигатели и их компоненты, такие как поршни, кольца, клапаны и т.д.
- Трансмиссия, включая коробки передач и дифференциалы.
- Системы выхлопа, включая глушители, катализаторы и трубы.
- Рулевое управление, включая рулевые рейки и насосы гидроусилителя руля.
- Подвеска, включая амортизаторы, пружины, рычаги и шаровые опоры.
- Тормозные системы, включая тормозные колодки, диски и суппорты.
- Электроника, включая стартеры, генераторы, аккумуляторы и свечи зажигания.
- Кузовные запчасти, включая крылья, двери, бамперы и фары.
ОАО «Автодеталь-Сервис» более 60 лет производит высококачественные запасные части для автомобилей УАЗ, зарекомендовав себя как надёжный партнёр российского автопрома и один из основных поставщиков Ульяновского автомобильного завода.
ОАО «Автодеталь-Сервис» ориентировано на дальнейшее плотное сотрудничество с ОАО «УАЗ», а главное — на расширение вторичного рынка. В связи с этим приоритетным направлением в производственной деятельности предприятия остается получение прибыли от сотрудничества предприятия с ОАО «УАЗ» при налаживании производства новых видов продукции.
ОАО «Автодеталь-Сервис» входит в состав Ульяновской Холдинговой компании «AMS-GROUP». Став стратегическим партнёром завода, «AMS-GROUP» помогает предприятию реализовывать новые производственные программы, осуществлять масштабные инвестиционные проекты, в том числе совместные с ZF Lenksysteme (Германия) проекты по производству гидроусилителей к автомобилям ГАЗ, УАЗ.
Основная продукция завода — это элементы трансмиссии 4WD: коробки перемены передач, гидроусилители, карданные валы, тормоза в сборе, наконечники, крестовины, рулевые тяги и многое др. Вся продукция поставляется, в основном, в фирменной упаковке с голограммой.
Продукция ульяновского предприятия ОАО «Автодеталь-Сервис» отличается высоким качеством и соответствует европейским стандартам. Доказательство тому — завоевание дипломов и наград ОАО «Автодеталь-Сервис» на различных промышленных выставках, проходящих как в России, так и за рубежом.
С 2004 г. на предприятии действует система менеджмента качества ИСО 9001 — 2001.
История:
- Совет Народных Комиссаров СССР постановлением от 7 мая № 515 обязал Ульяновский облисполком и Наркомзем СССР организовать до 01.07.1944 г. на базе Ульяновской машинотракторной мастерской и машинотракторной станции Ульяновский мотороремонтный завод (МРЗ).
- В 1946 г. на МРЗ было организовано литейное производство. Вслед за этим из разрозненных механических участков было организовано два механических цеха: один — для изготовления деталей и ремонта двигателей тракторов и автомобилей, другой — для изготовления запчастей к комбайнам и другим сельхозмашинам.
- В 1949 г. на заводе организован ремонтно-механический участок для капитального ремонта металлорежущего оборудования. Руководство завода продолжает развивать производство и расширяет сферу услуг. В 1951 г. начинается производство съёмников для ремонта грузовых автомобилей и УМРЗ переименовывается в Ульяновский ремонтный завод (УРЗ).
- Продолжая производить продукцию для ремонта сельхозтехники, завод осваивает новые технологии и изделия. В 1956—1957 гг. освоено производство шланговых насосов для водоснабжения животноводческих ферм, масляных насосов к тракторам и кокильное литьё. Последнее было освоено первыми среди предприятий Ульяновской области. 30 декабря 1958 г. постановлением Совета Народного Хозяйства Ульяновского Административного района предприятие стало именоваться Ульяновским заводом «Автозапчасть».
- Начиная с 1959 г. завод «Автозапчасть» перепрофилируется на производство запасных частей к автомобилям ГАЗ. В 1965 г. Ульяновский завод «Автозапчасть» перешёл в подчинение Главного управления автозапчастей Минавтопрома СССР и с 1966 г. начинает производить запасные части на автомобили ГАЗ, а в дальнейшем — на УАЗ. Расширяется номенклатура изделий: карданные валы различных модификаций, раздаточные коробки, коробки перемены передач и шин транспортных средств и др.
- В 1972 г. завод «Автозапчасть» введен в производственное объединение АвтоУАЗ и в состав Главного Управления по производству легковых автомобилей и автобусов Минавтопрома СССР. С этого времени «Автозапчасть» становится одним из основных поставщиков УАЗа, которым является и в настоящее время. Приоритетными направлениями поставок на конвейер Ульяновского автозавода являются: коробки перемены передач, элементы трансмиссии, тормоза в сборе, наконечники, крестовины, рулевые тяги и др.
- 21 октября 1992 г. Комитет по управлению имуществом Ульяновской области своим распоряжением преобразовал уже государственное предприятие Ульяновский завод «Автозапчасть» в АО «Автодеталь-Сервис», а с 2002 г. наше предприятие выступает на рынке запасных частей и агрегатов для автомобильного транспорта как ОАО «Автодеталь-Сервис». Производственная политика предприятия нацелена на кооперацию с мировыми производителями, разработку новых технологичных продуктов, выход на сборочные линии иностранных площадок.
- В 2007 г. ОАО «Автодеталь-Сервис» приступило к реализации проекта по производству и продаже автокомпонентов ГАЗ, ВАЗ, УАЗ под торговой маркой EXPERT. В настоящее время номенклатурная линейка состоит из амортизаторов, цилиндров, шаровых опор, тормозных дисков, тормозных колодок, ШРУСов и других запасных частей для автомобилей российского производства.
ОАО «Автодеталь-Сервис» более 60 лет производит высококачественные запасные части для автомобилей УАЗ, зарекомендовав себя как надёжный партнёр российского автопрома и один из основных поставщиков Ульяновского автомобильного завода.
ОАО «Автодеталь-Сервис» ориентировано на дальнейшее плотное сотрудничество с ОАО «УАЗ», а главное — на расширение вторичного рынка. В связи с этим приоритетным направлением в производственной деятельности предприятия остается получение прибыли от сотрудничества предприятия с ОАО «УАЗ» при налаживании производства новых видов продукции.
ОАО «Автодеталь-Сервис» входит в состав Ульяновской Холдинговой компании «AMS-GROUP». Став стратегическим партнёром завода, «AMS-GROUP» помогает предприятию реализовывать новые производственные программы, осуществлять масштабные инвестиционные проекты, в том числе совместные с ZF Lenksysteme (Германия) проекты по производству гидроусилителей к автомобилям ГАЗ, УАЗ.
Основная продукция завода — это элементы трансмиссии 4WD: коробки перемены передач, гидроусилители, карданные валы, тормоза в сборе, наконечники, крестовины, рулевые тяги и многое др. Вся продукция поставляется, в основном, в фирменной упаковке с голограммой.
Продукция ульяновского предприятия ОАО «Автодеталь-Сервис» отличается высоким качеством и соответствует европейским стандартам. Доказательство тому — завоевание дипломов и наград ОАО «Автодеталь-Сервис» на различных промышленных выставках, проходящих как в России, так и за рубежом.
С 2004 г. на предприятии действует система менеджмента качества ИСО 9001 — 2001.
История:
- Совет Народных Комиссаров СССР постановлением от 7 мая № 515 обязал Ульяновский облисполком и Наркомзем СССР организовать до 01.07.1944 г. на базе Ульяновской машинотракторной мастерской и машинотракторной станции Ульяновский мотороремонтный завод (МРЗ).
- В 1946 г. на МРЗ было организовано литейное производство. Вслед за этим из разрозненных механических участков было организовано два механических цеха: один — для изготовления деталей и ремонта двигателей тракторов и автомобилей, другой — для изготовления запчастей к комбайнам и другим сельхозмашинам.
- В 1949 г. на заводе организован ремонтно-механический участок для капитального ремонта металлорежущего оборудования. Руководство завода продолжает развивать производство и расширяет сферу услуг. В 1951 г. начинается производство съёмников для ремонта грузовых автомобилей и УМРЗ переименовывается в Ульяновский ремонтный завод (УРЗ).
- Продолжая производить продукцию для ремонта сельхозтехники, завод осваивает новые технологии и изделия. В 1956—1957 гг. освоено производство шланговых насосов для водоснабжения животноводческих ферм, масляных насосов к тракторам и кокильное литьё. Последнее было освоено первыми среди предприятий Ульяновской области. 30 декабря 1958 г. постановлением Совета Народного Хозяйства Ульяновского Административного района предприятие стало именоваться Ульяновским заводом «Автозапчасть».
- Начиная с 1959 г. завод «Автозапчасть» перепрофилируется на производство запасных частей к автомобилям ГАЗ. В 1965 г. Ульяновский завод «Автозапчасть» перешёл в подчинение Главного управления автозапчастей Минавтопрома СССР и с 1966 г. начинает производить запасные части на автомобили ГАЗ, а в дальнейшем — на УАЗ. Расширяется номенклатура изделий: карданные валы различных модификаций, раздаточные коробки, коробки перемены передач и шин транспортных средств и др.
- В 1972 г. завод «Автозапчасть» введен в производственное объединение АвтоУАЗ и в состав Главного Управления по производству легковых автомобилей и автобусов Минавтопрома СССР. С этого времени «Автозапчасть» становится одним из основных поставщиков УАЗа, которым является и в настоящее время. Приоритетными направлениями поставок на конвейер Ульяновского автозавода являются: коробки перемены передач, элементы трансмиссии, тормоза в сборе, наконечники, крестовины, рулевые тяги и др.
- 21 октября 1992 г. Комитет по управлению имуществом Ульяновской области своим распоряжением преобразовал уже государственное предприятие Ульяновский завод «Автозапчасть» в АО «Автодеталь-Сервис», а с 2002 г. наше предприятие выступает на рынке запасных частей и агрегатов для автомобильного транспорта как ОАО «Автодеталь-Сервис». Производственная политика предприятия нацелена на кооперацию с мировыми производителями, разработку новых технологичных продуктов, выход на сборочные линии иностранных площадок.
- В 2007 г. ОАО «Автодеталь-Сервис» приступило к реализации проекта по производству и продаже автокомпонентов ГАЗ, ВАЗ, УАЗ под торговой маркой EXPERT. В настоящее время номенклатурная линейка состоит из амортизаторов, цилиндров, шаровых опор, тормозных дисков, тормозных колодок, ШРУСов и других запасных частей для автомобилей российского производства.
ОАО «Автодеталь-Сервис» более 60 лет производит высококачественные запасные части для автомобилей УАЗ, зарекомендовав себя как надёжный партнёр российского автопрома и один из основных поставщиков Ульяновского автомобильного завода.
ОАО «Автодеталь-Сервис» ориентировано на дальнейшее плотное сотрудничество с ОАО «УАЗ», а главное — на расширение вторичного рынка. В связи с этим приоритетным направлением в производственной деятельности предприятия остается получение прибыли от сотрудничества предприятия с ОАО «УАЗ» при налаживании производства новых видов продукции.
ОАО «Автодеталь-Сервис» входит в состав Ульяновской Холдинговой компании «AMS-GROUP». Став стратегическим партнёром завода, «AMS-GROUP» помогает предприятию реализовывать новые производственные программы, осуществлять масштабные инвестиционные проекты, в том числе совместные с ZF Lenksysteme (Германия) проекты по производству гидроусилителей к автомобилям ГАЗ, УАЗ.
Основная продукция завода — это элементы трансмиссии 4WD: коробки перемены передач, гидроусилители, карданные валы, тормоза в сборе, наконечники, крестовины, рулевые тяги и многое др. Вся продукция поставляется, в основном, в фирменной упаковке с голограммой.
Продукция ульяновского предприятия ОАО «Автодеталь-Сервис» отличается высоким качеством и соответствует европейским стандартам. Доказательство тому — завоевание дипломов и наград ОАО «Автодеталь-Сервис» на различных промышленных выставках, проходящих как в России, так и за рубежом.
С 2004 г. на предприятии действует система менеджмента качества ИСО 9001 — 2001.
История:
- Совет Народных Комиссаров СССР постановлением от 7 мая № 515 обязал Ульяновский облисполком и Наркомзем СССР организовать до 01.07.1944 г. на базе Ульяновской машинотракторной мастерской и машинотракторной станции Ульяновский мотороремонтный завод (МРЗ).
- В 1946 г. на МРЗ было организовано литейное производство. Вслед за этим из разрозненных механических участков было организовано два механических цеха: один — для изготовления деталей и ремонта двигателей тракторов и автомобилей, другой — для изготовления запчастей к комбайнам и другим сельхозмашинам.
- В 1949 г. на заводе организован ремонтно-механический участок для капитального ремонта металлорежущего оборудования. Руководство завода продолжает развивать производство и расширяет сферу услуг. В 1951 г. начинается производство съёмников для ремонта грузовых автомобилей и УМРЗ переименовывается в Ульяновский ремонтный завод (УРЗ).
- Продолжая производить продукцию для ремонта сельхозтехники, завод осваивает новые технологии и изделия. В 1956—1957 гг. освоено производство шланговых насосов для водоснабжения животноводческих ферм, масляных насосов к тракторам и кокильное литьё. Последнее было освоено первыми среди предприятий Ульяновской области. 30 декабря 1958 г. постановлением Совета Народного Хозяйства Ульяновского Административного района предприятие стало именоваться Ульяновским заводом «Автозапчасть».
- Начиная с 1959 г. завод «Автозапчасть» перепрофилируется на производство запасных частей к автомобилям ГАЗ. В 1965 г. Ульяновский завод «Автозапчасть» перешёл в подчинение Главного управления автозапчастей Минавтопрома СССР и с 1966 г. начинает производить запасные части на автомобили ГАЗ, а в дальнейшем — на УАЗ. Расширяется номенклатура изделий: карданные валы различных модификаций, раздаточные коробки, коробки перемены передач и шин транспортных средств и др.
- В 1972 г. завод «Автозапчасть» введен в производственное объединение АвтоУАЗ и в состав Главного Управления по производству легковых автомобилей и автобусов Минавтопрома СССР. С этого времени «Автозапчасть» становится одним из основных поставщиков УАЗа, которым является и в настоящее время. Приоритетными направлениями поставок на конвейер Ульяновского автозавода являются: коробки перемены передач, элементы трансмиссии, тормоза в сборе, наконечники, крестовины, рулевые тяги и др.
- 21 октября 1992 г. Комитет по управлению имуществом Ульяновской области своим распоряжением преобразовал уже государственное предприятие Ульяновский завод «Автозапчасть» в АО «Автодеталь-Сервис», а с 2002 г. наше предприятие выступает на рынке запасных частей и агрегатов для автомобильного транспорта как ОАО «Автодеталь-Сервис». Производственная политика предприятия нацелена на кооперацию с мировыми производителями, разработку новых технологичных продуктов, выход на сборочные линии иностранных площадок.
- В 2007 г. ОАО «Автодеталь-Сервис» приступило к реализации проекта по производству и продаже автокомпонентов ГАЗ, ВАЗ, УАЗ под торговой маркой EXPERT. В настоящее время номенклатурная линейка состоит из амортизаторов, цилиндров, шаровых опор, тормозных дисков, тормозных колодок, ШРУСов и других запасных частей для автомобилей российского производства.
ОАО «Автодеталь-Сервис» более 60 лет производит высококачественные запасные части для автомобилей УАЗ, зарекомендовав себя как надёжный партнёр российского автопрома и один из основных поставщиков Ульяновского автомобильного завода.
ОАО «Автодеталь-Сервис» ориентировано на дальнейшее плотное сотрудничество с ОАО «УАЗ», а главное — на расширение вторичного рынка. В связи с этим приоритетным направлением в производственной деятельности предприятия остается получение прибыли от сотрудничества предприятия с ОАО «УАЗ» при налаживании производства новых видов продукции.
ОАО «Автодеталь-Сервис» входит в состав Ульяновской Холдинговой компании «AMS-GROUP». Став стратегическим партнёром завода, «AMS-GROUP» помогает предприятию реализовывать новые производственные программы, осуществлять масштабные инвестиционные проекты, в том числе совместные с ZF Lenksysteme (Германия) проекты по производству гидроусилителей к автомобилям ГАЗ, УАЗ.
Основная продукция завода — это элементы трансмиссии 4WD: коробки перемены передач, гидроусилители, карданные валы, тормоза в сборе, наконечники, крестовины, рулевые тяги и многое др. Вся продукция поставляется, в основном, в фирменной упаковке с голограммой.
Продукция ульяновского предприятия ОАО «Автодеталь-Сервис» отличается высоким качеством и соответствует европейским стандартам. Доказательство тому — завоевание дипломов и наград ОАО «Автодеталь-Сервис» на различных промышленных выставках, проходящих как в России, так и за рубежом.
С 2004 г. на предприятии действует система менеджмента качества ИСО 9001 — 2001.
История:
- Совет Народных Комиссаров СССР постановлением от 7 мая № 515 обязал Ульяновский облисполком и Наркомзем СССР организовать до 01.07.1944 г. на базе Ульяновской машинотракторной мастерской и машинотракторной станции Ульяновский мотороремонтный завод (МРЗ).
- В 1946 г. на МРЗ было организовано литейное производство. Вслед за этим из разрозненных механических участков было организовано два механических цеха: один — для изготовления деталей и ремонта двигателей тракторов и автомобилей, другой — для изготовления запчастей к комбайнам и другим сельхозмашинам.
- В 1949 г. на заводе организован ремонтно-механический участок для капитального ремонта металлорежущего оборудования. Руководство завода продолжает развивать производство и расширяет сферу услуг. В 1951 г. начинается производство съёмников для ремонта грузовых автомобилей и УМРЗ переименовывается в Ульяновский ремонтный завод (УРЗ).
- Продолжая производить продукцию для ремонта сельхозтехники, завод осваивает новые технологии и изделия. В 1956—1957 гг. освоено производство шланговых насосов для водоснабжения животноводческих ферм, масляных насосов к тракторам и кокильное литьё. Последнее было освоено первыми среди предприятий Ульяновской области. 30 декабря 1958 г. постановлением Совета Народного Хозяйства Ульяновского Административного района предприятие стало именоваться Ульяновским заводом «Автозапчасть».
- Начиная с 1959 г. завод «Автозапчасть» перепрофилируется на производство запасных частей к автомобилям ГАЗ. В 1965 г. Ульяновский завод «Автозапчасть» перешёл в подчинение Главного управления автозапчастей Минавтопрома СССР и с 1966 г. начинает производить запасные части на автомобили ГАЗ, а в дальнейшем — на УАЗ. Расширяется номенклатура изделий: карданные валы различных модификаций, раздаточные коробки, коробки перемены передач и шин транспортных средств и др.
- В 1972 г. завод «Автозапчасть» введен в производственное объединение АвтоУАЗ и в состав Главного Управления по производству легковых автомобилей и автобусов Минавтопрома СССР. С этого времени «Автозапчасть» становится одним из основных поставщиков УАЗа, которым является и в настоящее время. Приоритетными направлениями поставок на конвейер Ульяновского автозавода являются: коробки перемены передач, элементы трансмиссии, тормоза в сборе, наконечники, крестовины, рулевые тяги и др.
- 21 октября 1992 г. Комитет по управлению имуществом Ульяновской области своим распоряжением преобразовал уже государственное предприятие Ульяновский завод «Автозапчасть» в АО «Автодеталь-Сервис», а с 2002 г. наше предприятие выступает на рынке запасных частей и агрегатов для автомобильного транспорта как ОАО «Автодеталь-Сервис». Производственная политика предприятия нацелена на кооперацию с мировыми производителями, разработку новых технологичных продуктов, выход на сборочные линии иностранных площадок.
- В 2007 г. ОАО «Автодеталь-Сервис» приступило к реализации проекта по производству и продаже автокомпонентов ГАЗ, ВАЗ, УАЗ под торговой маркой EXPERT. В настоящее время номенклатурная линейка состоит из амортизаторов, цилиндров, шаровых опор, тормозных дисков, тормозных колодок, ШРУСов и других запасных частей для автомобилей российского производства.
ОАО «Автодеталь-Сервис» более 60 лет производит высококачественные запасные части для автомобилей УАЗ, зарекомендовав себя как надёжный партнёр российского автопрома и один из основных поставщиков Ульяновского автомобильного завода.
ОАО «Автодеталь-Сервис» ориентировано на дальнейшее плотное сотрудничество с ОАО «УАЗ», а главное — на расширение вторичного рынка. В связи с этим приоритетным направлением в производственной деятельности предприятия остается получение прибыли от сотрудничества предприятия с ОАО «УАЗ» при налаживании производства новых видов продукции.
ОАО «Автодеталь-Сервис» входит в состав Ульяновской Холдинговой компании «AMS-GROUP». Став стратегическим партнёром завода, «AMS-GROUP» помогает предприятию реализовывать новые производственные программы, осуществлять масштабные инвестиционные проекты, в том числе совместные с ZF Lenksysteme (Германия) проекты по производству гидроусилителей к автомобилям ГАЗ, УАЗ.
Основная продукция завода — это элементы трансмиссии 4WD: коробки перемены передач, гидроусилители, карданные валы, тормоза в сборе, наконечники, крестовины, рулевые тяги и многое др. Вся продукция поставляется, в основном, в фирменной упаковке с голограммой.
Продукция ульяновского предприятия ОАО «Автодеталь-Сервис» отличается высоким качеством и соответствует европейским стандартам. Доказательство тому — завоевание дипломов и наград ОАО «Автодеталь-Сервис» на различных промышленных выставках, проходящих как в России, так и за рубежом.
С 2004 г. на предприятии действует система менеджмента качества ИСО 9001 — 2001.
История:
- Совет Народных Комиссаров СССР постановлением от 7 мая № 515 обязал Ульяновский облисполком и Наркомзем СССР организовать до 01.07.1944 г. на базе Ульяновской машинотракторной мастерской и машинотракторной станции Ульяновский мотороремонтный завод (МРЗ).
- В 1946 г. на МРЗ было организовано литейное производство. Вслед за этим из разрозненных механических участков было организовано два механических цеха: один — для изготовления деталей и ремонта двигателей тракторов и автомобилей, другой — для изготовления запчастей к комбайнам и другим сельхозмашинам.
- В 1949 г. на заводе организован ремонтно-механический участок для капитального ремонта металлорежущего оборудования. Руководство завода продолжает развивать производство и расширяет сферу услуг. В 1951 г. начинается производство съёмников для ремонта грузовых автомобилей и УМРЗ переименовывается в Ульяновский ремонтный завод (УРЗ).
- Продолжая производить продукцию для ремонта сельхозтехники, завод осваивает новые технологии и изделия. В 1956—1957 гг. освоено производство шланговых насосов для водоснабжения животноводческих ферм, масляных насосов к тракторам и кокильное литьё. Последнее было освоено первыми среди предприятий Ульяновской области. 30 декабря 1958 г. постановлением Совета Народного Хозяйства Ульяновского Административного района предприятие стало именоваться Ульяновским заводом «Автозапчасть».
- Начиная с 1959 г. завод «Автозапчасть» перепрофилируется на производство запасных частей к автомобилям ГАЗ. В 1965 г. Ульяновский завод «Автозапчасть» перешёл в подчинение Главного управления автозапчастей Минавтопрома СССР и с 1966 г. начинает производить запасные части на автомобили ГАЗ, а в дальнейшем — на УАЗ. Расширяется номенклатура изделий: карданные валы различных модификаций, раздаточные коробки, коробки перемены передач и шин транспортных средств и др.
- В 1972 г. завод «Автозапчасть» введен в производственное объединение АвтоУАЗ и в состав Главного Управления по производству легковых автомобилей и автобусов Минавтопрома СССР. С этого времени «Автозапчасть» становится одним из основных поставщиков УАЗа, которым является и в настоящее время. Приоритетными направлениями поставок на конвейер Ульяновского автозавода являются: коробки перемены передач, элементы трансмиссии, тормоза в сборе, наконечники, крестовины, рулевые тяги и др.
- 21 октября 1992 г. Комитет по управлению имуществом Ульяновской области своим распоряжением преобразовал уже государственное предприятие Ульяновский завод «Автозапчасть» в АО «Автодеталь-Сервис», а с 2002 г. наше предприятие выступает на рынке запасных частей и агрегатов для автомобильного транспорта как ОАО «Автодеталь-Сервис». Производственная политика предприятия нацелена на кооперацию с мировыми производителями, разработку новых технологичных продуктов, выход на сборочные линии иностранных площадок.
- В 2007 г. ОАО «Автодеталь-Сервис» приступило к реализации проекта по производству и продаже автокомпонентов ГАЗ, ВАЗ, УАЗ под торговой маркой EXPERT. В настоящее время номенклатурная линейка состоит из амортизаторов, цилиндров, шаровых опор, тормозных дисков, тормозных колодок, ШРУСов и других запасных частей для автомобилей российского производства.
ОАО «Автодеталь-Сервис» более 60 лет производит высококачественные запасные части для автомобилей УАЗ, зарекомендовав себя как надёжный партнёр российского автопрома и один из основных поставщиков Ульяновского автомобильного завода.
ОАО «Автодеталь-Сервис» ориентировано на дальнейшее плотное сотрудничество с ОАО «УАЗ», а главное — на расширение вторичного рынка. В связи с этим приоритетным направлением в производственной деятельности предприятия остается получение прибыли от сотрудничества предприятия с ОАО «УАЗ» при налаживании производства новых видов продукции.
ОАО «Автодеталь-Сервис» входит в состав Ульяновской Холдинговой компании «AMS-GROUP». Став стратегическим партнёром завода, «AMS-GROUP» помогает предприятию реализовывать новые производственные программы, осуществлять масштабные инвестиционные проекты, в том числе совместные с ZF Lenksysteme (Германия) проекты по производству гидроусилителей к автомобилям ГАЗ, УАЗ.
Основная продукция завода — это элементы трансмиссии 4WD: коробки перемены передач, гидроусилители, карданные валы, тормоза в сборе, наконечники, крестовины, рулевые тяги и многое др. Вся продукция поставляется, в основном, в фирменной упаковке с голограммой.
Продукция ульяновского предприятия ОАО «Автодеталь-Сервис» отличается высоким качеством и соответствует европейским стандартам. Доказательство тому — завоевание дипломов и наград ОАО «Автодеталь-Сервис» на различных промышленных выставках, проходящих как в России, так и за рубежом.
С 2004 г. на предприятии действует система менеджмента качества ИСО 9001 — 2001.
История:
- Совет Народных Комиссаров СССР постановлением от 7 мая № 515 обязал Ульяновский облисполком и Наркомзем СССР организовать до 01.07.1944 г. на базе Ульяновской машинотракторной мастерской и машинотракторной станции Ульяновский мотороремонтный завод (МРЗ).
- В 1946 г. на МРЗ было организовано литейное производство. Вслед за этим из разрозненных механических участков было организовано два механических цеха: один — для изготовления деталей и ремонта двигателей тракторов и автомобилей, другой — для изготовления запчастей к комбайнам и другим сельхозмашинам.
- В 1949 г. на заводе организован ремонтно-механический участок для капитального ремонта металлорежущего оборудования. Руководство завода продолжает развивать производство и расширяет сферу услуг. В 1951 г. начинается производство съёмников для ремонта грузовых автомобилей и УМРЗ переименовывается в Ульяновский ремонтный завод (УРЗ).
- Продолжая производить продукцию для ремонта сельхозтехники, завод осваивает новые технологии и изделия. В 1956—1957 гг. освоено производство шланговых насосов для водоснабжения животноводческих ферм, масляных насосов к тракторам и кокильное литьё. Последнее было освоено первыми среди предприятий Ульяновской области. 30 декабря 1958 г. постановлением Совета Народного Хозяйства Ульяновского Административного района предприятие стало именоваться Ульяновским заводом «Автозапчасть».
- Начиная с 1959 г. завод «Автозапчасть» перепрофилируется на производство запасных частей к автомобилям ГАЗ. В 1965 г. Ульяновский завод «Автозапчасть» перешёл в подчинение Главного управления автозапчастей Минавтопрома СССР и с 1966 г. начинает производить запасные части на автомобили ГАЗ, а в дальнейшем — на УАЗ. Расширяется номенклатура изделий: карданные валы различных модификаций, раздаточные коробки, коробки перемены передач и шин транспортных средств и др.
- В 1972 г. завод «Автозапчасть» введен в производственное объединение АвтоУАЗ и в состав Главного Управления по производству легковых автомобилей и автобусов Минавтопрома СССР. С этого времени «Автозапчасть» становится одним из основных поставщиков УАЗа, которым является и в настоящее время. Приоритетными направлениями поставок на конвейер Ульяновского автозавода являются: коробки перемены передач, элементы трансмиссии, тормоза в сборе, наконечники, крестовины, рулевые тяги и др.
- 21 октября 1992 г. Комитет по управлению имуществом Ульяновской области своим распоряжением преобразовал уже государственное предприятие Ульяновский завод «Автозапчасть» в АО «Автодеталь-Сервис», а с 2002 г. наше предприятие выступает на рынке запасных частей и агрегатов для автомобильного транспорта как ОАО «Автодеталь-Сервис». Производственная политика предприятия нацелена на кооперацию с мировыми производителями, разработку новых технологичных продуктов, выход на сборочные линии иностранных площадок.
- В 2007 г. ОАО «Автодеталь-Сервис» приступило к реализации проекта по производству и продаже автокомпонентов ГАЗ, ВАЗ, УАЗ под торговой маркой EXPERT. В настоящее время номенклатурная линейка состоит из амортизаторов, цилиндров, шаровых опор, тормозных дисков, тормозных колодок, ШРУСов и других запасных частей для автомобилей российского производства.
Компания "Русский Двигатель" была основана в 2005 году в Ярославле и почти сразу завоевала доверие со стороны производителей двигателей. Предприятие имеет собственное производство и выпускает более 300 видов прокладок и 150 видов ремкомплектов на обширном станочном парке. Для создания прокладок «Русский двигатель» использует паронит заводского изготовления, а так же занимается индивидуальной разработкой штампов и запуском новых товаров. Компания является поставщиком паронитовых прокладок на конвейеры Ярославского Моторного Завода (Автодизель), ЯрДизель Аппаратуры, ОАО "Карачаевский механический завод", Ногинского завода топливной аппаратуры, Тутаевского Моторного Завода, Ярославского Завода Топливной Аппаратуры.
На складах : 69 шт.
Компания "Русский Двигатель" была основана в 2005 году в Ярославле и почти сразу завоевала доверие со стороны производителей двигателей. Предприятие имеет собственное производство и выпускает более 300 видов прокладок и 150 видов ремкомплектов на обширном станочном парке. Для создания прокладок «Русский двигатель» использует паронит заводского изготовления, а так же занимается индивидуальной разработкой штампов и запуском новых товаров. Компания является поставщиком паронитовых прокладок на конвейеры Ярославского Моторного Завода (Автодизель), ЯрДизель Аппаратуры, ОАО "Карачаевский механический завод", Ногинского завода топливной аппаратуры, Тутаевского Моторного Завода, Ярославского Завода Топливной Аппаратуры.
G-PART - это стремительно растущий производитель автозапчастей, который реализует высококачественные компоненты для автомобилей в России и странах СНГ. Компания предлагает широкий ассортимент запчастей для различных автомобильных марок, включая как оригинальные, так и аналоговые детали.
Одним из главных преимуществ G-PART является прочность их изделий. Они производят запчасти в соответствии с высокими стандартами качества, что обеспечивает надежность и долговечность их компонентов.
Бренд также известен применением инновационных технологий в ходе производственного цикла. Это позволяет создавать нестандартные решения в сфере автозапчастей, тем не менее, отвечающие современным требованиям автомобильной отрасли, даже самым строгим. Команда специалистов G-PART регулярно пробует технологические новинки и материалы, чтобы улучшить производительность, износостойкость и стабильность создаваемых запасных частей.
Компания гарантирует превосходные эксплуатационные характеристики, в силу того, что каждый из реализуемых товаров предварительно тестируется в специальных условиях, а также проходит обязательную сертификацию. Особое внимание к точности выпускаемой продукции давно оценили потребители. Безопасность, сочетаемая с низким уровнем поломок, делают G-PART одним из наиболее востребованных производителей запчастей и компонентов, в том числе и на российском рынке.
Ассортимент:
- Фильтры (воздушные, масляные, топливные, салонные)
- Тормозные колодки
- Тормозные диски
- Шаровые опоры и сайлентблоки
- Ремни ГРМ
- Свечи зажигания
- Катушки зажигания
- Радиаторы и системы охлаждения
- Ступичные подшипники
- Колодки и тросы ручного тормоза
- Рычаги подвески
- Шланги и трубки тормозной системы
- Расходные материалы (жидкости, масла, антифризы)
На складах : 17 шт.
G-PART - это стремительно растущий производитель автозапчастей, который реализует высококачественные компоненты для автомобилей в России и странах СНГ. Компания предлагает широкий ассортимент запчастей для различных автомобильных марок, включая как оригинальные, так и аналоговые детали.
Одним из главных преимуществ G-PART является прочность их изделий. Они производят запчасти в соответствии с высокими стандартами качества, что обеспечивает надежность и долговечность их компонентов.
Бренд также известен применением инновационных технологий в ходе производственного цикла. Это позволяет создавать нестандартные решения в сфере автозапчастей, тем не менее, отвечающие современным требованиям автомобильной отрасли, даже самым строгим. Команда специалистов G-PART регулярно пробует технологические новинки и материалы, чтобы улучшить производительность, износостойкость и стабильность создаваемых запасных частей.
Компания гарантирует превосходные эксплуатационные характеристики, в силу того, что каждый из реализуемых товаров предварительно тестируется в специальных условиях, а также проходит обязательную сертификацию. Особое внимание к точности выпускаемой продукции давно оценили потребители. Безопасность, сочетаемая с низким уровнем поломок, делают G-PART одним из наиболее востребованных производителей запчастей и компонентов, в том числе и на российском рынке.
Ассортимент:
- Фильтры (воздушные, масляные, топливные, салонные)
- Тормозные колодки
- Тормозные диски
- Шаровые опоры и сайлентблоки
- Ремни ГРМ
- Свечи зажигания
- Катушки зажигания
- Радиаторы и системы охлаждения
- Ступичные подшипники
- Колодки и тросы ручного тормоза
- Рычаги подвески
- Шланги и трубки тормозной системы
- Расходные материалы (жидкости, масла, антифризы)
MEGAPOWER Automotive – бренд с почти 30-летней историей.
История производства автомобильных компонентов MEGAPOWER Automotive началась в 1995 году. Бренд MEGAPOWER Automotive стал одним из первых на рынке, кто предложил автомобилистам светодиодные лампы в качестве достойной и технологичной альтернативы традиционным лампочкам накаливания. На протяжении второй половины 90-х и начала 2000х годов к ассортименту выпускаемой MEGAPOWER продукции добавились компрессоры для шин, безотказно работающие при любой погоде и обстоятельствах, щетки стеклоочистителя для широкой гаммы легковых и грузовых автомобилей, гидравлические домкраты грузоподъемностью до 50-ти тонн, надежные буксировочные тросы, зарядные устройства, стяжки груза и многое другое.
Важная особенность MEGAPOWER Automotive – поступательное развитие и внимание к деталям. Сочетание высоких технических характеристик, практичность и разумные цены сделали продукцию MEGAPOWER крайне востребованной как опытными водителями, так и сотрудниками сервисных центров.
В начале 2010-х MEGAPOWER Automotive перешел к новому этапу своего развития. Существенно расширился ассортименти и параллельно был запущен проект по выходу на смежный рынок автомобильных запчастей. С этого момента компания разделила 2 своих направления: автотовары, светотехнику и аксессуары продолжили выпускать с исходным красным логотипом, а для автомобильных запчастей была разработана обновленная стилистика оформления, упаковки и черно-голубой логотип.
Абсолютно все запасные части MEGAPOWER Automotive перед тем как попасть к конечному потребителю проверяются на 4х независимых этапах: проверка качества сырья перед началом производственного цикла, постоянный контроль всех параметров технологического процесса, осмотр и контроль изготовленных деталей перед упаковкой, выборочные испытания деталей из каждой партии на специализированных стендах. Запчасти MEGAPOWER имеют расширенную гарантию до 2 лет.
Основу предложения запасных частей MEGAPOWER Automotive составили высококачественные детали для грузовиков, малотоннажного транспорта, а с 2022 года и легковых автомобилей. Сегодня бренд выпускает запчасти двигателя и трансмиссии, подвески и ходовой части, тормозной и рулевой систем, электрооборудование и многое другое.
Продолжая свое развитие, MEGAPOWER Automotive совершенствует технологии, расширяет ассортимент, активно взаимодействует с потребителями продукции, улучшая текущие товары и разрабатывая новые.
Преимущества бренда:
- постоянное расширение ассортимента;
- двухлетняя гарантия качества продукции (1 год на турбокомпрессоры и автотовары);
- более 3500 позиций для грузовых и легковых автомобилей;
- крупносерийное производство;
- квалифицированные специалисты в области инженерных разработок;
MEGAPOWER Automotive – бренд с почти 30-летней историей.
История производства автомобильных компонентов MEGAPOWER Automotive началась в 1995 году. Бренд MEGAPOWER Automotive стал одним из первых на рынке, кто предложил автомобилистам светодиодные лампы в качестве достойной и технологичной альтернативы традиционным лампочкам накаливания. На протяжении второй половины 90-х и начала 2000х годов к ассортименту выпускаемой MEGAPOWER продукции добавились компрессоры для шин, безотказно работающие при любой погоде и обстоятельствах, щетки стеклоочистителя для широкой гаммы легковых и грузовых автомобилей, гидравлические домкраты грузоподъемностью до 50-ти тонн, надежные буксировочные тросы, зарядные устройства, стяжки груза и многое другое.
Важная особенность MEGAPOWER Automotive – поступательное развитие и внимание к деталям. Сочетание высоких технических характеристик, практичность и разумные цены сделали продукцию MEGAPOWER крайне востребованной как опытными водителями, так и сотрудниками сервисных центров.
В начале 2010-х MEGAPOWER Automotive перешел к новому этапу своего развития. Существенно расширился ассортименти и параллельно был запущен проект по выходу на смежный рынок автомобильных запчастей. С этого момента компания разделила 2 своих направления: автотовары, светотехнику и аксессуары продолжили выпускать с исходным красным логотипом, а для автомобильных запчастей была разработана обновленная стилистика оформления, упаковки и черно-голубой логотип.
Абсолютно все запасные части MEGAPOWER Automotive перед тем как попасть к конечному потребителю проверяются на 4х независимых этапах: проверка качества сырья перед началом производственного цикла, постоянный контроль всех параметров технологического процесса, осмотр и контроль изготовленных деталей перед упаковкой, выборочные испытания деталей из каждой партии на специализированных стендах. Запчасти MEGAPOWER имеют расширенную гарантию до 2 лет.
Основу предложения запасных частей MEGAPOWER Automotive составили высококачественные детали для грузовиков, малотоннажного транспорта, а с 2022 года и легковых автомобилей. Сегодня бренд выпускает запчасти двигателя и трансмиссии, подвески и ходовой части, тормозной и рулевой систем, электрооборудование и многое другое.
Продолжая свое развитие, MEGAPOWER Automotive совершенствует технологии, расширяет ассортимент, активно взаимодействует с потребителями продукции, улучшая текущие товары и разрабатывая новые.
Преимущества бренда:
- постоянное расширение ассортимента;
- двухлетняя гарантия качества продукции (1 год на турбокомпрессоры и автотовары);
- более 3500 позиций для грузовых и легковых автомобилей;
- крупносерийное производство;
- квалифицированные специалисты в области инженерных разработок;
УАЗ (Ульяновский автомобильный завод) - российский бренд, производящий внедорожники общего назначения и коммерческие автомобили. Компания была основана в 1941 году и с тех пор стала одним из крупнейших автопроизводителей в России. УАЗ известен своими прочными и надежными автомобилями, которые предназначены для работы на пересеченной местности и в суровых погодных условиях.
Одним из самых культовых автомобилей УАЗ является УАЗ-469, который был представлен в 1971 году и стал стандартной военной машиной для Советского Союза и его союзников. УАЗ-469 получил высокую оценку за его долговечность, внедорожные возможности и простоту обслуживания, и он остается популярным автомобилем в России и других странах.
Сегодня УАЗ производит целый ряд транспортных средств, которые используются как в гражданских, так и в коммерческих целях. Его модельный ряд включает внедорожники Patriot, Hunter и Pickup, а также коммерческие автомобили Profi и Cargo. Эти транспортные средства предназначены для работы в сложных условиях и на пересеченной местности, что делает их популярными среди фермеров, охотников и любителей бездорожья.
Бренд UAZ известен своей прочностью, надежностью и утилитарным дизайном. Его транспортные средства хорошо подходят для тех, кому необходимо ориентироваться на сложной местности или работать в суровых условиях.
УАЗ (Ульяновский автомобильный завод) - российский бренд, производящий внедорожники общего назначения и коммерческие автомобили. Компания была основана в 1941 году и с тех пор стала одним из крупнейших автопроизводителей в России. УАЗ известен своими прочными и надежными автомобилями, которые предназначены для работы на пересеченной местности и в суровых погодных условиях.
Одним из самых культовых автомобилей УАЗ является УАЗ-469, который был представлен в 1971 году и стал стандартной военной машиной для Советского Союза и его союзников. УАЗ-469 получил высокую оценку за его долговечность, внедорожные возможности и простоту обслуживания, и он остается популярным автомобилем в России и других странах.
Сегодня УАЗ производит целый ряд транспортных средств, которые используются как в гражданских, так и в коммерческих целях. Его модельный ряд включает внедорожники Patriot, Hunter и Pickup, а также коммерческие автомобили Profi и Cargo. Эти транспортные средства предназначены для работы в сложных условиях и на пересеченной местности, что делает их популярными среди фермеров, охотников и любителей бездорожья.
Бренд UAZ известен своей прочностью, надежностью и утилитарным дизайном. Его транспортные средства хорошо подходят для тех, кому необходимо ориентироваться на сложной местности или работать в суровых условиях.
ОАО «Заволжский моторный завод» входит в компанию ОАО «СОЛЛЕРС». Дата образования ЗМЗ – 17 апреля 1958 года. Содружество компаний "АвтоАльянс" в лице компании "Мега-Арсенал" является официальным дилером "Торговый дом СОЛЛЕРС" и предлагает к продаже оригинальные запчасти и агрегаты ЗМЗ. Основное назначение завода: Производство двигателей внутреннего сгорания рабочим объемом от 2, 2 л до 4,67 л. Предприятие выпускает свыше 80 модификаций двигателей для автомобилей и автобусов трех автомобильных компаний России – ОАО «УАЗ», ОАО «ГАЗ», ОАО «Павловский автобус». ОАО «ЗМЗ» также производит запасные части к выпускаемым двигателям. География поставок продукции ОАО "ЗМЗ" - Россия, Германия, страны СНГ, Юго-Восточной Азии и Латинской Америки. За свою историю Заволжский моторный завод выпустил более 14 000 000 двигателей всех модификаций. C января 2008 года на ЗМЗ ведется массовое промышленное производство соответствующих требованиям экологического класса «Евро-3» 4-цилиндровых бензиновых двигателей семейства ЗМЗ-406 рабочим объемом 2,5 и 2,7 л для малотоннажных коммерческих автомобилей и микроавтобусов ОАО «ГАЗ» и автомобилей повышенной проходимости ОАО «УАЗ», дизельных ЗМЗ-5143 рабочим объемом 2,2 л для внедорожников «UAZ-Hunter» Ульяновского автозавода и бензиновых 8-цилиндровых V-образных двигателей для грузовых автомобилей средней грузоподъемности ОАО «ГАЗ» и автобусов типа ПАЗ-3207 производства ОАО «Павловский автобус». С ноября 2005 г, на предприятии ведется промышленный выпуск малолитражного дизельного двигателя ЗМЗ-5143 (2,2л) для автомобилей «UAZ-Hunter» ОАО «УАЗ» и реализации на вторичном рынке по заказам сторонних организаций. В 2009 г. ОАО «ЗМЗ» совместно с УАЗом и Минобороны проведены типовые испытания военной модификации автомобиля «Hunter» c дизельным двигателем ЗМЗ -5143. Дизельный двигатель ЗМЗ-5143 принят на комплектацию военных внедорожников. Поставки дизелей ЗМЗ для Минобороны начаты в 2009 году. За период с начала производства и с учетом итогов 2009 года ОАО «ЗМЗ» поставило своим потребителям более 12 600 дизельных двигателей ЗМЗ-5143. В 2009 года ОАО «ЗМЗ» выдан новый Аттестат аккредитации испытательного Центра «Мотор», входящего в структуру управления главного конструктора предприятия, на техническую компетентность в системе сертификации ГОСТ Р и международного стандарта ИСО сроком действия до 2014 года. Данный документ дает право центру «Мотор» проводить сертификационные испытания продукции автомобилестроения, в частности, бензиновых и дизельных двигателей, узлов и комплектующих к ним, причем как отечественных, так и зарубежных автопроизводителей. Система менеджмента ОАО «ЗМЗ» сертифицирована «TUV –CERT» (Германия) и «Русским Регистром» (Россия) на соответствие требованиям международных стандартов ISO 9001 (2000) и стандарта ГОСТ Р ИСО 9001-2008. В 2009 г. ОАО «ЗМЗ» с положительным результатом прошло основной сертификационный аудит системы менеджмента организации (СМО) на соответствие требованиям международного автомобильного стандарта ISO/TS 16 949 версии 2009 года. В 2009 году на ЗМЗ были продолжены НИОКР по дизельным двигателям ЗМЗ-51432 с системой топливоподачи Common Rail (CR) с целью выполнения ими в составе автомобилей ОАО «УАЗ» экологических норм «Евро-3» и «Евро-4». Велась разработка битопливного двигателя для применения в составе автомобилей УАЗ и автомобилей класса LCV. Продолжены работы с компанией «FIAT—AUTO» по адаптации двигателя ЗМЗ рабочим объемом 2,5 л в автомобиль «Fiat Ducato». В рамках госконтракта разработана конструкторская документация, изготовлены два оригинальных образца спецдвигателей - бензиновый вариант (2.5 л) и дизельный (2,24 л) для комбинированных энергетических установок автобусов типа «ЛиАЗ» и «ПАЗ». ОАО «ЗМЗ» с 2003 года планомерно ведет работу по созданию собственной производственной системы на основе внедрения элементов Toyota Production System (TPS), направленной на совершенствование организации производства, улучшения качества и снижения затрат.
ОАО «Заволжский моторный завод» входит в компанию ОАО «СОЛЛЕРС». Дата образования ЗМЗ – 17 апреля 1958 года. Содружество компаний "АвтоАльянс" в лице компании "Мега-Арсенал" является официальным дилером "Торговый дом СОЛЛЕРС" и предлагает к продаже оригинальные запчасти и агрегаты ЗМЗ. Основное назначение завода: Производство двигателей внутреннего сгорания рабочим объемом от 2, 2 л до 4,67 л. Предприятие выпускает свыше 80 модификаций двигателей для автомобилей и автобусов трех автомобильных компаний России – ОАО «УАЗ», ОАО «ГАЗ», ОАО «Павловский автобус». ОАО «ЗМЗ» также производит запасные части к выпускаемым двигателям. География поставок продукции ОАО "ЗМЗ" - Россия, Германия, страны СНГ, Юго-Восточной Азии и Латинской Америки. За свою историю Заволжский моторный завод выпустил более 14 000 000 двигателей всех модификаций. C января 2008 года на ЗМЗ ведется массовое промышленное производство соответствующих требованиям экологического класса «Евро-3» 4-цилиндровых бензиновых двигателей семейства ЗМЗ-406 рабочим объемом 2,5 и 2,7 л для малотоннажных коммерческих автомобилей и микроавтобусов ОАО «ГАЗ» и автомобилей повышенной проходимости ОАО «УАЗ», дизельных ЗМЗ-5143 рабочим объемом 2,2 л для внедорожников «UAZ-Hunter» Ульяновского автозавода и бензиновых 8-цилиндровых V-образных двигателей для грузовых автомобилей средней грузоподъемности ОАО «ГАЗ» и автобусов типа ПАЗ-3207 производства ОАО «Павловский автобус». С ноября 2005 г, на предприятии ведется промышленный выпуск малолитражного дизельного двигателя ЗМЗ-5143 (2,2л) для автомобилей «UAZ-Hunter» ОАО «УАЗ» и реализации на вторичном рынке по заказам сторонних организаций. В 2009 г. ОАО «ЗМЗ» совместно с УАЗом и Минобороны проведены типовые испытания военной модификации автомобиля «Hunter» c дизельным двигателем ЗМЗ -5143. Дизельный двигатель ЗМЗ-5143 принят на комплектацию военных внедорожников. Поставки дизелей ЗМЗ для Минобороны начаты в 2009 году. За период с начала производства и с учетом итогов 2009 года ОАО «ЗМЗ» поставило своим потребителям более 12 600 дизельных двигателей ЗМЗ-5143. В 2009 года ОАО «ЗМЗ» выдан новый Аттестат аккредитации испытательного Центра «Мотор», входящего в структуру управления главного конструктора предприятия, на техническую компетентность в системе сертификации ГОСТ Р и международного стандарта ИСО сроком действия до 2014 года. Данный документ дает право центру «Мотор» проводить сертификационные испытания продукции автомобилестроения, в частности, бензиновых и дизельных двигателей, узлов и комплектующих к ним, причем как отечественных, так и зарубежных автопроизводителей. Система менеджмента ОАО «ЗМЗ» сертифицирована «TUV –CERT» (Германия) и «Русским Регистром» (Россия) на соответствие требованиям международных стандартов ISO 9001 (2000) и стандарта ГОСТ Р ИСО 9001-2008. В 2009 г. ОАО «ЗМЗ» с положительным результатом прошло основной сертификационный аудит системы менеджмента организации (СМО) на соответствие требованиям международного автомобильного стандарта ISO/TS 16 949 версии 2009 года. В 2009 году на ЗМЗ были продолжены НИОКР по дизельным двигателям ЗМЗ-51432 с системой топливоподачи Common Rail (CR) с целью выполнения ими в составе автомобилей ОАО «УАЗ» экологических норм «Евро-3» и «Евро-4». Велась разработка битопливного двигателя для применения в составе автомобилей УАЗ и автомобилей класса LCV. Продолжены работы с компанией «FIAT—AUTO» по адаптации двигателя ЗМЗ рабочим объемом 2,5 л в автомобиль «Fiat Ducato». В рамках госконтракта разработана конструкторская документация, изготовлены два оригинальных образца спецдвигателей - бензиновый вариант (2.5 л) и дизельный (2,24 л) для комбинированных энергетических установок автобусов типа «ЛиАЗ» и «ПАЗ». ОАО «ЗМЗ» с 2003 года планомерно ведет работу по созданию собственной производственной системы на основе внедрения элементов Toyota Production System (TPS), направленной на совершенствование организации производства, улучшения качества и снижения затрат.
ОАО «Заволжский моторный завод» входит в компанию ОАО «СОЛЛЕРС». Дата образования ЗМЗ – 17 апреля 1958 года. Содружество компаний "АвтоАльянс" в лице компании "Мега-Арсенал" является официальным дилером "Торговый дом СОЛЛЕРС" и предлагает к продаже оригинальные запчасти и агрегаты ЗМЗ. Основное назначение завода: Производство двигателей внутреннего сгорания рабочим объемом от 2, 2 л до 4,67 л. Предприятие выпускает свыше 80 модификаций двигателей для автомобилей и автобусов трех автомобильных компаний России – ОАО «УАЗ», ОАО «ГАЗ», ОАО «Павловский автобус». ОАО «ЗМЗ» также производит запасные части к выпускаемым двигателям. География поставок продукции ОАО "ЗМЗ" - Россия, Германия, страны СНГ, Юго-Восточной Азии и Латинской Америки. За свою историю Заволжский моторный завод выпустил более 14 000 000 двигателей всех модификаций. C января 2008 года на ЗМЗ ведется массовое промышленное производство соответствующих требованиям экологического класса «Евро-3» 4-цилиндровых бензиновых двигателей семейства ЗМЗ-406 рабочим объемом 2,5 и 2,7 л для малотоннажных коммерческих автомобилей и микроавтобусов ОАО «ГАЗ» и автомобилей повышенной проходимости ОАО «УАЗ», дизельных ЗМЗ-5143 рабочим объемом 2,2 л для внедорожников «UAZ-Hunter» Ульяновского автозавода и бензиновых 8-цилиндровых V-образных двигателей для грузовых автомобилей средней грузоподъемности ОАО «ГАЗ» и автобусов типа ПАЗ-3207 производства ОАО «Павловский автобус». С ноября 2005 г, на предприятии ведется промышленный выпуск малолитражного дизельного двигателя ЗМЗ-5143 (2,2л) для автомобилей «UAZ-Hunter» ОАО «УАЗ» и реализации на вторичном рынке по заказам сторонних организаций. В 2009 г. ОАО «ЗМЗ» совместно с УАЗом и Минобороны проведены типовые испытания военной модификации автомобиля «Hunter» c дизельным двигателем ЗМЗ -5143. Дизельный двигатель ЗМЗ-5143 принят на комплектацию военных внедорожников. Поставки дизелей ЗМЗ для Минобороны начаты в 2009 году. За период с начала производства и с учетом итогов 2009 года ОАО «ЗМЗ» поставило своим потребителям более 12 600 дизельных двигателей ЗМЗ-5143. В 2009 года ОАО «ЗМЗ» выдан новый Аттестат аккредитации испытательного Центра «Мотор», входящего в структуру управления главного конструктора предприятия, на техническую компетентность в системе сертификации ГОСТ Р и международного стандарта ИСО сроком действия до 2014 года. Данный документ дает право центру «Мотор» проводить сертификационные испытания продукции автомобилестроения, в частности, бензиновых и дизельных двигателей, узлов и комплектующих к ним, причем как отечественных, так и зарубежных автопроизводителей. Система менеджмента ОАО «ЗМЗ» сертифицирована «TUV –CERT» (Германия) и «Русским Регистром» (Россия) на соответствие требованиям международных стандартов ISO 9001 (2000) и стандарта ГОСТ Р ИСО 9001-2008. В 2009 г. ОАО «ЗМЗ» с положительным результатом прошло основной сертификационный аудит системы менеджмента организации (СМО) на соответствие требованиям международного автомобильного стандарта ISO/TS 16 949 версии 2009 года. В 2009 году на ЗМЗ были продолжены НИОКР по дизельным двигателям ЗМЗ-51432 с системой топливоподачи Common Rail (CR) с целью выполнения ими в составе автомобилей ОАО «УАЗ» экологических норм «Евро-3» и «Евро-4». Велась разработка битопливного двигателя для применения в составе автомобилей УАЗ и автомобилей класса LCV. Продолжены работы с компанией «FIAT—AUTO» по адаптации двигателя ЗМЗ рабочим объемом 2,5 л в автомобиль «Fiat Ducato». В рамках госконтракта разработана конструкторская документация, изготовлены два оригинальных образца спецдвигателей - бензиновый вариант (2.5 л) и дизельный (2,24 л) для комбинированных энергетических установок автобусов типа «ЛиАЗ» и «ПАЗ». ОАО «ЗМЗ» с 2003 года планомерно ведет работу по созданию собственной производственной системы на основе внедрения элементов Toyota Production System (TPS), направленной на совершенствование организации производства, улучшения качества и снижения затрат.
ОАО «Заволжский моторный завод» входит в компанию ОАО «СОЛЛЕРС». Дата образования ЗМЗ – 17 апреля 1958 года. Содружество компаний "АвтоАльянс" в лице компании "Мега-Арсенал" является официальным дилером "Торговый дом СОЛЛЕРС" и предлагает к продаже оригинальные запчасти и агрегаты ЗМЗ. Основное назначение завода: Производство двигателей внутреннего сгорания рабочим объемом от 2, 2 л до 4,67 л. Предприятие выпускает свыше 80 модификаций двигателей для автомобилей и автобусов трех автомобильных компаний России – ОАО «УАЗ», ОАО «ГАЗ», ОАО «Павловский автобус». ОАО «ЗМЗ» также производит запасные части к выпускаемым двигателям. География поставок продукции ОАО "ЗМЗ" - Россия, Германия, страны СНГ, Юго-Восточной Азии и Латинской Америки. За свою историю Заволжский моторный завод выпустил более 14 000 000 двигателей всех модификаций. C января 2008 года на ЗМЗ ведется массовое промышленное производство соответствующих требованиям экологического класса «Евро-3» 4-цилиндровых бензиновых двигателей семейства ЗМЗ-406 рабочим объемом 2,5 и 2,7 л для малотоннажных коммерческих автомобилей и микроавтобусов ОАО «ГАЗ» и автомобилей повышенной проходимости ОАО «УАЗ», дизельных ЗМЗ-5143 рабочим объемом 2,2 л для внедорожников «UAZ-Hunter» Ульяновского автозавода и бензиновых 8-цилиндровых V-образных двигателей для грузовых автомобилей средней грузоподъемности ОАО «ГАЗ» и автобусов типа ПАЗ-3207 производства ОАО «Павловский автобус». С ноября 2005 г, на предприятии ведется промышленный выпуск малолитражного дизельного двигателя ЗМЗ-5143 (2,2л) для автомобилей «UAZ-Hunter» ОАО «УАЗ» и реализации на вторичном рынке по заказам сторонних организаций. В 2009 г. ОАО «ЗМЗ» совместно с УАЗом и Минобороны проведены типовые испытания военной модификации автомобиля «Hunter» c дизельным двигателем ЗМЗ -5143. Дизельный двигатель ЗМЗ-5143 принят на комплектацию военных внедорожников. Поставки дизелей ЗМЗ для Минобороны начаты в 2009 году. За период с начала производства и с учетом итогов 2009 года ОАО «ЗМЗ» поставило своим потребителям более 12 600 дизельных двигателей ЗМЗ-5143. В 2009 года ОАО «ЗМЗ» выдан новый Аттестат аккредитации испытательного Центра «Мотор», входящего в структуру управления главного конструктора предприятия, на техническую компетентность в системе сертификации ГОСТ Р и международного стандарта ИСО сроком действия до 2014 года. Данный документ дает право центру «Мотор» проводить сертификационные испытания продукции автомобилестроения, в частности, бензиновых и дизельных двигателей, узлов и комплектующих к ним, причем как отечественных, так и зарубежных автопроизводителей. Система менеджмента ОАО «ЗМЗ» сертифицирована «TUV –CERT» (Германия) и «Русским Регистром» (Россия) на соответствие требованиям международных стандартов ISO 9001 (2000) и стандарта ГОСТ Р ИСО 9001-2008. В 2009 г. ОАО «ЗМЗ» с положительным результатом прошло основной сертификационный аудит системы менеджмента организации (СМО) на соответствие требованиям международного автомобильного стандарта ISO/TS 16 949 версии 2009 года. В 2009 году на ЗМЗ были продолжены НИОКР по дизельным двигателям ЗМЗ-51432 с системой топливоподачи Common Rail (CR) с целью выполнения ими в составе автомобилей ОАО «УАЗ» экологических норм «Евро-3» и «Евро-4». Велась разработка битопливного двигателя для применения в составе автомобилей УАЗ и автомобилей класса LCV. Продолжены работы с компанией «FIAT—AUTO» по адаптации двигателя ЗМЗ рабочим объемом 2,5 л в автомобиль «Fiat Ducato». В рамках госконтракта разработана конструкторская документация, изготовлены два оригинальных образца спецдвигателей - бензиновый вариант (2.5 л) и дизельный (2,24 л) для комбинированных энергетических установок автобусов типа «ЛиАЗ» и «ПАЗ». ОАО «ЗМЗ» с 2003 года планомерно ведет работу по созданию собственной производственной системы на основе внедрения элементов Toyota Production System (TPS), направленной на совершенствование организации производства, улучшения качества и снижения затрат.
История бренда MetalPart началась в 1987 году, когда в России было создано небольшое конструкторское бюро, занимавшееся разработкой деталей и узлов для крупных машиностроительных предприятий. В те времена страна переживала бурный индустриальный подъём, и инженеры компании ставили перед собой задачу создавать надёжные компоненты для автомобилестроения и оборонной промышленности. В сложных экономических условиях 1990-х годов компания смогла адаптироваться к новым реалиям. Она наладила сотрудничество с предприятиями как в странах СНГ, так и за их пределами. При этом компания строго контролировала качество на всех этапах производства — от закупки сырья до выпуска готовой продукции.
В 2014 году компания достигла важного этапа в своём развитии: автокомпонентное направление было выделено в отдельное подразделение под брендом MetalPart. Это решение позволило сосредоточить усилия на производстве высококачественных, доступных и долговечных запчастей, которые могли бы конкурировать с зарубежными аналогами и способствовать поддержке российского автопрома. Компания использует передовые технологии и материалы, что позволяет выпускать детали с повышенной прочностью, износостойкостью и длительным сроком службы.
Сегодня MetalPart — это передовое российское предприятие с полным циклом производства, выпускающее свыше тысячи наименований автокомпонентов для автомобилей УАЗ и ГАЗ. Продукция охватывает все ключевые системы — двигатель, трансмиссию, подвеску и топливную систему. Компания осуществляет поставки не только по всей России, но и в страны Таможенного и Евразийского экономического союзов, включая Беларусь и Казахстан. Благодаря сертификации по международным стандартам ISO 9001 и ISO/TS 16949, продукция соответствует всем требованиям автомобильной промышленности и отличается высоким качеством исполнения. В ассортименте компании MetalPart представлено две серии деталей: стандартные детали, которые полностью соответствуют заводским параметрам и имеют гарантию от одного до двух лет и MetalPart PRO — детали с улучшенными характеристиками, созданные с использованием передовых материалов и дополнительных методов обработки. Они отличаются увеличенным сроком службы и расширенной гарантией до трёх лет. Такой подход позволяет компании удовлетворить потребности самых разных клиентов — от тех, кто ищет экономичные решения, до владельцев техники, нуждающихся в усиленных и максимально надёжных компонентах.
Компания MetalPart активно внедряет передовые цифровые технологии. Она использует системы виртуального моделирования, электронного проектирования и контроля качества, включая штрих-коды GS1, что обеспечивает полную прослеживаемость продукции. В будущем компания планирует развивать аддитивные технологии, автоматизировать производственные процессы и расширять ассортимент товаров. Все эти меры направлены на повышение конкурентоспособности и гибкую адаптацию к изменяющимся рыночным условиям. MetalPart не только производит автокомпоненты, но и уделяет большое внимание поддержке своих партнёров. Она проводит обучение, предоставляет консультации и оперативно решает технические проблемы. Компания регулярно участвует в профильных выставках, выпускает информационные каталоги и обучающие материалы, что способствует укреплению связей и доверия с клиентами.
За более чем тридцатилетнюю историю компания MetalPart прошла путь от небольшого конструкторского бюро до современного производителя, сочетающего опыт и инновации. Сегодня бренд остается верным своим традициям, предлагая надежные решения для российских автомобилей, которые способны выдерживать даже самые суровые условия эксплуатации.
Ассортимент:
- Детали двигателя
- Элементы топливной системы
- Детали системы охлаждения
- Сцепления
- Детали КПП и РК
- Карданные валы
- Мосты и комплектующие
- Детали подвески
- Ступицы
- Элементы рулевого управления
- комплектующие тормозной системы
- Провода высоковольтные
- Стартеры
- Стеклоочистители и привода
- Вентиляция и отопление
- Сальники
- Комплекты ремонтные и установочные
История бренда MetalPart началась в 1987 году, когда в России было создано небольшое конструкторское бюро, занимавшееся разработкой деталей и узлов для крупных машиностроительных предприятий. В те времена страна переживала бурный индустриальный подъём, и инженеры компании ставили перед собой задачу создавать надёжные компоненты для автомобилестроения и оборонной промышленности. В сложных экономических условиях 1990-х годов компания смогла адаптироваться к новым реалиям. Она наладила сотрудничество с предприятиями как в странах СНГ, так и за их пределами. При этом компания строго контролировала качество на всех этапах производства — от закупки сырья до выпуска готовой продукции.
В 2014 году компания достигла важного этапа в своём развитии: автокомпонентное направление было выделено в отдельное подразделение под брендом MetalPart. Это решение позволило сосредоточить усилия на производстве высококачественных, доступных и долговечных запчастей, которые могли бы конкурировать с зарубежными аналогами и способствовать поддержке российского автопрома. Компания использует передовые технологии и материалы, что позволяет выпускать детали с повышенной прочностью, износостойкостью и длительным сроком службы.
Сегодня MetalPart — это передовое российское предприятие с полным циклом производства, выпускающее свыше тысячи наименований автокомпонентов для автомобилей УАЗ и ГАЗ. Продукция охватывает все ключевые системы — двигатель, трансмиссию, подвеску и топливную систему. Компания осуществляет поставки не только по всей России, но и в страны Таможенного и Евразийского экономического союзов, включая Беларусь и Казахстан. Благодаря сертификации по международным стандартам ISO 9001 и ISO/TS 16949, продукция соответствует всем требованиям автомобильной промышленности и отличается высоким качеством исполнения. В ассортименте компании MetalPart представлено две серии деталей: стандартные детали, которые полностью соответствуют заводским параметрам и имеют гарантию от одного до двух лет и MetalPart PRO — детали с улучшенными характеристиками, созданные с использованием передовых материалов и дополнительных методов обработки. Они отличаются увеличенным сроком службы и расширенной гарантией до трёх лет. Такой подход позволяет компании удовлетворить потребности самых разных клиентов — от тех, кто ищет экономичные решения, до владельцев техники, нуждающихся в усиленных и максимально надёжных компонентах.
Компания MetalPart активно внедряет передовые цифровые технологии. Она использует системы виртуального моделирования, электронного проектирования и контроля качества, включая штрих-коды GS1, что обеспечивает полную прослеживаемость продукции. В будущем компания планирует развивать аддитивные технологии, автоматизировать производственные процессы и расширять ассортимент товаров. Все эти меры направлены на повышение конкурентоспособности и гибкую адаптацию к изменяющимся рыночным условиям. MetalPart не только производит автокомпоненты, но и уделяет большое внимание поддержке своих партнёров. Она проводит обучение, предоставляет консультации и оперативно решает технические проблемы. Компания регулярно участвует в профильных выставках, выпускает информационные каталоги и обучающие материалы, что способствует укреплению связей и доверия с клиентами.
За более чем тридцатилетнюю историю компания MetalPart прошла путь от небольшого конструкторского бюро до современного производителя, сочетающего опыт и инновации. Сегодня бренд остается верным своим традициям, предлагая надежные решения для российских автомобилей, которые способны выдерживать даже самые суровые условия эксплуатации.
Ассортимент:
- Детали двигателя
- Элементы топливной системы
- Детали системы охлаждения
- Сцепления
- Детали КПП и РК
- Карданные валы
- Мосты и комплектующие
- Детали подвески
- Ступицы
- Элементы рулевого управления
- комплектующие тормозной системы
- Провода высоковольтные
- Стартеры
- Стеклоочистители и привода
- Вентиляция и отопление
- Сальники
- Комплекты ремонтные и установочные
Автомобильный концерн ГАЗ является одним из ведущих производителей в России. Компания предлагает запчасти для всех своих моделей автомобилей, а также поставляет комплектующие и сопутствующие товары на рынок автокомпонентов.
Преимущества автозапчастей ГАЗ заключаются в заметном качестве и надежности продукции, а также в доступных ценах. Благодаря использованию современных технологий и высококвалифицированному персоналу, ГАЗ гарантирует соответствующие характеристики продукции.
Все запчасти и компоненты проходят строгий контроль качества на каждом из этапов производства и подвергаются испытаниям в специальных лабораториях. Это обеспечивает стабильную работу и долговечность продукции ГАЗ. Детали производятся с использованием современных технологий и проверенных материалов. Это обеспечивает высокую производительность и безопасность автомобилей, а также улучшенный комфорт во время эксплуатации.
Компания предлагает широкий ассортимент запчастей для различных моделей автомобилей, а также для транспортных средств других марок. Все изделия имеют сертификаты соответствия и гарантию на производственные дефекты.
Кроме того, ГАЗ постоянно совершенствует свои продукты и осваивает новые рынки, чтобы удовлетворить даже самые неожиданные потребности своих клиентов. Все это выгодно выделяет автозапчасти и автокомпоненты ГАЗ в глазах покупателей, как в России, так и за ее пределами.
Ассортимент:
- Двигатели и их компоненты, такие как поршни, кольца, клапаны и т.д.
- Трансмиссия, включая коробки передач и дифференциалы.
- Системы выхлопа, включая глушители, катализаторы и трубы.
- Рулевое управление, включая рулевые рейки и насосы гидроусилителя руля.
- Подвеска, включая амортизаторы, пружины, рычаги и шаровые опоры.
- Тормозные системы, включая тормозные колодки, диски и суппорты.
- Электроника, включая стартеры, генераторы, аккумуляторы и свечи зажигания.
- Кузовные запчасти, включая крылья, двери, бамперы и фары.
На складах : 28 шт.
Автомобильный концерн ГАЗ является одним из ведущих производителей в России. Компания предлагает запчасти для всех своих моделей автомобилей, а также поставляет комплектующие и сопутствующие товары на рынок автокомпонентов.
Преимущества автозапчастей ГАЗ заключаются в заметном качестве и надежности продукции, а также в доступных ценах. Благодаря использованию современных технологий и высококвалифицированному персоналу, ГАЗ гарантирует соответствующие характеристики продукции.
Все запчасти и компоненты проходят строгий контроль качества на каждом из этапов производства и подвергаются испытаниям в специальных лабораториях. Это обеспечивает стабильную работу и долговечность продукции ГАЗ. Детали производятся с использованием современных технологий и проверенных материалов. Это обеспечивает высокую производительность и безопасность автомобилей, а также улучшенный комфорт во время эксплуатации.
Компания предлагает широкий ассортимент запчастей для различных моделей автомобилей, а также для транспортных средств других марок. Все изделия имеют сертификаты соответствия и гарантию на производственные дефекты.
Кроме того, ГАЗ постоянно совершенствует свои продукты и осваивает новые рынки, чтобы удовлетворить даже самые неожиданные потребности своих клиентов. Все это выгодно выделяет автозапчасти и автокомпоненты ГАЗ в глазах покупателей, как в России, так и за ее пределами.
Ассортимент:
- Двигатели и их компоненты, такие как поршни, кольца, клапаны и т.д.
- Трансмиссия, включая коробки передач и дифференциалы.
- Системы выхлопа, включая глушители, катализаторы и трубы.
- Рулевое управление, включая рулевые рейки и насосы гидроусилителя руля.
- Подвеска, включая амортизаторы, пружины, рычаги и шаровые опоры.
- Тормозные системы, включая тормозные колодки, диски и суппорты.
- Электроника, включая стартеры, генераторы, аккумуляторы и свечи зажигания.
- Кузовные запчасти, включая крылья, двери, бамперы и фары.
"Завод Красная Этна" уже более 110 лет производит крепёжные изделия и пружины для автомобильной промышленности. История завода начинается с 24 декабря 1898 года, когда по положению Комитета Министров Николай Второй разрешает Виктору Михайловичу Гольденбергу и германскому подданному Петру Ивановичу Мартини учредить "Акционерное Общество Рижского металлического завода "Этна". С 1904 года по 1915 год на Рижском металлическом заводе работали цеха: гвоздильный, горячепрокатный, цепочный, травильный, отжигательный, волочильный. Продукция завода была востребована в России, Прибалтике и за рубежом. В годы первой мировой войны завод был эвакуирован из Риги в Нижний Новгород. С этого момента для завода начинается новая история. Во время войны "Завод Красная Этна" обеспечивал своей продукцией фронт. На заводе начался выпуск минных цепей, гвоздей к солдатским сапогам, колючей проволоки, пряжек к ружьям и карабинов, а также другой продукции для нужд фронта и населения России. С 1916 года по 1918 год происходит национализация завода и смена учредителей. Завод стал именоваться, как Акционерное общество Нижегородского металлического завода "Новая Этна". С приходом советской власти на заводе сменилось название на "Красная Этна" и были запущены: электростанция, прокатный цех, цех тонкого волочения и болтозаклепочный цех. В 1925 в структуру завода вливается предприятие с парком металлорежущего оборудования. В этом же году, на базе влившегося предприятия, создаются инструментальный и механический цеха, а также лесопильно-ящичный цех. В начале 30х, организовано строительство Горьковского автомобильного завода, который оказал большое влияние на развитие и деятельность предприятия. "Красная Этна" переходит на выпуск изделий высокого класса точности и включается в обслуживание автомобильной промышленности страны. К началу Великой Отечественной войны, реконструированный завод представлял собой крупное предприятие автомобильной промышленности, которое специализировалось на выпуске: специальной проволоки, пружин, шайб, холоднокатаной ленты и автонормалей. Во время Второй Мировой войны завод бесперебойно снабжал фронт боеприпасами. С 1941 года по 1943 год на заводе работало 996 человек. В послевоенное время завод стал активно развиваться. В дальнейшем на заводе были реконструированы цеха и освоено новое производство, создано собственное станкостроение и автоматические линии, выстроен инженерный корпус и здание очистных сооружений. Организовано производство проката и пружин, а также стержневого крепежа. Создан важнейший отдел обеспечения качеством. На сегодняшний день ОАО "Завод Красная Этна" представляет собой современное, динамично-развивающееся предприятие, специализирующееся на производстве крепежных изделий для автомобильной промышленности. Продукция завода поставляется на крупнейшие предприятия России, стран СНГ и дальнего зарубежья. Продукция предприятия соответствует международным системам качества ИСО 9001-2000 и ISO/TS 16949:2002. Продукция завода прошла проверку аудиторами TUV CERT (Германия) и национальной системой ГОСТ Р. Номенклатура предприятия насчитывает более 2,5 тысячи видов крепёжных изделий, в том числе соответствующих стандарту DIN. Компания "АвтоАльянс" предлагает оригинальную продукцию производства ОАО "Завод Красная Этна". В ассортименте представлен широкий перечень продукции завода: винты различных конструкций, пружины, стремянки, шайбы, гайки, шпильки, заклепки, штуцеры, оси, пробки и пластины, а также всевозможный крепёж к различным автомобилям.
На складах : 2746 шт.
"Завод Красная Этна" уже более 110 лет производит крепёжные изделия и пружины для автомобильной промышленности. История завода начинается с 24 декабря 1898 года, когда по положению Комитета Министров Николай Второй разрешает Виктору Михайловичу Гольденбергу и германскому подданному Петру Ивановичу Мартини учредить "Акционерное Общество Рижского металлического завода "Этна". С 1904 года по 1915 год на Рижском металлическом заводе работали цеха: гвоздильный, горячепрокатный, цепочный, травильный, отжигательный, волочильный. Продукция завода была востребована в России, Прибалтике и за рубежом. В годы первой мировой войны завод был эвакуирован из Риги в Нижний Новгород. С этого момента для завода начинается новая история. Во время войны "Завод Красная Этна" обеспечивал своей продукцией фронт. На заводе начался выпуск минных цепей, гвоздей к солдатским сапогам, колючей проволоки, пряжек к ружьям и карабинов, а также другой продукции для нужд фронта и населения России. С 1916 года по 1918 год происходит национализация завода и смена учредителей. Завод стал именоваться, как Акционерное общество Нижегородского металлического завода "Новая Этна". С приходом советской власти на заводе сменилось название на "Красная Этна" и были запущены: электростанция, прокатный цех, цех тонкого волочения и болтозаклепочный цех. В 1925 в структуру завода вливается предприятие с парком металлорежущего оборудования. В этом же году, на базе влившегося предприятия, создаются инструментальный и механический цеха, а также лесопильно-ящичный цех. В начале 30х, организовано строительство Горьковского автомобильного завода, который оказал большое влияние на развитие и деятельность предприятия. "Красная Этна" переходит на выпуск изделий высокого класса точности и включается в обслуживание автомобильной промышленности страны. К началу Великой Отечественной войны, реконструированный завод представлял собой крупное предприятие автомобильной промышленности, которое специализировалось на выпуске: специальной проволоки, пружин, шайб, холоднокатаной ленты и автонормалей. Во время Второй Мировой войны завод бесперебойно снабжал фронт боеприпасами. С 1941 года по 1943 год на заводе работало 996 человек. В послевоенное время завод стал активно развиваться. В дальнейшем на заводе были реконструированы цеха и освоено новое производство, создано собственное станкостроение и автоматические линии, выстроен инженерный корпус и здание очистных сооружений. Организовано производство проката и пружин, а также стержневого крепежа. Создан важнейший отдел обеспечения качеством. На сегодняшний день ОАО "Завод Красная Этна" представляет собой современное, динамично-развивающееся предприятие, специализирующееся на производстве крепежных изделий для автомобильной промышленности. Продукция завода поставляется на крупнейшие предприятия России, стран СНГ и дальнего зарубежья. Продукция предприятия соответствует международным системам качества ИСО 9001-2000 и ISO/TS 16949:2002. Продукция завода прошла проверку аудиторами TUV CERT (Германия) и национальной системой ГОСТ Р. Номенклатура предприятия насчитывает более 2,5 тысячи видов крепёжных изделий, в том числе соответствующих стандарту DIN. Компания "АвтоАльянс" предлагает оригинальную продукцию производства ОАО "Завод Красная Этна". В ассортименте представлен широкий перечень продукции завода: винты различных конструкций, пружины, стремянки, шайбы, гайки, шпильки, заклепки, штуцеры, оси, пробки и пластины, а также всевозможный крепёж к различным автомобилям.
ОАО «Заволжский моторный завод» входит в компанию ОАО «СОЛЛЕРС». Дата образования ЗМЗ – 17 апреля 1958 года. Содружество компаний "АвтоАльянс" в лице компании "Мега-Арсенал" является официальным дилером "Торговый дом СОЛЛЕРС" и предлагает к продаже оригинальные запчасти и агрегаты ЗМЗ. Основное назначение завода: Производство двигателей внутреннего сгорания рабочим объемом от 2, 2 л до 4,67 л. Предприятие выпускает свыше 80 модификаций двигателей для автомобилей и автобусов трех автомобильных компаний России – ОАО «УАЗ», ОАО «ГАЗ», ОАО «Павловский автобус». ОАО «ЗМЗ» также производит запасные части к выпускаемым двигателям. География поставок продукции ОАО "ЗМЗ" - Россия, Германия, страны СНГ, Юго-Восточной Азии и Латинской Америки. За свою историю Заволжский моторный завод выпустил более 14 000 000 двигателей всех модификаций. C января 2008 года на ЗМЗ ведется массовое промышленное производство соответствующих требованиям экологического класса «Евро-3» 4-цилиндровых бензиновых двигателей семейства ЗМЗ-406 рабочим объемом 2,5 и 2,7 л для малотоннажных коммерческих автомобилей и микроавтобусов ОАО «ГАЗ» и автомобилей повышенной проходимости ОАО «УАЗ», дизельных ЗМЗ-5143 рабочим объемом 2,2 л для внедорожников «UAZ-Hunter» Ульяновского автозавода и бензиновых 8-цилиндровых V-образных двигателей для грузовых автомобилей средней грузоподъемности ОАО «ГАЗ» и автобусов типа ПАЗ-3207 производства ОАО «Павловский автобус». С ноября 2005 г, на предприятии ведется промышленный выпуск малолитражного дизельного двигателя ЗМЗ-5143 (2,2л) для автомобилей «UAZ-Hunter» ОАО «УАЗ» и реализации на вторичном рынке по заказам сторонних организаций. В 2009 г. ОАО «ЗМЗ» совместно с УАЗом и Минобороны проведены типовые испытания военной модификации автомобиля «Hunter» c дизельным двигателем ЗМЗ -5143. Дизельный двигатель ЗМЗ-5143 принят на комплектацию военных внедорожников. Поставки дизелей ЗМЗ для Минобороны начаты в 2009 году. За период с начала производства и с учетом итогов 2009 года ОАО «ЗМЗ» поставило своим потребителям более 12 600 дизельных двигателей ЗМЗ-5143. В 2009 года ОАО «ЗМЗ» выдан новый Аттестат аккредитации испытательного Центра «Мотор», входящего в структуру управления главного конструктора предприятия, на техническую компетентность в системе сертификации ГОСТ Р и международного стандарта ИСО сроком действия до 2014 года. Данный документ дает право центру «Мотор» проводить сертификационные испытания продукции автомобилестроения, в частности, бензиновых и дизельных двигателей, узлов и комплектующих к ним, причем как отечественных, так и зарубежных автопроизводителей. Система менеджмента ОАО «ЗМЗ» сертифицирована «TUV –CERT» (Германия) и «Русским Регистром» (Россия) на соответствие требованиям международных стандартов ISO 9001 (2000) и стандарта ГОСТ Р ИСО 9001-2008. В 2009 г. ОАО «ЗМЗ» с положительным результатом прошло основной сертификационный аудит системы менеджмента организации (СМО) на соответствие требованиям международного автомобильного стандарта ISO/TS 16 949 версии 2009 года. В 2009 году на ЗМЗ были продолжены НИОКР по дизельным двигателям ЗМЗ-51432 с системой топливоподачи Common Rail (CR) с целью выполнения ими в составе автомобилей ОАО «УАЗ» экологических норм «Евро-3» и «Евро-4». Велась разработка битопливного двигателя для применения в составе автомобилей УАЗ и автомобилей класса LCV. Продолжены работы с компанией «FIAT—AUTO» по адаптации двигателя ЗМЗ рабочим объемом 2,5 л в автомобиль «Fiat Ducato». В рамках госконтракта разработана конструкторская документация, изготовлены два оригинальных образца спецдвигателей - бензиновый вариант (2.5 л) и дизельный (2,24 л) для комбинированных энергетических установок автобусов типа «ЛиАЗ» и «ПАЗ». ОАО «ЗМЗ» с 2003 года планомерно ведет работу по созданию собственной производственной системы на основе внедрения элементов Toyota Production System (TPS), направленной на совершенствование организации производства, улучшения качества и снижения затрат.
ОАО «Заволжский моторный завод» входит в компанию ОАО «СОЛЛЕРС». Дата образования ЗМЗ – 17 апреля 1958 года. Содружество компаний "АвтоАльянс" в лице компании "Мега-Арсенал" является официальным дилером "Торговый дом СОЛЛЕРС" и предлагает к продаже оригинальные запчасти и агрегаты ЗМЗ. Основное назначение завода: Производство двигателей внутреннего сгорания рабочим объемом от 2, 2 л до 4,67 л. Предприятие выпускает свыше 80 модификаций двигателей для автомобилей и автобусов трех автомобильных компаний России – ОАО «УАЗ», ОАО «ГАЗ», ОАО «Павловский автобус». ОАО «ЗМЗ» также производит запасные части к выпускаемым двигателям. География поставок продукции ОАО "ЗМЗ" - Россия, Германия, страны СНГ, Юго-Восточной Азии и Латинской Америки. За свою историю Заволжский моторный завод выпустил более 14 000 000 двигателей всех модификаций. C января 2008 года на ЗМЗ ведется массовое промышленное производство соответствующих требованиям экологического класса «Евро-3» 4-цилиндровых бензиновых двигателей семейства ЗМЗ-406 рабочим объемом 2,5 и 2,7 л для малотоннажных коммерческих автомобилей и микроавтобусов ОАО «ГАЗ» и автомобилей повышенной проходимости ОАО «УАЗ», дизельных ЗМЗ-5143 рабочим объемом 2,2 л для внедорожников «UAZ-Hunter» Ульяновского автозавода и бензиновых 8-цилиндровых V-образных двигателей для грузовых автомобилей средней грузоподъемности ОАО «ГАЗ» и автобусов типа ПАЗ-3207 производства ОАО «Павловский автобус». С ноября 2005 г, на предприятии ведется промышленный выпуск малолитражного дизельного двигателя ЗМЗ-5143 (2,2л) для автомобилей «UAZ-Hunter» ОАО «УАЗ» и реализации на вторичном рынке по заказам сторонних организаций. В 2009 г. ОАО «ЗМЗ» совместно с УАЗом и Минобороны проведены типовые испытания военной модификации автомобиля «Hunter» c дизельным двигателем ЗМЗ -5143. Дизельный двигатель ЗМЗ-5143 принят на комплектацию военных внедорожников. Поставки дизелей ЗМЗ для Минобороны начаты в 2009 году. За период с начала производства и с учетом итогов 2009 года ОАО «ЗМЗ» поставило своим потребителям более 12 600 дизельных двигателей ЗМЗ-5143. В 2009 года ОАО «ЗМЗ» выдан новый Аттестат аккредитации испытательного Центра «Мотор», входящего в структуру управления главного конструктора предприятия, на техническую компетентность в системе сертификации ГОСТ Р и международного стандарта ИСО сроком действия до 2014 года. Данный документ дает право центру «Мотор» проводить сертификационные испытания продукции автомобилестроения, в частности, бензиновых и дизельных двигателей, узлов и комплектующих к ним, причем как отечественных, так и зарубежных автопроизводителей. Система менеджмента ОАО «ЗМЗ» сертифицирована «TUV –CERT» (Германия) и «Русским Регистром» (Россия) на соответствие требованиям международных стандартов ISO 9001 (2000) и стандарта ГОСТ Р ИСО 9001-2008. В 2009 г. ОАО «ЗМЗ» с положительным результатом прошло основной сертификационный аудит системы менеджмента организации (СМО) на соответствие требованиям международного автомобильного стандарта ISO/TS 16 949 версии 2009 года. В 2009 году на ЗМЗ были продолжены НИОКР по дизельным двигателям ЗМЗ-51432 с системой топливоподачи Common Rail (CR) с целью выполнения ими в составе автомобилей ОАО «УАЗ» экологических норм «Евро-3» и «Евро-4». Велась разработка битопливного двигателя для применения в составе автомобилей УАЗ и автомобилей класса LCV. Продолжены работы с компанией «FIAT—AUTO» по адаптации двигателя ЗМЗ рабочим объемом 2,5 л в автомобиль «Fiat Ducato». В рамках госконтракта разработана конструкторская документация, изготовлены два оригинальных образца спецдвигателей - бензиновый вариант (2.5 л) и дизельный (2,24 л) для комбинированных энергетических установок автобусов типа «ЛиАЗ» и «ПАЗ». ОАО «ЗМЗ» с 2003 года планомерно ведет работу по созданию собственной производственной системы на основе внедрения элементов Toyota Production System (TPS), направленной на совершенствование организации производства, улучшения качества и снижения затрат.
АЗ "УРАЛ" входит в состав "Группы ГАЗ". Дата образования АЗ "УРАЛ" - 2001 год. Автомобильный завод Урал появился в результате перестройки производственного комплекса "УралАЗ". На сегодняшний день АЗ "УРАЛ" является основным звеном в структуре дивизиона "Грузовые автомобили" и занимает ведущие позиции на российском рынке полноприводных большегрузных автомобилей.
Основное назначение завода: Производство полноприводных грузовых автомобилей, дорожных грузовиков, вахтовых автобусов. На базе шасси "УРАЛ" работают более 400 видов спецтехники: вахтовые автобусы, автоцистерны, подъемные краны, топливозаправщики, пожарные автомобили, разнообразные агрегаты для лесопромышленного и нефтегазового комплекса, горной промышленности и коммунального хозяйства.
Автомобильная техника УРАЛ используется, как государственными предприятиями, так и крупными частными компаниями. В нефтегазодобывающей отрасли востребованы: бортовые автомобили, трубовозы, седельные тягачи, топливозаправщики. В начале 90-х годов на шасси "УРАЛ" изготовили спецтехнику для газодобывающей отрасли: цементировочные агрегаты, агрегаты ремонта скважин, ремонтные мастерские и др.
Основными заказчиками являются нефтяные гиганты ОАО "Газпром", ОАО "НК "Роснефть", ОАО "Сургутнефтегаз, "ТНК-ВP", энергокомпания РАО "ЕЭС", а также ряд министерств Российской Федерации: Министерство обороны, Министерство по чрезвычайным ситуациям, Министерство внутренних дел.
С 2005 года Автомобильный завод УРАЛ освоил серийное производство таких автомобилей, как седельный тягач "УРАЛ-63674" и самосвалов с грузоподъёмностью более 20 тонн "УРАЛ-63685" и "УРАЛ-6563". В 2007-2008 году на Автомобильном заводе "УРАЛ" внедряют передовые технологии:
- внедрение новой производственной системы "lean production".
- внедрение современной автоматизированной ERP-системы
- внедрение системы "Ворота Качества".
- внедрение системы менеджмента качества в соответствии с требованиями стандартов ISO 9001:2000 и ISO 9001:2008.
- внедрение СМК соответствующей требованиям ИСО/ТУ 16949:2002.
АЗ "УРАЛ" постоянно работает на расширение модельного ряда. Так в 2010 году в серийное производство был запущен вахтовый автобус Урал-32552-3011-59 и самосвал Урал-6370. А уже в 2011 году на заводе разработали вахтовый автобус на пневмоподвеске, которая обеспечит высокую плавность хода даже в условиях бездорожья.
"АвтоАльянс" активно развивает направление запчастей для автомобилей УРАЛ. В продаже широкий ассортимент продукции АЗ "УРАЛ" по оптимальным ценам. Для Вас всегда работает группа специалистов по запчастям на автомобили УРАЛ.
АЗ "УРАЛ" входит в состав "Группы ГАЗ". Дата образования АЗ "УРАЛ" - 2001 год. Автомобильный завод Урал появился в результате перестройки производственного комплекса "УралАЗ". На сегодняшний день АЗ "УРАЛ" является основным звеном в структуре дивизиона "Грузовые автомобили" и занимает ведущие позиции на российском рынке полноприводных большегрузных автомобилей.
Основное назначение завода: Производство полноприводных грузовых автомобилей, дорожных грузовиков, вахтовых автобусов. На базе шасси "УРАЛ" работают более 400 видов спецтехники: вахтовые автобусы, автоцистерны, подъемные краны, топливозаправщики, пожарные автомобили, разнообразные агрегаты для лесопромышленного и нефтегазового комплекса, горной промышленности и коммунального хозяйства.
Автомобильная техника УРАЛ используется, как государственными предприятиями, так и крупными частными компаниями. В нефтегазодобывающей отрасли востребованы: бортовые автомобили, трубовозы, седельные тягачи, топливозаправщики. В начале 90-х годов на шасси "УРАЛ" изготовили спецтехнику для газодобывающей отрасли: цементировочные агрегаты, агрегаты ремонта скважин, ремонтные мастерские и др.
Основными заказчиками являются нефтяные гиганты ОАО "Газпром", ОАО "НК "Роснефть", ОАО "Сургутнефтегаз, "ТНК-ВP", энергокомпания РАО "ЕЭС", а также ряд министерств Российской Федерации: Министерство обороны, Министерство по чрезвычайным ситуациям, Министерство внутренних дел.
С 2005 года Автомобильный завод УРАЛ освоил серийное производство таких автомобилей, как седельный тягач "УРАЛ-63674" и самосвалов с грузоподъёмностью более 20 тонн "УРАЛ-63685" и "УРАЛ-6563". В 2007-2008 году на Автомобильном заводе "УРАЛ" внедряют передовые технологии:
- внедрение новой производственной системы "lean production".
- внедрение современной автоматизированной ERP-системы
- внедрение системы "Ворота Качества".
- внедрение системы менеджмента качества в соответствии с требованиями стандартов ISO 9001:2000 и ISO 9001:2008.
- внедрение СМК соответствующей требованиям ИСО/ТУ 16949:2002.
АЗ "УРАЛ" постоянно работает на расширение модельного ряда. Так в 2010 году в серийное производство был запущен вахтовый автобус Урал-32552-3011-59 и самосвал Урал-6370. А уже в 2011 году на заводе разработали вахтовый автобус на пневмоподвеске, которая обеспечит высокую плавность хода даже в условиях бездорожья.
"АвтоАльянс" активно развивает направление запчастей для автомобилей УРАЛ. В продаже широкий ассортимент продукции АЗ "УРАЛ" по оптимальным ценам. Для Вас всегда работает группа специалистов по запчастям на автомобили УРАЛ.
"Завод Красная Этна" уже более 110 лет производит крепёжные изделия и пружины для автомобильной промышленности. История завода начинается с 24 декабря 1898 года, когда по положению Комитета Министров Николай Второй разрешает Виктору Михайловичу Гольденбергу и германскому подданному Петру Ивановичу Мартини учредить "Акционерное Общество Рижского металлического завода "Этна". С 1904 года по 1915 год на Рижском металлическом заводе работали цеха: гвоздильный, горячепрокатный, цепочный, травильный, отжигательный, волочильный. Продукция завода была востребована в России, Прибалтике и за рубежом. В годы первой мировой войны завод был эвакуирован из Риги в Нижний Новгород. С этого момента для завода начинается новая история. Во время войны "Завод Красная Этна" обеспечивал своей продукцией фронт. На заводе начался выпуск минных цепей, гвоздей к солдатским сапогам, колючей проволоки, пряжек к ружьям и карабинов, а также другой продукции для нужд фронта и населения России. С 1916 года по 1918 год происходит национализация завода и смена учредителей. Завод стал именоваться, как Акционерное общество Нижегородского металлического завода "Новая Этна". С приходом советской власти на заводе сменилось название на "Красная Этна" и были запущены: электростанция, прокатный цех, цех тонкого волочения и болтозаклепочный цех. В 1925 в структуру завода вливается предприятие с парком металлорежущего оборудования. В этом же году, на базе влившегося предприятия, создаются инструментальный и механический цеха, а также лесопильно-ящичный цех. В начале 30х, организовано строительство Горьковского автомобильного завода, который оказал большое влияние на развитие и деятельность предприятия. "Красная Этна" переходит на выпуск изделий высокого класса точности и включается в обслуживание автомобильной промышленности страны. К началу Великой Отечественной войны, реконструированный завод представлял собой крупное предприятие автомобильной промышленности, которое специализировалось на выпуске: специальной проволоки, пружин, шайб, холоднокатаной ленты и автонормалей. Во время Второй Мировой войны завод бесперебойно снабжал фронт боеприпасами. С 1941 года по 1943 год на заводе работало 996 человек. В послевоенное время завод стал активно развиваться. В дальнейшем на заводе были реконструированы цеха и освоено новое производство, создано собственное станкостроение и автоматические линии, выстроен инженерный корпус и здание очистных сооружений. Организовано производство проката и пружин, а также стержневого крепежа. Создан важнейший отдел обеспечения качеством. На сегодняшний день ОАО "Завод Красная Этна" представляет собой современное, динамично-развивающееся предприятие, специализирующееся на производстве крепежных изделий для автомобильной промышленности. Продукция завода поставляется на крупнейшие предприятия России, стран СНГ и дальнего зарубежья. Продукция предприятия соответствует международным системам качества ИСО 9001-2000 и ISO/TS 16949:2002. Продукция завода прошла проверку аудиторами TUV CERT (Германия) и национальной системой ГОСТ Р. Номенклатура предприятия насчитывает более 2,5 тысячи видов крепёжных изделий, в том числе соответствующих стандарту DIN. Компания "АвтоАльянс" предлагает оригинальную продукцию производства ОАО "Завод Красная Этна". В ассортименте представлен широкий перечень продукции завода: винты различных конструкций, пружины, стремянки, шайбы, гайки, шпильки, заклепки, штуцеры, оси, пробки и пластины, а также всевозможный крепёж к различным автомобилям.
На складах : 2158 шт.
"Завод Красная Этна" уже более 110 лет производит крепёжные изделия и пружины для автомобильной промышленности. История завода начинается с 24 декабря 1898 года, когда по положению Комитета Министров Николай Второй разрешает Виктору Михайловичу Гольденбергу и германскому подданному Петру Ивановичу Мартини учредить "Акционерное Общество Рижского металлического завода "Этна". С 1904 года по 1915 год на Рижском металлическом заводе работали цеха: гвоздильный, горячепрокатный, цепочный, травильный, отжигательный, волочильный. Продукция завода была востребована в России, Прибалтике и за рубежом. В годы первой мировой войны завод был эвакуирован из Риги в Нижний Новгород. С этого момента для завода начинается новая история. Во время войны "Завод Красная Этна" обеспечивал своей продукцией фронт. На заводе начался выпуск минных цепей, гвоздей к солдатским сапогам, колючей проволоки, пряжек к ружьям и карабинов, а также другой продукции для нужд фронта и населения России. С 1916 года по 1918 год происходит национализация завода и смена учредителей. Завод стал именоваться, как Акционерное общество Нижегородского металлического завода "Новая Этна". С приходом советской власти на заводе сменилось название на "Красная Этна" и были запущены: электростанция, прокатный цех, цех тонкого волочения и болтозаклепочный цех. В 1925 в структуру завода вливается предприятие с парком металлорежущего оборудования. В этом же году, на базе влившегося предприятия, создаются инструментальный и механический цеха, а также лесопильно-ящичный цех. В начале 30х, организовано строительство Горьковского автомобильного завода, который оказал большое влияние на развитие и деятельность предприятия. "Красная Этна" переходит на выпуск изделий высокого класса точности и включается в обслуживание автомобильной промышленности страны. К началу Великой Отечественной войны, реконструированный завод представлял собой крупное предприятие автомобильной промышленности, которое специализировалось на выпуске: специальной проволоки, пружин, шайб, холоднокатаной ленты и автонормалей. Во время Второй Мировой войны завод бесперебойно снабжал фронт боеприпасами. С 1941 года по 1943 год на заводе работало 996 человек. В послевоенное время завод стал активно развиваться. В дальнейшем на заводе были реконструированы цеха и освоено новое производство, создано собственное станкостроение и автоматические линии, выстроен инженерный корпус и здание очистных сооружений. Организовано производство проката и пружин, а также стержневого крепежа. Создан важнейший отдел обеспечения качеством. На сегодняшний день ОАО "Завод Красная Этна" представляет собой современное, динамично-развивающееся предприятие, специализирующееся на производстве крепежных изделий для автомобильной промышленности. Продукция завода поставляется на крупнейшие предприятия России, стран СНГ и дальнего зарубежья. Продукция предприятия соответствует международным системам качества ИСО 9001-2000 и ISO/TS 16949:2002. Продукция завода прошла проверку аудиторами TUV CERT (Германия) и национальной системой ГОСТ Р. Номенклатура предприятия насчитывает более 2,5 тысячи видов крепёжных изделий, в том числе соответствующих стандарту DIN. Компания "АвтоАльянс" предлагает оригинальную продукцию производства ОАО "Завод Красная Этна". В ассортименте представлен широкий перечень продукции завода: винты различных конструкций, пружины, стремянки, шайбы, гайки, шпильки, заклепки, штуцеры, оси, пробки и пластины, а также всевозможный крепёж к различным автомобилям.
АЗ "УРАЛ" входит в состав "Группы ГАЗ". Дата образования АЗ "УРАЛ" - 2001 год. Автомобильный завод Урал появился в результате перестройки производственного комплекса "УралАЗ". На сегодняшний день АЗ "УРАЛ" является основным звеном в структуре дивизиона "Грузовые автомобили" и занимает ведущие позиции на российском рынке полноприводных большегрузных автомобилей.
Основное назначение завода: Производство полноприводных грузовых автомобилей, дорожных грузовиков, вахтовых автобусов. На базе шасси "УРАЛ" работают более 400 видов спецтехники: вахтовые автобусы, автоцистерны, подъемные краны, топливозаправщики, пожарные автомобили, разнообразные агрегаты для лесопромышленного и нефтегазового комплекса, горной промышленности и коммунального хозяйства.
Автомобильная техника УРАЛ используется, как государственными предприятиями, так и крупными частными компаниями. В нефтегазодобывающей отрасли востребованы: бортовые автомобили, трубовозы, седельные тягачи, топливозаправщики. В начале 90-х годов на шасси "УРАЛ" изготовили спецтехнику для газодобывающей отрасли: цементировочные агрегаты, агрегаты ремонта скважин, ремонтные мастерские и др.
Основными заказчиками являются нефтяные гиганты ОАО "Газпром", ОАО "НК "Роснефть", ОАО "Сургутнефтегаз, "ТНК-ВP", энергокомпания РАО "ЕЭС", а также ряд министерств Российской Федерации: Министерство обороны, Министерство по чрезвычайным ситуациям, Министерство внутренних дел.
С 2005 года Автомобильный завод УРАЛ освоил серийное производство таких автомобилей, как седельный тягач "УРАЛ-63674" и самосвалов с грузоподъёмностью более 20 тонн "УРАЛ-63685" и "УРАЛ-6563". В 2007-2008 году на Автомобильном заводе "УРАЛ" внедряют передовые технологии:
- внедрение новой производственной системы "lean production".
- внедрение современной автоматизированной ERP-системы
- внедрение системы "Ворота Качества".
- внедрение системы менеджмента качества в соответствии с требованиями стандартов ISO 9001:2000 и ISO 9001:2008.
- внедрение СМК соответствующей требованиям ИСО/ТУ 16949:2002.
АЗ "УРАЛ" постоянно работает на расширение модельного ряда. Так в 2010 году в серийное производство был запущен вахтовый автобус Урал-32552-3011-59 и самосвал Урал-6370. А уже в 2011 году на заводе разработали вахтовый автобус на пневмоподвеске, которая обеспечит высокую плавность хода даже в условиях бездорожья.
"АвтоАльянс" активно развивает направление запчастей для автомобилей УРАЛ. В продаже широкий ассортимент продукции АЗ "УРАЛ" по оптимальным ценам. Для Вас всегда работает группа специалистов по запчастям на автомобили УРАЛ.
АЗ "УРАЛ" входит в состав "Группы ГАЗ". Дата образования АЗ "УРАЛ" - 2001 год. Автомобильный завод Урал появился в результате перестройки производственного комплекса "УралАЗ". На сегодняшний день АЗ "УРАЛ" является основным звеном в структуре дивизиона "Грузовые автомобили" и занимает ведущие позиции на российском рынке полноприводных большегрузных автомобилей.
Основное назначение завода: Производство полноприводных грузовых автомобилей, дорожных грузовиков, вахтовых автобусов. На базе шасси "УРАЛ" работают более 400 видов спецтехники: вахтовые автобусы, автоцистерны, подъемные краны, топливозаправщики, пожарные автомобили, разнообразные агрегаты для лесопромышленного и нефтегазового комплекса, горной промышленности и коммунального хозяйства.
Автомобильная техника УРАЛ используется, как государственными предприятиями, так и крупными частными компаниями. В нефтегазодобывающей отрасли востребованы: бортовые автомобили, трубовозы, седельные тягачи, топливозаправщики. В начале 90-х годов на шасси "УРАЛ" изготовили спецтехнику для газодобывающей отрасли: цементировочные агрегаты, агрегаты ремонта скважин, ремонтные мастерские и др.
Основными заказчиками являются нефтяные гиганты ОАО "Газпром", ОАО "НК "Роснефть", ОАО "Сургутнефтегаз, "ТНК-ВP", энергокомпания РАО "ЕЭС", а также ряд министерств Российской Федерации: Министерство обороны, Министерство по чрезвычайным ситуациям, Министерство внутренних дел.
С 2005 года Автомобильный завод УРАЛ освоил серийное производство таких автомобилей, как седельный тягач "УРАЛ-63674" и самосвалов с грузоподъёмностью более 20 тонн "УРАЛ-63685" и "УРАЛ-6563". В 2007-2008 году на Автомобильном заводе "УРАЛ" внедряют передовые технологии:
- внедрение новой производственной системы "lean production".
- внедрение современной автоматизированной ERP-системы
- внедрение системы "Ворота Качества".
- внедрение системы менеджмента качества в соответствии с требованиями стандартов ISO 9001:2000 и ISO 9001:2008.
- внедрение СМК соответствующей требованиям ИСО/ТУ 16949:2002.
АЗ "УРАЛ" постоянно работает на расширение модельного ряда. Так в 2010 году в серийное производство был запущен вахтовый автобус Урал-32552-3011-59 и самосвал Урал-6370. А уже в 2011 году на заводе разработали вахтовый автобус на пневмоподвеске, которая обеспечит высокую плавность хода даже в условиях бездорожья.
"АвтоАльянс" активно развивает направление запчастей для автомобилей УРАЛ. В продаже широкий ассортимент продукции АЗ "УРАЛ" по оптимальным ценам. Для Вас всегда работает группа специалистов по запчастям на автомобили УРАЛ.
"Завод Красная Этна" уже более 110 лет производит крепёжные изделия и пружины для автомобильной промышленности. История завода начинается с 24 декабря 1898 года, когда по положению Комитета Министров Николай Второй разрешает Виктору Михайловичу Гольденбергу и германскому подданному Петру Ивановичу Мартини учредить "Акционерное Общество Рижского металлического завода "Этна". С 1904 года по 1915 год на Рижском металлическом заводе работали цеха: гвоздильный, горячепрокатный, цепочный, травильный, отжигательный, волочильный. Продукция завода была востребована в России, Прибалтике и за рубежом. В годы первой мировой войны завод был эвакуирован из Риги в Нижний Новгород. С этого момента для завода начинается новая история. Во время войны "Завод Красная Этна" обеспечивал своей продукцией фронт. На заводе начался выпуск минных цепей, гвоздей к солдатским сапогам, колючей проволоки, пряжек к ружьям и карабинов, а также другой продукции для нужд фронта и населения России. С 1916 года по 1918 год происходит национализация завода и смена учредителей. Завод стал именоваться, как Акционерное общество Нижегородского металлического завода "Новая Этна". С приходом советской власти на заводе сменилось название на "Красная Этна" и были запущены: электростанция, прокатный цех, цех тонкого волочения и болтозаклепочный цех. В 1925 в структуру завода вливается предприятие с парком металлорежущего оборудования. В этом же году, на базе влившегося предприятия, создаются инструментальный и механический цеха, а также лесопильно-ящичный цех. В начале 30х, организовано строительство Горьковского автомобильного завода, который оказал большое влияние на развитие и деятельность предприятия. "Красная Этна" переходит на выпуск изделий высокого класса точности и включается в обслуживание автомобильной промышленности страны. К началу Великой Отечественной войны, реконструированный завод представлял собой крупное предприятие автомобильной промышленности, которое специализировалось на выпуске: специальной проволоки, пружин, шайб, холоднокатаной ленты и автонормалей. Во время Второй Мировой войны завод бесперебойно снабжал фронт боеприпасами. С 1941 года по 1943 год на заводе работало 996 человек. В послевоенное время завод стал активно развиваться. В дальнейшем на заводе были реконструированы цеха и освоено новое производство, создано собственное станкостроение и автоматические линии, выстроен инженерный корпус и здание очистных сооружений. Организовано производство проката и пружин, а также стержневого крепежа. Создан важнейший отдел обеспечения качеством. На сегодняшний день ОАО "Завод Красная Этна" представляет собой современное, динамично-развивающееся предприятие, специализирующееся на производстве крепежных изделий для автомобильной промышленности. Продукция завода поставляется на крупнейшие предприятия России, стран СНГ и дальнего зарубежья. Продукция предприятия соответствует международным системам качества ИСО 9001-2000 и ISO/TS 16949:2002. Продукция завода прошла проверку аудиторами TUV CERT (Германия) и национальной системой ГОСТ Р. Номенклатура предприятия насчитывает более 2,5 тысячи видов крепёжных изделий, в том числе соответствующих стандарту DIN. Компания "АвтоАльянс" предлагает оригинальную продукцию производства ОАО "Завод Красная Этна". В ассортименте представлен широкий перечень продукции завода: винты различных конструкций, пружины, стремянки, шайбы, гайки, шпильки, заклепки, штуцеры, оси, пробки и пластины, а также всевозможный крепёж к различным автомобилям.
На складах : 1106 шт.
"Завод Красная Этна" уже более 110 лет производит крепёжные изделия и пружины для автомобильной промышленности. История завода начинается с 24 декабря 1898 года, когда по положению Комитета Министров Николай Второй разрешает Виктору Михайловичу Гольденбергу и германскому подданному Петру Ивановичу Мартини учредить "Акционерное Общество Рижского металлического завода "Этна". С 1904 года по 1915 год на Рижском металлическом заводе работали цеха: гвоздильный, горячепрокатный, цепочный, травильный, отжигательный, волочильный. Продукция завода была востребована в России, Прибалтике и за рубежом. В годы первой мировой войны завод был эвакуирован из Риги в Нижний Новгород. С этого момента для завода начинается новая история. Во время войны "Завод Красная Этна" обеспечивал своей продукцией фронт. На заводе начался выпуск минных цепей, гвоздей к солдатским сапогам, колючей проволоки, пряжек к ружьям и карабинов, а также другой продукции для нужд фронта и населения России. С 1916 года по 1918 год происходит национализация завода и смена учредителей. Завод стал именоваться, как Акционерное общество Нижегородского металлического завода "Новая Этна". С приходом советской власти на заводе сменилось название на "Красная Этна" и были запущены: электростанция, прокатный цех, цех тонкого волочения и болтозаклепочный цех. В 1925 в структуру завода вливается предприятие с парком металлорежущего оборудования. В этом же году, на базе влившегося предприятия, создаются инструментальный и механический цеха, а также лесопильно-ящичный цех. В начале 30х, организовано строительство Горьковского автомобильного завода, который оказал большое влияние на развитие и деятельность предприятия. "Красная Этна" переходит на выпуск изделий высокого класса точности и включается в обслуживание автомобильной промышленности страны. К началу Великой Отечественной войны, реконструированный завод представлял собой крупное предприятие автомобильной промышленности, которое специализировалось на выпуске: специальной проволоки, пружин, шайб, холоднокатаной ленты и автонормалей. Во время Второй Мировой войны завод бесперебойно снабжал фронт боеприпасами. С 1941 года по 1943 год на заводе работало 996 человек. В послевоенное время завод стал активно развиваться. В дальнейшем на заводе были реконструированы цеха и освоено новое производство, создано собственное станкостроение и автоматические линии, выстроен инженерный корпус и здание очистных сооружений. Организовано производство проката и пружин, а также стержневого крепежа. Создан важнейший отдел обеспечения качеством. На сегодняшний день ОАО "Завод Красная Этна" представляет собой современное, динамично-развивающееся предприятие, специализирующееся на производстве крепежных изделий для автомобильной промышленности. Продукция завода поставляется на крупнейшие предприятия России, стран СНГ и дальнего зарубежья. Продукция предприятия соответствует международным системам качества ИСО 9001-2000 и ISO/TS 16949:2002. Продукция завода прошла проверку аудиторами TUV CERT (Германия) и национальной системой ГОСТ Р. Номенклатура предприятия насчитывает более 2,5 тысячи видов крепёжных изделий, в том числе соответствующих стандарту DIN. Компания "АвтоАльянс" предлагает оригинальную продукцию производства ОАО "Завод Красная Этна". В ассортименте представлен широкий перечень продукции завода: винты различных конструкций, пружины, стремянки, шайбы, гайки, шпильки, заклепки, штуцеры, оси, пробки и пластины, а также всевозможный крепёж к различным автомобилям.
На складах : 172 шт.
История предприятия начинается с 1934 года с центральной ремонтной мастерской совхоза "Гигант" Сальского района Ростовской области. Мастерская была преобразована в авторемонтный завод по капитальному ремонту тракторов, моторов и автомашин.
Во время войны завод выпускал спецпродукцию, затем был эвакуирован в г. Гори на Кавказе. И после освобождения Ростовской области завод вернулся на свое место в Сальский район, где освоил выпуск токарных станков. До 1959 года страна получала высокопроизводительные станки. А с 1960 завод специализируется на выпуске сельскохозяйственной техники для уборки незерновой части урожая - копновозов КНУ-11 и стогометателей СНУ - 0,5. А затем и новой сельскохозяйственной машины - копновоза КУН - 10. В 1965 году предприятие переименовалось в Сальский завод сельскохозяйственного машиностроения - "Сальсксельмаш".
С 1976 года началась подготовка к выпуску фронтального погрузчика ПФ-0.75, предназначенного для работы на складах минеральных удобрений. Основная продукция с 1983 года и по нынешний день - погрузчик-копновоз универсальный ПКУ-0.8, выпускаемый в нескольких комплектациях. Прекрасных отзывов удостоен и стогометатель-погрузчик СНУ-550.
В 2003 году "Сальсксельмаш" приступил к выпуску коммунальной техники: щеток, отвалов, погрузчиков на трактора различных марок.
С 2004 года завод приступил к перевооружению производства. Было освоено холодное выдавливание гидроарматуры, плазменная резка труб различных профилей и диаметров, изготовление деталей на станках с числовым программным управлением.
За период с 2006 по 2012 год завод значительно обновил станочный парк. Были приобретены 5 лазерно-раскройных комплексов, более 20 токарных станков с ЧПУ, гибочный пресс,6 токарных полуавтоматов, 3 ленточно-пильных станка, 12 фрезерных станков, пружинонавивочный станок, около 40 современных сварочных аппаратов, 2 печи, введена в строй новая конвейерная окрасочная линия, восстановлены 2 линии нанесения оцинкованного покрытия, построены и восстановлены несколько цехов и котельная.
История предприятия начинается с 1934 года с центральной ремонтной мастерской совхоза "Гигант" Сальского района Ростовской области. Мастерская была преобразована в авторемонтный завод по капитальному ремонту тракторов, моторов и автомашин.
Во время войны завод выпускал спецпродукцию, затем был эвакуирован в г. Гори на Кавказе. И после освобождения Ростовской области завод вернулся на свое место в Сальский район, где освоил выпуск токарных станков. До 1959 года страна получала высокопроизводительные станки. А с 1960 завод специализируется на выпуске сельскохозяйственной техники для уборки незерновой части урожая - копновозов КНУ-11 и стогометателей СНУ - 0,5. А затем и новой сельскохозяйственной машины - копновоза КУН - 10. В 1965 году предприятие переименовалось в Сальский завод сельскохозяйственного машиностроения - "Сальсксельмаш".
С 1976 года началась подготовка к выпуску фронтального погрузчика ПФ-0.75, предназначенного для работы на складах минеральных удобрений. Основная продукция с 1983 года и по нынешний день - погрузчик-копновоз универсальный ПКУ-0.8, выпускаемый в нескольких комплектациях. Прекрасных отзывов удостоен и стогометатель-погрузчик СНУ-550.
В 2003 году "Сальсксельмаш" приступил к выпуску коммунальной техники: щеток, отвалов, погрузчиков на трактора различных марок.
С 2004 года завод приступил к перевооружению производства. Было освоено холодное выдавливание гидроарматуры, плазменная резка труб различных профилей и диаметров, изготовление деталей на станках с числовым программным управлением.
За период с 2006 по 2012 год завод значительно обновил станочный парк. Были приобретены 5 лазерно-раскройных комплексов, более 20 токарных станков с ЧПУ, гибочный пресс,6 токарных полуавтоматов, 3 ленточно-пильных станка, 12 фрезерных станков, пружинонавивочный станок, около 40 современных сварочных аппаратов, 2 печи, введена в строй новая конвейерная окрасочная линия, восстановлены 2 линии нанесения оцинкованного покрытия, построены и восстановлены несколько цехов и котельная.
