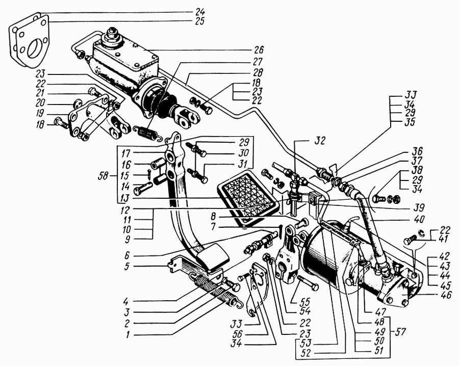
Установка привода сцепления - до 2000 г КрАЗ-65055
"Завод Красная Этна" уже более 110 лет производит крепёжные изделия и пружины для автомобильной промышленности. История завода начинается с 24 декабря 1898 года, когда по положению Комитета Министров Николай Второй разрешает Виктору Михайловичу Гольденбергу и германскому подданному Петру Ивановичу Мартини учредить "Акционерное Общество Рижского металлического завода "Этна". С 1904 года по 1915 год на Рижском металлическом заводе работали цеха: гвоздильный, горячепрокатный, цепочный, травильный, отжигательный, волочильный. Продукция завода была востребована в России, Прибалтике и за рубежом. В годы первой мировой войны завод был эвакуирован из Риги в Нижний Новгород. С этого момента для завода начинается новая история. Во время войны "Завод Красная Этна" обеспечивал своей продукцией фронт. На заводе начался выпуск минных цепей, гвоздей к солдатским сапогам, колючей проволоки, пряжек к ружьям и карабинов, а также другой продукции для нужд фронта и населения России. С 1916 года по 1918 год происходит национализация завода и смена учредителей. Завод стал именоваться, как Акционерное общество Нижегородского металлического завода "Новая Этна". С приходом советской власти на заводе сменилось название на "Красная Этна" и были запущены: электростанция, прокатный цех, цех тонкого волочения и болтозаклепочный цех. В 1925 в структуру завода вливается предприятие с парком металлорежущего оборудования. В этом же году, на базе влившегося предприятия, создаются инструментальный и механический цеха, а также лесопильно-ящичный цех. В начале 30х, организовано строительство Горьковского автомобильного завода, который оказал большое влияние на развитие и деятельность предприятия. "Красная Этна" переходит на выпуск изделий высокого класса точности и включается в обслуживание автомобильной промышленности страны. К началу Великой Отечественной войны, реконструированный завод представлял собой крупное предприятие автомобильной промышленности, которое специализировалось на выпуске: специальной проволоки, пружин, шайб, холоднокатаной ленты и автонормалей. Во время Второй Мировой войны завод бесперебойно снабжал фронт боеприпасами. С 1941 года по 1943 год на заводе работало 996 человек. В послевоенное время завод стал активно развиваться. В дальнейшем на заводе были реконструированы цеха и освоено новое производство, создано собственное станкостроение и автоматические линии, выстроен инженерный корпус и здание очистных сооружений. Организовано производство проката и пружин, а также стержневого крепежа. Создан важнейший отдел обеспечения качеством. На сегодняшний день ОАО "Завод Красная Этна" представляет собой современное, динамично-развивающееся предприятие, специализирующееся на производстве крепежных изделий для автомобильной промышленности. Продукция завода поставляется на крупнейшие предприятия России, стран СНГ и дальнего зарубежья. Продукция предприятия соответствует международным системам качества ИСО 9001-2000 и ISO/TS 16949:2002. Продукция завода прошла проверку аудиторами TUV CERT (Германия) и национальной системой ГОСТ Р. Номенклатура предприятия насчитывает более 2,5 тысячи видов крепёжных изделий, в том числе соответствующих стандарту DIN. Компания "АвтоАльянс" предлагает оригинальную продукцию производства ОАО "Завод Красная Этна". В ассортименте представлен широкий перечень продукции завода: винты различных конструкций, пружины, стремянки, шайбы, гайки, шпильки, заклепки, штуцеры, оси, пробки и пластины, а также всевозможный крепёж к различным автомобилям.
На складах : 953 шт.
"Завод Красная Этна" уже более 110 лет производит крепёжные изделия и пружины для автомобильной промышленности. История завода начинается с 24 декабря 1898 года, когда по положению Комитета Министров Николай Второй разрешает Виктору Михайловичу Гольденбергу и германскому подданному Петру Ивановичу Мартини учредить "Акционерное Общество Рижского металлического завода "Этна". С 1904 года по 1915 год на Рижском металлическом заводе работали цеха: гвоздильный, горячепрокатный, цепочный, травильный, отжигательный, волочильный. Продукция завода была востребована в России, Прибалтике и за рубежом. В годы первой мировой войны завод был эвакуирован из Риги в Нижний Новгород. С этого момента для завода начинается новая история. Во время войны "Завод Красная Этна" обеспечивал своей продукцией фронт. На заводе начался выпуск минных цепей, гвоздей к солдатским сапогам, колючей проволоки, пряжек к ружьям и карабинов, а также другой продукции для нужд фронта и населения России. С 1916 года по 1918 год происходит национализация завода и смена учредителей. Завод стал именоваться, как Акционерное общество Нижегородского металлического завода "Новая Этна". С приходом советской власти на заводе сменилось название на "Красная Этна" и были запущены: электростанция, прокатный цех, цех тонкого волочения и болтозаклепочный цех. В 1925 в структуру завода вливается предприятие с парком металлорежущего оборудования. В этом же году, на базе влившегося предприятия, создаются инструментальный и механический цеха, а также лесопильно-ящичный цех. В начале 30х, организовано строительство Горьковского автомобильного завода, который оказал большое влияние на развитие и деятельность предприятия. "Красная Этна" переходит на выпуск изделий высокого класса точности и включается в обслуживание автомобильной промышленности страны. К началу Великой Отечественной войны, реконструированный завод представлял собой крупное предприятие автомобильной промышленности, которое специализировалось на выпуске: специальной проволоки, пружин, шайб, холоднокатаной ленты и автонормалей. Во время Второй Мировой войны завод бесперебойно снабжал фронт боеприпасами. С 1941 года по 1943 год на заводе работало 996 человек. В послевоенное время завод стал активно развиваться. В дальнейшем на заводе были реконструированы цеха и освоено новое производство, создано собственное станкостроение и автоматические линии, выстроен инженерный корпус и здание очистных сооружений. Организовано производство проката и пружин, а также стержневого крепежа. Создан важнейший отдел обеспечения качеством. На сегодняшний день ОАО "Завод Красная Этна" представляет собой современное, динамично-развивающееся предприятие, специализирующееся на производстве крепежных изделий для автомобильной промышленности. Продукция завода поставляется на крупнейшие предприятия России, стран СНГ и дальнего зарубежья. Продукция предприятия соответствует международным системам качества ИСО 9001-2000 и ISO/TS 16949:2002. Продукция завода прошла проверку аудиторами TUV CERT (Германия) и национальной системой ГОСТ Р. Номенклатура предприятия насчитывает более 2,5 тысячи видов крепёжных изделий, в том числе соответствующих стандарту DIN. Компания "АвтоАльянс" предлагает оригинальную продукцию производства ОАО "Завод Красная Этна". В ассортименте представлен широкий перечень продукции завода: винты различных конструкций, пружины, стремянки, шайбы, гайки, шпильки, заклепки, штуцеры, оси, пробки и пластины, а также всевозможный крепёж к различным автомобилям.
АЗ "УРАЛ" входит в состав "Группы ГАЗ". Дата образования АЗ "УРАЛ" - 2001 год. Автомобильный завод Урал появился в результате перестройки производственного комплекса "УралАЗ". На сегодняшний день АЗ "УРАЛ" является основным звеном в структуре дивизиона "Грузовые автомобили" и занимает ведущие позиции на российском рынке полноприводных большегрузных автомобилей.
Основное назначение завода: Производство полноприводных грузовых автомобилей, дорожных грузовиков, вахтовых автобусов. На базе шасси "УРАЛ" работают более 400 видов спецтехники: вахтовые автобусы, автоцистерны, подъемные краны, топливозаправщики, пожарные автомобили, разнообразные агрегаты для лесопромышленного и нефтегазового комплекса, горной промышленности и коммунального хозяйства.
Автомобильная техника УРАЛ используется, как государственными предприятиями, так и крупными частными компаниями. В нефтегазодобывающей отрасли востребованы: бортовые автомобили, трубовозы, седельные тягачи, топливозаправщики. В начале 90-х годов на шасси "УРАЛ" изготовили спецтехнику для газодобывающей отрасли: цементировочные агрегаты, агрегаты ремонта скважин, ремонтные мастерские и др.
Основными заказчиками являются нефтяные гиганты ОАО "Газпром", ОАО "НК "Роснефть", ОАО "Сургутнефтегаз, "ТНК-ВP", энергокомпания РАО "ЕЭС", а также ряд министерств Российской Федерации: Министерство обороны, Министерство по чрезвычайным ситуациям, Министерство внутренних дел.
С 2005 года Автомобильный завод УРАЛ освоил серийное производство таких автомобилей, как седельный тягач "УРАЛ-63674" и самосвалов с грузоподъёмностью более 20 тонн "УРАЛ-63685" и "УРАЛ-6563". В 2007-2008 году на Автомобильном заводе "УРАЛ" внедряют передовые технологии:
- внедрение новой производственной системы "lean production".
- внедрение современной автоматизированной ERP-системы
- внедрение системы "Ворота Качества".
- внедрение системы менеджмента качества в соответствии с требованиями стандартов ISO 9001:2000 и ISO 9001:2008.
- внедрение СМК соответствующей требованиям ИСО/ТУ 16949:2002.
АЗ "УРАЛ" постоянно работает на расширение модельного ряда. Так в 2010 году в серийное производство был запущен вахтовый автобус Урал-32552-3011-59 и самосвал Урал-6370. А уже в 2011 году на заводе разработали вахтовый автобус на пневмоподвеске, которая обеспечит высокую плавность хода даже в условиях бездорожья.
"АвтоАльянс" активно развивает направление запчастей для автомобилей УРАЛ. В продаже широкий ассортимент продукции АЗ "УРАЛ" по оптимальным ценам. Для Вас всегда работает группа специалистов по запчастям на автомобили УРАЛ.
АЗ "УРАЛ" входит в состав "Группы ГАЗ". Дата образования АЗ "УРАЛ" - 2001 год. Автомобильный завод Урал появился в результате перестройки производственного комплекса "УралАЗ". На сегодняшний день АЗ "УРАЛ" является основным звеном в структуре дивизиона "Грузовые автомобили" и занимает ведущие позиции на российском рынке полноприводных большегрузных автомобилей.
Основное назначение завода: Производство полноприводных грузовых автомобилей, дорожных грузовиков, вахтовых автобусов. На базе шасси "УРАЛ" работают более 400 видов спецтехники: вахтовые автобусы, автоцистерны, подъемные краны, топливозаправщики, пожарные автомобили, разнообразные агрегаты для лесопромышленного и нефтегазового комплекса, горной промышленности и коммунального хозяйства.
Автомобильная техника УРАЛ используется, как государственными предприятиями, так и крупными частными компаниями. В нефтегазодобывающей отрасли востребованы: бортовые автомобили, трубовозы, седельные тягачи, топливозаправщики. В начале 90-х годов на шасси "УРАЛ" изготовили спецтехнику для газодобывающей отрасли: цементировочные агрегаты, агрегаты ремонта скважин, ремонтные мастерские и др.
Основными заказчиками являются нефтяные гиганты ОАО "Газпром", ОАО "НК "Роснефть", ОАО "Сургутнефтегаз, "ТНК-ВP", энергокомпания РАО "ЕЭС", а также ряд министерств Российской Федерации: Министерство обороны, Министерство по чрезвычайным ситуациям, Министерство внутренних дел.
С 2005 года Автомобильный завод УРАЛ освоил серийное производство таких автомобилей, как седельный тягач "УРАЛ-63674" и самосвалов с грузоподъёмностью более 20 тонн "УРАЛ-63685" и "УРАЛ-6563". В 2007-2008 году на Автомобильном заводе "УРАЛ" внедряют передовые технологии:
- внедрение новой производственной системы "lean production".
- внедрение современной автоматизированной ERP-системы
- внедрение системы "Ворота Качества".
- внедрение системы менеджмента качества в соответствии с требованиями стандартов ISO 9001:2000 и ISO 9001:2008.
- внедрение СМК соответствующей требованиям ИСО/ТУ 16949:2002.
АЗ "УРАЛ" постоянно работает на расширение модельного ряда. Так в 2010 году в серийное производство был запущен вахтовый автобус Урал-32552-3011-59 и самосвал Урал-6370. А уже в 2011 году на заводе разработали вахтовый автобус на пневмоподвеске, которая обеспечит высокую плавность хода даже в условиях бездорожья.
"АвтоАльянс" активно развивает направление запчастей для автомобилей УРАЛ. В продаже широкий ассортимент продукции АЗ "УРАЛ" по оптимальным ценам. Для Вас всегда работает группа специалистов по запчастям на автомобили УРАЛ.
Открытое акционерное общество "Минский автомобильный завод" (ОАО МАЗ) - крупнейшее предприятие Республики Беларусь по выпуску большегрузной автомобильной, пассажирской, прицепной и автокрановой техники.
Завод является самостоятельным хозяйствующим субъектом с правом юридического лица, входит в качестве головного предприятия в состав Производственного объединения "БелавтоМАЗ", в составе которого находятся также РУП "БААЗ" (г. Барановичи), РУП "ОЗАА" (г. Осиповичи) , РУА "КЗТШ" (г. Жодино), РУП "Литмаш" (г. Минск), ПРУП "ДЭМЗ" (г. Дзержинск), РУП "СтройМАЗтрест" (г. Минск).
Минский автомобильный завод включает в себя все виды действующих производств, свойственных современным крупным машиностроительным заводам, среди которых: литейное, кузнечное, прессовое, сварочное, механообрабатывающее, термическое, окрасочное, сборочное, инструментальное.
Наша компания является официальным дилером ОАО МАЗ. По итогам работы ТПС наша компания получила статус "Лучшего дилера 2009 года по продаже запасных частей ОАО МАЗ". На наших складах очень широкий ассортимент запчастей, кабин и рам для автомашин МАЗ. Мы предлагаем нашим покупателям самые низкие цены на продукцию ОАО МАЗ.
Открытое акционерное общество "Минский автомобильный завод" (ОАО МАЗ) - крупнейшее предприятие Республики Беларусь по выпуску большегрузной автомобильной, пассажирской, прицепной и автокрановой техники.
Завод является самостоятельным хозяйствующим субъектом с правом юридического лица, входит в качестве головного предприятия в состав Производственного объединения "БелавтоМАЗ", в составе которого находятся также РУП "БААЗ" (г. Барановичи), РУП "ОЗАА" (г. Осиповичи) , РУА "КЗТШ" (г. Жодино), РУП "Литмаш" (г. Минск), ПРУП "ДЭМЗ" (г. Дзержинск), РУП "СтройМАЗтрест" (г. Минск).
Минский автомобильный завод включает в себя все виды действующих производств, свойственных современным крупным машиностроительным заводам, среди которых: литейное, кузнечное, прессовое, сварочное, механообрабатывающее, термическое, окрасочное, сборочное, инструментальное.
Наша компания является официальным дилером ОАО МАЗ. По итогам работы ТПС наша компания получила статус "Лучшего дилера 2009 года по продаже запасных частей ОАО МАЗ". На наших складах очень широкий ассортимент запчастей, кабин и рам для автомашин МАЗ. Мы предлагаем нашим покупателям самые низкие цены на продукцию ОАО МАЗ.
На складах : 87 шт.
Автомобильный концерн ГАЗ является одним из ведущих производителей в России. Компания предлагает запчасти для всех своих моделей автомобилей, а также поставляет комплектующие и сопутствующие товары на рынок автокомпонентов.
Преимущества автозапчастей ГАЗ заключаются в заметном качестве и надежности продукции, а также в доступных ценах. Благодаря использованию современных технологий и высококвалифицированному персоналу, ГАЗ гарантирует соответствующие характеристики продукции.
Все запчасти и компоненты проходят строгий контроль качества на каждом из этапов производства и подвергаются испытаниям в специальных лабораториях. Это обеспечивает стабильную работу и долговечность продукции ГАЗ. Детали производятся с использованием современных технологий и проверенных материалов. Это обеспечивает высокую производительность и безопасность автомобилей, а также улучшенный комфорт во время эксплуатации.
Компания предлагает широкий ассортимент запчастей для различных моделей автомобилей, а также для транспортных средств других марок. Все изделия имеют сертификаты соответствия и гарантию на производственные дефекты.
Кроме того, ГАЗ постоянно совершенствует свои продукты и осваивает новые рынки, чтобы удовлетворить даже самые неожиданные потребности своих клиентов. Все это выгодно выделяет автозапчасти и автокомпоненты ГАЗ в глазах покупателей, как в России, так и за ее пределами.
Ассортимент:
- Двигатели и их компоненты, такие как поршни, кольца, клапаны и т.д.
- Трансмиссия, включая коробки передач и дифференциалы.
- Системы выхлопа, включая глушители, катализаторы и трубы.
- Рулевое управление, включая рулевые рейки и насосы гидроусилителя руля.
- Подвеска, включая амортизаторы, пружины, рычаги и шаровые опоры.
- Тормозные системы, включая тормозные колодки, диски и суппорты.
- Электроника, включая стартеры, генераторы, аккумуляторы и свечи зажигания.
- Кузовные запчасти, включая крылья, двери, бамперы и фары.
На складах : 36 шт.
Автомобильный концерн ГАЗ является одним из ведущих производителей в России. Компания предлагает запчасти для всех своих моделей автомобилей, а также поставляет комплектующие и сопутствующие товары на рынок автокомпонентов.
Преимущества автозапчастей ГАЗ заключаются в заметном качестве и надежности продукции, а также в доступных ценах. Благодаря использованию современных технологий и высококвалифицированному персоналу, ГАЗ гарантирует соответствующие характеристики продукции.
Все запчасти и компоненты проходят строгий контроль качества на каждом из этапов производства и подвергаются испытаниям в специальных лабораториях. Это обеспечивает стабильную работу и долговечность продукции ГАЗ. Детали производятся с использованием современных технологий и проверенных материалов. Это обеспечивает высокую производительность и безопасность автомобилей, а также улучшенный комфорт во время эксплуатации.
Компания предлагает широкий ассортимент запчастей для различных моделей автомобилей, а также для транспортных средств других марок. Все изделия имеют сертификаты соответствия и гарантию на производственные дефекты.
Кроме того, ГАЗ постоянно совершенствует свои продукты и осваивает новые рынки, чтобы удовлетворить даже самые неожиданные потребности своих клиентов. Все это выгодно выделяет автозапчасти и автокомпоненты ГАЗ в глазах покупателей, как в России, так и за ее пределами.
Ассортимент:
- Двигатели и их компоненты, такие как поршни, кольца, клапаны и т.д.
- Трансмиссия, включая коробки передач и дифференциалы.
- Системы выхлопа, включая глушители, катализаторы и трубы.
- Рулевое управление, включая рулевые рейки и насосы гидроусилителя руля.
- Подвеска, включая амортизаторы, пружины, рычаги и шаровые опоры.
- Тормозные системы, включая тормозные колодки, диски и суппорты.
- Электроника, включая стартеры, генераторы, аккумуляторы и свечи зажигания.
- Кузовные запчасти, включая крылья, двери, бамперы и фары.
Компания "Русский Двигатель" была основана в 2005 году в Ярославле и почти сразу завоевала доверие со стороны производителей двигателей. Предприятие имеет собственное производство и выпускает более 300 видов прокладок и 150 видов ремкомплектов на обширном станочном парке. Для создания прокладок «Русский двигатель» использует паронит заводского изготовления, а так же занимается индивидуальной разработкой штампов и запуском новых товаров. Компания является поставщиком паронитовых прокладок на конвейеры Ярославского Моторного Завода (Автодизель), ЯрДизель Аппаратуры, ОАО "Карачаевский механический завод", Ногинского завода топливной аппаратуры, Тутаевского Моторного Завода, Ярославского Завода Топливной Аппаратуры.
Заказать прокладки и ремкомплекты производства компании «Русский двигатель» Вы можете на сайте АвтоАльянса.
На складах : 64 шт.
Компания "Русский Двигатель" была основана в 2005 году в Ярославле и почти сразу завоевала доверие со стороны производителей двигателей. Предприятие имеет собственное производство и выпускает более 300 видов прокладок и 150 видов ремкомплектов на обширном станочном парке. Для создания прокладок «Русский двигатель» использует паронит заводского изготовления, а так же занимается индивидуальной разработкой штампов и запуском новых товаров. Компания является поставщиком паронитовых прокладок на конвейеры Ярославского Моторного Завода (Автодизель), ЯрДизель Аппаратуры, ОАО "Карачаевский механический завод", Ногинского завода топливной аппаратуры, Тутаевского Моторного Завода, Ярославского Завода Топливной Аппаратуры.
Заказать прокладки и ремкомплекты производства компании «Русский двигатель» Вы можете на сайте АвтоАльянса.
Компания "Русский Двигатель" была основана в 2005 году в Ярославле и почти сразу завоевала доверие со стороны производителей двигателей. Предприятие имеет собственное производство и выпускает более 300 видов прокладок и 150 видов ремкомплектов на обширном станочном парке. Для создания прокладок «Русский двигатель» использует паронит заводского изготовления, а так же занимается индивидуальной разработкой штампов и запуском новых товаров. Компания является поставщиком паронитовых прокладок на конвейеры Ярославского Моторного Завода (Автодизель), ЯрДизель Аппаратуры, ОАО "Карачаевский механический завод", Ногинского завода топливной аппаратуры, Тутаевского Моторного Завода, Ярославского Завода Топливной Аппаратуры.
Заказать прокладки и ремкомплекты производства компании «Русский двигатель» Вы можете на сайте АвтоАльянса.
Компания "Русский Двигатель" была основана в 2005 году в Ярославле и почти сразу завоевала доверие со стороны производителей двигателей. Предприятие имеет собственное производство и выпускает более 300 видов прокладок и 150 видов ремкомплектов на обширном станочном парке. Для создания прокладок «Русский двигатель» использует паронит заводского изготовления, а так же занимается индивидуальной разработкой штампов и запуском новых товаров. Компания является поставщиком паронитовых прокладок на конвейеры Ярославского Моторного Завода (Автодизель), ЯрДизель Аппаратуры, ОАО "Карачаевский механический завод", Ногинского завода топливной аппаратуры, Тутаевского Моторного Завода, Ярославского Завода Топливной Аппаратуры.
Заказать прокладки и ремкомплекты производства компании «Русский двигатель» Вы можете на сайте АвтоАльянса.
Компания "Русский Двигатель" была основана в 2005 году в Ярославле и почти сразу завоевала доверие со стороны производителей двигателей. Предприятие имеет собственное производство и выпускает более 300 видов прокладок и 150 видов ремкомплектов на обширном станочном парке. Для создания прокладок «Русский двигатель» использует паронит заводского изготовления, а так же занимается индивидуальной разработкой штампов и запуском новых товаров. Компания является поставщиком паронитовых прокладок на конвейеры Ярославского Моторного Завода (Автодизель), ЯрДизель Аппаратуры, ОАО "Карачаевский механический завод", Ногинского завода топливной аппаратуры, Тутаевского Моторного Завода, Ярославского Завода Топливной Аппаратуры.
Заказать прокладки и ремкомплекты производства компании «Русский двигатель» Вы можете на сайте АвтоАльянса.
Компания "Русский Двигатель" была основана в 2005 году в Ярославле и почти сразу завоевала доверие со стороны производителей двигателей. Предприятие имеет собственное производство и выпускает более 300 видов прокладок и 150 видов ремкомплектов на обширном станочном парке. Для создания прокладок «Русский двигатель» использует паронит заводского изготовления, а так же занимается индивидуальной разработкой штампов и запуском новых товаров. Компания является поставщиком паронитовых прокладок на конвейеры Ярославского Моторного Завода (Автодизель), ЯрДизель Аппаратуры, ОАО "Карачаевский механический завод", Ногинского завода топливной аппаратуры, Тутаевского Моторного Завода, Ярославского Завода Топливной Аппаратуры.
Заказать прокладки и ремкомплекты производства компании «Русский двигатель» Вы можете на сайте АвтоАльянса.
АЗ "УРАЛ" входит в состав "Группы ГАЗ". Дата образования АЗ "УРАЛ" - 2001 год. Автомобильный завод Урал появился в результате перестройки производственного комплекса "УралАЗ". На сегодняшний день АЗ "УРАЛ" является основным звеном в структуре дивизиона "Грузовые автомобили" и занимает ведущие позиции на российском рынке полноприводных большегрузных автомобилей.
Основное назначение завода: Производство полноприводных грузовых автомобилей, дорожных грузовиков, вахтовых автобусов. На базе шасси "УРАЛ" работают более 400 видов спецтехники: вахтовые автобусы, автоцистерны, подъемные краны, топливозаправщики, пожарные автомобили, разнообразные агрегаты для лесопромышленного и нефтегазового комплекса, горной промышленности и коммунального хозяйства.
Автомобильная техника УРАЛ используется, как государственными предприятиями, так и крупными частными компаниями. В нефтегазодобывающей отрасли востребованы: бортовые автомобили, трубовозы, седельные тягачи, топливозаправщики. В начале 90-х годов на шасси "УРАЛ" изготовили спецтехнику для газодобывающей отрасли: цементировочные агрегаты, агрегаты ремонта скважин, ремонтные мастерские и др.
Основными заказчиками являются нефтяные гиганты ОАО "Газпром", ОАО "НК "Роснефть", ОАО "Сургутнефтегаз, "ТНК-ВP", энергокомпания РАО "ЕЭС", а также ряд министерств Российской Федерации: Министерство обороны, Министерство по чрезвычайным ситуациям, Министерство внутренних дел.
С 2005 года Автомобильный завод УРАЛ освоил серийное производство таких автомобилей, как седельный тягач "УРАЛ-63674" и самосвалов с грузоподъёмностью более 20 тонн "УРАЛ-63685" и "УРАЛ-6563". В 2007-2008 году на Автомобильном заводе "УРАЛ" внедряют передовые технологии:
- внедрение новой производственной системы "lean production".
- внедрение современной автоматизированной ERP-системы
- внедрение системы "Ворота Качества".
- внедрение системы менеджмента качества в соответствии с требованиями стандартов ISO 9001:2000 и ISO 9001:2008.
- внедрение СМК соответствующей требованиям ИСО/ТУ 16949:2002.
АЗ "УРАЛ" постоянно работает на расширение модельного ряда. Так в 2010 году в серийное производство был запущен вахтовый автобус Урал-32552-3011-59 и самосвал Урал-6370. А уже в 2011 году на заводе разработали вахтовый автобус на пневмоподвеске, которая обеспечит высокую плавность хода даже в условиях бездорожья.
"АвтоАльянс" активно развивает направление запчастей для автомобилей УРАЛ. В продаже широкий ассортимент продукции АЗ "УРАЛ" по оптимальным ценам. Для Вас всегда работает группа специалистов по запчастям на автомобили УРАЛ.
На складах : 154 шт.
АЗ "УРАЛ" входит в состав "Группы ГАЗ". Дата образования АЗ "УРАЛ" - 2001 год. Автомобильный завод Урал появился в результате перестройки производственного комплекса "УралАЗ". На сегодняшний день АЗ "УРАЛ" является основным звеном в структуре дивизиона "Грузовые автомобили" и занимает ведущие позиции на российском рынке полноприводных большегрузных автомобилей.
Основное назначение завода: Производство полноприводных грузовых автомобилей, дорожных грузовиков, вахтовых автобусов. На базе шасси "УРАЛ" работают более 400 видов спецтехники: вахтовые автобусы, автоцистерны, подъемные краны, топливозаправщики, пожарные автомобили, разнообразные агрегаты для лесопромышленного и нефтегазового комплекса, горной промышленности и коммунального хозяйства.
Автомобильная техника УРАЛ используется, как государственными предприятиями, так и крупными частными компаниями. В нефтегазодобывающей отрасли востребованы: бортовые автомобили, трубовозы, седельные тягачи, топливозаправщики. В начале 90-х годов на шасси "УРАЛ" изготовили спецтехнику для газодобывающей отрасли: цементировочные агрегаты, агрегаты ремонта скважин, ремонтные мастерские и др.
Основными заказчиками являются нефтяные гиганты ОАО "Газпром", ОАО "НК "Роснефть", ОАО "Сургутнефтегаз, "ТНК-ВP", энергокомпания РАО "ЕЭС", а также ряд министерств Российской Федерации: Министерство обороны, Министерство по чрезвычайным ситуациям, Министерство внутренних дел.
С 2005 года Автомобильный завод УРАЛ освоил серийное производство таких автомобилей, как седельный тягач "УРАЛ-63674" и самосвалов с грузоподъёмностью более 20 тонн "УРАЛ-63685" и "УРАЛ-6563". В 2007-2008 году на Автомобильном заводе "УРАЛ" внедряют передовые технологии:
- внедрение новой производственной системы "lean production".
- внедрение современной автоматизированной ERP-системы
- внедрение системы "Ворота Качества".
- внедрение системы менеджмента качества в соответствии с требованиями стандартов ISO 9001:2000 и ISO 9001:2008.
- внедрение СМК соответствующей требованиям ИСО/ТУ 16949:2002.
АЗ "УРАЛ" постоянно работает на расширение модельного ряда. Так в 2010 году в серийное производство был запущен вахтовый автобус Урал-32552-3011-59 и самосвал Урал-6370. А уже в 2011 году на заводе разработали вахтовый автобус на пневмоподвеске, которая обеспечит высокую плавность хода даже в условиях бездорожья.
"АвтоАльянс" активно развивает направление запчастей для автомобилей УРАЛ. В продаже широкий ассортимент продукции АЗ "УРАЛ" по оптимальным ценам. Для Вас всегда работает группа специалистов по запчастям на автомобили УРАЛ.
На складах : 1050 шт.
TEHNOTRON — созданное в Набережных Челнах передовое предприятие машиностроительной направленности, водящее в состав холдинга «ТЭМПО». Технотрон обеспечивает запчастями сферу коммерческой и сельскохозяйственной техники, в особенности электрооборудование, краны и почвообрабатывающую аппаратуру.
Располагая внушительной технической и научной базой в Набережных Челнах, Tehnotron независимо осуществляет полный цикл изготовления продукции, от проектирования и подготовки ресурсов, до тестирования и реализации товара, необходимого, в том числе для экономических нужд легкой и тяжелой промышленности.
Важно отметить, что в структурно-производственной цепи, есть место для проверки итогового продукта испытательным центром, который ответственен не только за предотвращение возможных проблем, но и за наиболее продуктивное совершенствование характеристик каждого конкретного изделия. Своим конкурентным преимуществом Технотрон выделяет особую технологию окрашивания автокомплектующих из SMC.
Бренд Tehnotron отвечает за соответствие высоким международным стандартам качества, что регулярно подтверждается обновляемым перечнем сертификатов и независимым органом оценки United Registrar of Systems Ltd. (URS Certification), благодаря контролю сырья, материалов и входящих комплектующих. Производственный потенциал в концерне позволяют конструировать и собирать все элементы самостоятельно в Набережных Челнах, не привлекая сторонние организации.
В настоящее время Технотрон в основном ориентированы на активное сотрудничество с такими автомобильными марками как ПАО «КАМАЗ», ОАО «МАЗ», «Группа ГАЗ», DAIMLER KAMAZ RUS и АЗ «УРАЛ». Компания стремится выйти на стабильный рост объемов производства, освоить также и региональные рынки и консолидировать автопромышленность.
Ассортимент:
- Система охлаждения
- Система питания
- Оперение кабины (экстерьер а/м 5490)
- Принадлежности кабины
- Элементы подвески
- Тягово-сцепные устройства
- Электрика
- Седельно-сцепные устройства
- Троллейный шинопровод и многое другое
На складах : 339 шт.
TEHNOTRON — созданное в Набережных Челнах передовое предприятие машиностроительной направленности, водящее в состав холдинга «ТЭМПО». Технотрон обеспечивает запчастями сферу коммерческой и сельскохозяйственной техники, в особенности электрооборудование, краны и почвообрабатывающую аппаратуру.
Располагая внушительной технической и научной базой в Набережных Челнах, Tehnotron независимо осуществляет полный цикл изготовления продукции, от проектирования и подготовки ресурсов, до тестирования и реализации товара, необходимого, в том числе для экономических нужд легкой и тяжелой промышленности.
Важно отметить, что в структурно-производственной цепи, есть место для проверки итогового продукта испытательным центром, который ответственен не только за предотвращение возможных проблем, но и за наиболее продуктивное совершенствование характеристик каждого конкретного изделия. Своим конкурентным преимуществом Технотрон выделяет особую технологию окрашивания автокомплектующих из SMC.
Бренд Tehnotron отвечает за соответствие высоким международным стандартам качества, что регулярно подтверждается обновляемым перечнем сертификатов и независимым органом оценки United Registrar of Systems Ltd. (URS Certification), благодаря контролю сырья, материалов и входящих комплектующих. Производственный потенциал в концерне позволяют конструировать и собирать все элементы самостоятельно в Набережных Челнах, не привлекая сторонние организации.
В настоящее время Технотрон в основном ориентированы на активное сотрудничество с такими автомобильными марками как ПАО «КАМАЗ», ОАО «МАЗ», «Группа ГАЗ», DAIMLER KAMAZ RUS и АЗ «УРАЛ». Компания стремится выйти на стабильный рост объемов производства, освоить также и региональные рынки и консолидировать автопромышленность.
Ассортимент:
- Система охлаждения
- Система питания
- Оперение кабины (экстерьер а/м 5490)
- Принадлежности кабины
- Элементы подвески
- Тягово-сцепные устройства
- Электрика
- Седельно-сцепные устройства
- Троллейный шинопровод и многое другое
"Завод Красная Этна" уже более 110 лет производит крепёжные изделия и пружины для автомобильной промышленности. История завода начинается с 24 декабря 1898 года, когда по положению Комитета Министров Николай Второй разрешает Виктору Михайловичу Гольденбергу и германскому подданному Петру Ивановичу Мартини учредить "Акционерное Общество Рижского металлического завода "Этна". С 1904 года по 1915 год на Рижском металлическом заводе работали цеха: гвоздильный, горячепрокатный, цепочный, травильный, отжигательный, волочильный. Продукция завода была востребована в России, Прибалтике и за рубежом. В годы первой мировой войны завод был эвакуирован из Риги в Нижний Новгород. С этого момента для завода начинается новая история. Во время войны "Завод Красная Этна" обеспечивал своей продукцией фронт. На заводе начался выпуск минных цепей, гвоздей к солдатским сапогам, колючей проволоки, пряжек к ружьям и карабинов, а также другой продукции для нужд фронта и населения России. С 1916 года по 1918 год происходит национализация завода и смена учредителей. Завод стал именоваться, как Акционерное общество Нижегородского металлического завода "Новая Этна". С приходом советской власти на заводе сменилось название на "Красная Этна" и были запущены: электростанция, прокатный цех, цех тонкого волочения и болтозаклепочный цех. В 1925 в структуру завода вливается предприятие с парком металлорежущего оборудования. В этом же году, на базе влившегося предприятия, создаются инструментальный и механический цеха, а также лесопильно-ящичный цех. В начале 30х, организовано строительство Горьковского автомобильного завода, который оказал большое влияние на развитие и деятельность предприятия. "Красная Этна" переходит на выпуск изделий высокого класса точности и включается в обслуживание автомобильной промышленности страны. К началу Великой Отечественной войны, реконструированный завод представлял собой крупное предприятие автомобильной промышленности, которое специализировалось на выпуске: специальной проволоки, пружин, шайб, холоднокатаной ленты и автонормалей. Во время Второй Мировой войны завод бесперебойно снабжал фронт боеприпасами. С 1941 года по 1943 год на заводе работало 996 человек. В послевоенное время завод стал активно развиваться. В дальнейшем на заводе были реконструированы цеха и освоено новое производство, создано собственное станкостроение и автоматические линии, выстроен инженерный корпус и здание очистных сооружений. Организовано производство проката и пружин, а также стержневого крепежа. Создан важнейший отдел обеспечения качеством. На сегодняшний день ОАО "Завод Красная Этна" представляет собой современное, динамично-развивающееся предприятие, специализирующееся на производстве крепежных изделий для автомобильной промышленности. Продукция завода поставляется на крупнейшие предприятия России, стран СНГ и дальнего зарубежья. Продукция предприятия соответствует международным системам качества ИСО 9001-2000 и ISO/TS 16949:2002. Продукция завода прошла проверку аудиторами TUV CERT (Германия) и национальной системой ГОСТ Р. Номенклатура предприятия насчитывает более 2,5 тысячи видов крепёжных изделий, в том числе соответствующих стандарту DIN. Компания "АвтоАльянс" предлагает оригинальную продукцию производства ОАО "Завод Красная Этна". В ассортименте представлен широкий перечень продукции завода: винты различных конструкций, пружины, стремянки, шайбы, гайки, шпильки, заклепки, штуцеры, оси, пробки и пластины, а также всевозможный крепёж к различным автомобилям.
На складах : 2565 шт.
"Завод Красная Этна" уже более 110 лет производит крепёжные изделия и пружины для автомобильной промышленности. История завода начинается с 24 декабря 1898 года, когда по положению Комитета Министров Николай Второй разрешает Виктору Михайловичу Гольденбергу и германскому подданному Петру Ивановичу Мартини учредить "Акционерное Общество Рижского металлического завода "Этна". С 1904 года по 1915 год на Рижском металлическом заводе работали цеха: гвоздильный, горячепрокатный, цепочный, травильный, отжигательный, волочильный. Продукция завода была востребована в России, Прибалтике и за рубежом. В годы первой мировой войны завод был эвакуирован из Риги в Нижний Новгород. С этого момента для завода начинается новая история. Во время войны "Завод Красная Этна" обеспечивал своей продукцией фронт. На заводе начался выпуск минных цепей, гвоздей к солдатским сапогам, колючей проволоки, пряжек к ружьям и карабинов, а также другой продукции для нужд фронта и населения России. С 1916 года по 1918 год происходит национализация завода и смена учредителей. Завод стал именоваться, как Акционерное общество Нижегородского металлического завода "Новая Этна". С приходом советской власти на заводе сменилось название на "Красная Этна" и были запущены: электростанция, прокатный цех, цех тонкого волочения и болтозаклепочный цех. В 1925 в структуру завода вливается предприятие с парком металлорежущего оборудования. В этом же году, на базе влившегося предприятия, создаются инструментальный и механический цеха, а также лесопильно-ящичный цех. В начале 30х, организовано строительство Горьковского автомобильного завода, который оказал большое влияние на развитие и деятельность предприятия. "Красная Этна" переходит на выпуск изделий высокого класса точности и включается в обслуживание автомобильной промышленности страны. К началу Великой Отечественной войны, реконструированный завод представлял собой крупное предприятие автомобильной промышленности, которое специализировалось на выпуске: специальной проволоки, пружин, шайб, холоднокатаной ленты и автонормалей. Во время Второй Мировой войны завод бесперебойно снабжал фронт боеприпасами. С 1941 года по 1943 год на заводе работало 996 человек. В послевоенное время завод стал активно развиваться. В дальнейшем на заводе были реконструированы цеха и освоено новое производство, создано собственное станкостроение и автоматические линии, выстроен инженерный корпус и здание очистных сооружений. Организовано производство проката и пружин, а также стержневого крепежа. Создан важнейший отдел обеспечения качеством. На сегодняшний день ОАО "Завод Красная Этна" представляет собой современное, динамично-развивающееся предприятие, специализирующееся на производстве крепежных изделий для автомобильной промышленности. Продукция завода поставляется на крупнейшие предприятия России, стран СНГ и дальнего зарубежья. Продукция предприятия соответствует международным системам качества ИСО 9001-2000 и ISO/TS 16949:2002. Продукция завода прошла проверку аудиторами TUV CERT (Германия) и национальной системой ГОСТ Р. Номенклатура предприятия насчитывает более 2,5 тысячи видов крепёжных изделий, в том числе соответствующих стандарту DIN. Компания "АвтоАльянс" предлагает оригинальную продукцию производства ОАО "Завод Красная Этна". В ассортименте представлен широкий перечень продукции завода: винты различных конструкций, пружины, стремянки, шайбы, гайки, шпильки, заклепки, штуцеры, оси, пробки и пластины, а также всевозможный крепёж к различным автомобилям.
На складах : 525 шт.
"Завод Красная Этна" уже более 110 лет производит крепёжные изделия и пружины для автомобильной промышленности. История завода начинается с 24 декабря 1898 года, когда по положению Комитета Министров Николай Второй разрешает Виктору Михайловичу Гольденбергу и германскому подданному Петру Ивановичу Мартини учредить "Акционерное Общество Рижского металлического завода "Этна". С 1904 года по 1915 год на Рижском металлическом заводе работали цеха: гвоздильный, горячепрокатный, цепочный, травильный, отжигательный, волочильный. Продукция завода была востребована в России, Прибалтике и за рубежом. В годы первой мировой войны завод был эвакуирован из Риги в Нижний Новгород. С этого момента для завода начинается новая история. Во время войны "Завод Красная Этна" обеспечивал своей продукцией фронт. На заводе начался выпуск минных цепей, гвоздей к солдатским сапогам, колючей проволоки, пряжек к ружьям и карабинов, а также другой продукции для нужд фронта и населения России. С 1916 года по 1918 год происходит национализация завода и смена учредителей. Завод стал именоваться, как Акционерное общество Нижегородского металлического завода "Новая Этна". С приходом советской власти на заводе сменилось название на "Красная Этна" и были запущены: электростанция, прокатный цех, цех тонкого волочения и болтозаклепочный цех. В 1925 в структуру завода вливается предприятие с парком металлорежущего оборудования. В этом же году, на базе влившегося предприятия, создаются инструментальный и механический цеха, а также лесопильно-ящичный цех. В начале 30х, организовано строительство Горьковского автомобильного завода, который оказал большое влияние на развитие и деятельность предприятия. "Красная Этна" переходит на выпуск изделий высокого класса точности и включается в обслуживание автомобильной промышленности страны. К началу Великой Отечественной войны, реконструированный завод представлял собой крупное предприятие автомобильной промышленности, которое специализировалось на выпуске: специальной проволоки, пружин, шайб, холоднокатаной ленты и автонормалей. Во время Второй Мировой войны завод бесперебойно снабжал фронт боеприпасами. С 1941 года по 1943 год на заводе работало 996 человек. В послевоенное время завод стал активно развиваться. В дальнейшем на заводе были реконструированы цеха и освоено новое производство, создано собственное станкостроение и автоматические линии, выстроен инженерный корпус и здание очистных сооружений. Организовано производство проката и пружин, а также стержневого крепежа. Создан важнейший отдел обеспечения качеством. На сегодняшний день ОАО "Завод Красная Этна" представляет собой современное, динамично-развивающееся предприятие, специализирующееся на производстве крепежных изделий для автомобильной промышленности. Продукция завода поставляется на крупнейшие предприятия России, стран СНГ и дальнего зарубежья. Продукция предприятия соответствует международным системам качества ИСО 9001-2000 и ISO/TS 16949:2002. Продукция завода прошла проверку аудиторами TUV CERT (Германия) и национальной системой ГОСТ Р. Номенклатура предприятия насчитывает более 2,5 тысячи видов крепёжных изделий, в том числе соответствующих стандарту DIN. Компания "АвтоАльянс" предлагает оригинальную продукцию производства ОАО "Завод Красная Этна". В ассортименте представлен широкий перечень продукции завода: винты различных конструкций, пружины, стремянки, шайбы, гайки, шпильки, заклепки, штуцеры, оси, пробки и пластины, а также всевозможный крепёж к различным автомобилям.
На складах : 742 шт.
"Завод Красная Этна" уже более 110 лет производит крепёжные изделия и пружины для автомобильной промышленности. История завода начинается с 24 декабря 1898 года, когда по положению Комитета Министров Николай Второй разрешает Виктору Михайловичу Гольденбергу и германскому подданному Петру Ивановичу Мартини учредить "Акционерное Общество Рижского металлического завода "Этна". С 1904 года по 1915 год на Рижском металлическом заводе работали цеха: гвоздильный, горячепрокатный, цепочный, травильный, отжигательный, волочильный. Продукция завода была востребована в России, Прибалтике и за рубежом. В годы первой мировой войны завод был эвакуирован из Риги в Нижний Новгород. С этого момента для завода начинается новая история. Во время войны "Завод Красная Этна" обеспечивал своей продукцией фронт. На заводе начался выпуск минных цепей, гвоздей к солдатским сапогам, колючей проволоки, пряжек к ружьям и карабинов, а также другой продукции для нужд фронта и населения России. С 1916 года по 1918 год происходит национализация завода и смена учредителей. Завод стал именоваться, как Акционерное общество Нижегородского металлического завода "Новая Этна". С приходом советской власти на заводе сменилось название на "Красная Этна" и были запущены: электростанция, прокатный цех, цех тонкого волочения и болтозаклепочный цех. В 1925 в структуру завода вливается предприятие с парком металлорежущего оборудования. В этом же году, на базе влившегося предприятия, создаются инструментальный и механический цеха, а также лесопильно-ящичный цех. В начале 30х, организовано строительство Горьковского автомобильного завода, который оказал большое влияние на развитие и деятельность предприятия. "Красная Этна" переходит на выпуск изделий высокого класса точности и включается в обслуживание автомобильной промышленности страны. К началу Великой Отечественной войны, реконструированный завод представлял собой крупное предприятие автомобильной промышленности, которое специализировалось на выпуске: специальной проволоки, пружин, шайб, холоднокатаной ленты и автонормалей. Во время Второй Мировой войны завод бесперебойно снабжал фронт боеприпасами. С 1941 года по 1943 год на заводе работало 996 человек. В послевоенное время завод стал активно развиваться. В дальнейшем на заводе были реконструированы цеха и освоено новое производство, создано собственное станкостроение и автоматические линии, выстроен инженерный корпус и здание очистных сооружений. Организовано производство проката и пружин, а также стержневого крепежа. Создан важнейший отдел обеспечения качеством. На сегодняшний день ОАО "Завод Красная Этна" представляет собой современное, динамично-развивающееся предприятие, специализирующееся на производстве крепежных изделий для автомобильной промышленности. Продукция завода поставляется на крупнейшие предприятия России, стран СНГ и дальнего зарубежья. Продукция предприятия соответствует международным системам качества ИСО 9001-2000 и ISO/TS 16949:2002. Продукция завода прошла проверку аудиторами TUV CERT (Германия) и национальной системой ГОСТ Р. Номенклатура предприятия насчитывает более 2,5 тысячи видов крепёжных изделий, в том числе соответствующих стандарту DIN. Компания "АвтоАльянс" предлагает оригинальную продукцию производства ОАО "Завод Красная Этна". В ассортименте представлен широкий перечень продукции завода: винты различных конструкций, пружины, стремянки, шайбы, гайки, шпильки, заклепки, штуцеры, оси, пробки и пластины, а также всевозможный крепёж к различным автомобилям.
"Завод Красная Этна" уже более 110 лет производит крепёжные изделия и пружины для автомобильной промышленности. История завода начинается с 24 декабря 1898 года, когда по положению Комитета Министров Николай Второй разрешает Виктору Михайловичу Гольденбергу и германскому подданному Петру Ивановичу Мартини учредить "Акционерное Общество Рижского металлического завода "Этна". С 1904 года по 1915 год на Рижском металлическом заводе работали цеха: гвоздильный, горячепрокатный, цепочный, травильный, отжигательный, волочильный. Продукция завода была востребована в России, Прибалтике и за рубежом. В годы первой мировой войны завод был эвакуирован из Риги в Нижний Новгород. С этого момента для завода начинается новая история. Во время войны "Завод Красная Этна" обеспечивал своей продукцией фронт. На заводе начался выпуск минных цепей, гвоздей к солдатским сапогам, колючей проволоки, пряжек к ружьям и карабинов, а также другой продукции для нужд фронта и населения России. С 1916 года по 1918 год происходит национализация завода и смена учредителей. Завод стал именоваться, как Акционерное общество Нижегородского металлического завода "Новая Этна". С приходом советской власти на заводе сменилось название на "Красная Этна" и были запущены: электростанция, прокатный цех, цех тонкого волочения и болтозаклепочный цех. В 1925 в структуру завода вливается предприятие с парком металлорежущего оборудования. В этом же году, на базе влившегося предприятия, создаются инструментальный и механический цеха, а также лесопильно-ящичный цех. В начале 30х, организовано строительство Горьковского автомобильного завода, который оказал большое влияние на развитие и деятельность предприятия. "Красная Этна" переходит на выпуск изделий высокого класса точности и включается в обслуживание автомобильной промышленности страны. К началу Великой Отечественной войны, реконструированный завод представлял собой крупное предприятие автомобильной промышленности, которое специализировалось на выпуске: специальной проволоки, пружин, шайб, холоднокатаной ленты и автонормалей. Во время Второй Мировой войны завод бесперебойно снабжал фронт боеприпасами. С 1941 года по 1943 год на заводе работало 996 человек. В послевоенное время завод стал активно развиваться. В дальнейшем на заводе были реконструированы цеха и освоено новое производство, создано собственное станкостроение и автоматические линии, выстроен инженерный корпус и здание очистных сооружений. Организовано производство проката и пружин, а также стержневого крепежа. Создан важнейший отдел обеспечения качеством. На сегодняшний день ОАО "Завод Красная Этна" представляет собой современное, динамично-развивающееся предприятие, специализирующееся на производстве крепежных изделий для автомобильной промышленности. Продукция завода поставляется на крупнейшие предприятия России, стран СНГ и дальнего зарубежья. Продукция предприятия соответствует международным системам качества ИСО 9001-2000 и ISO/TS 16949:2002. Продукция завода прошла проверку аудиторами TUV CERT (Германия) и национальной системой ГОСТ Р. Номенклатура предприятия насчитывает более 2,5 тысячи видов крепёжных изделий, в том числе соответствующих стандарту DIN. Компания "АвтоАльянс" предлагает оригинальную продукцию производства ОАО "Завод Красная Этна". В ассортименте представлен широкий перечень продукции завода: винты различных конструкций, пружины, стремянки, шайбы, гайки, шпильки, заклепки, штуцеры, оси, пробки и пластины, а также всевозможный крепёж к различным автомобилям.
На складах : 1473 шт.
"Завод Красная Этна" уже более 110 лет производит крепёжные изделия и пружины для автомобильной промышленности. История завода начинается с 24 декабря 1898 года, когда по положению Комитета Министров Николай Второй разрешает Виктору Михайловичу Гольденбергу и германскому подданному Петру Ивановичу Мартини учредить "Акционерное Общество Рижского металлического завода "Этна". С 1904 года по 1915 год на Рижском металлическом заводе работали цеха: гвоздильный, горячепрокатный, цепочный, травильный, отжигательный, волочильный. Продукция завода была востребована в России, Прибалтике и за рубежом. В годы первой мировой войны завод был эвакуирован из Риги в Нижний Новгород. С этого момента для завода начинается новая история. Во время войны "Завод Красная Этна" обеспечивал своей продукцией фронт. На заводе начался выпуск минных цепей, гвоздей к солдатским сапогам, колючей проволоки, пряжек к ружьям и карабинов, а также другой продукции для нужд фронта и населения России. С 1916 года по 1918 год происходит национализация завода и смена учредителей. Завод стал именоваться, как Акционерное общество Нижегородского металлического завода "Новая Этна". С приходом советской власти на заводе сменилось название на "Красная Этна" и были запущены: электростанция, прокатный цех, цех тонкого волочения и болтозаклепочный цех. В 1925 в структуру завода вливается предприятие с парком металлорежущего оборудования. В этом же году, на базе влившегося предприятия, создаются инструментальный и механический цеха, а также лесопильно-ящичный цех. В начале 30х, организовано строительство Горьковского автомобильного завода, который оказал большое влияние на развитие и деятельность предприятия. "Красная Этна" переходит на выпуск изделий высокого класса точности и включается в обслуживание автомобильной промышленности страны. К началу Великой Отечественной войны, реконструированный завод представлял собой крупное предприятие автомобильной промышленности, которое специализировалось на выпуске: специальной проволоки, пружин, шайб, холоднокатаной ленты и автонормалей. Во время Второй Мировой войны завод бесперебойно снабжал фронт боеприпасами. С 1941 года по 1943 год на заводе работало 996 человек. В послевоенное время завод стал активно развиваться. В дальнейшем на заводе были реконструированы цеха и освоено новое производство, создано собственное станкостроение и автоматические линии, выстроен инженерный корпус и здание очистных сооружений. Организовано производство проката и пружин, а также стержневого крепежа. Создан важнейший отдел обеспечения качеством. На сегодняшний день ОАО "Завод Красная Этна" представляет собой современное, динамично-развивающееся предприятие, специализирующееся на производстве крепежных изделий для автомобильной промышленности. Продукция завода поставляется на крупнейшие предприятия России, стран СНГ и дальнего зарубежья. Продукция предприятия соответствует международным системам качества ИСО 9001-2000 и ISO/TS 16949:2002. Продукция завода прошла проверку аудиторами TUV CERT (Германия) и национальной системой ГОСТ Р. Номенклатура предприятия насчитывает более 2,5 тысячи видов крепёжных изделий, в том числе соответствующих стандарту DIN. Компания "АвтоАльянс" предлагает оригинальную продукцию производства ОАО "Завод Красная Этна". В ассортименте представлен широкий перечень продукции завода: винты различных конструкций, пружины, стремянки, шайбы, гайки, шпильки, заклепки, штуцеры, оси, пробки и пластины, а также всевозможный крепёж к различным автомобилям.
АЗ "УРАЛ" входит в состав "Группы ГАЗ". Дата образования АЗ "УРАЛ" - 2001 год. Автомобильный завод Урал появился в результате перестройки производственного комплекса "УралАЗ". На сегодняшний день АЗ "УРАЛ" является основным звеном в структуре дивизиона "Грузовые автомобили" и занимает ведущие позиции на российском рынке полноприводных большегрузных автомобилей.
Основное назначение завода: Производство полноприводных грузовых автомобилей, дорожных грузовиков, вахтовых автобусов. На базе шасси "УРАЛ" работают более 400 видов спецтехники: вахтовые автобусы, автоцистерны, подъемные краны, топливозаправщики, пожарные автомобили, разнообразные агрегаты для лесопромышленного и нефтегазового комплекса, горной промышленности и коммунального хозяйства.
Автомобильная техника УРАЛ используется, как государственными предприятиями, так и крупными частными компаниями. В нефтегазодобывающей отрасли востребованы: бортовые автомобили, трубовозы, седельные тягачи, топливозаправщики. В начале 90-х годов на шасси "УРАЛ" изготовили спецтехнику для газодобывающей отрасли: цементировочные агрегаты, агрегаты ремонта скважин, ремонтные мастерские и др.
Основными заказчиками являются нефтяные гиганты ОАО "Газпром", ОАО "НК "Роснефть", ОАО "Сургутнефтегаз, "ТНК-ВP", энергокомпания РАО "ЕЭС", а также ряд министерств Российской Федерации: Министерство обороны, Министерство по чрезвычайным ситуациям, Министерство внутренних дел.
С 2005 года Автомобильный завод УРАЛ освоил серийное производство таких автомобилей, как седельный тягач "УРАЛ-63674" и самосвалов с грузоподъёмностью более 20 тонн "УРАЛ-63685" и "УРАЛ-6563". В 2007-2008 году на Автомобильном заводе "УРАЛ" внедряют передовые технологии:
- внедрение новой производственной системы "lean production".
- внедрение современной автоматизированной ERP-системы
- внедрение системы "Ворота Качества".
- внедрение системы менеджмента качества в соответствии с требованиями стандартов ISO 9001:2000 и ISO 9001:2008.
- внедрение СМК соответствующей требованиям ИСО/ТУ 16949:2002.
АЗ "УРАЛ" постоянно работает на расширение модельного ряда. Так в 2010 году в серийное производство был запущен вахтовый автобус Урал-32552-3011-59 и самосвал Урал-6370. А уже в 2011 году на заводе разработали вахтовый автобус на пневмоподвеске, которая обеспечит высокую плавность хода даже в условиях бездорожья.
"АвтоАльянс" активно развивает направление запчастей для автомобилей УРАЛ. В продаже широкий ассортимент продукции АЗ "УРАЛ" по оптимальным ценам. Для Вас всегда работает группа специалистов по запчастям на автомобили УРАЛ.
АЗ "УРАЛ" входит в состав "Группы ГАЗ". Дата образования АЗ "УРАЛ" - 2001 год. Автомобильный завод Урал появился в результате перестройки производственного комплекса "УралАЗ". На сегодняшний день АЗ "УРАЛ" является основным звеном в структуре дивизиона "Грузовые автомобили" и занимает ведущие позиции на российском рынке полноприводных большегрузных автомобилей.
Основное назначение завода: Производство полноприводных грузовых автомобилей, дорожных грузовиков, вахтовых автобусов. На базе шасси "УРАЛ" работают более 400 видов спецтехники: вахтовые автобусы, автоцистерны, подъемные краны, топливозаправщики, пожарные автомобили, разнообразные агрегаты для лесопромышленного и нефтегазового комплекса, горной промышленности и коммунального хозяйства.
Автомобильная техника УРАЛ используется, как государственными предприятиями, так и крупными частными компаниями. В нефтегазодобывающей отрасли востребованы: бортовые автомобили, трубовозы, седельные тягачи, топливозаправщики. В начале 90-х годов на шасси "УРАЛ" изготовили спецтехнику для газодобывающей отрасли: цементировочные агрегаты, агрегаты ремонта скважин, ремонтные мастерские и др.
Основными заказчиками являются нефтяные гиганты ОАО "Газпром", ОАО "НК "Роснефть", ОАО "Сургутнефтегаз, "ТНК-ВP", энергокомпания РАО "ЕЭС", а также ряд министерств Российской Федерации: Министерство обороны, Министерство по чрезвычайным ситуациям, Министерство внутренних дел.
С 2005 года Автомобильный завод УРАЛ освоил серийное производство таких автомобилей, как седельный тягач "УРАЛ-63674" и самосвалов с грузоподъёмностью более 20 тонн "УРАЛ-63685" и "УРАЛ-6563". В 2007-2008 году на Автомобильном заводе "УРАЛ" внедряют передовые технологии:
- внедрение новой производственной системы "lean production".
- внедрение современной автоматизированной ERP-системы
- внедрение системы "Ворота Качества".
- внедрение системы менеджмента качества в соответствии с требованиями стандартов ISO 9001:2000 и ISO 9001:2008.
- внедрение СМК соответствующей требованиям ИСО/ТУ 16949:2002.
АЗ "УРАЛ" постоянно работает на расширение модельного ряда. Так в 2010 году в серийное производство был запущен вахтовый автобус Урал-32552-3011-59 и самосвал Урал-6370. А уже в 2011 году на заводе разработали вахтовый автобус на пневмоподвеске, которая обеспечит высокую плавность хода даже в условиях бездорожья.
"АвтоАльянс" активно развивает направление запчастей для автомобилей УРАЛ. В продаже широкий ассортимент продукции АЗ "УРАЛ" по оптимальным ценам. Для Вас всегда работает группа специалистов по запчастям на автомобили УРАЛ.
Автомобильный концерн ГАЗ является одним из ведущих производителей в России. Компания предлагает запчасти для всех своих моделей автомобилей, а также поставляет комплектующие и сопутствующие товары на рынок автокомпонентов.
Преимущества автозапчастей ГАЗ заключаются в заметном качестве и надежности продукции, а также в доступных ценах. Благодаря использованию современных технологий и высококвалифицированному персоналу, ГАЗ гарантирует соответствующие характеристики продукции.
Все запчасти и компоненты проходят строгий контроль качества на каждом из этапов производства и подвергаются испытаниям в специальных лабораториях. Это обеспечивает стабильную работу и долговечность продукции ГАЗ. Детали производятся с использованием современных технологий и проверенных материалов. Это обеспечивает высокую производительность и безопасность автомобилей, а также улучшенный комфорт во время эксплуатации.
Компания предлагает широкий ассортимент запчастей для различных моделей автомобилей, а также для транспортных средств других марок. Все изделия имеют сертификаты соответствия и гарантию на производственные дефекты.
Кроме того, ГАЗ постоянно совершенствует свои продукты и осваивает новые рынки, чтобы удовлетворить даже самые неожиданные потребности своих клиентов. Все это выгодно выделяет автозапчасти и автокомпоненты ГАЗ в глазах покупателей, как в России, так и за ее пределами.
Ассортимент:
- Двигатели и их компоненты, такие как поршни, кольца, клапаны и т.д.
- Трансмиссия, включая коробки передач и дифференциалы.
- Системы выхлопа, включая глушители, катализаторы и трубы.
- Рулевое управление, включая рулевые рейки и насосы гидроусилителя руля.
- Подвеска, включая амортизаторы, пружины, рычаги и шаровые опоры.
- Тормозные системы, включая тормозные колодки, диски и суппорты.
- Электроника, включая стартеры, генераторы, аккумуляторы и свечи зажигания.
- Кузовные запчасти, включая крылья, двери, бамперы и фары.
Автомобильный концерн ГАЗ является одним из ведущих производителей в России. Компания предлагает запчасти для всех своих моделей автомобилей, а также поставляет комплектующие и сопутствующие товары на рынок автокомпонентов.
Преимущества автозапчастей ГАЗ заключаются в заметном качестве и надежности продукции, а также в доступных ценах. Благодаря использованию современных технологий и высококвалифицированному персоналу, ГАЗ гарантирует соответствующие характеристики продукции.
Все запчасти и компоненты проходят строгий контроль качества на каждом из этапов производства и подвергаются испытаниям в специальных лабораториях. Это обеспечивает стабильную работу и долговечность продукции ГАЗ. Детали производятся с использованием современных технологий и проверенных материалов. Это обеспечивает высокую производительность и безопасность автомобилей, а также улучшенный комфорт во время эксплуатации.
Компания предлагает широкий ассортимент запчастей для различных моделей автомобилей, а также для транспортных средств других марок. Все изделия имеют сертификаты соответствия и гарантию на производственные дефекты.
Кроме того, ГАЗ постоянно совершенствует свои продукты и осваивает новые рынки, чтобы удовлетворить даже самые неожиданные потребности своих клиентов. Все это выгодно выделяет автозапчасти и автокомпоненты ГАЗ в глазах покупателей, как в России, так и за ее пределами.
Ассортимент:
- Двигатели и их компоненты, такие как поршни, кольца, клапаны и т.д.
- Трансмиссия, включая коробки передач и дифференциалы.
- Системы выхлопа, включая глушители, катализаторы и трубы.
- Рулевое управление, включая рулевые рейки и насосы гидроусилителя руля.
- Подвеска, включая амортизаторы, пружины, рычаги и шаровые опоры.
- Тормозные системы, включая тормозные колодки, диски и суппорты.
- Электроника, включая стартеры, генераторы, аккумуляторы и свечи зажигания.
- Кузовные запчасти, включая крылья, двери, бамперы и фары.
АЗ "УРАЛ" входит в состав "Группы ГАЗ". Дата образования АЗ "УРАЛ" - 2001 год. Автомобильный завод Урал появился в результате перестройки производственного комплекса "УралАЗ". На сегодняшний день АЗ "УРАЛ" является основным звеном в структуре дивизиона "Грузовые автомобили" и занимает ведущие позиции на российском рынке полноприводных большегрузных автомобилей.
Основное назначение завода: Производство полноприводных грузовых автомобилей, дорожных грузовиков, вахтовых автобусов. На базе шасси "УРАЛ" работают более 400 видов спецтехники: вахтовые автобусы, автоцистерны, подъемные краны, топливозаправщики, пожарные автомобили, разнообразные агрегаты для лесопромышленного и нефтегазового комплекса, горной промышленности и коммунального хозяйства.
Автомобильная техника УРАЛ используется, как государственными предприятиями, так и крупными частными компаниями. В нефтегазодобывающей отрасли востребованы: бортовые автомобили, трубовозы, седельные тягачи, топливозаправщики. В начале 90-х годов на шасси "УРАЛ" изготовили спецтехнику для газодобывающей отрасли: цементировочные агрегаты, агрегаты ремонта скважин, ремонтные мастерские и др.
Основными заказчиками являются нефтяные гиганты ОАО "Газпром", ОАО "НК "Роснефть", ОАО "Сургутнефтегаз, "ТНК-ВP", энергокомпания РАО "ЕЭС", а также ряд министерств Российской Федерации: Министерство обороны, Министерство по чрезвычайным ситуациям, Министерство внутренних дел.
С 2005 года Автомобильный завод УРАЛ освоил серийное производство таких автомобилей, как седельный тягач "УРАЛ-63674" и самосвалов с грузоподъёмностью более 20 тонн "УРАЛ-63685" и "УРАЛ-6563". В 2007-2008 году на Автомобильном заводе "УРАЛ" внедряют передовые технологии:
- внедрение новой производственной системы "lean production".
- внедрение современной автоматизированной ERP-системы
- внедрение системы "Ворота Качества".
- внедрение системы менеджмента качества в соответствии с требованиями стандартов ISO 9001:2000 и ISO 9001:2008.
- внедрение СМК соответствующей требованиям ИСО/ТУ 16949:2002.
АЗ "УРАЛ" постоянно работает на расширение модельного ряда. Так в 2010 году в серийное производство был запущен вахтовый автобус Урал-32552-3011-59 и самосвал Урал-6370. А уже в 2011 году на заводе разработали вахтовый автобус на пневмоподвеске, которая обеспечит высокую плавность хода даже в условиях бездорожья.
"АвтоАльянс" активно развивает направление запчастей для автомобилей УРАЛ. В продаже широкий ассортимент продукции АЗ "УРАЛ" по оптимальным ценам. Для Вас всегда работает группа специалистов по запчастям на автомобили УРАЛ.
АЗ "УРАЛ" входит в состав "Группы ГАЗ". Дата образования АЗ "УРАЛ" - 2001 год. Автомобильный завод Урал появился в результате перестройки производственного комплекса "УралАЗ". На сегодняшний день АЗ "УРАЛ" является основным звеном в структуре дивизиона "Грузовые автомобили" и занимает ведущие позиции на российском рынке полноприводных большегрузных автомобилей.
Основное назначение завода: Производство полноприводных грузовых автомобилей, дорожных грузовиков, вахтовых автобусов. На базе шасси "УРАЛ" работают более 400 видов спецтехники: вахтовые автобусы, автоцистерны, подъемные краны, топливозаправщики, пожарные автомобили, разнообразные агрегаты для лесопромышленного и нефтегазового комплекса, горной промышленности и коммунального хозяйства.
Автомобильная техника УРАЛ используется, как государственными предприятиями, так и крупными частными компаниями. В нефтегазодобывающей отрасли востребованы: бортовые автомобили, трубовозы, седельные тягачи, топливозаправщики. В начале 90-х годов на шасси "УРАЛ" изготовили спецтехнику для газодобывающей отрасли: цементировочные агрегаты, агрегаты ремонта скважин, ремонтные мастерские и др.
Основными заказчиками являются нефтяные гиганты ОАО "Газпром", ОАО "НК "Роснефть", ОАО "Сургутнефтегаз, "ТНК-ВP", энергокомпания РАО "ЕЭС", а также ряд министерств Российской Федерации: Министерство обороны, Министерство по чрезвычайным ситуациям, Министерство внутренних дел.
С 2005 года Автомобильный завод УРАЛ освоил серийное производство таких автомобилей, как седельный тягач "УРАЛ-63674" и самосвалов с грузоподъёмностью более 20 тонн "УРАЛ-63685" и "УРАЛ-6563". В 2007-2008 году на Автомобильном заводе "УРАЛ" внедряют передовые технологии:
- внедрение новой производственной системы "lean production".
- внедрение современной автоматизированной ERP-системы
- внедрение системы "Ворота Качества".
- внедрение системы менеджмента качества в соответствии с требованиями стандартов ISO 9001:2000 и ISO 9001:2008.
- внедрение СМК соответствующей требованиям ИСО/ТУ 16949:2002.
АЗ "УРАЛ" постоянно работает на расширение модельного ряда. Так в 2010 году в серийное производство был запущен вахтовый автобус Урал-32552-3011-59 и самосвал Урал-6370. А уже в 2011 году на заводе разработали вахтовый автобус на пневмоподвеске, которая обеспечит высокую плавность хода даже в условиях бездорожья.
"АвтоАльянс" активно развивает направление запчастей для автомобилей УРАЛ. В продаже широкий ассортимент продукции АЗ "УРАЛ" по оптимальным ценам. Для Вас всегда работает группа специалистов по запчастям на автомобили УРАЛ.
"Завод Красная Этна" уже более 110 лет производит крепёжные изделия и пружины для автомобильной промышленности. История завода начинается с 24 декабря 1898 года, когда по положению Комитета Министров Николай Второй разрешает Виктору Михайловичу Гольденбергу и германскому подданному Петру Ивановичу Мартини учредить "Акционерное Общество Рижского металлического завода "Этна". С 1904 года по 1915 год на Рижском металлическом заводе работали цеха: гвоздильный, горячепрокатный, цепочный, травильный, отжигательный, волочильный. Продукция завода была востребована в России, Прибалтике и за рубежом. В годы первой мировой войны завод был эвакуирован из Риги в Нижний Новгород. С этого момента для завода начинается новая история. Во время войны "Завод Красная Этна" обеспечивал своей продукцией фронт. На заводе начался выпуск минных цепей, гвоздей к солдатским сапогам, колючей проволоки, пряжек к ружьям и карабинов, а также другой продукции для нужд фронта и населения России. С 1916 года по 1918 год происходит национализация завода и смена учредителей. Завод стал именоваться, как Акционерное общество Нижегородского металлического завода "Новая Этна". С приходом советской власти на заводе сменилось название на "Красная Этна" и были запущены: электростанция, прокатный цех, цех тонкого волочения и болтозаклепочный цех. В 1925 в структуру завода вливается предприятие с парком металлорежущего оборудования. В этом же году, на базе влившегося предприятия, создаются инструментальный и механический цеха, а также лесопильно-ящичный цех. В начале 30х, организовано строительство Горьковского автомобильного завода, который оказал большое влияние на развитие и деятельность предприятия. "Красная Этна" переходит на выпуск изделий высокого класса точности и включается в обслуживание автомобильной промышленности страны. К началу Великой Отечественной войны, реконструированный завод представлял собой крупное предприятие автомобильной промышленности, которое специализировалось на выпуске: специальной проволоки, пружин, шайб, холоднокатаной ленты и автонормалей. Во время Второй Мировой войны завод бесперебойно снабжал фронт боеприпасами. С 1941 года по 1943 год на заводе работало 996 человек. В послевоенное время завод стал активно развиваться. В дальнейшем на заводе были реконструированы цеха и освоено новое производство, создано собственное станкостроение и автоматические линии, выстроен инженерный корпус и здание очистных сооружений. Организовано производство проката и пружин, а также стержневого крепежа. Создан важнейший отдел обеспечения качеством. На сегодняшний день ОАО "Завод Красная Этна" представляет собой современное, динамично-развивающееся предприятие, специализирующееся на производстве крепежных изделий для автомобильной промышленности. Продукция завода поставляется на крупнейшие предприятия России, стран СНГ и дальнего зарубежья. Продукция предприятия соответствует международным системам качества ИСО 9001-2000 и ISO/TS 16949:2002. Продукция завода прошла проверку аудиторами TUV CERT (Германия) и национальной системой ГОСТ Р. Номенклатура предприятия насчитывает более 2,5 тысячи видов крепёжных изделий, в том числе соответствующих стандарту DIN. Компания "АвтоАльянс" предлагает оригинальную продукцию производства ОАО "Завод Красная Этна". В ассортименте представлен широкий перечень продукции завода: винты различных конструкций, пружины, стремянки, шайбы, гайки, шпильки, заклепки, штуцеры, оси, пробки и пластины, а также всевозможный крепёж к различным автомобилям.
На складах : 5600 шт.
"Завод Красная Этна" уже более 110 лет производит крепёжные изделия и пружины для автомобильной промышленности. История завода начинается с 24 декабря 1898 года, когда по положению Комитета Министров Николай Второй разрешает Виктору Михайловичу Гольденбергу и германскому подданному Петру Ивановичу Мартини учредить "Акционерное Общество Рижского металлического завода "Этна". С 1904 года по 1915 год на Рижском металлическом заводе работали цеха: гвоздильный, горячепрокатный, цепочный, травильный, отжигательный, волочильный. Продукция завода была востребована в России, Прибалтике и за рубежом. В годы первой мировой войны завод был эвакуирован из Риги в Нижний Новгород. С этого момента для завода начинается новая история. Во время войны "Завод Красная Этна" обеспечивал своей продукцией фронт. На заводе начался выпуск минных цепей, гвоздей к солдатским сапогам, колючей проволоки, пряжек к ружьям и карабинов, а также другой продукции для нужд фронта и населения России. С 1916 года по 1918 год происходит национализация завода и смена учредителей. Завод стал именоваться, как Акционерное общество Нижегородского металлического завода "Новая Этна". С приходом советской власти на заводе сменилось название на "Красная Этна" и были запущены: электростанция, прокатный цех, цех тонкого волочения и болтозаклепочный цех. В 1925 в структуру завода вливается предприятие с парком металлорежущего оборудования. В этом же году, на базе влившегося предприятия, создаются инструментальный и механический цеха, а также лесопильно-ящичный цех. В начале 30х, организовано строительство Горьковского автомобильного завода, который оказал большое влияние на развитие и деятельность предприятия. "Красная Этна" переходит на выпуск изделий высокого класса точности и включается в обслуживание автомобильной промышленности страны. К началу Великой Отечественной войны, реконструированный завод представлял собой крупное предприятие автомобильной промышленности, которое специализировалось на выпуске: специальной проволоки, пружин, шайб, холоднокатаной ленты и автонормалей. Во время Второй Мировой войны завод бесперебойно снабжал фронт боеприпасами. С 1941 года по 1943 год на заводе работало 996 человек. В послевоенное время завод стал активно развиваться. В дальнейшем на заводе были реконструированы цеха и освоено новое производство, создано собственное станкостроение и автоматические линии, выстроен инженерный корпус и здание очистных сооружений. Организовано производство проката и пружин, а также стержневого крепежа. Создан важнейший отдел обеспечения качеством. На сегодняшний день ОАО "Завод Красная Этна" представляет собой современное, динамично-развивающееся предприятие, специализирующееся на производстве крепежных изделий для автомобильной промышленности. Продукция завода поставляется на крупнейшие предприятия России, стран СНГ и дальнего зарубежья. Продукция предприятия соответствует международным системам качества ИСО 9001-2000 и ISO/TS 16949:2002. Продукция завода прошла проверку аудиторами TUV CERT (Германия) и национальной системой ГОСТ Р. Номенклатура предприятия насчитывает более 2,5 тысячи видов крепёжных изделий, в том числе соответствующих стандарту DIN. Компания "АвтоАльянс" предлагает оригинальную продукцию производства ОАО "Завод Красная Этна". В ассортименте представлен широкий перечень продукции завода: винты различных конструкций, пружины, стремянки, шайбы, гайки, шпильки, заклепки, штуцеры, оси, пробки и пластины, а также всевозможный крепёж к различным автомобилям.
Автомобильный концерн ГАЗ является одним из ведущих производителей в России. Компания предлагает запчасти для всех своих моделей автомобилей, а также поставляет комплектующие и сопутствующие товары на рынок автокомпонентов.
Преимущества автозапчастей ГАЗ заключаются в заметном качестве и надежности продукции, а также в доступных ценах. Благодаря использованию современных технологий и высококвалифицированному персоналу, ГАЗ гарантирует соответствующие характеристики продукции.
Все запчасти и компоненты проходят строгий контроль качества на каждом из этапов производства и подвергаются испытаниям в специальных лабораториях. Это обеспечивает стабильную работу и долговечность продукции ГАЗ. Детали производятся с использованием современных технологий и проверенных материалов. Это обеспечивает высокую производительность и безопасность автомобилей, а также улучшенный комфорт во время эксплуатации.
Компания предлагает широкий ассортимент запчастей для различных моделей автомобилей, а также для транспортных средств других марок. Все изделия имеют сертификаты соответствия и гарантию на производственные дефекты.
Кроме того, ГАЗ постоянно совершенствует свои продукты и осваивает новые рынки, чтобы удовлетворить даже самые неожиданные потребности своих клиентов. Все это выгодно выделяет автозапчасти и автокомпоненты ГАЗ в глазах покупателей, как в России, так и за ее пределами.
Ассортимент:
- Двигатели и их компоненты, такие как поршни, кольца, клапаны и т.д.
- Трансмиссия, включая коробки передач и дифференциалы.
- Системы выхлопа, включая глушители, катализаторы и трубы.
- Рулевое управление, включая рулевые рейки и насосы гидроусилителя руля.
- Подвеска, включая амортизаторы, пружины, рычаги и шаровые опоры.
- Тормозные системы, включая тормозные колодки, диски и суппорты.
- Электроника, включая стартеры, генераторы, аккумуляторы и свечи зажигания.
- Кузовные запчасти, включая крылья, двери, бамперы и фары.
Автомобильный концерн ГАЗ является одним из ведущих производителей в России. Компания предлагает запчасти для всех своих моделей автомобилей, а также поставляет комплектующие и сопутствующие товары на рынок автокомпонентов.
Преимущества автозапчастей ГАЗ заключаются в заметном качестве и надежности продукции, а также в доступных ценах. Благодаря использованию современных технологий и высококвалифицированному персоналу, ГАЗ гарантирует соответствующие характеристики продукции.
Все запчасти и компоненты проходят строгий контроль качества на каждом из этапов производства и подвергаются испытаниям в специальных лабораториях. Это обеспечивает стабильную работу и долговечность продукции ГАЗ. Детали производятся с использованием современных технологий и проверенных материалов. Это обеспечивает высокую производительность и безопасность автомобилей, а также улучшенный комфорт во время эксплуатации.
Компания предлагает широкий ассортимент запчастей для различных моделей автомобилей, а также для транспортных средств других марок. Все изделия имеют сертификаты соответствия и гарантию на производственные дефекты.
Кроме того, ГАЗ постоянно совершенствует свои продукты и осваивает новые рынки, чтобы удовлетворить даже самые неожиданные потребности своих клиентов. Все это выгодно выделяет автозапчасти и автокомпоненты ГАЗ в глазах покупателей, как в России, так и за ее пределами.
Ассортимент:
- Двигатели и их компоненты, такие как поршни, кольца, клапаны и т.д.
- Трансмиссия, включая коробки передач и дифференциалы.
- Системы выхлопа, включая глушители, катализаторы и трубы.
- Рулевое управление, включая рулевые рейки и насосы гидроусилителя руля.
- Подвеска, включая амортизаторы, пружины, рычаги и шаровые опоры.
- Тормозные системы, включая тормозные колодки, диски и суппорты.
- Электроника, включая стартеры, генераторы, аккумуляторы и свечи зажигания.
- Кузовные запчасти, включая крылья, двери, бамперы и фары.
ПАО "Автодизель" (Ярославский моторный завод) - одно из старейших предприятий российского автомобилестроения. В 1920 - 50-е годы был освоен выпуск первых в стране 3-12-тонных автомобилей, самосвалов, троллейбусов, автобусов, автомобильных дизельных двигателей.
С 1958 г. Ярославский моторный завод специализируется на разработке и производстве дизельных силовых агрегатов многоцелевого назначения и является признанным лидером отечественного двигателестроения.
На сегодняшний день Ярославский моторный завод (ПАО «Автодизель») является крупнейшим российским предприятием, специализирующимся на производстве дизельных двигателей многоцелевого назначения, сцеплений, коробок передач, запасных частей к ним, а также стационарных агрегатов на базе дизелей ЯМЗ.
Ярославские двигатели нашли применение более чем на 300 видах изделий производства ведущих предприятий России, Белоруссии, Украины. Они устанавливаются на автомобили, магистральные автопоезда, карьерные самосвалы, аэродромные тягачи, зерно-уборочные комбайны, лесовозы, экскаваторы, автобусы, а также на дизель-электрические станции и агрегаты.
Основные потребители: ОАО «МАЗ», ОАО «Автомобильный завод «Урал», ООО «ЛиАЗ», ХК «АвтоКрАЗ», РУПП «БелАЗ», ОАО «Электроагрегат» (Курск) и другие. Широкое применение двигатели ЯМЗ находят на специализированной технике Министерства обороны РФ.
"АвтоАльянс" является официальным дилером ПАО «Автодизель» (ЯМЗ) уже много лет и обеспечивает потребителей полным перечнем продукции завода. От запчастей до двигателей в сборе.
Борьба с контрафактом
ПАО "Автодизель" (Ярославский моторный завод) тщательно следит за высоким качеством продукции, а так же проводит комплекс активных мероприятий для борьбы с контрафактными предложениями на рынке. Для противодействия распространению контрафакта на официальном сайте завода создан раздел ЯМЗ/ЯЗДА. Защита от контрафакта, в котором размещена информация о конкурентных преимуществах оригинальной продукции, о рисках и угрозах использования альтернативной продукции ненадлежащего качества, а также доступна опция проверки оригинальности продукции ЯМЗ.
На складах : 255 шт.
ПАО "Автодизель" (Ярославский моторный завод) - одно из старейших предприятий российского автомобилестроения. В 1920 - 50-е годы был освоен выпуск первых в стране 3-12-тонных автомобилей, самосвалов, троллейбусов, автобусов, автомобильных дизельных двигателей.
С 1958 г. Ярославский моторный завод специализируется на разработке и производстве дизельных силовых агрегатов многоцелевого назначения и является признанным лидером отечественного двигателестроения.
На сегодняшний день Ярославский моторный завод (ПАО «Автодизель») является крупнейшим российским предприятием, специализирующимся на производстве дизельных двигателей многоцелевого назначения, сцеплений, коробок передач, запасных частей к ним, а также стационарных агрегатов на базе дизелей ЯМЗ.
Ярославские двигатели нашли применение более чем на 300 видах изделий производства ведущих предприятий России, Белоруссии, Украины. Они устанавливаются на автомобили, магистральные автопоезда, карьерные самосвалы, аэродромные тягачи, зерно-уборочные комбайны, лесовозы, экскаваторы, автобусы, а также на дизель-электрические станции и агрегаты.
Основные потребители: ОАО «МАЗ», ОАО «Автомобильный завод «Урал», ООО «ЛиАЗ», ХК «АвтоКрАЗ», РУПП «БелАЗ», ОАО «Электроагрегат» (Курск) и другие. Широкое применение двигатели ЯМЗ находят на специализированной технике Министерства обороны РФ.
"АвтоАльянс" является официальным дилером ПАО «Автодизель» (ЯМЗ) уже много лет и обеспечивает потребителей полным перечнем продукции завода. От запчастей до двигателей в сборе.
Борьба с контрафактом
ПАО "Автодизель" (Ярославский моторный завод) тщательно следит за высоким качеством продукции, а так же проводит комплекс активных мероприятий для борьбы с контрафактными предложениями на рынке. Для противодействия распространению контрафакта на официальном сайте завода создан раздел ЯМЗ/ЯЗДА. Защита от контрафакта, в котором размещена информация о конкурентных преимуществах оригинальной продукции, о рисках и угрозах использования альтернативной продукции ненадлежащего качества, а также доступна опция проверки оригинальности продукции ЯМЗ.
"Завод Красная Этна" уже более 110 лет производит крепёжные изделия и пружины для автомобильной промышленности. История завода начинается с 24 декабря 1898 года, когда по положению Комитета Министров Николай Второй разрешает Виктору Михайловичу Гольденбергу и германскому подданному Петру Ивановичу Мартини учредить "Акционерное Общество Рижского металлического завода "Этна". С 1904 года по 1915 год на Рижском металлическом заводе работали цеха: гвоздильный, горячепрокатный, цепочный, травильный, отжигательный, волочильный. Продукция завода была востребована в России, Прибалтике и за рубежом. В годы первой мировой войны завод был эвакуирован из Риги в Нижний Новгород. С этого момента для завода начинается новая история. Во время войны "Завод Красная Этна" обеспечивал своей продукцией фронт. На заводе начался выпуск минных цепей, гвоздей к солдатским сапогам, колючей проволоки, пряжек к ружьям и карабинов, а также другой продукции для нужд фронта и населения России. С 1916 года по 1918 год происходит национализация завода и смена учредителей. Завод стал именоваться, как Акционерное общество Нижегородского металлического завода "Новая Этна". С приходом советской власти на заводе сменилось название на "Красная Этна" и были запущены: электростанция, прокатный цех, цех тонкого волочения и болтозаклепочный цех. В 1925 в структуру завода вливается предприятие с парком металлорежущего оборудования. В этом же году, на базе влившегося предприятия, создаются инструментальный и механический цеха, а также лесопильно-ящичный цех. В начале 30х, организовано строительство Горьковского автомобильного завода, который оказал большое влияние на развитие и деятельность предприятия. "Красная Этна" переходит на выпуск изделий высокого класса точности и включается в обслуживание автомобильной промышленности страны. К началу Великой Отечественной войны, реконструированный завод представлял собой крупное предприятие автомобильной промышленности, которое специализировалось на выпуске: специальной проволоки, пружин, шайб, холоднокатаной ленты и автонормалей. Во время Второй Мировой войны завод бесперебойно снабжал фронт боеприпасами. С 1941 года по 1943 год на заводе работало 996 человек. В послевоенное время завод стал активно развиваться. В дальнейшем на заводе были реконструированы цеха и освоено новое производство, создано собственное станкостроение и автоматические линии, выстроен инженерный корпус и здание очистных сооружений. Организовано производство проката и пружин, а также стержневого крепежа. Создан важнейший отдел обеспечения качеством. На сегодняшний день ОАО "Завод Красная Этна" представляет собой современное, динамично-развивающееся предприятие, специализирующееся на производстве крепежных изделий для автомобильной промышленности. Продукция завода поставляется на крупнейшие предприятия России, стран СНГ и дальнего зарубежья. Продукция предприятия соответствует международным системам качества ИСО 9001-2000 и ISO/TS 16949:2002. Продукция завода прошла проверку аудиторами TUV CERT (Германия) и национальной системой ГОСТ Р. Номенклатура предприятия насчитывает более 2,5 тысячи видов крепёжных изделий, в том числе соответствующих стандарту DIN. Компания "АвтоАльянс" предлагает оригинальную продукцию производства ОАО "Завод Красная Этна". В ассортименте представлен широкий перечень продукции завода: винты различных конструкций, пружины, стремянки, шайбы, гайки, шпильки, заклепки, штуцеры, оси, пробки и пластины, а также всевозможный крепёж к различным автомобилям.
На складах : 4434 шт.
"Завод Красная Этна" уже более 110 лет производит крепёжные изделия и пружины для автомобильной промышленности. История завода начинается с 24 декабря 1898 года, когда по положению Комитета Министров Николай Второй разрешает Виктору Михайловичу Гольденбергу и германскому подданному Петру Ивановичу Мартини учредить "Акционерное Общество Рижского металлического завода "Этна". С 1904 года по 1915 год на Рижском металлическом заводе работали цеха: гвоздильный, горячепрокатный, цепочный, травильный, отжигательный, волочильный. Продукция завода была востребована в России, Прибалтике и за рубежом. В годы первой мировой войны завод был эвакуирован из Риги в Нижний Новгород. С этого момента для завода начинается новая история. Во время войны "Завод Красная Этна" обеспечивал своей продукцией фронт. На заводе начался выпуск минных цепей, гвоздей к солдатским сапогам, колючей проволоки, пряжек к ружьям и карабинов, а также другой продукции для нужд фронта и населения России. С 1916 года по 1918 год происходит национализация завода и смена учредителей. Завод стал именоваться, как Акционерное общество Нижегородского металлического завода "Новая Этна". С приходом советской власти на заводе сменилось название на "Красная Этна" и были запущены: электростанция, прокатный цех, цех тонкого волочения и болтозаклепочный цех. В 1925 в структуру завода вливается предприятие с парком металлорежущего оборудования. В этом же году, на базе влившегося предприятия, создаются инструментальный и механический цеха, а также лесопильно-ящичный цех. В начале 30х, организовано строительство Горьковского автомобильного завода, который оказал большое влияние на развитие и деятельность предприятия. "Красная Этна" переходит на выпуск изделий высокого класса точности и включается в обслуживание автомобильной промышленности страны. К началу Великой Отечественной войны, реконструированный завод представлял собой крупное предприятие автомобильной промышленности, которое специализировалось на выпуске: специальной проволоки, пружин, шайб, холоднокатаной ленты и автонормалей. Во время Второй Мировой войны завод бесперебойно снабжал фронт боеприпасами. С 1941 года по 1943 год на заводе работало 996 человек. В послевоенное время завод стал активно развиваться. В дальнейшем на заводе были реконструированы цеха и освоено новое производство, создано собственное станкостроение и автоматические линии, выстроен инженерный корпус и здание очистных сооружений. Организовано производство проката и пружин, а также стержневого крепежа. Создан важнейший отдел обеспечения качеством. На сегодняшний день ОАО "Завод Красная Этна" представляет собой современное, динамично-развивающееся предприятие, специализирующееся на производстве крепежных изделий для автомобильной промышленности. Продукция завода поставляется на крупнейшие предприятия России, стран СНГ и дальнего зарубежья. Продукция предприятия соответствует международным системам качества ИСО 9001-2000 и ISO/TS 16949:2002. Продукция завода прошла проверку аудиторами TUV CERT (Германия) и национальной системой ГОСТ Р. Номенклатура предприятия насчитывает более 2,5 тысячи видов крепёжных изделий, в том числе соответствующих стандарту DIN. Компания "АвтоАльянс" предлагает оригинальную продукцию производства ОАО "Завод Красная Этна". В ассортименте представлен широкий перечень продукции завода: винты различных конструкций, пружины, стремянки, шайбы, гайки, шпильки, заклепки, штуцеры, оси, пробки и пластины, а также всевозможный крепёж к различным автомобилям.
"Завод Красная Этна" уже более 110 лет производит крепёжные изделия и пружины для автомобильной промышленности. История завода начинается с 24 декабря 1898 года, когда по положению Комитета Министров Николай Второй разрешает Виктору Михайловичу Гольденбергу и германскому подданному Петру Ивановичу Мартини учредить "Акционерное Общество Рижского металлического завода "Этна". С 1904 года по 1915 год на Рижском металлическом заводе работали цеха: гвоздильный, горячепрокатный, цепочный, травильный, отжигательный, волочильный. Продукция завода была востребована в России, Прибалтике и за рубежом. В годы первой мировой войны завод был эвакуирован из Риги в Нижний Новгород. С этого момента для завода начинается новая история. Во время войны "Завод Красная Этна" обеспечивал своей продукцией фронт. На заводе начался выпуск минных цепей, гвоздей к солдатским сапогам, колючей проволоки, пряжек к ружьям и карабинов, а также другой продукции для нужд фронта и населения России. С 1916 года по 1918 год происходит национализация завода и смена учредителей. Завод стал именоваться, как Акционерное общество Нижегородского металлического завода "Новая Этна". С приходом советской власти на заводе сменилось название на "Красная Этна" и были запущены: электростанция, прокатный цех, цех тонкого волочения и болтозаклепочный цех. В 1925 в структуру завода вливается предприятие с парком металлорежущего оборудования. В этом же году, на базе влившегося предприятия, создаются инструментальный и механический цеха, а также лесопильно-ящичный цех. В начале 30х, организовано строительство Горьковского автомобильного завода, который оказал большое влияние на развитие и деятельность предприятия. "Красная Этна" переходит на выпуск изделий высокого класса точности и включается в обслуживание автомобильной промышленности страны. К началу Великой Отечественной войны, реконструированный завод представлял собой крупное предприятие автомобильной промышленности, которое специализировалось на выпуске: специальной проволоки, пружин, шайб, холоднокатаной ленты и автонормалей. Во время Второй Мировой войны завод бесперебойно снабжал фронт боеприпасами. С 1941 года по 1943 год на заводе работало 996 человек. В послевоенное время завод стал активно развиваться. В дальнейшем на заводе были реконструированы цеха и освоено новое производство, создано собственное станкостроение и автоматические линии, выстроен инженерный корпус и здание очистных сооружений. Организовано производство проката и пружин, а также стержневого крепежа. Создан важнейший отдел обеспечения качеством. На сегодняшний день ОАО "Завод Красная Этна" представляет собой современное, динамично-развивающееся предприятие, специализирующееся на производстве крепежных изделий для автомобильной промышленности. Продукция завода поставляется на крупнейшие предприятия России, стран СНГ и дальнего зарубежья. Продукция предприятия соответствует международным системам качества ИСО 9001-2000 и ISO/TS 16949:2002. Продукция завода прошла проверку аудиторами TUV CERT (Германия) и национальной системой ГОСТ Р. Номенклатура предприятия насчитывает более 2,5 тысячи видов крепёжных изделий, в том числе соответствующих стандарту DIN. Компания "АвтоАльянс" предлагает оригинальную продукцию производства ОАО "Завод Красная Этна". В ассортименте представлен широкий перечень продукции завода: винты различных конструкций, пружины, стремянки, шайбы, гайки, шпильки, заклепки, штуцеры, оси, пробки и пластины, а также всевозможный крепёж к различным автомобилям.
На складах : 2028 шт.
"Завод Красная Этна" уже более 110 лет производит крепёжные изделия и пружины для автомобильной промышленности. История завода начинается с 24 декабря 1898 года, когда по положению Комитета Министров Николай Второй разрешает Виктору Михайловичу Гольденбергу и германскому подданному Петру Ивановичу Мартини учредить "Акционерное Общество Рижского металлического завода "Этна". С 1904 года по 1915 год на Рижском металлическом заводе работали цеха: гвоздильный, горячепрокатный, цепочный, травильный, отжигательный, волочильный. Продукция завода была востребована в России, Прибалтике и за рубежом. В годы первой мировой войны завод был эвакуирован из Риги в Нижний Новгород. С этого момента для завода начинается новая история. Во время войны "Завод Красная Этна" обеспечивал своей продукцией фронт. На заводе начался выпуск минных цепей, гвоздей к солдатским сапогам, колючей проволоки, пряжек к ружьям и карабинов, а также другой продукции для нужд фронта и населения России. С 1916 года по 1918 год происходит национализация завода и смена учредителей. Завод стал именоваться, как Акционерное общество Нижегородского металлического завода "Новая Этна". С приходом советской власти на заводе сменилось название на "Красная Этна" и были запущены: электростанция, прокатный цех, цех тонкого волочения и болтозаклепочный цех. В 1925 в структуру завода вливается предприятие с парком металлорежущего оборудования. В этом же году, на базе влившегося предприятия, создаются инструментальный и механический цеха, а также лесопильно-ящичный цех. В начале 30х, организовано строительство Горьковского автомобильного завода, который оказал большое влияние на развитие и деятельность предприятия. "Красная Этна" переходит на выпуск изделий высокого класса точности и включается в обслуживание автомобильной промышленности страны. К началу Великой Отечественной войны, реконструированный завод представлял собой крупное предприятие автомобильной промышленности, которое специализировалось на выпуске: специальной проволоки, пружин, шайб, холоднокатаной ленты и автонормалей. Во время Второй Мировой войны завод бесперебойно снабжал фронт боеприпасами. С 1941 года по 1943 год на заводе работало 996 человек. В послевоенное время завод стал активно развиваться. В дальнейшем на заводе были реконструированы цеха и освоено новое производство, создано собственное станкостроение и автоматические линии, выстроен инженерный корпус и здание очистных сооружений. Организовано производство проката и пружин, а также стержневого крепежа. Создан важнейший отдел обеспечения качеством. На сегодняшний день ОАО "Завод Красная Этна" представляет собой современное, динамично-развивающееся предприятие, специализирующееся на производстве крепежных изделий для автомобильной промышленности. Продукция завода поставляется на крупнейшие предприятия России, стран СНГ и дальнего зарубежья. Продукция предприятия соответствует международным системам качества ИСО 9001-2000 и ISO/TS 16949:2002. Продукция завода прошла проверку аудиторами TUV CERT (Германия) и национальной системой ГОСТ Р. Номенклатура предприятия насчитывает более 2,5 тысячи видов крепёжных изделий, в том числе соответствующих стандарту DIN. Компания "АвтоАльянс" предлагает оригинальную продукцию производства ОАО "Завод Красная Этна". В ассортименте представлен широкий перечень продукции завода: винты различных конструкций, пружины, стремянки, шайбы, гайки, шпильки, заклепки, штуцеры, оси, пробки и пластины, а также всевозможный крепёж к различным автомобилям.
История бренда MetalPart началась в 1987 году, когда в России было создано небольшое конструкторское бюро, занимавшееся разработкой деталей и узлов для крупных машиностроительных предприятий. В те времена страна переживала бурный индустриальный подъём, и инженеры компании ставили перед собой задачу создавать надёжные компоненты для автомобилестроения и оборонной промышленности. В сложных экономических условиях 1990-х годов компания смогла адаптироваться к новым реалиям. Она наладила сотрудничество с предприятиями как в странах СНГ, так и за их пределами. При этом компания строго контролировала качество на всех этапах производства — от закупки сырья до выпуска готовой продукции.
В 2014 году компания достигла важного этапа в своём развитии: автокомпонентное направление было выделено в отдельное подразделение под брендом MetalPart. Это решение позволило сосредоточить усилия на производстве высококачественных, доступных и долговечных запчастей, которые могли бы конкурировать с зарубежными аналогами и способствовать поддержке российского автопрома. Компания использует передовые технологии и материалы, что позволяет выпускать детали с повышенной прочностью, износостойкостью и длительным сроком службы.
Сегодня MetalPart — это передовое российское предприятие с полным циклом производства, выпускающее свыше тысячи наименований автокомпонентов для автомобилей УАЗ и ГАЗ. Продукция охватывает все ключевые системы — двигатель, трансмиссию, подвеску и топливную систему. Компания осуществляет поставки не только по всей России, но и в страны Таможенного и Евразийского экономического союзов, включая Беларусь и Казахстан. Благодаря сертификации по международным стандартам ISO 9001 и ISO/TS 16949, продукция соответствует всем требованиям автомобильной промышленности и отличается высоким качеством исполнения. В ассортименте компании MetalPart представлено две серии деталей: стандартные детали, которые полностью соответствуют заводским параметрам и имеют гарантию от одного до двух лет и MetalPart PRO — детали с улучшенными характеристиками, созданные с использованием передовых материалов и дополнительных методов обработки. Они отличаются увеличенным сроком службы и расширенной гарантией до трёх лет. Такой подход позволяет компании удовлетворить потребности самых разных клиентов — от тех, кто ищет экономичные решения, до владельцев техники, нуждающихся в усиленных и максимально надёжных компонентах.
Компания MetalPart активно внедряет передовые цифровые технологии. Она использует системы виртуального моделирования, электронного проектирования и контроля качества, включая штрих-коды GS1, что обеспечивает полную прослеживаемость продукции. В будущем компания планирует развивать аддитивные технологии, автоматизировать производственные процессы и расширять ассортимент товаров. Все эти меры направлены на повышение конкурентоспособности и гибкую адаптацию к изменяющимся рыночным условиям. MetalPart не только производит автокомпоненты, но и уделяет большое внимание поддержке своих партнёров. Она проводит обучение, предоставляет консультации и оперативно решает технические проблемы. Компания регулярно участвует в профильных выставках, выпускает информационные каталоги и обучающие материалы, что способствует укреплению связей и доверия с клиентами.
За более чем тридцатилетнюю историю компания MetalPart прошла путь от небольшого конструкторского бюро до современного производителя, сочетающего опыт и инновации. Сегодня бренд остается верным своим традициям, предлагая надежные решения для российских автомобилей, которые способны выдерживать даже самые суровые условия эксплуатации.
Ассортимент:
- Детали двигателя
- Элементы топливной системы
- Детали системы охлаждения
- Сцепления
- Детали КПП и РК
- Карданные валы
- Мосты и комплектующие
- Детали подвески
- Ступицы
- Элементы рулевого управления
- комплектующие тормозной системы
- Провода высоковольтные
- Стартеры
- Стеклоочистители и привода
- Вентиляция и отопление
- Сальники
- Комплекты ремонтные и установочные
На складах : 35 шт.
История бренда MetalPart началась в 1987 году, когда в России было создано небольшое конструкторское бюро, занимавшееся разработкой деталей и узлов для крупных машиностроительных предприятий. В те времена страна переживала бурный индустриальный подъём, и инженеры компании ставили перед собой задачу создавать надёжные компоненты для автомобилестроения и оборонной промышленности. В сложных экономических условиях 1990-х годов компания смогла адаптироваться к новым реалиям. Она наладила сотрудничество с предприятиями как в странах СНГ, так и за их пределами. При этом компания строго контролировала качество на всех этапах производства — от закупки сырья до выпуска готовой продукции.
В 2014 году компания достигла важного этапа в своём развитии: автокомпонентное направление было выделено в отдельное подразделение под брендом MetalPart. Это решение позволило сосредоточить усилия на производстве высококачественных, доступных и долговечных запчастей, которые могли бы конкурировать с зарубежными аналогами и способствовать поддержке российского автопрома. Компания использует передовые технологии и материалы, что позволяет выпускать детали с повышенной прочностью, износостойкостью и длительным сроком службы.
Сегодня MetalPart — это передовое российское предприятие с полным циклом производства, выпускающее свыше тысячи наименований автокомпонентов для автомобилей УАЗ и ГАЗ. Продукция охватывает все ключевые системы — двигатель, трансмиссию, подвеску и топливную систему. Компания осуществляет поставки не только по всей России, но и в страны Таможенного и Евразийского экономического союзов, включая Беларусь и Казахстан. Благодаря сертификации по международным стандартам ISO 9001 и ISO/TS 16949, продукция соответствует всем требованиям автомобильной промышленности и отличается высоким качеством исполнения. В ассортименте компании MetalPart представлено две серии деталей: стандартные детали, которые полностью соответствуют заводским параметрам и имеют гарантию от одного до двух лет и MetalPart PRO — детали с улучшенными характеристиками, созданные с использованием передовых материалов и дополнительных методов обработки. Они отличаются увеличенным сроком службы и расширенной гарантией до трёх лет. Такой подход позволяет компании удовлетворить потребности самых разных клиентов — от тех, кто ищет экономичные решения, до владельцев техники, нуждающихся в усиленных и максимально надёжных компонентах.
Компания MetalPart активно внедряет передовые цифровые технологии. Она использует системы виртуального моделирования, электронного проектирования и контроля качества, включая штрих-коды GS1, что обеспечивает полную прослеживаемость продукции. В будущем компания планирует развивать аддитивные технологии, автоматизировать производственные процессы и расширять ассортимент товаров. Все эти меры направлены на повышение конкурентоспособности и гибкую адаптацию к изменяющимся рыночным условиям. MetalPart не только производит автокомпоненты, но и уделяет большое внимание поддержке своих партнёров. Она проводит обучение, предоставляет консультации и оперативно решает технические проблемы. Компания регулярно участвует в профильных выставках, выпускает информационные каталоги и обучающие материалы, что способствует укреплению связей и доверия с клиентами.
За более чем тридцатилетнюю историю компания MetalPart прошла путь от небольшого конструкторского бюро до современного производителя, сочетающего опыт и инновации. Сегодня бренд остается верным своим традициям, предлагая надежные решения для российских автомобилей, которые способны выдерживать даже самые суровые условия эксплуатации.
Ассортимент:
- Детали двигателя
- Элементы топливной системы
- Детали системы охлаждения
- Сцепления
- Детали КПП и РК
- Карданные валы
- Мосты и комплектующие
- Детали подвески
- Ступицы
- Элементы рулевого управления
- комплектующие тормозной системы
- Провода высоковольтные
- Стартеры
- Стеклоочистители и привода
- Вентиляция и отопление
- Сальники
- Комплекты ремонтные и установочные
История бренда MetalPart началась в 1987 году, когда в России было создано небольшое конструкторское бюро, занимавшееся разработкой деталей и узлов для крупных машиностроительных предприятий. В те времена страна переживала бурный индустриальный подъём, и инженеры компании ставили перед собой задачу создавать надёжные компоненты для автомобилестроения и оборонной промышленности. В сложных экономических условиях 1990-х годов компания смогла адаптироваться к новым реалиям. Она наладила сотрудничество с предприятиями как в странах СНГ, так и за их пределами. При этом компания строго контролировала качество на всех этапах производства — от закупки сырья до выпуска готовой продукции.
В 2014 году компания достигла важного этапа в своём развитии: автокомпонентное направление было выделено в отдельное подразделение под брендом MetalPart. Это решение позволило сосредоточить усилия на производстве высококачественных, доступных и долговечных запчастей, которые могли бы конкурировать с зарубежными аналогами и способствовать поддержке российского автопрома. Компания использует передовые технологии и материалы, что позволяет выпускать детали с повышенной прочностью, износостойкостью и длительным сроком службы.
Сегодня MetalPart — это передовое российское предприятие с полным циклом производства, выпускающее свыше тысячи наименований автокомпонентов для автомобилей УАЗ и ГАЗ. Продукция охватывает все ключевые системы — двигатель, трансмиссию, подвеску и топливную систему. Компания осуществляет поставки не только по всей России, но и в страны Таможенного и Евразийского экономического союзов, включая Беларусь и Казахстан. Благодаря сертификации по международным стандартам ISO 9001 и ISO/TS 16949, продукция соответствует всем требованиям автомобильной промышленности и отличается высоким качеством исполнения. В ассортименте компании MetalPart представлено две серии деталей: стандартные детали, которые полностью соответствуют заводским параметрам и имеют гарантию от одного до двух лет и MetalPart PRO — детали с улучшенными характеристиками, созданные с использованием передовых материалов и дополнительных методов обработки. Они отличаются увеличенным сроком службы и расширенной гарантией до трёх лет. Такой подход позволяет компании удовлетворить потребности самых разных клиентов — от тех, кто ищет экономичные решения, до владельцев техники, нуждающихся в усиленных и максимально надёжных компонентах.
Компания MetalPart активно внедряет передовые цифровые технологии. Она использует системы виртуального моделирования, электронного проектирования и контроля качества, включая штрих-коды GS1, что обеспечивает полную прослеживаемость продукции. В будущем компания планирует развивать аддитивные технологии, автоматизировать производственные процессы и расширять ассортимент товаров. Все эти меры направлены на повышение конкурентоспособности и гибкую адаптацию к изменяющимся рыночным условиям. MetalPart не только производит автокомпоненты, но и уделяет большое внимание поддержке своих партнёров. Она проводит обучение, предоставляет консультации и оперативно решает технические проблемы. Компания регулярно участвует в профильных выставках, выпускает информационные каталоги и обучающие материалы, что способствует укреплению связей и доверия с клиентами.
За более чем тридцатилетнюю историю компания MetalPart прошла путь от небольшого конструкторского бюро до современного производителя, сочетающего опыт и инновации. Сегодня бренд остается верным своим традициям, предлагая надежные решения для российских автомобилей, которые способны выдерживать даже самые суровые условия эксплуатации.
Ассортимент:
- Детали двигателя
- Элементы топливной системы
- Детали системы охлаждения
- Сцепления
- Детали КПП и РК
- Карданные валы
- Мосты и комплектующие
- Детали подвески
- Ступицы
- Элементы рулевого управления
- комплектующие тормозной системы
- Провода высоковольтные
- Стартеры
- Стеклоочистители и привода
- Вентиляция и отопление
- Сальники
- Комплекты ремонтные и установочные
На складах : 8 шт.
История бренда MetalPart началась в 1987 году, когда в России было создано небольшое конструкторское бюро, занимавшееся разработкой деталей и узлов для крупных машиностроительных предприятий. В те времена страна переживала бурный индустриальный подъём, и инженеры компании ставили перед собой задачу создавать надёжные компоненты для автомобилестроения и оборонной промышленности. В сложных экономических условиях 1990-х годов компания смогла адаптироваться к новым реалиям. Она наладила сотрудничество с предприятиями как в странах СНГ, так и за их пределами. При этом компания строго контролировала качество на всех этапах производства — от закупки сырья до выпуска готовой продукции.
В 2014 году компания достигла важного этапа в своём развитии: автокомпонентное направление было выделено в отдельное подразделение под брендом MetalPart. Это решение позволило сосредоточить усилия на производстве высококачественных, доступных и долговечных запчастей, которые могли бы конкурировать с зарубежными аналогами и способствовать поддержке российского автопрома. Компания использует передовые технологии и материалы, что позволяет выпускать детали с повышенной прочностью, износостойкостью и длительным сроком службы.
Сегодня MetalPart — это передовое российское предприятие с полным циклом производства, выпускающее свыше тысячи наименований автокомпонентов для автомобилей УАЗ и ГАЗ. Продукция охватывает все ключевые системы — двигатель, трансмиссию, подвеску и топливную систему. Компания осуществляет поставки не только по всей России, но и в страны Таможенного и Евразийского экономического союзов, включая Беларусь и Казахстан. Благодаря сертификации по международным стандартам ISO 9001 и ISO/TS 16949, продукция соответствует всем требованиям автомобильной промышленности и отличается высоким качеством исполнения. В ассортименте компании MetalPart представлено две серии деталей: стандартные детали, которые полностью соответствуют заводским параметрам и имеют гарантию от одного до двух лет и MetalPart PRO — детали с улучшенными характеристиками, созданные с использованием передовых материалов и дополнительных методов обработки. Они отличаются увеличенным сроком службы и расширенной гарантией до трёх лет. Такой подход позволяет компании удовлетворить потребности самых разных клиентов — от тех, кто ищет экономичные решения, до владельцев техники, нуждающихся в усиленных и максимально надёжных компонентах.
Компания MetalPart активно внедряет передовые цифровые технологии. Она использует системы виртуального моделирования, электронного проектирования и контроля качества, включая штрих-коды GS1, что обеспечивает полную прослеживаемость продукции. В будущем компания планирует развивать аддитивные технологии, автоматизировать производственные процессы и расширять ассортимент товаров. Все эти меры направлены на повышение конкурентоспособности и гибкую адаптацию к изменяющимся рыночным условиям. MetalPart не только производит автокомпоненты, но и уделяет большое внимание поддержке своих партнёров. Она проводит обучение, предоставляет консультации и оперативно решает технические проблемы. Компания регулярно участвует в профильных выставках, выпускает информационные каталоги и обучающие материалы, что способствует укреплению связей и доверия с клиентами.
За более чем тридцатилетнюю историю компания MetalPart прошла путь от небольшого конструкторского бюро до современного производителя, сочетающего опыт и инновации. Сегодня бренд остается верным своим традициям, предлагая надежные решения для российских автомобилей, которые способны выдерживать даже самые суровые условия эксплуатации.
Ассортимент:
- Детали двигателя
- Элементы топливной системы
- Детали системы охлаждения
- Сцепления
- Детали КПП и РК
- Карданные валы
- Мосты и комплектующие
- Детали подвески
- Ступицы
- Элементы рулевого управления
- комплектующие тормозной системы
- Провода высоковольтные
- Стартеры
- Стеклоочистители и привода
- Вентиляция и отопление
- Сальники
- Комплекты ремонтные и установочные
"Завод Красная Этна" уже более 110 лет производит крепёжные изделия и пружины для автомобильной промышленности. История завода начинается с 24 декабря 1898 года, когда по положению Комитета Министров Николай Второй разрешает Виктору Михайловичу Гольденбергу и германскому подданному Петру Ивановичу Мартини учредить "Акционерное Общество Рижского металлического завода "Этна". С 1904 года по 1915 год на Рижском металлическом заводе работали цеха: гвоздильный, горячепрокатный, цепочный, травильный, отжигательный, волочильный. Продукция завода была востребована в России, Прибалтике и за рубежом. В годы первой мировой войны завод был эвакуирован из Риги в Нижний Новгород. С этого момента для завода начинается новая история. Во время войны "Завод Красная Этна" обеспечивал своей продукцией фронт. На заводе начался выпуск минных цепей, гвоздей к солдатским сапогам, колючей проволоки, пряжек к ружьям и карабинов, а также другой продукции для нужд фронта и населения России. С 1916 года по 1918 год происходит национализация завода и смена учредителей. Завод стал именоваться, как Акционерное общество Нижегородского металлического завода "Новая Этна". С приходом советской власти на заводе сменилось название на "Красная Этна" и были запущены: электростанция, прокатный цех, цех тонкого волочения и болтозаклепочный цех. В 1925 в структуру завода вливается предприятие с парком металлорежущего оборудования. В этом же году, на базе влившегося предприятия, создаются инструментальный и механический цеха, а также лесопильно-ящичный цех. В начале 30х, организовано строительство Горьковского автомобильного завода, который оказал большое влияние на развитие и деятельность предприятия. "Красная Этна" переходит на выпуск изделий высокого класса точности и включается в обслуживание автомобильной промышленности страны. К началу Великой Отечественной войны, реконструированный завод представлял собой крупное предприятие автомобильной промышленности, которое специализировалось на выпуске: специальной проволоки, пружин, шайб, холоднокатаной ленты и автонормалей. Во время Второй Мировой войны завод бесперебойно снабжал фронт боеприпасами. С 1941 года по 1943 год на заводе работало 996 человек. В послевоенное время завод стал активно развиваться. В дальнейшем на заводе были реконструированы цеха и освоено новое производство, создано собственное станкостроение и автоматические линии, выстроен инженерный корпус и здание очистных сооружений. Организовано производство проката и пружин, а также стержневого крепежа. Создан важнейший отдел обеспечения качеством. На сегодняшний день ОАО "Завод Красная Этна" представляет собой современное, динамично-развивающееся предприятие, специализирующееся на производстве крепежных изделий для автомобильной промышленности. Продукция завода поставляется на крупнейшие предприятия России, стран СНГ и дальнего зарубежья. Продукция предприятия соответствует международным системам качества ИСО 9001-2000 и ISO/TS 16949:2002. Продукция завода прошла проверку аудиторами TUV CERT (Германия) и национальной системой ГОСТ Р. Номенклатура предприятия насчитывает более 2,5 тысячи видов крепёжных изделий, в том числе соответствующих стандарту DIN. Компания "АвтоАльянс" предлагает оригинальную продукцию производства ОАО "Завод Красная Этна". В ассортименте представлен широкий перечень продукции завода: винты различных конструкций, пружины, стремянки, шайбы, гайки, шпильки, заклепки, штуцеры, оси, пробки и пластины, а также всевозможный крепёж к различным автомобилям.
На складах : 1141 шт.
"Завод Красная Этна" уже более 110 лет производит крепёжные изделия и пружины для автомобильной промышленности. История завода начинается с 24 декабря 1898 года, когда по положению Комитета Министров Николай Второй разрешает Виктору Михайловичу Гольденбергу и германскому подданному Петру Ивановичу Мартини учредить "Акционерное Общество Рижского металлического завода "Этна". С 1904 года по 1915 год на Рижском металлическом заводе работали цеха: гвоздильный, горячепрокатный, цепочный, травильный, отжигательный, волочильный. Продукция завода была востребована в России, Прибалтике и за рубежом. В годы первой мировой войны завод был эвакуирован из Риги в Нижний Новгород. С этого момента для завода начинается новая история. Во время войны "Завод Красная Этна" обеспечивал своей продукцией фронт. На заводе начался выпуск минных цепей, гвоздей к солдатским сапогам, колючей проволоки, пряжек к ружьям и карабинов, а также другой продукции для нужд фронта и населения России. С 1916 года по 1918 год происходит национализация завода и смена учредителей. Завод стал именоваться, как Акционерное общество Нижегородского металлического завода "Новая Этна". С приходом советской власти на заводе сменилось название на "Красная Этна" и были запущены: электростанция, прокатный цех, цех тонкого волочения и болтозаклепочный цех. В 1925 в структуру завода вливается предприятие с парком металлорежущего оборудования. В этом же году, на базе влившегося предприятия, создаются инструментальный и механический цеха, а также лесопильно-ящичный цех. В начале 30х, организовано строительство Горьковского автомобильного завода, который оказал большое влияние на развитие и деятельность предприятия. "Красная Этна" переходит на выпуск изделий высокого класса точности и включается в обслуживание автомобильной промышленности страны. К началу Великой Отечественной войны, реконструированный завод представлял собой крупное предприятие автомобильной промышленности, которое специализировалось на выпуске: специальной проволоки, пружин, шайб, холоднокатаной ленты и автонормалей. Во время Второй Мировой войны завод бесперебойно снабжал фронт боеприпасами. С 1941 года по 1943 год на заводе работало 996 человек. В послевоенное время завод стал активно развиваться. В дальнейшем на заводе были реконструированы цеха и освоено новое производство, создано собственное станкостроение и автоматические линии, выстроен инженерный корпус и здание очистных сооружений. Организовано производство проката и пружин, а также стержневого крепежа. Создан важнейший отдел обеспечения качеством. На сегодняшний день ОАО "Завод Красная Этна" представляет собой современное, динамично-развивающееся предприятие, специализирующееся на производстве крепежных изделий для автомобильной промышленности. Продукция завода поставляется на крупнейшие предприятия России, стран СНГ и дальнего зарубежья. Продукция предприятия соответствует международным системам качества ИСО 9001-2000 и ISO/TS 16949:2002. Продукция завода прошла проверку аудиторами TUV CERT (Германия) и национальной системой ГОСТ Р. Номенклатура предприятия насчитывает более 2,5 тысячи видов крепёжных изделий, в том числе соответствующих стандарту DIN. Компания "АвтоАльянс" предлагает оригинальную продукцию производства ОАО "Завод Красная Этна". В ассортименте представлен широкий перечень продукции завода: винты различных конструкций, пружины, стремянки, шайбы, гайки, шпильки, заклепки, штуцеры, оси, пробки и пластины, а также всевозможный крепёж к различным автомобилям.
Автомобильный концерн ГАЗ является одним из ведущих производителей в России. Компания предлагает запчасти для всех своих моделей автомобилей, а также поставляет комплектующие и сопутствующие товары на рынок автокомпонентов.
Преимущества автозапчастей ГАЗ заключаются в заметном качестве и надежности продукции, а также в доступных ценах. Благодаря использованию современных технологий и высококвалифицированному персоналу, ГАЗ гарантирует соответствующие характеристики продукции.
Все запчасти и компоненты проходят строгий контроль качества на каждом из этапов производства и подвергаются испытаниям в специальных лабораториях. Это обеспечивает стабильную работу и долговечность продукции ГАЗ. Детали производятся с использованием современных технологий и проверенных материалов. Это обеспечивает высокую производительность и безопасность автомобилей, а также улучшенный комфорт во время эксплуатации.
Компания предлагает широкий ассортимент запчастей для различных моделей автомобилей, а также для транспортных средств других марок. Все изделия имеют сертификаты соответствия и гарантию на производственные дефекты.
Кроме того, ГАЗ постоянно совершенствует свои продукты и осваивает новые рынки, чтобы удовлетворить даже самые неожиданные потребности своих клиентов. Все это выгодно выделяет автозапчасти и автокомпоненты ГАЗ в глазах покупателей, как в России, так и за ее пределами.
Ассортимент:
- Двигатели и их компоненты, такие как поршни, кольца, клапаны и т.д.
- Трансмиссия, включая коробки передач и дифференциалы.
- Системы выхлопа, включая глушители, катализаторы и трубы.
- Рулевое управление, включая рулевые рейки и насосы гидроусилителя руля.
- Подвеска, включая амортизаторы, пружины, рычаги и шаровые опоры.
- Тормозные системы, включая тормозные колодки, диски и суппорты.
- Электроника, включая стартеры, генераторы, аккумуляторы и свечи зажигания.
- Кузовные запчасти, включая крылья, двери, бамперы и фары.
На складах : 55 шт.
Автомобильный концерн ГАЗ является одним из ведущих производителей в России. Компания предлагает запчасти для всех своих моделей автомобилей, а также поставляет комплектующие и сопутствующие товары на рынок автокомпонентов.
Преимущества автозапчастей ГАЗ заключаются в заметном качестве и надежности продукции, а также в доступных ценах. Благодаря использованию современных технологий и высококвалифицированному персоналу, ГАЗ гарантирует соответствующие характеристики продукции.
Все запчасти и компоненты проходят строгий контроль качества на каждом из этапов производства и подвергаются испытаниям в специальных лабораториях. Это обеспечивает стабильную работу и долговечность продукции ГАЗ. Детали производятся с использованием современных технологий и проверенных материалов. Это обеспечивает высокую производительность и безопасность автомобилей, а также улучшенный комфорт во время эксплуатации.
Компания предлагает широкий ассортимент запчастей для различных моделей автомобилей, а также для транспортных средств других марок. Все изделия имеют сертификаты соответствия и гарантию на производственные дефекты.
Кроме того, ГАЗ постоянно совершенствует свои продукты и осваивает новые рынки, чтобы удовлетворить даже самые неожиданные потребности своих клиентов. Все это выгодно выделяет автозапчасти и автокомпоненты ГАЗ в глазах покупателей, как в России, так и за ее пределами.
Ассортимент:
- Двигатели и их компоненты, такие как поршни, кольца, клапаны и т.д.
- Трансмиссия, включая коробки передач и дифференциалы.
- Системы выхлопа, включая глушители, катализаторы и трубы.
- Рулевое управление, включая рулевые рейки и насосы гидроусилителя руля.
- Подвеска, включая амортизаторы, пружины, рычаги и шаровые опоры.
- Тормозные системы, включая тормозные колодки, диски и суппорты.
- Электроника, включая стартеры, генераторы, аккумуляторы и свечи зажигания.
- Кузовные запчасти, включая крылья, двери, бамперы и фары.
История Masuma началась в 2001 году в Токио, когда её основатель, Акамацу Мамору, решил создать бренд, объединяющий все ключевые расходные материалы и изнашиваемые детали для японских автомобилей. Цель компании заключалась в том, чтобы предложить автовладельцам качественные и доступные запчасти для обслуживания после окончания гарантии. И именно это позволило бренду быстро завоевать доверие во всём мире.
За более чем два десятилетия Masuma превратилась из небольшого производителя в международного игрока с собственными инженерными разработками и современными производственными мощностями. Сегодня ассортимент компании насчитывает свыше 14 000 наименований в более чем 120 товарных группах, охватывая практически все узлы, требующие замены: от фильтров и тормозных колодок до компонентов двигателя и трансмиссии. Такое разнообразие делает бренд востребованным среди владельцев как легковых, так и коммерческих автомобилей, особенно японских и корейских марок.
Производственные мощности Masuma расположены в странах с развитой автомобильной промышленностью: Южном Китае, Японии, Корее и Тайване. Заводы оснащены самым современным японским оборудованием и соответствуют стандартам ISO-9001, что гарантирует высочайшее качество продукции при сохранении конкурентоспособных цен. Это стало ключевым преимуществом бренда на российском рынке и в странах СНГ.
В России Masuma представлена официальным дистрибьютором ООО «Машума-Рус». За годы работы бренд стал одним из самых узнаваемых в сегменте послегарантийных запчастей. Продукция доступна более чем в 5000 точках продаж, включая крупные оптовые сети и фирменные магазины.
Успех бренда в России обусловлен не только высоким качеством, но и адаптацией деталей к местным условиям эксплуатации, а также активной маркетинговой поддержкой. Низкий уровень брака (менее 0,1%) и положительные отзывы потребителей подтверждают надежность продукции Masuma.
Расширение географии продаж стало неотъемлемой частью стратегии компании Masuma. Сегодня она успешно работает в Азии, Восточной Европе и на Ближнем Востоке.
В 2016 году компания перенесла свой головной офис в Китай, что позволило оптимизировать логистику и сократить расходы. При этом японские технологии и строгий контроль качества остались неизменными, что помогло сохранить высокий имидж бренда.
Особое внимание Masuma уделяет инновациям. Инженеры компании постоянно разрабатывают новые решения, которые способствуют увеличению срока службы деталей. Например, графитовые коллекторы в топливных насосах и твёрдая смазка в подшипниках обеспечивают повышенную устойчивость к износу и воздействию топлива. Эти технологии делают продукцию Masuma особенно привлекательной для автолюбителей.
На ближайшие годы компания Masuma определила стратегию своего развития, которая включает в себя расширение ассортимента, выход на новые рынки и цифровизацию сервисов. Ежегодно планируется добавлять сотни новых позиций, в том числе инновационные детали. Особое внимание будет уделено Восточной Европе, Индии и странам Персидского залива.
Одновременно с этим Masuma активно работает над повышением своей экологической ответственности, внедряя энергоэффективные и безопасные производственные процессы.
Сегодня Masuma — это признанный международный бренд, который сочетает в себе японское качество, современные технологии и глубокое понимание местных рынков. Благодаря этому она остается лидером на российском рынке и продолжает стремительно расти по всему миру, предлагая водителям надежные и доступные решения для ремонта и обслуживания автомобилей.
Ассортимент:
- Гайка колеса
- Пистон обивки уничерсальный
- Жгут для ремонта бескамерных шин
- Масленка прямая
- Масленка угловая
- Скоба крепежная металлическая
- Болт колеса
История Masuma началась в 2001 году в Токио, когда её основатель, Акамацу Мамору, решил создать бренд, объединяющий все ключевые расходные материалы и изнашиваемые детали для японских автомобилей. Цель компании заключалась в том, чтобы предложить автовладельцам качественные и доступные запчасти для обслуживания после окончания гарантии. И именно это позволило бренду быстро завоевать доверие во всём мире.
За более чем два десятилетия Masuma превратилась из небольшого производителя в международного игрока с собственными инженерными разработками и современными производственными мощностями. Сегодня ассортимент компании насчитывает свыше 14 000 наименований в более чем 120 товарных группах, охватывая практически все узлы, требующие замены: от фильтров и тормозных колодок до компонентов двигателя и трансмиссии. Такое разнообразие делает бренд востребованным среди владельцев как легковых, так и коммерческих автомобилей, особенно японских и корейских марок.
Производственные мощности Masuma расположены в странах с развитой автомобильной промышленностью: Южном Китае, Японии, Корее и Тайване. Заводы оснащены самым современным японским оборудованием и соответствуют стандартам ISO-9001, что гарантирует высочайшее качество продукции при сохранении конкурентоспособных цен. Это стало ключевым преимуществом бренда на российском рынке и в странах СНГ.
В России Masuma представлена официальным дистрибьютором ООО «Машума-Рус». За годы работы бренд стал одним из самых узнаваемых в сегменте послегарантийных запчастей. Продукция доступна более чем в 5000 точках продаж, включая крупные оптовые сети и фирменные магазины.
Успех бренда в России обусловлен не только высоким качеством, но и адаптацией деталей к местным условиям эксплуатации, а также активной маркетинговой поддержкой. Низкий уровень брака (менее 0,1%) и положительные отзывы потребителей подтверждают надежность продукции Masuma.
Расширение географии продаж стало неотъемлемой частью стратегии компании Masuma. Сегодня она успешно работает в Азии, Восточной Европе и на Ближнем Востоке.
В 2016 году компания перенесла свой головной офис в Китай, что позволило оптимизировать логистику и сократить расходы. При этом японские технологии и строгий контроль качества остались неизменными, что помогло сохранить высокий имидж бренда.
Особое внимание Masuma уделяет инновациям. Инженеры компании постоянно разрабатывают новые решения, которые способствуют увеличению срока службы деталей. Например, графитовые коллекторы в топливных насосах и твёрдая смазка в подшипниках обеспечивают повышенную устойчивость к износу и воздействию топлива. Эти технологии делают продукцию Masuma особенно привлекательной для автолюбителей.
На ближайшие годы компания Masuma определила стратегию своего развития, которая включает в себя расширение ассортимента, выход на новые рынки и цифровизацию сервисов. Ежегодно планируется добавлять сотни новых позиций, в том числе инновационные детали. Особое внимание будет уделено Восточной Европе, Индии и странам Персидского залива.
Одновременно с этим Masuma активно работает над повышением своей экологической ответственности, внедряя энергоэффективные и безопасные производственные процессы.
Сегодня Masuma — это признанный международный бренд, который сочетает в себе японское качество, современные технологии и глубокое понимание местных рынков. Благодаря этому она остается лидером на российском рынке и продолжает стремительно расти по всему миру, предлагая водителям надежные и доступные решения для ремонта и обслуживания автомобилей.
Ассортимент:
- Гайка колеса
- Пистон обивки уничерсальный
- Жгут для ремонта бескамерных шин
- Масленка прямая
- Масленка угловая
- Скоба крепежная металлическая
- Болт колеса
"Завод Красная Этна" уже более 110 лет производит крепёжные изделия и пружины для автомобильной промышленности. История завода начинается с 24 декабря 1898 года, когда по положению Комитета Министров Николай Второй разрешает Виктору Михайловичу Гольденбергу и германскому подданному Петру Ивановичу Мартини учредить "Акционерное Общество Рижского металлического завода "Этна". С 1904 года по 1915 год на Рижском металлическом заводе работали цеха: гвоздильный, горячепрокатный, цепочный, травильный, отжигательный, волочильный. Продукция завода была востребована в России, Прибалтике и за рубежом. В годы первой мировой войны завод был эвакуирован из Риги в Нижний Новгород. С этого момента для завода начинается новая история. Во время войны "Завод Красная Этна" обеспечивал своей продукцией фронт. На заводе начался выпуск минных цепей, гвоздей к солдатским сапогам, колючей проволоки, пряжек к ружьям и карабинов, а также другой продукции для нужд фронта и населения России. С 1916 года по 1918 год происходит национализация завода и смена учредителей. Завод стал именоваться, как Акционерное общество Нижегородского металлического завода "Новая Этна". С приходом советской власти на заводе сменилось название на "Красная Этна" и были запущены: электростанция, прокатный цех, цех тонкого волочения и болтозаклепочный цех. В 1925 в структуру завода вливается предприятие с парком металлорежущего оборудования. В этом же году, на базе влившегося предприятия, создаются инструментальный и механический цеха, а также лесопильно-ящичный цех. В начале 30х, организовано строительство Горьковского автомобильного завода, который оказал большое влияние на развитие и деятельность предприятия. "Красная Этна" переходит на выпуск изделий высокого класса точности и включается в обслуживание автомобильной промышленности страны. К началу Великой Отечественной войны, реконструированный завод представлял собой крупное предприятие автомобильной промышленности, которое специализировалось на выпуске: специальной проволоки, пружин, шайб, холоднокатаной ленты и автонормалей. Во время Второй Мировой войны завод бесперебойно снабжал фронт боеприпасами. С 1941 года по 1943 год на заводе работало 996 человек. В послевоенное время завод стал активно развиваться. В дальнейшем на заводе были реконструированы цеха и освоено новое производство, создано собственное станкостроение и автоматические линии, выстроен инженерный корпус и здание очистных сооружений. Организовано производство проката и пружин, а также стержневого крепежа. Создан важнейший отдел обеспечения качеством. На сегодняшний день ОАО "Завод Красная Этна" представляет собой современное, динамично-развивающееся предприятие, специализирующееся на производстве крепежных изделий для автомобильной промышленности. Продукция завода поставляется на крупнейшие предприятия России, стран СНГ и дальнего зарубежья. Продукция предприятия соответствует международным системам качества ИСО 9001-2000 и ISO/TS 16949:2002. Продукция завода прошла проверку аудиторами TUV CERT (Германия) и национальной системой ГОСТ Р. Номенклатура предприятия насчитывает более 2,5 тысячи видов крепёжных изделий, в том числе соответствующих стандарту DIN. Компания "АвтоАльянс" предлагает оригинальную продукцию производства ОАО "Завод Красная Этна". В ассортименте представлен широкий перечень продукции завода: винты различных конструкций, пружины, стремянки, шайбы, гайки, шпильки, заклепки, штуцеры, оси, пробки и пластины, а также всевозможный крепёж к различным автомобилям.
На складах : 626 шт.
"Завод Красная Этна" уже более 110 лет производит крепёжные изделия и пружины для автомобильной промышленности. История завода начинается с 24 декабря 1898 года, когда по положению Комитета Министров Николай Второй разрешает Виктору Михайловичу Гольденбергу и германскому подданному Петру Ивановичу Мартини учредить "Акционерное Общество Рижского металлического завода "Этна". С 1904 года по 1915 год на Рижском металлическом заводе работали цеха: гвоздильный, горячепрокатный, цепочный, травильный, отжигательный, волочильный. Продукция завода была востребована в России, Прибалтике и за рубежом. В годы первой мировой войны завод был эвакуирован из Риги в Нижний Новгород. С этого момента для завода начинается новая история. Во время войны "Завод Красная Этна" обеспечивал своей продукцией фронт. На заводе начался выпуск минных цепей, гвоздей к солдатским сапогам, колючей проволоки, пряжек к ружьям и карабинов, а также другой продукции для нужд фронта и населения России. С 1916 года по 1918 год происходит национализация завода и смена учредителей. Завод стал именоваться, как Акционерное общество Нижегородского металлического завода "Новая Этна". С приходом советской власти на заводе сменилось название на "Красная Этна" и были запущены: электростанция, прокатный цех, цех тонкого волочения и болтозаклепочный цех. В 1925 в структуру завода вливается предприятие с парком металлорежущего оборудования. В этом же году, на базе влившегося предприятия, создаются инструментальный и механический цеха, а также лесопильно-ящичный цех. В начале 30х, организовано строительство Горьковского автомобильного завода, который оказал большое влияние на развитие и деятельность предприятия. "Красная Этна" переходит на выпуск изделий высокого класса точности и включается в обслуживание автомобильной промышленности страны. К началу Великой Отечественной войны, реконструированный завод представлял собой крупное предприятие автомобильной промышленности, которое специализировалось на выпуске: специальной проволоки, пружин, шайб, холоднокатаной ленты и автонормалей. Во время Второй Мировой войны завод бесперебойно снабжал фронт боеприпасами. С 1941 года по 1943 год на заводе работало 996 человек. В послевоенное время завод стал активно развиваться. В дальнейшем на заводе были реконструированы цеха и освоено новое производство, создано собственное станкостроение и автоматические линии, выстроен инженерный корпус и здание очистных сооружений. Организовано производство проката и пружин, а также стержневого крепежа. Создан важнейший отдел обеспечения качеством. На сегодняшний день ОАО "Завод Красная Этна" представляет собой современное, динамично-развивающееся предприятие, специализирующееся на производстве крепежных изделий для автомобильной промышленности. Продукция завода поставляется на крупнейшие предприятия России, стран СНГ и дальнего зарубежья. Продукция предприятия соответствует международным системам качества ИСО 9001-2000 и ISO/TS 16949:2002. Продукция завода прошла проверку аудиторами TUV CERT (Германия) и национальной системой ГОСТ Р. Номенклатура предприятия насчитывает более 2,5 тысячи видов крепёжных изделий, в том числе соответствующих стандарту DIN. Компания "АвтоАльянс" предлагает оригинальную продукцию производства ОАО "Завод Красная Этна". В ассортименте представлен широкий перечень продукции завода: винты различных конструкций, пружины, стремянки, шайбы, гайки, шпильки, заклепки, штуцеры, оси, пробки и пластины, а также всевозможный крепёж к различным автомобилям.
Компания "Русский Двигатель" была основана в 2005 году в Ярославле и почти сразу завоевала доверие со стороны производителей двигателей. Предприятие имеет собственное производство и выпускает более 300 видов прокладок и 150 видов ремкомплектов на обширном станочном парке. Для создания прокладок «Русский двигатель» использует паронит заводского изготовления, а так же занимается индивидуальной разработкой штампов и запуском новых товаров. Компания является поставщиком паронитовых прокладок на конвейеры Ярославского Моторного Завода (Автодизель), ЯрДизель Аппаратуры, ОАО "Карачаевский механический завод", Ногинского завода топливной аппаратуры, Тутаевского Моторного Завода, Ярославского Завода Топливной Аппаратуры.
Заказать прокладки и ремкомплекты производства компании «Русский двигатель» Вы можете на сайте АвтоАльянса.
На складах : 49 шт.
Компания "Русский Двигатель" была основана в 2005 году в Ярославле и почти сразу завоевала доверие со стороны производителей двигателей. Предприятие имеет собственное производство и выпускает более 300 видов прокладок и 150 видов ремкомплектов на обширном станочном парке. Для создания прокладок «Русский двигатель» использует паронит заводского изготовления, а так же занимается индивидуальной разработкой штампов и запуском новых товаров. Компания является поставщиком паронитовых прокладок на конвейеры Ярославского Моторного Завода (Автодизель), ЯрДизель Аппаратуры, ОАО "Карачаевский механический завод", Ногинского завода топливной аппаратуры, Тутаевского Моторного Завода, Ярославского Завода Топливной Аппаратуры.
Заказать прокладки и ремкомплекты производства компании «Русский двигатель» Вы можете на сайте АвтоАльянса.
Компания "Русский Двигатель" была основана в 2005 году в Ярославле и почти сразу завоевала доверие со стороны производителей двигателей. Предприятие имеет собственное производство и выпускает более 300 видов прокладок и 150 видов ремкомплектов на обширном станочном парке. Для создания прокладок «Русский двигатель» использует паронит заводского изготовления, а так же занимается индивидуальной разработкой штампов и запуском новых товаров. Компания является поставщиком паронитовых прокладок на конвейеры Ярославского Моторного Завода (Автодизель), ЯрДизель Аппаратуры, ОАО "Карачаевский механический завод", Ногинского завода топливной аппаратуры, Тутаевского Моторного Завода, Ярославского Завода Топливной Аппаратуры.
Заказать прокладки и ремкомплекты производства компании «Русский двигатель» Вы можете на сайте АвтоАльянса.
Компания "Русский Двигатель" была основана в 2005 году в Ярославле и почти сразу завоевала доверие со стороны производителей двигателей. Предприятие имеет собственное производство и выпускает более 300 видов прокладок и 150 видов ремкомплектов на обширном станочном парке. Для создания прокладок «Русский двигатель» использует паронит заводского изготовления, а так же занимается индивидуальной разработкой штампов и запуском новых товаров. Компания является поставщиком паронитовых прокладок на конвейеры Ярославского Моторного Завода (Автодизель), ЯрДизель Аппаратуры, ОАО "Карачаевский механический завод", Ногинского завода топливной аппаратуры, Тутаевского Моторного Завода, Ярославского Завода Топливной Аппаратуры.
Заказать прокладки и ремкомплекты производства компании «Русский двигатель» Вы можете на сайте АвтоАльянса.
Компания "Русский Двигатель" была основана в 2005 году в Ярославле и почти сразу завоевала доверие со стороны производителей двигателей. Предприятие имеет собственное производство и выпускает более 300 видов прокладок и 150 видов ремкомплектов на обширном станочном парке. Для создания прокладок «Русский двигатель» использует паронит заводского изготовления, а так же занимается индивидуальной разработкой штампов и запуском новых товаров. Компания является поставщиком паронитовых прокладок на конвейеры Ярославского Моторного Завода (Автодизель), ЯрДизель Аппаратуры, ОАО "Карачаевский механический завод", Ногинского завода топливной аппаратуры, Тутаевского Моторного Завода, Ярославского Завода Топливной Аппаратуры.
Заказать прокладки и ремкомплекты производства компании «Русский двигатель» Вы можете на сайте АвтоАльянса.
Компания "Русский Двигатель" была основана в 2005 году в Ярославле и почти сразу завоевала доверие со стороны производителей двигателей. Предприятие имеет собственное производство и выпускает более 300 видов прокладок и 150 видов ремкомплектов на обширном станочном парке. Для создания прокладок «Русский двигатель» использует паронит заводского изготовления, а так же занимается индивидуальной разработкой штампов и запуском новых товаров. Компания является поставщиком паронитовых прокладок на конвейеры Ярославского Моторного Завода (Автодизель), ЯрДизель Аппаратуры, ОАО "Карачаевский механический завод", Ногинского завода топливной аппаратуры, Тутаевского Моторного Завода, Ярославского Завода Топливной Аппаратуры.
Заказать прокладки и ремкомплекты производства компании «Русский двигатель» Вы можете на сайте АвтоАльянса.
"Завод Красная Этна" уже более 110 лет производит крепёжные изделия и пружины для автомобильной промышленности. История завода начинается с 24 декабря 1898 года, когда по положению Комитета Министров Николай Второй разрешает Виктору Михайловичу Гольденбергу и германскому подданному Петру Ивановичу Мартини учредить "Акционерное Общество Рижского металлического завода "Этна". С 1904 года по 1915 год на Рижском металлическом заводе работали цеха: гвоздильный, горячепрокатный, цепочный, травильный, отжигательный, волочильный. Продукция завода была востребована в России, Прибалтике и за рубежом. В годы первой мировой войны завод был эвакуирован из Риги в Нижний Новгород. С этого момента для завода начинается новая история. Во время войны "Завод Красная Этна" обеспечивал своей продукцией фронт. На заводе начался выпуск минных цепей, гвоздей к солдатским сапогам, колючей проволоки, пряжек к ружьям и карабинов, а также другой продукции для нужд фронта и населения России. С 1916 года по 1918 год происходит национализация завода и смена учредителей. Завод стал именоваться, как Акционерное общество Нижегородского металлического завода "Новая Этна". С приходом советской власти на заводе сменилось название на "Красная Этна" и были запущены: электростанция, прокатный цех, цех тонкого волочения и болтозаклепочный цех. В 1925 в структуру завода вливается предприятие с парком металлорежущего оборудования. В этом же году, на базе влившегося предприятия, создаются инструментальный и механический цеха, а также лесопильно-ящичный цех. В начале 30х, организовано строительство Горьковского автомобильного завода, который оказал большое влияние на развитие и деятельность предприятия. "Красная Этна" переходит на выпуск изделий высокого класса точности и включается в обслуживание автомобильной промышленности страны. К началу Великой Отечественной войны, реконструированный завод представлял собой крупное предприятие автомобильной промышленности, которое специализировалось на выпуске: специальной проволоки, пружин, шайб, холоднокатаной ленты и автонормалей. Во время Второй Мировой войны завод бесперебойно снабжал фронт боеприпасами. С 1941 года по 1943 год на заводе работало 996 человек. В послевоенное время завод стал активно развиваться. В дальнейшем на заводе были реконструированы цеха и освоено новое производство, создано собственное станкостроение и автоматические линии, выстроен инженерный корпус и здание очистных сооружений. Организовано производство проката и пружин, а также стержневого крепежа. Создан важнейший отдел обеспечения качеством. На сегодняшний день ОАО "Завод Красная Этна" представляет собой современное, динамично-развивающееся предприятие, специализирующееся на производстве крепежных изделий для автомобильной промышленности. Продукция завода поставляется на крупнейшие предприятия России, стран СНГ и дальнего зарубежья. Продукция предприятия соответствует международным системам качества ИСО 9001-2000 и ISO/TS 16949:2002. Продукция завода прошла проверку аудиторами TUV CERT (Германия) и национальной системой ГОСТ Р. Номенклатура предприятия насчитывает более 2,5 тысячи видов крепёжных изделий, в том числе соответствующих стандарту DIN. Компания "АвтоАльянс" предлагает оригинальную продукцию производства ОАО "Завод Красная Этна". В ассортименте представлен широкий перечень продукции завода: винты различных конструкций, пружины, стремянки, шайбы, гайки, шпильки, заклепки, штуцеры, оси, пробки и пластины, а также всевозможный крепёж к различным автомобилям.
На складах : 323 шт.
"Завод Красная Этна" уже более 110 лет производит крепёжные изделия и пружины для автомобильной промышленности. История завода начинается с 24 декабря 1898 года, когда по положению Комитета Министров Николай Второй разрешает Виктору Михайловичу Гольденбергу и германскому подданному Петру Ивановичу Мартини учредить "Акционерное Общество Рижского металлического завода "Этна". С 1904 года по 1915 год на Рижском металлическом заводе работали цеха: гвоздильный, горячепрокатный, цепочный, травильный, отжигательный, волочильный. Продукция завода была востребована в России, Прибалтике и за рубежом. В годы первой мировой войны завод был эвакуирован из Риги в Нижний Новгород. С этого момента для завода начинается новая история. Во время войны "Завод Красная Этна" обеспечивал своей продукцией фронт. На заводе начался выпуск минных цепей, гвоздей к солдатским сапогам, колючей проволоки, пряжек к ружьям и карабинов, а также другой продукции для нужд фронта и населения России. С 1916 года по 1918 год происходит национализация завода и смена учредителей. Завод стал именоваться, как Акционерное общество Нижегородского металлического завода "Новая Этна". С приходом советской власти на заводе сменилось название на "Красная Этна" и были запущены: электростанция, прокатный цех, цех тонкого волочения и болтозаклепочный цех. В 1925 в структуру завода вливается предприятие с парком металлорежущего оборудования. В этом же году, на базе влившегося предприятия, создаются инструментальный и механический цеха, а также лесопильно-ящичный цех. В начале 30х, организовано строительство Горьковского автомобильного завода, который оказал большое влияние на развитие и деятельность предприятия. "Красная Этна" переходит на выпуск изделий высокого класса точности и включается в обслуживание автомобильной промышленности страны. К началу Великой Отечественной войны, реконструированный завод представлял собой крупное предприятие автомобильной промышленности, которое специализировалось на выпуске: специальной проволоки, пружин, шайб, холоднокатаной ленты и автонормалей. Во время Второй Мировой войны завод бесперебойно снабжал фронт боеприпасами. С 1941 года по 1943 год на заводе работало 996 человек. В послевоенное время завод стал активно развиваться. В дальнейшем на заводе были реконструированы цеха и освоено новое производство, создано собственное станкостроение и автоматические линии, выстроен инженерный корпус и здание очистных сооружений. Организовано производство проката и пружин, а также стержневого крепежа. Создан важнейший отдел обеспечения качеством. На сегодняшний день ОАО "Завод Красная Этна" представляет собой современное, динамично-развивающееся предприятие, специализирующееся на производстве крепежных изделий для автомобильной промышленности. Продукция завода поставляется на крупнейшие предприятия России, стран СНГ и дальнего зарубежья. Продукция предприятия соответствует международным системам качества ИСО 9001-2000 и ISO/TS 16949:2002. Продукция завода прошла проверку аудиторами TUV CERT (Германия) и национальной системой ГОСТ Р. Номенклатура предприятия насчитывает более 2,5 тысячи видов крепёжных изделий, в том числе соответствующих стандарту DIN. Компания "АвтоАльянс" предлагает оригинальную продукцию производства ОАО "Завод Красная Этна". В ассортименте представлен широкий перечень продукции завода: винты различных конструкций, пружины, стремянки, шайбы, гайки, шпильки, заклепки, штуцеры, оси, пробки и пластины, а также всевозможный крепёж к различным автомобилям.
"Завод Красная Этна" уже более 110 лет производит крепёжные изделия и пружины для автомобильной промышленности. История завода начинается с 24 декабря 1898 года, когда по положению Комитета Министров Николай Второй разрешает Виктору Михайловичу Гольденбергу и германскому подданному Петру Ивановичу Мартини учредить "Акционерное Общество Рижского металлического завода "Этна". С 1904 года по 1915 год на Рижском металлическом заводе работали цеха: гвоздильный, горячепрокатный, цепочный, травильный, отжигательный, волочильный. Продукция завода была востребована в России, Прибалтике и за рубежом. В годы первой мировой войны завод был эвакуирован из Риги в Нижний Новгород. С этого момента для завода начинается новая история. Во время войны "Завод Красная Этна" обеспечивал своей продукцией фронт. На заводе начался выпуск минных цепей, гвоздей к солдатским сапогам, колючей проволоки, пряжек к ружьям и карабинов, а также другой продукции для нужд фронта и населения России. С 1916 года по 1918 год происходит национализация завода и смена учредителей. Завод стал именоваться, как Акционерное общество Нижегородского металлического завода "Новая Этна". С приходом советской власти на заводе сменилось название на "Красная Этна" и были запущены: электростанция, прокатный цех, цех тонкого волочения и болтозаклепочный цех. В 1925 в структуру завода вливается предприятие с парком металлорежущего оборудования. В этом же году, на базе влившегося предприятия, создаются инструментальный и механический цеха, а также лесопильно-ящичный цех. В начале 30х, организовано строительство Горьковского автомобильного завода, который оказал большое влияние на развитие и деятельность предприятия. "Красная Этна" переходит на выпуск изделий высокого класса точности и включается в обслуживание автомобильной промышленности страны. К началу Великой Отечественной войны, реконструированный завод представлял собой крупное предприятие автомобильной промышленности, которое специализировалось на выпуске: специальной проволоки, пружин, шайб, холоднокатаной ленты и автонормалей. Во время Второй Мировой войны завод бесперебойно снабжал фронт боеприпасами. С 1941 года по 1943 год на заводе работало 996 человек. В послевоенное время завод стал активно развиваться. В дальнейшем на заводе были реконструированы цеха и освоено новое производство, создано собственное станкостроение и автоматические линии, выстроен инженерный корпус и здание очистных сооружений. Организовано производство проката и пружин, а также стержневого крепежа. Создан важнейший отдел обеспечения качеством. На сегодняшний день ОАО "Завод Красная Этна" представляет собой современное, динамично-развивающееся предприятие, специализирующееся на производстве крепежных изделий для автомобильной промышленности. Продукция завода поставляется на крупнейшие предприятия России, стран СНГ и дальнего зарубежья. Продукция предприятия соответствует международным системам качества ИСО 9001-2000 и ISO/TS 16949:2002. Продукция завода прошла проверку аудиторами TUV CERT (Германия) и национальной системой ГОСТ Р. Номенклатура предприятия насчитывает более 2,5 тысячи видов крепёжных изделий, в том числе соответствующих стандарту DIN. Компания "АвтоАльянс" предлагает оригинальную продукцию производства ОАО "Завод Красная Этна". В ассортименте представлен широкий перечень продукции завода: винты различных конструкций, пружины, стремянки, шайбы, гайки, шпильки, заклепки, штуцеры, оси, пробки и пластины, а также всевозможный крепёж к различным автомобилям.
На складах : 1141 шт.
"Завод Красная Этна" уже более 110 лет производит крепёжные изделия и пружины для автомобильной промышленности. История завода начинается с 24 декабря 1898 года, когда по положению Комитета Министров Николай Второй разрешает Виктору Михайловичу Гольденбергу и германскому подданному Петру Ивановичу Мартини учредить "Акционерное Общество Рижского металлического завода "Этна". С 1904 года по 1915 год на Рижском металлическом заводе работали цеха: гвоздильный, горячепрокатный, цепочный, травильный, отжигательный, волочильный. Продукция завода была востребована в России, Прибалтике и за рубежом. В годы первой мировой войны завод был эвакуирован из Риги в Нижний Новгород. С этого момента для завода начинается новая история. Во время войны "Завод Красная Этна" обеспечивал своей продукцией фронт. На заводе начался выпуск минных цепей, гвоздей к солдатским сапогам, колючей проволоки, пряжек к ружьям и карабинов, а также другой продукции для нужд фронта и населения России. С 1916 года по 1918 год происходит национализация завода и смена учредителей. Завод стал именоваться, как Акционерное общество Нижегородского металлического завода "Новая Этна". С приходом советской власти на заводе сменилось название на "Красная Этна" и были запущены: электростанция, прокатный цех, цех тонкого волочения и болтозаклепочный цех. В 1925 в структуру завода вливается предприятие с парком металлорежущего оборудования. В этом же году, на базе влившегося предприятия, создаются инструментальный и механический цеха, а также лесопильно-ящичный цех. В начале 30х, организовано строительство Горьковского автомобильного завода, который оказал большое влияние на развитие и деятельность предприятия. "Красная Этна" переходит на выпуск изделий высокого класса точности и включается в обслуживание автомобильной промышленности страны. К началу Великой Отечественной войны, реконструированный завод представлял собой крупное предприятие автомобильной промышленности, которое специализировалось на выпуске: специальной проволоки, пружин, шайб, холоднокатаной ленты и автонормалей. Во время Второй Мировой войны завод бесперебойно снабжал фронт боеприпасами. С 1941 года по 1943 год на заводе работало 996 человек. В послевоенное время завод стал активно развиваться. В дальнейшем на заводе были реконструированы цеха и освоено новое производство, создано собственное станкостроение и автоматические линии, выстроен инженерный корпус и здание очистных сооружений. Организовано производство проката и пружин, а также стержневого крепежа. Создан важнейший отдел обеспечения качеством. На сегодняшний день ОАО "Завод Красная Этна" представляет собой современное, динамично-развивающееся предприятие, специализирующееся на производстве крепежных изделий для автомобильной промышленности. Продукция завода поставляется на крупнейшие предприятия России, стран СНГ и дальнего зарубежья. Продукция предприятия соответствует международным системам качества ИСО 9001-2000 и ISO/TS 16949:2002. Продукция завода прошла проверку аудиторами TUV CERT (Германия) и национальной системой ГОСТ Р. Номенклатура предприятия насчитывает более 2,5 тысячи видов крепёжных изделий, в том числе соответствующих стандарту DIN. Компания "АвтоАльянс" предлагает оригинальную продукцию производства ОАО "Завод Красная Этна". В ассортименте представлен широкий перечень продукции завода: винты различных конструкций, пружины, стремянки, шайбы, гайки, шпильки, заклепки, штуцеры, оси, пробки и пластины, а также всевозможный крепёж к различным автомобилям.
АЗ "УРАЛ" входит в состав "Группы ГАЗ". Дата образования АЗ "УРАЛ" - 2001 год. Автомобильный завод Урал появился в результате перестройки производственного комплекса "УралАЗ". На сегодняшний день АЗ "УРАЛ" является основным звеном в структуре дивизиона "Грузовые автомобили" и занимает ведущие позиции на российском рынке полноприводных большегрузных автомобилей.
Основное назначение завода: Производство полноприводных грузовых автомобилей, дорожных грузовиков, вахтовых автобусов. На базе шасси "УРАЛ" работают более 400 видов спецтехники: вахтовые автобусы, автоцистерны, подъемные краны, топливозаправщики, пожарные автомобили, разнообразные агрегаты для лесопромышленного и нефтегазового комплекса, горной промышленности и коммунального хозяйства.
Автомобильная техника УРАЛ используется, как государственными предприятиями, так и крупными частными компаниями. В нефтегазодобывающей отрасли востребованы: бортовые автомобили, трубовозы, седельные тягачи, топливозаправщики. В начале 90-х годов на шасси "УРАЛ" изготовили спецтехнику для газодобывающей отрасли: цементировочные агрегаты, агрегаты ремонта скважин, ремонтные мастерские и др.
Основными заказчиками являются нефтяные гиганты ОАО "Газпром", ОАО "НК "Роснефть", ОАО "Сургутнефтегаз, "ТНК-ВP", энергокомпания РАО "ЕЭС", а также ряд министерств Российской Федерации: Министерство обороны, Министерство по чрезвычайным ситуациям, Министерство внутренних дел.
С 2005 года Автомобильный завод УРАЛ освоил серийное производство таких автомобилей, как седельный тягач "УРАЛ-63674" и самосвалов с грузоподъёмностью более 20 тонн "УРАЛ-63685" и "УРАЛ-6563". В 2007-2008 году на Автомобильном заводе "УРАЛ" внедряют передовые технологии:
- внедрение новой производственной системы "lean production".
- внедрение современной автоматизированной ERP-системы
- внедрение системы "Ворота Качества".
- внедрение системы менеджмента качества в соответствии с требованиями стандартов ISO 9001:2000 и ISO 9001:2008.
- внедрение СМК соответствующей требованиям ИСО/ТУ 16949:2002.
АЗ "УРАЛ" постоянно работает на расширение модельного ряда. Так в 2010 году в серийное производство был запущен вахтовый автобус Урал-32552-3011-59 и самосвал Урал-6370. А уже в 2011 году на заводе разработали вахтовый автобус на пневмоподвеске, которая обеспечит высокую плавность хода даже в условиях бездорожья.
"АвтоАльянс" активно развивает направление запчастей для автомобилей УРАЛ. В продаже широкий ассортимент продукции АЗ "УРАЛ" по оптимальным ценам. Для Вас всегда работает группа специалистов по запчастям на автомобили УРАЛ.
АЗ "УРАЛ" входит в состав "Группы ГАЗ". Дата образования АЗ "УРАЛ" - 2001 год. Автомобильный завод Урал появился в результате перестройки производственного комплекса "УралАЗ". На сегодняшний день АЗ "УРАЛ" является основным звеном в структуре дивизиона "Грузовые автомобили" и занимает ведущие позиции на российском рынке полноприводных большегрузных автомобилей.
Основное назначение завода: Производство полноприводных грузовых автомобилей, дорожных грузовиков, вахтовых автобусов. На базе шасси "УРАЛ" работают более 400 видов спецтехники: вахтовые автобусы, автоцистерны, подъемные краны, топливозаправщики, пожарные автомобили, разнообразные агрегаты для лесопромышленного и нефтегазового комплекса, горной промышленности и коммунального хозяйства.
Автомобильная техника УРАЛ используется, как государственными предприятиями, так и крупными частными компаниями. В нефтегазодобывающей отрасли востребованы: бортовые автомобили, трубовозы, седельные тягачи, топливозаправщики. В начале 90-х годов на шасси "УРАЛ" изготовили спецтехнику для газодобывающей отрасли: цементировочные агрегаты, агрегаты ремонта скважин, ремонтные мастерские и др.
Основными заказчиками являются нефтяные гиганты ОАО "Газпром", ОАО "НК "Роснефть", ОАО "Сургутнефтегаз, "ТНК-ВP", энергокомпания РАО "ЕЭС", а также ряд министерств Российской Федерации: Министерство обороны, Министерство по чрезвычайным ситуациям, Министерство внутренних дел.
С 2005 года Автомобильный завод УРАЛ освоил серийное производство таких автомобилей, как седельный тягач "УРАЛ-63674" и самосвалов с грузоподъёмностью более 20 тонн "УРАЛ-63685" и "УРАЛ-6563". В 2007-2008 году на Автомобильном заводе "УРАЛ" внедряют передовые технологии:
- внедрение новой производственной системы "lean production".
- внедрение современной автоматизированной ERP-системы
- внедрение системы "Ворота Качества".
- внедрение системы менеджмента качества в соответствии с требованиями стандартов ISO 9001:2000 и ISO 9001:2008.
- внедрение СМК соответствующей требованиям ИСО/ТУ 16949:2002.
АЗ "УРАЛ" постоянно работает на расширение модельного ряда. Так в 2010 году в серийное производство был запущен вахтовый автобус Урал-32552-3011-59 и самосвал Урал-6370. А уже в 2011 году на заводе разработали вахтовый автобус на пневмоподвеске, которая обеспечит высокую плавность хода даже в условиях бездорожья.
"АвтоАльянс" активно развивает направление запчастей для автомобилей УРАЛ. В продаже широкий ассортимент продукции АЗ "УРАЛ" по оптимальным ценам. Для Вас всегда работает группа специалистов по запчастям на автомобили УРАЛ.
Товары «Волчанского агрегатного завода» пользуются большим спросом не только на территории Украины, но и за рубежом. С момента основания компания овладела большим конкурентным преимуществом благодаря сотрудничеству с лидерами производственно-технической отрасли из Китая, республики Беларусь, Индии и других государств. Производство Волчанского АЗ оптимизировано, оборудование подобрано с учетом нововведений, а дилерская сеть налажена и постоянно расширяется. Система менеджмента соответствует стандартам, принятым в Европе – это EN ISO 9001, IATF 16949 и другие. Основу деятельности предприятия составляет политика в области качества. В базе этой политики лежит так же и экологическая безопасность, общественные ценности. Среди ключевых направлений Волчанский АЗ определяет создание и реализацию топливной аппаратуры, снабжение автомобильной промышленности необходимыми агрегатами. Организация активно участвует в междугородних и международных выставках, посвященных автомобильной и авиационной тематике, представляя высококачественную продукцию. Волчанский агрегатный завод обладает перечнем наград и дипломов, среди которых «Золотая медаль» Ассоциации национальной промышленности Франции, «Серебряный Дельфин» Европейского Содружества Бельгии. Помимо этого, завод является Лауреатом 8-го Украинского национального конкурса качества в номинации «Большие предприятия».
Ассортимент:
- Клапан электромагнитный
- Пневмогидравлический усилитель сцепления
- Усилитель привода сцепления
- Регулятор уровня пола
- Цилиндр привода управления и др.
Товары «Волчанского агрегатного завода» пользуются большим спросом не только на территории Украины, но и за рубежом. С момента основания компания овладела большим конкурентным преимуществом благодаря сотрудничеству с лидерами производственно-технической отрасли из Китая, республики Беларусь, Индии и других государств. Производство Волчанского АЗ оптимизировано, оборудование подобрано с учетом нововведений, а дилерская сеть налажена и постоянно расширяется. Система менеджмента соответствует стандартам, принятым в Европе – это EN ISO 9001, IATF 16949 и другие. Основу деятельности предприятия составляет политика в области качества. В базе этой политики лежит так же и экологическая безопасность, общественные ценности. Среди ключевых направлений Волчанский АЗ определяет создание и реализацию топливной аппаратуры, снабжение автомобильной промышленности необходимыми агрегатами. Организация активно участвует в междугородних и международных выставках, посвященных автомобильной и авиационной тематике, представляя высококачественную продукцию. Волчанский агрегатный завод обладает перечнем наград и дипломов, среди которых «Золотая медаль» Ассоциации национальной промышленности Франции, «Серебряный Дельфин» Европейского Содружества Бельгии. Помимо этого, завод является Лауреатом 8-го Украинского национального конкурса качества в номинации «Большие предприятия».
Ассортимент:
- Клапан электромагнитный
- Пневмогидравлический усилитель сцепления
- Усилитель привода сцепления
- Регулятор уровня пола
- Цилиндр привода управления и др.
Товары «Волчанского агрегатного завода» пользуются большим спросом не только на территории Украины, но и за рубежом. С момента основания компания овладела большим конкурентным преимуществом благодаря сотрудничеству с лидерами производственно-технической отрасли из Китая, республики Беларусь, Индии и других государств. Производство Волчанского АЗ оптимизировано, оборудование подобрано с учетом нововведений, а дилерская сеть налажена и постоянно расширяется. Система менеджмента соответствует стандартам, принятым в Европе – это EN ISO 9001, IATF 16949 и другие. Основу деятельности предприятия составляет политика в области качества. В базе этой политики лежит так же и экологическая безопасность, общественные ценности. Среди ключевых направлений Волчанский АЗ определяет создание и реализацию топливной аппаратуры, снабжение автомобильной промышленности необходимыми агрегатами. Организация активно участвует в междугородних и международных выставках, посвященных автомобильной и авиационной тематике, представляя высококачественную продукцию. Волчанский агрегатный завод обладает перечнем наград и дипломов, среди которых «Золотая медаль» Ассоциации национальной промышленности Франции, «Серебряный Дельфин» Европейского Содружества Бельгии. Помимо этого, завод является Лауреатом 8-го Украинского национального конкурса качества в номинации «Большие предприятия».
Ассортимент:
- Клапан электромагнитный
- Пневмогидравлический усилитель сцепления
- Усилитель привода сцепления
- Регулятор уровня пола
- Цилиндр привода управления и др.
Товары «Волчанского агрегатного завода» пользуются большим спросом не только на территории Украины, но и за рубежом. С момента основания компания овладела большим конкурентным преимуществом благодаря сотрудничеству с лидерами производственно-технической отрасли из Китая, республики Беларусь, Индии и других государств. Производство Волчанского АЗ оптимизировано, оборудование подобрано с учетом нововведений, а дилерская сеть налажена и постоянно расширяется. Система менеджмента соответствует стандартам, принятым в Европе – это EN ISO 9001, IATF 16949 и другие. Основу деятельности предприятия составляет политика в области качества. В базе этой политики лежит так же и экологическая безопасность, общественные ценности. Среди ключевых направлений Волчанский АЗ определяет создание и реализацию топливной аппаратуры, снабжение автомобильной промышленности необходимыми агрегатами. Организация активно участвует в междугородних и международных выставках, посвященных автомобильной и авиационной тематике, представляя высококачественную продукцию. Волчанский агрегатный завод обладает перечнем наград и дипломов, среди которых «Золотая медаль» Ассоциации национальной промышленности Франции, «Серебряный Дельфин» Европейского Содружества Бельгии. Помимо этого, завод является Лауреатом 8-го Украинского национального конкурса качества в номинации «Большие предприятия».
Ассортимент:
- Клапан электромагнитный
- Пневмогидравлический усилитель сцепления
- Усилитель привода сцепления
- Регулятор уровня пола
- Цилиндр привода управления и др.
История БелОМО берет свое начало с создания в 1957 году Минского механического завода им. С. И. Вавилова (первая продукция - фотоаппараты и станки для обработки оптики). В связи с расширением объемов и номенклатуры выпускаемых изделий, в 1971 году на базе Минского механического завода им. С.И. Вавилова было создано БелОМО.
БелОМО занимало лидирующее положение в оптической отрасли СССР и решало задачи по созданию и производству изделий специального назначения и гражданской тематики. Заводы, входящие в объединение, специализировались на определенных видах изделий:
ММЗ им. С. И. Вавилова - особо сложная оптико-механическая и оптико-электронная аппаратура (космические, топографические, спектрозональные, фотограмметрические системы и комплексы; кинотеодолитная техника; бронетанковые, гиростабилизированные прицелы, приборы лазерного наведения; промышленные передвижные и стационарные киноустановки).
В 90-х годах в составе БелОМО были созданы унитарное предприятие ЛЭМТ , специализирующееся на разработке и изготовлении лазерных изделий и изделий для медицины; совместное белоруско - немецкое предприятие «ЦЕЙСС-БелОМО» , изготавливающее высокоточные оптические изделия; совместное белоруско – итальянское предприятие СП «БелОМО-КОЕМАР», изготавливающее осветительную технику, организован ряд обособленных предприятий: завод СФЕРА , изготавливающий оптические детали, и завод ФОРМА , изготавливающий литейные и штамповые формы.
За время своего существования деятельность БелОМО неоднократно удостаивалось наград и дипломов. БелОМО награждено орденом Трудового Красного Знамени, 228 рабочих, специалистов и служащих награждено медалями и орденами СССР, 28 специалистам присвоены звания лауреатов Государственных премий БССР и СССР, 2 лауреата Ленинских премий , 3 работника удостоены звания Героя Социалистического труда.
В копилке БелОМО имеются приз и диплом «Золотой глобус» - за выдающийся вклад в развитие экономики страны и интеграцию в мировую экономику, приз и диплом «Бермингемский факел» - за успехи в выживании и развитии в сложных условиях, другие призы.
Наибольший удельный вес в продукции головного предприятия БелОМО – ММЗ им. С.И. Вавилова, в настоящее время составляют узлы для автомобилей, счетчики газа, светильники различного назначения, оптические изделия и различные товары для населения.
ММЗ им. С. И. Вавилова имеет сертификаты соответствия системе менеджмента качества и требованиям стандартов СРПП ВТ, ГОСТ Р и СТБ ИСО 9001 – 2001 при производстве, ремонте, гарантийном обслуживании и утилизации ряда видов своей продукции.
На складах : 86 шт.
История БелОМО берет свое начало с создания в 1957 году Минского механического завода им. С. И. Вавилова (первая продукция - фотоаппараты и станки для обработки оптики). В связи с расширением объемов и номенклатуры выпускаемых изделий, в 1971 году на базе Минского механического завода им. С.И. Вавилова было создано БелОМО.
БелОМО занимало лидирующее положение в оптической отрасли СССР и решало задачи по созданию и производству изделий специального назначения и гражданской тематики. Заводы, входящие в объединение, специализировались на определенных видах изделий:
ММЗ им. С. И. Вавилова - особо сложная оптико-механическая и оптико-электронная аппаратура (космические, топографические, спектрозональные, фотограмметрические системы и комплексы; кинотеодолитная техника; бронетанковые, гиростабилизированные прицелы, приборы лазерного наведения; промышленные передвижные и стационарные киноустановки).
В 90-х годах в составе БелОМО были созданы унитарное предприятие ЛЭМТ , специализирующееся на разработке и изготовлении лазерных изделий и изделий для медицины; совместное белоруско - немецкое предприятие «ЦЕЙСС-БелОМО» , изготавливающее высокоточные оптические изделия; совместное белоруско – итальянское предприятие СП «БелОМО-КОЕМАР», изготавливающее осветительную технику, организован ряд обособленных предприятий: завод СФЕРА , изготавливающий оптические детали, и завод ФОРМА , изготавливающий литейные и штамповые формы.
За время своего существования деятельность БелОМО неоднократно удостаивалось наград и дипломов. БелОМО награждено орденом Трудового Красного Знамени, 228 рабочих, специалистов и служащих награждено медалями и орденами СССР, 28 специалистам присвоены звания лауреатов Государственных премий БССР и СССР, 2 лауреата Ленинских премий , 3 работника удостоены звания Героя Социалистического труда.
В копилке БелОМО имеются приз и диплом «Золотой глобус» - за выдающийся вклад в развитие экономики страны и интеграцию в мировую экономику, приз и диплом «Бермингемский факел» - за успехи в выживании и развитии в сложных условиях, другие призы.
Наибольший удельный вес в продукции головного предприятия БелОМО – ММЗ им. С.И. Вавилова, в настоящее время составляют узлы для автомобилей, счетчики газа, светильники различного назначения, оптические изделия и различные товары для населения.
ММЗ им. С. И. Вавилова имеет сертификаты соответствия системе менеджмента качества и требованиям стандартов СРПП ВТ, ГОСТ Р и СТБ ИСО 9001 – 2001 при производстве, ремонте, гарантийном обслуживании и утилизации ряда видов своей продукции.
«Рославльский автоагрегатный завод» – крупнейший российский комплекс, специализирующийся на производстве пневматической тормозной аппаратуры. Предприятие активно развивается с момента своего основания в 1958 году. Именно тогда завод начал производство мостов для автобусов ЗИЛ, а через год освоил серийный выпуск запасных частей для автомобилей и начал массовое производство. В настоящее время завод сфокусирован на двух основных направлениях производства. Первым из них является производство аппаратов пневматического тормозного привода (краны, осушители, клапана и т.д.), вторым – выпуск тормозных камер и энергоаккумуляторов.
Завод построен по лицензии WABCO и предоставляет 3 года гарантии на свою продукцию. Текущая площадь завода - 118 тыс.м2. Рославльский автоагрегатный завод экспортирует огромное количество продукции в страны ближнего и дальнего зарубежья, а именно в Германию, Беларусь, Латвию, Польшу, Финляндию, Украину, Литву и другие страны. Влияние климатических условий на продукцию торговой марки «РААЗ» исключено.
Запасные части обладают отличными характеристиками и могут эксплуатироваться при температуре как -45°С, так и +80°С . Аппараты в специальном исполнении ХЛ выдерживают до −60 °С в районах с холодным климатом по ГОСТ 15150-69. ООО «Рославльские тормозные системы» поставляет свою продукцию на конвейеры таких предприятий как КАМАЗ, МАЗ, ГАЗ, УРАЛ, НЕФАЗ, ПАЗ, ПТЗ, МЗКТ и других. АвтоАльянс – официальный дилер завода, рекомендует Вам приобрести необходимые запчасти торговой марки РААЗ на сайте autoopt.ru. Будьте уверены в качестве!
«Рославльский автоагрегатный завод» – крупнейший российский комплекс, специализирующийся на производстве пневматической тормозной аппаратуры. Предприятие активно развивается с момента своего основания в 1958 году. Именно тогда завод начал производство мостов для автобусов ЗИЛ, а через год освоил серийный выпуск запасных частей для автомобилей и начал массовое производство. В настоящее время завод сфокусирован на двух основных направлениях производства. Первым из них является производство аппаратов пневматического тормозного привода (краны, осушители, клапана и т.д.), вторым – выпуск тормозных камер и энергоаккумуляторов.
Завод построен по лицензии WABCO и предоставляет 3 года гарантии на свою продукцию. Текущая площадь завода - 118 тыс.м2. Рославльский автоагрегатный завод экспортирует огромное количество продукции в страны ближнего и дальнего зарубежья, а именно в Германию, Беларусь, Латвию, Польшу, Финляндию, Украину, Литву и другие страны. Влияние климатических условий на продукцию торговой марки «РААЗ» исключено.
Запасные части обладают отличными характеристиками и могут эксплуатироваться при температуре как -45°С, так и +80°С . Аппараты в специальном исполнении ХЛ выдерживают до −60 °С в районах с холодным климатом по ГОСТ 15150-69. ООО «Рославльские тормозные системы» поставляет свою продукцию на конвейеры таких предприятий как КАМАЗ, МАЗ, ГАЗ, УРАЛ, НЕФАЗ, ПАЗ, ПТЗ, МЗКТ и других. АвтоАльянс – официальный дилер завода, рекомендует Вам приобрести необходимые запчасти торговой марки РААЗ на сайте autoopt.ru. Будьте уверены в качестве!
АЗ "УРАЛ" входит в состав "Группы ГАЗ". Дата образования АЗ "УРАЛ" - 2001 год. Автомобильный завод Урал появился в результате перестройки производственного комплекса "УралАЗ". На сегодняшний день АЗ "УРАЛ" является основным звеном в структуре дивизиона "Грузовые автомобили" и занимает ведущие позиции на российском рынке полноприводных большегрузных автомобилей.
Основное назначение завода: Производство полноприводных грузовых автомобилей, дорожных грузовиков, вахтовых автобусов. На базе шасси "УРАЛ" работают более 400 видов спецтехники: вахтовые автобусы, автоцистерны, подъемные краны, топливозаправщики, пожарные автомобили, разнообразные агрегаты для лесопромышленного и нефтегазового комплекса, горной промышленности и коммунального хозяйства.
Автомобильная техника УРАЛ используется, как государственными предприятиями, так и крупными частными компаниями. В нефтегазодобывающей отрасли востребованы: бортовые автомобили, трубовозы, седельные тягачи, топливозаправщики. В начале 90-х годов на шасси "УРАЛ" изготовили спецтехнику для газодобывающей отрасли: цементировочные агрегаты, агрегаты ремонта скважин, ремонтные мастерские и др.
Основными заказчиками являются нефтяные гиганты ОАО "Газпром", ОАО "НК "Роснефть", ОАО "Сургутнефтегаз, "ТНК-ВP", энергокомпания РАО "ЕЭС", а также ряд министерств Российской Федерации: Министерство обороны, Министерство по чрезвычайным ситуациям, Министерство внутренних дел.
С 2005 года Автомобильный завод УРАЛ освоил серийное производство таких автомобилей, как седельный тягач "УРАЛ-63674" и самосвалов с грузоподъёмностью более 20 тонн "УРАЛ-63685" и "УРАЛ-6563". В 2007-2008 году на Автомобильном заводе "УРАЛ" внедряют передовые технологии:
- внедрение новой производственной системы "lean production".
- внедрение современной автоматизированной ERP-системы
- внедрение системы "Ворота Качества".
- внедрение системы менеджмента качества в соответствии с требованиями стандартов ISO 9001:2000 и ISO 9001:2008.
- внедрение СМК соответствующей требованиям ИСО/ТУ 16949:2002.
АЗ "УРАЛ" постоянно работает на расширение модельного ряда. Так в 2010 году в серийное производство был запущен вахтовый автобус Урал-32552-3011-59 и самосвал Урал-6370. А уже в 2011 году на заводе разработали вахтовый автобус на пневмоподвеске, которая обеспечит высокую плавность хода даже в условиях бездорожья.
"АвтоАльянс" активно развивает направление запчастей для автомобилей УРАЛ. В продаже широкий ассортимент продукции АЗ "УРАЛ" по оптимальным ценам. Для Вас всегда работает группа специалистов по запчастям на автомобили УРАЛ.
На складах : 192 шт.
АЗ "УРАЛ" входит в состав "Группы ГАЗ". Дата образования АЗ "УРАЛ" - 2001 год. Автомобильный завод Урал появился в результате перестройки производственного комплекса "УралАЗ". На сегодняшний день АЗ "УРАЛ" является основным звеном в структуре дивизиона "Грузовые автомобили" и занимает ведущие позиции на российском рынке полноприводных большегрузных автомобилей.
Основное назначение завода: Производство полноприводных грузовых автомобилей, дорожных грузовиков, вахтовых автобусов. На базе шасси "УРАЛ" работают более 400 видов спецтехники: вахтовые автобусы, автоцистерны, подъемные краны, топливозаправщики, пожарные автомобили, разнообразные агрегаты для лесопромышленного и нефтегазового комплекса, горной промышленности и коммунального хозяйства.
Автомобильная техника УРАЛ используется, как государственными предприятиями, так и крупными частными компаниями. В нефтегазодобывающей отрасли востребованы: бортовые автомобили, трубовозы, седельные тягачи, топливозаправщики. В начале 90-х годов на шасси "УРАЛ" изготовили спецтехнику для газодобывающей отрасли: цементировочные агрегаты, агрегаты ремонта скважин, ремонтные мастерские и др.
Основными заказчиками являются нефтяные гиганты ОАО "Газпром", ОАО "НК "Роснефть", ОАО "Сургутнефтегаз, "ТНК-ВP", энергокомпания РАО "ЕЭС", а также ряд министерств Российской Федерации: Министерство обороны, Министерство по чрезвычайным ситуациям, Министерство внутренних дел.
С 2005 года Автомобильный завод УРАЛ освоил серийное производство таких автомобилей, как седельный тягач "УРАЛ-63674" и самосвалов с грузоподъёмностью более 20 тонн "УРАЛ-63685" и "УРАЛ-6563". В 2007-2008 году на Автомобильном заводе "УРАЛ" внедряют передовые технологии:
- внедрение новой производственной системы "lean production".
- внедрение современной автоматизированной ERP-системы
- внедрение системы "Ворота Качества".
- внедрение системы менеджмента качества в соответствии с требованиями стандартов ISO 9001:2000 и ISO 9001:2008.
- внедрение СМК соответствующей требованиям ИСО/ТУ 16949:2002.
АЗ "УРАЛ" постоянно работает на расширение модельного ряда. Так в 2010 году в серийное производство был запущен вахтовый автобус Урал-32552-3011-59 и самосвал Урал-6370. А уже в 2011 году на заводе разработали вахтовый автобус на пневмоподвеске, которая обеспечит высокую плавность хода даже в условиях бездорожья.
"АвтоАльянс" активно развивает направление запчастей для автомобилей УРАЛ. В продаже широкий ассортимент продукции АЗ "УРАЛ" по оптимальным ценам. Для Вас всегда работает группа специалистов по запчастям на автомобили УРАЛ.
"Завод Красная Этна" уже более 110 лет производит крепёжные изделия и пружины для автомобильной промышленности. История завода начинается с 24 декабря 1898 года, когда по положению Комитета Министров Николай Второй разрешает Виктору Михайловичу Гольденбергу и германскому подданному Петру Ивановичу Мартини учредить "Акционерное Общество Рижского металлического завода "Этна". С 1904 года по 1915 год на Рижском металлическом заводе работали цеха: гвоздильный, горячепрокатный, цепочный, травильный, отжигательный, волочильный. Продукция завода была востребована в России, Прибалтике и за рубежом. В годы первой мировой войны завод был эвакуирован из Риги в Нижний Новгород. С этого момента для завода начинается новая история. Во время войны "Завод Красная Этна" обеспечивал своей продукцией фронт. На заводе начался выпуск минных цепей, гвоздей к солдатским сапогам, колючей проволоки, пряжек к ружьям и карабинов, а также другой продукции для нужд фронта и населения России. С 1916 года по 1918 год происходит национализация завода и смена учредителей. Завод стал именоваться, как Акционерное общество Нижегородского металлического завода "Новая Этна". С приходом советской власти на заводе сменилось название на "Красная Этна" и были запущены: электростанция, прокатный цех, цех тонкого волочения и болтозаклепочный цех. В 1925 в структуру завода вливается предприятие с парком металлорежущего оборудования. В этом же году, на базе влившегося предприятия, создаются инструментальный и механический цеха, а также лесопильно-ящичный цех. В начале 30х, организовано строительство Горьковского автомобильного завода, который оказал большое влияние на развитие и деятельность предприятия. "Красная Этна" переходит на выпуск изделий высокого класса точности и включается в обслуживание автомобильной промышленности страны. К началу Великой Отечественной войны, реконструированный завод представлял собой крупное предприятие автомобильной промышленности, которое специализировалось на выпуске: специальной проволоки, пружин, шайб, холоднокатаной ленты и автонормалей. Во время Второй Мировой войны завод бесперебойно снабжал фронт боеприпасами. С 1941 года по 1943 год на заводе работало 996 человек. В послевоенное время завод стал активно развиваться. В дальнейшем на заводе были реконструированы цеха и освоено новое производство, создано собственное станкостроение и автоматические линии, выстроен инженерный корпус и здание очистных сооружений. Организовано производство проката и пружин, а также стержневого крепежа. Создан важнейший отдел обеспечения качеством. На сегодняшний день ОАО "Завод Красная Этна" представляет собой современное, динамично-развивающееся предприятие, специализирующееся на производстве крепежных изделий для автомобильной промышленности. Продукция завода поставляется на крупнейшие предприятия России, стран СНГ и дальнего зарубежья. Продукция предприятия соответствует международным системам качества ИСО 9001-2000 и ISO/TS 16949:2002. Продукция завода прошла проверку аудиторами TUV CERT (Германия) и национальной системой ГОСТ Р. Номенклатура предприятия насчитывает более 2,5 тысячи видов крепёжных изделий, в том числе соответствующих стандарту DIN. Компания "АвтоАльянс" предлагает оригинальную продукцию производства ОАО "Завод Красная Этна". В ассортименте представлен широкий перечень продукции завода: винты различных конструкций, пружины, стремянки, шайбы, гайки, шпильки, заклепки, штуцеры, оси, пробки и пластины, а также всевозможный крепёж к различным автомобилям.
На складах : 827 шт.
"Завод Красная Этна" уже более 110 лет производит крепёжные изделия и пружины для автомобильной промышленности. История завода начинается с 24 декабря 1898 года, когда по положению Комитета Министров Николай Второй разрешает Виктору Михайловичу Гольденбергу и германскому подданному Петру Ивановичу Мартини учредить "Акционерное Общество Рижского металлического завода "Этна". С 1904 года по 1915 год на Рижском металлическом заводе работали цеха: гвоздильный, горячепрокатный, цепочный, травильный, отжигательный, волочильный. Продукция завода была востребована в России, Прибалтике и за рубежом. В годы первой мировой войны завод был эвакуирован из Риги в Нижний Новгород. С этого момента для завода начинается новая история. Во время войны "Завод Красная Этна" обеспечивал своей продукцией фронт. На заводе начался выпуск минных цепей, гвоздей к солдатским сапогам, колючей проволоки, пряжек к ружьям и карабинов, а также другой продукции для нужд фронта и населения России. С 1916 года по 1918 год происходит национализация завода и смена учредителей. Завод стал именоваться, как Акционерное общество Нижегородского металлического завода "Новая Этна". С приходом советской власти на заводе сменилось название на "Красная Этна" и были запущены: электростанция, прокатный цех, цех тонкого волочения и болтозаклепочный цех. В 1925 в структуру завода вливается предприятие с парком металлорежущего оборудования. В этом же году, на базе влившегося предприятия, создаются инструментальный и механический цеха, а также лесопильно-ящичный цех. В начале 30х, организовано строительство Горьковского автомобильного завода, который оказал большое влияние на развитие и деятельность предприятия. "Красная Этна" переходит на выпуск изделий высокого класса точности и включается в обслуживание автомобильной промышленности страны. К началу Великой Отечественной войны, реконструированный завод представлял собой крупное предприятие автомобильной промышленности, которое специализировалось на выпуске: специальной проволоки, пружин, шайб, холоднокатаной ленты и автонормалей. Во время Второй Мировой войны завод бесперебойно снабжал фронт боеприпасами. С 1941 года по 1943 год на заводе работало 996 человек. В послевоенное время завод стал активно развиваться. В дальнейшем на заводе были реконструированы цеха и освоено новое производство, создано собственное станкостроение и автоматические линии, выстроен инженерный корпус и здание очистных сооружений. Организовано производство проката и пружин, а также стержневого крепежа. Создан важнейший отдел обеспечения качеством. На сегодняшний день ОАО "Завод Красная Этна" представляет собой современное, динамично-развивающееся предприятие, специализирующееся на производстве крепежных изделий для автомобильной промышленности. Продукция завода поставляется на крупнейшие предприятия России, стран СНГ и дальнего зарубежья. Продукция предприятия соответствует международным системам качества ИСО 9001-2000 и ISO/TS 16949:2002. Продукция завода прошла проверку аудиторами TUV CERT (Германия) и национальной системой ГОСТ Р. Номенклатура предприятия насчитывает более 2,5 тысячи видов крепёжных изделий, в том числе соответствующих стандарту DIN. Компания "АвтоАльянс" предлагает оригинальную продукцию производства ОАО "Завод Красная Этна". В ассортименте представлен широкий перечень продукции завода: винты различных конструкций, пружины, стремянки, шайбы, гайки, шпильки, заклепки, штуцеры, оси, пробки и пластины, а также всевозможный крепёж к различным автомобилям.