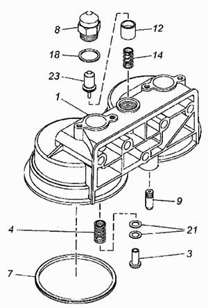
Корпус масляного фильтра в сборе КамАЗ-6460

ОАО «КАМАЗ», как крупнейший производитель грузовых автомобилей в России, занимает лидирующие позиции и на рынке продаж запасных частей к своей технике. Значительное увеличение доли высококачественной фирменной продукции на нём признаётся компанией одним из стратегически важных направлений продуктовой и сбытовой политики. ТФК «КАМАЗ» это эксклюзивный дистрибьютор, которому предоставлено исключительное право на продажу основной продукции ОАО «КАМАЗ» на территории России. Единый производственный комплекс группы организаций ОАО "КАМАЗ" охватывает весь технологический цикл производства грузовых автомобилей - от разработки, изготовления, сборки автотехники и автокомпонентов до сбыта готовой продукции и сервисного сопровождения. Система качества продукции ОАО "КАМАЗ" отвечает требованиям международного стандарта ИСО 9001-2000 и одобрена органом по сертификации систем управления "Русский регистр". Двигатели КАМАЗ-740.60-360, КАМАЗ-740.61-320 и КАМАЗ-740.62-280 соответствуют требованиям международных экологических стандартов "Евро-3". ОАО "КАМАЗ" выпускает широкую гамму грузовой техники: грузовые автомобили (более 30 моделей, свыше 400 комплектаций) ,прицепы, автобусы, двигатели, силовые агрегаты и различный инструмент. "КАМАЗ" традиционно позиционируется на рынке грузовых автомобилей полной массой от 14 до 40 тонн. В последние годы гамма продукции компании значительно расширилась. Освоено производство среднетоннажных автомобилей, модернизированной модели КАМАЗ-5460М ("Стайер"), расширен модельный ряд автомобилей повышенной грузоподъемности. Эти машины не раз доказали свою надежность и уникальную проходимость. Именно поэтому опытные водители, которые занимаются перевозками, отдают предпочтение такой продукции как автомобили КАМАЗ. Техника КАМАЗ работает в любых дорожных и климатических условиях: в районах Крайнего Севера и в тропиках, в зонах пустынь и высокогорья. Есть только одна особенность у этих автомашин - при поломке стоит использовать только те запасные части, которые соответствуют качеству машины. "АвтоАльянс" предлагает именно такие запчасти КАМАЗ. "АвтоАльянс" является официальным дилером по продаже запасных частей и силовых агрегатов ОАО "КАМАЗ". Компания предлагает оригинальные запасные части к автомобилям "КАМАЗ". Главные принципы нашей работы - это всесторонняя поддержка клиентов при формировании заявки на запчасти, а также широчайший ассортимент запчастей производства ОАО "КАМАЗ". В "АвтоАльянс" можно заказывать запчасти от "А" до "Я", от шайбы до агрегата. Экономия нужна везде и во всем, но нельзя экономить на своем верном помощнике. Вся продукция ОАО "КАМАЗ", предлагаемая к продаже, имеет сертификаты качества. Причем это касается не только крупных узлов и агрегатов. От работы множеств мелких деталей так же зависит успешное функционирование всего механизма в целом. Каждый год появляются все более совершенные модели автомобиля КАМАЗ. И "АвтоАльянс" идет в ногу со временем и постоянно расширяет ассортиментный ряд запасных частей на новые КАМАЗы. "АвтоАльянс" в заводском рейтинге дилеров является крупнейшим дилером по запчастям КАМАЗ в Центральном регионе РФ.
На складах : 8 шт.

ОАО «КАМАЗ», как крупнейший производитель грузовых автомобилей в России, занимает лидирующие позиции и на рынке продаж запасных частей к своей технике. Значительное увеличение доли высококачественной фирменной продукции на нём признаётся компанией одним из стратегически важных направлений продуктовой и сбытовой политики. ТФК «КАМАЗ» это эксклюзивный дистрибьютор, которому предоставлено исключительное право на продажу основной продукции ОАО «КАМАЗ» на территории России. Единый производственный комплекс группы организаций ОАО "КАМАЗ" охватывает весь технологический цикл производства грузовых автомобилей - от разработки, изготовления, сборки автотехники и автокомпонентов до сбыта готовой продукции и сервисного сопровождения. Система качества продукции ОАО "КАМАЗ" отвечает требованиям международного стандарта ИСО 9001-2000 и одобрена органом по сертификации систем управления "Русский регистр". Двигатели КАМАЗ-740.60-360, КАМАЗ-740.61-320 и КАМАЗ-740.62-280 соответствуют требованиям международных экологических стандартов "Евро-3". ОАО "КАМАЗ" выпускает широкую гамму грузовой техники: грузовые автомобили (более 30 моделей, свыше 400 комплектаций) ,прицепы, автобусы, двигатели, силовые агрегаты и различный инструмент. "КАМАЗ" традиционно позиционируется на рынке грузовых автомобилей полной массой от 14 до 40 тонн. В последние годы гамма продукции компании значительно расширилась. Освоено производство среднетоннажных автомобилей, модернизированной модели КАМАЗ-5460М ("Стайер"), расширен модельный ряд автомобилей повышенной грузоподъемности. Эти машины не раз доказали свою надежность и уникальную проходимость. Именно поэтому опытные водители, которые занимаются перевозками, отдают предпочтение такой продукции как автомобили КАМАЗ. Техника КАМАЗ работает в любых дорожных и климатических условиях: в районах Крайнего Севера и в тропиках, в зонах пустынь и высокогорья. Есть только одна особенность у этих автомашин - при поломке стоит использовать только те запасные части, которые соответствуют качеству машины. "АвтоАльянс" предлагает именно такие запчасти КАМАЗ. "АвтоАльянс" является официальным дилером по продаже запасных частей и силовых агрегатов ОАО "КАМАЗ". Компания предлагает оригинальные запасные части к автомобилям "КАМАЗ". Главные принципы нашей работы - это всесторонняя поддержка клиентов при формировании заявки на запчасти, а также широчайший ассортимент запчастей производства ОАО "КАМАЗ". В "АвтоАльянс" можно заказывать запчасти от "А" до "Я", от шайбы до агрегата. Экономия нужна везде и во всем, но нельзя экономить на своем верном помощнике. Вся продукция ОАО "КАМАЗ", предлагаемая к продаже, имеет сертификаты качества. Причем это касается не только крупных узлов и агрегатов. От работы множеств мелких деталей так же зависит успешное функционирование всего механизма в целом. Каждый год появляются все более совершенные модели автомобиля КАМАЗ. И "АвтоАльянс" идет в ногу со временем и постоянно расширяет ассортиментный ряд запасных частей на новые КАМАЗы. "АвтоАльянс" в заводском рейтинге дилеров является крупнейшим дилером по запчастям КАМАЗ в Центральном регионе РФ.

Акционерное общество «СТРОЙМАШ» - российское предприятие, производящее резинотехнические изделия высшего качества. Производство компании налажено с учетом использования новейших технологий и современного сырья.
На складах : 2418 шт.

Акционерное общество «СТРОЙМАШ» - российское предприятие, производящее резинотехнические изделия высшего качества. Производство компании налажено с учетом использования новейших технологий и современного сырья.

Акционерное общество «СТРОЙМАШ» - российское предприятие, производящее резинотехнические изделия высшего качества. Производство компании налажено с учетом использования новейших технологий и современного сырья.
На складах : 78 шт.

Акционерное общество «СТРОЙМАШ» - российское предприятие, производящее резинотехнические изделия высшего качества. Производство компании налажено с учетом использования новейших технологий и современного сырья.

ОАО «КАМАЗ», как крупнейший производитель грузовых автомобилей в России, занимает лидирующие позиции и на рынке продаж запасных частей к своей технике. Значительное увеличение доли высококачественной фирменной продукции на нём признаётся компанией одним из стратегически важных направлений продуктовой и сбытовой политики. ТФК «КАМАЗ» это эксклюзивный дистрибьютор, которому предоставлено исключительное право на продажу основной продукции ОАО «КАМАЗ» на территории России. Единый производственный комплекс группы организаций ОАО "КАМАЗ" охватывает весь технологический цикл производства грузовых автомобилей - от разработки, изготовления, сборки автотехники и автокомпонентов до сбыта готовой продукции и сервисного сопровождения. Система качества продукции ОАО "КАМАЗ" отвечает требованиям международного стандарта ИСО 9001-2000 и одобрена органом по сертификации систем управления "Русский регистр". Двигатели КАМАЗ-740.60-360, КАМАЗ-740.61-320 и КАМАЗ-740.62-280 соответствуют требованиям международных экологических стандартов "Евро-3". ОАО "КАМАЗ" выпускает широкую гамму грузовой техники: грузовые автомобили (более 30 моделей, свыше 400 комплектаций) ,прицепы, автобусы, двигатели, силовые агрегаты и различный инструмент. "КАМАЗ" традиционно позиционируется на рынке грузовых автомобилей полной массой от 14 до 40 тонн. В последние годы гамма продукции компании значительно расширилась. Освоено производство среднетоннажных автомобилей, модернизированной модели КАМАЗ-5460М ("Стайер"), расширен модельный ряд автомобилей повышенной грузоподъемности. Эти машины не раз доказали свою надежность и уникальную проходимость. Именно поэтому опытные водители, которые занимаются перевозками, отдают предпочтение такой продукции как автомобили КАМАЗ. Техника КАМАЗ работает в любых дорожных и климатических условиях: в районах Крайнего Севера и в тропиках, в зонах пустынь и высокогорья. Есть только одна особенность у этих автомашин - при поломке стоит использовать только те запасные части, которые соответствуют качеству машины. "АвтоАльянс" предлагает именно такие запчасти КАМАЗ. "АвтоАльянс" является официальным дилером по продаже запасных частей и силовых агрегатов ОАО "КАМАЗ". Компания предлагает оригинальные запасные части к автомобилям "КАМАЗ". Главные принципы нашей работы - это всесторонняя поддержка клиентов при формировании заявки на запчасти, а также широчайший ассортимент запчастей производства ОАО "КАМАЗ". В "АвтоАльянс" можно заказывать запчасти от "А" до "Я", от шайбы до агрегата. Экономия нужна везде и во всем, но нельзя экономить на своем верном помощнике. Вся продукция ОАО "КАМАЗ", предлагаемая к продаже, имеет сертификаты качества. Причем это касается не только крупных узлов и агрегатов. От работы множеств мелких деталей так же зависит успешное функционирование всего механизма в целом. Каждый год появляются все более совершенные модели автомобиля КАМАЗ. И "АвтоАльянс" идет в ногу со временем и постоянно расширяет ассортиментный ряд запасных частей на новые КАМАЗы. "АвтоАльянс" в заводском рейтинге дилеров является крупнейшим дилером по запчастям КАМАЗ в Центральном регионе РФ.

ОАО «КАМАЗ», как крупнейший производитель грузовых автомобилей в России, занимает лидирующие позиции и на рынке продаж запасных частей к своей технике. Значительное увеличение доли высококачественной фирменной продукции на нём признаётся компанией одним из стратегически важных направлений продуктовой и сбытовой политики. ТФК «КАМАЗ» это эксклюзивный дистрибьютор, которому предоставлено исключительное право на продажу основной продукции ОАО «КАМАЗ» на территории России. Единый производственный комплекс группы организаций ОАО "КАМАЗ" охватывает весь технологический цикл производства грузовых автомобилей - от разработки, изготовления, сборки автотехники и автокомпонентов до сбыта готовой продукции и сервисного сопровождения. Система качества продукции ОАО "КАМАЗ" отвечает требованиям международного стандарта ИСО 9001-2000 и одобрена органом по сертификации систем управления "Русский регистр". Двигатели КАМАЗ-740.60-360, КАМАЗ-740.61-320 и КАМАЗ-740.62-280 соответствуют требованиям международных экологических стандартов "Евро-3". ОАО "КАМАЗ" выпускает широкую гамму грузовой техники: грузовые автомобили (более 30 моделей, свыше 400 комплектаций) ,прицепы, автобусы, двигатели, силовые агрегаты и различный инструмент. "КАМАЗ" традиционно позиционируется на рынке грузовых автомобилей полной массой от 14 до 40 тонн. В последние годы гамма продукции компании значительно расширилась. Освоено производство среднетоннажных автомобилей, модернизированной модели КАМАЗ-5460М ("Стайер"), расширен модельный ряд автомобилей повышенной грузоподъемности. Эти машины не раз доказали свою надежность и уникальную проходимость. Именно поэтому опытные водители, которые занимаются перевозками, отдают предпочтение такой продукции как автомобили КАМАЗ. Техника КАМАЗ работает в любых дорожных и климатических условиях: в районах Крайнего Севера и в тропиках, в зонах пустынь и высокогорья. Есть только одна особенность у этих автомашин - при поломке стоит использовать только те запасные части, которые соответствуют качеству машины. "АвтоАльянс" предлагает именно такие запчасти КАМАЗ. "АвтоАльянс" является официальным дилером по продаже запасных частей и силовых агрегатов ОАО "КАМАЗ". Компания предлагает оригинальные запасные части к автомобилям "КАМАЗ". Главные принципы нашей работы - это всесторонняя поддержка клиентов при формировании заявки на запчасти, а также широчайший ассортимент запчастей производства ОАО "КАМАЗ". В "АвтоАльянс" можно заказывать запчасти от "А" до "Я", от шайбы до агрегата. Экономия нужна везде и во всем, но нельзя экономить на своем верном помощнике. Вся продукция ОАО "КАМАЗ", предлагаемая к продаже, имеет сертификаты качества. Причем это касается не только крупных узлов и агрегатов. От работы множеств мелких деталей так же зависит успешное функционирование всего механизма в целом. Каждый год появляются все более совершенные модели автомобиля КАМАЗ. И "АвтоАльянс" идет в ногу со временем и постоянно расширяет ассортиментный ряд запасных частей на новые КАМАЗы. "АвтоАльянс" в заводском рейтинге дилеров является крупнейшим дилером по запчастям КАМАЗ в Центральном регионе РФ.
На складах : 65 шт.
На складах : 967 шт.

ОАО «КАМАЗ», как крупнейший производитель грузовых автомобилей в России, занимает лидирующие позиции и на рынке продаж запасных частей к своей технике. Значительное увеличение доли высококачественной фирменной продукции на нём признаётся компанией одним из стратегически важных направлений продуктовой и сбытовой политики. ТФК «КАМАЗ» это эксклюзивный дистрибьютор, которому предоставлено исключительное право на продажу основной продукции ОАО «КАМАЗ» на территории России. Единый производственный комплекс группы организаций ОАО "КАМАЗ" охватывает весь технологический цикл производства грузовых автомобилей - от разработки, изготовления, сборки автотехники и автокомпонентов до сбыта готовой продукции и сервисного сопровождения. Система качества продукции ОАО "КАМАЗ" отвечает требованиям международного стандарта ИСО 9001-2000 и одобрена органом по сертификации систем управления "Русский регистр". Двигатели КАМАЗ-740.60-360, КАМАЗ-740.61-320 и КАМАЗ-740.62-280 соответствуют требованиям международных экологических стандартов "Евро-3". ОАО "КАМАЗ" выпускает широкую гамму грузовой техники: грузовые автомобили (более 30 моделей, свыше 400 комплектаций) ,прицепы, автобусы, двигатели, силовые агрегаты и различный инструмент. "КАМАЗ" традиционно позиционируется на рынке грузовых автомобилей полной массой от 14 до 40 тонн. В последние годы гамма продукции компании значительно расширилась. Освоено производство среднетоннажных автомобилей, модернизированной модели КАМАЗ-5460М ("Стайер"), расширен модельный ряд автомобилей повышенной грузоподъемности. Эти машины не раз доказали свою надежность и уникальную проходимость. Именно поэтому опытные водители, которые занимаются перевозками, отдают предпочтение такой продукции как автомобили КАМАЗ. Техника КАМАЗ работает в любых дорожных и климатических условиях: в районах Крайнего Севера и в тропиках, в зонах пустынь и высокогорья. Есть только одна особенность у этих автомашин - при поломке стоит использовать только те запасные части, которые соответствуют качеству машины. "АвтоАльянс" предлагает именно такие запчасти КАМАЗ. "АвтоАльянс" является официальным дилером по продаже запасных частей и силовых агрегатов ОАО "КАМАЗ". Компания предлагает оригинальные запасные части к автомобилям "КАМАЗ". Главные принципы нашей работы - это всесторонняя поддержка клиентов при формировании заявки на запчасти, а также широчайший ассортимент запчастей производства ОАО "КАМАЗ". В "АвтоАльянс" можно заказывать запчасти от "А" до "Я", от шайбы до агрегата. Экономия нужна везде и во всем, но нельзя экономить на своем верном помощнике. Вся продукция ОАО "КАМАЗ", предлагаемая к продаже, имеет сертификаты качества. Причем это касается не только крупных узлов и агрегатов. От работы множеств мелких деталей так же зависит успешное функционирование всего механизма в целом. Каждый год появляются все более совершенные модели автомобиля КАМАЗ. И "АвтоАльянс" идет в ногу со временем и постоянно расширяет ассортиментный ряд запасных частей на новые КАМАЗы. "АвтоАльянс" в заводском рейтинге дилеров является крупнейшим дилером по запчастям КАМАЗ в Центральном регионе РФ.

ОАО «КАМАЗ», как крупнейший производитель грузовых автомобилей в России, занимает лидирующие позиции и на рынке продаж запасных частей к своей технике. Значительное увеличение доли высококачественной фирменной продукции на нём признаётся компанией одним из стратегически важных направлений продуктовой и сбытовой политики. ТФК «КАМАЗ» это эксклюзивный дистрибьютор, которому предоставлено исключительное право на продажу основной продукции ОАО «КАМАЗ» на территории России. Единый производственный комплекс группы организаций ОАО "КАМАЗ" охватывает весь технологический цикл производства грузовых автомобилей - от разработки, изготовления, сборки автотехники и автокомпонентов до сбыта готовой продукции и сервисного сопровождения. Система качества продукции ОАО "КАМАЗ" отвечает требованиям международного стандарта ИСО 9001-2000 и одобрена органом по сертификации систем управления "Русский регистр". Двигатели КАМАЗ-740.60-360, КАМАЗ-740.61-320 и КАМАЗ-740.62-280 соответствуют требованиям международных экологических стандартов "Евро-3". ОАО "КАМАЗ" выпускает широкую гамму грузовой техники: грузовые автомобили (более 30 моделей, свыше 400 комплектаций) ,прицепы, автобусы, двигатели, силовые агрегаты и различный инструмент. "КАМАЗ" традиционно позиционируется на рынке грузовых автомобилей полной массой от 14 до 40 тонн. В последние годы гамма продукции компании значительно расширилась. Освоено производство среднетоннажных автомобилей, модернизированной модели КАМАЗ-5460М ("Стайер"), расширен модельный ряд автомобилей повышенной грузоподъемности. Эти машины не раз доказали свою надежность и уникальную проходимость. Именно поэтому опытные водители, которые занимаются перевозками, отдают предпочтение такой продукции как автомобили КАМАЗ. Техника КАМАЗ работает в любых дорожных и климатических условиях: в районах Крайнего Севера и в тропиках, в зонах пустынь и высокогорья. Есть только одна особенность у этих автомашин - при поломке стоит использовать только те запасные части, которые соответствуют качеству машины. "АвтоАльянс" предлагает именно такие запчасти КАМАЗ. "АвтоАльянс" является официальным дилером по продаже запасных частей и силовых агрегатов ОАО "КАМАЗ". Компания предлагает оригинальные запасные части к автомобилям "КАМАЗ". Главные принципы нашей работы - это всесторонняя поддержка клиентов при формировании заявки на запчасти, а также широчайший ассортимент запчастей производства ОАО "КАМАЗ". В "АвтоАльянс" можно заказывать запчасти от "А" до "Я", от шайбы до агрегата. Экономия нужна везде и во всем, но нельзя экономить на своем верном помощнике. Вся продукция ОАО "КАМАЗ", предлагаемая к продаже, имеет сертификаты качества. Причем это касается не только крупных узлов и агрегатов. От работы множеств мелких деталей так же зависит успешное функционирование всего механизма в целом. Каждый год появляются все более совершенные модели автомобиля КАМАЗ. И "АвтоАльянс" идет в ногу со временем и постоянно расширяет ассортиментный ряд запасных частей на новые КАМАЗы. "АвтоАльянс" в заводском рейтинге дилеров является крупнейшим дилером по запчастям КАМАЗ в Центральном регионе РФ.