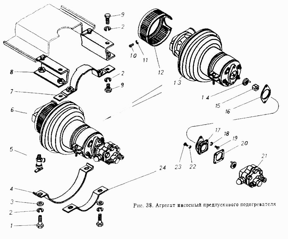
Агрегат насосный предпускового подогревателя КамАЗ-53212

TEHNOTRON — созданное в Набережных Челнах передовое предприятие машиностроительной направленности, водящее в состав холдинга «ТЭМПО». Технотрон обеспечивает запчастями сферу коммерческой и сельскохозяйственной техники, в особенности электрооборудование, краны и почвообрабатывающую аппаратуру.
Располагая внушительной технической и научной базой в Набережных Челнах, Tehnotron независимо осуществляет полный цикл изготовления продукции, от проектирования и подготовки ресурсов, до тестирования и реализации товара, необходимого, в том числе для экономических нужд легкой и тяжелой промышленности.
Важно отметить, что в структурно-производственной цепи, есть место для проверки итогового продукта испытательным центром, который ответственен не только за предотвращение возможных проблем, но и за наиболее продуктивное совершенствование характеристик каждого конкретного изделия. Своим конкурентным преимуществом Технотрон выделяет особую технологию окрашивания автокомплектующих из SMC.
Бренд Tehnotron отвечает за соответствие высоким международным стандартам качества, что регулярно подтверждается обновляемым перечнем сертификатов и независимым органом оценки United Registrar of Systems Ltd. (URS Certification), благодаря контролю сырья, материалов и входящих комплектующих. Производственный потенциал в концерне позволяют конструировать и собирать все элементы самостоятельно в Набережных Челнах, не привлекая сторонние организации.
В настоящее время Технотрон в основном ориентированы на активное сотрудничество с такими автомобильными марками как ПАО «КАМАЗ», ОАО «МАЗ», «Группа ГАЗ», DAIMLER KAMAZ RUS и АЗ «УРАЛ». Компания стремится выйти на стабильный рост объемов производства, освоить также и региональные рынки и консолидировать автопромышленность.
Ассортимент:
- Система охлаждения
- Система питания
- Оперение кабины (экстерьер а/м 5490)
- Принадлежности кабины
- Элементы подвески
- Тягово-сцепные устройства
- Электрика
- Седельно-сцепные устройства
- Троллейный шинопровод и многое другое
На складах : 355 шт.

TEHNOTRON — созданное в Набережных Челнах передовое предприятие машиностроительной направленности, водящее в состав холдинга «ТЭМПО». Технотрон обеспечивает запчастями сферу коммерческой и сельскохозяйственной техники, в особенности электрооборудование, краны и почвообрабатывающую аппаратуру.
Располагая внушительной технической и научной базой в Набережных Челнах, Tehnotron независимо осуществляет полный цикл изготовления продукции, от проектирования и подготовки ресурсов, до тестирования и реализации товара, необходимого, в том числе для экономических нужд легкой и тяжелой промышленности.
Важно отметить, что в структурно-производственной цепи, есть место для проверки итогового продукта испытательным центром, который ответственен не только за предотвращение возможных проблем, но и за наиболее продуктивное совершенствование характеристик каждого конкретного изделия. Своим конкурентным преимуществом Технотрон выделяет особую технологию окрашивания автокомплектующих из SMC.
Бренд Tehnotron отвечает за соответствие высоким международным стандартам качества, что регулярно подтверждается обновляемым перечнем сертификатов и независимым органом оценки United Registrar of Systems Ltd. (URS Certification), благодаря контролю сырья, материалов и входящих комплектующих. Производственный потенциал в концерне позволяют конструировать и собирать все элементы самостоятельно в Набережных Челнах, не привлекая сторонние организации.
В настоящее время Технотрон в основном ориентированы на активное сотрудничество с такими автомобильными марками как ПАО «КАМАЗ», ОАО «МАЗ», «Группа ГАЗ», DAIMLER KAMAZ RUS и АЗ «УРАЛ». Компания стремится выйти на стабильный рост объемов производства, освоить также и региональные рынки и консолидировать автопромышленность.
Ассортимент:
- Система охлаждения
- Система питания
- Оперение кабины (экстерьер а/м 5490)
- Принадлежности кабины
- Элементы подвески
- Тягово-сцепные устройства
- Электрика
- Седельно-сцепные устройства
- Троллейный шинопровод и многое другое
На складах : 600 шт.

ОАО «КАМАЗ», как крупнейший производитель грузовых автомобилей в России, занимает лидирующие позиции и на рынке продаж запасных частей к своей технике. Значительное увеличение доли высококачественной фирменной продукции на нём признаётся компанией одним из стратегически важных направлений продуктовой и сбытовой политики. ТФК «КАМАЗ» это эксклюзивный дистрибьютор, которому предоставлено исключительное право на продажу основной продукции ОАО «КАМАЗ» на территории России. Единый производственный комплекс группы организаций ОАО "КАМАЗ" охватывает весь технологический цикл производства грузовых автомобилей - от разработки, изготовления, сборки автотехники и автокомпонентов до сбыта готовой продукции и сервисного сопровождения. Система качества продукции ОАО "КАМАЗ" отвечает требованиям международного стандарта ИСО 9001-2000 и одобрена органом по сертификации систем управления "Русский регистр". Двигатели КАМАЗ-740.60-360, КАМАЗ-740.61-320 и КАМАЗ-740.62-280 соответствуют требованиям международных экологических стандартов "Евро-3". ОАО "КАМАЗ" выпускает широкую гамму грузовой техники: грузовые автомобили (более 30 моделей, свыше 400 комплектаций) ,прицепы, автобусы, двигатели, силовые агрегаты и различный инструмент. "КАМАЗ" традиционно позиционируется на рынке грузовых автомобилей полной массой от 14 до 40 тонн. В последние годы гамма продукции компании значительно расширилась. Освоено производство среднетоннажных автомобилей, модернизированной модели КАМАЗ-5460М ("Стайер"), расширен модельный ряд автомобилей повышенной грузоподъемности. Эти машины не раз доказали свою надежность и уникальную проходимость. Именно поэтому опытные водители, которые занимаются перевозками, отдают предпочтение такой продукции как автомобили КАМАЗ. Техника КАМАЗ работает в любых дорожных и климатических условиях: в районах Крайнего Севера и в тропиках, в зонах пустынь и высокогорья. Есть только одна особенность у этих автомашин - при поломке стоит использовать только те запасные части, которые соответствуют качеству машины. "АвтоАльянс" предлагает именно такие запчасти КАМАЗ. "АвтоАльянс" является официальным дилером по продаже запасных частей и силовых агрегатов ОАО "КАМАЗ". Компания предлагает оригинальные запасные части к автомобилям "КАМАЗ". Главные принципы нашей работы - это всесторонняя поддержка клиентов при формировании заявки на запчасти, а также широчайший ассортимент запчастей производства ОАО "КАМАЗ". В "АвтоАльянс" можно заказывать запчасти от "А" до "Я", от шайбы до агрегата. Экономия нужна везде и во всем, но нельзя экономить на своем верном помощнике. Вся продукция ОАО "КАМАЗ", предлагаемая к продаже, имеет сертификаты качества. Причем это касается не только крупных узлов и агрегатов. От работы множеств мелких деталей так же зависит успешное функционирование всего механизма в целом. Каждый год появляются все более совершенные модели автомобиля КАМАЗ. И "АвтоАльянс" идет в ногу со временем и постоянно расширяет ассортиментный ряд запасных частей на новые КАМАЗы. "АвтоАльянс" в заводском рейтинге дилеров является крупнейшим дилером по запчастям КАМАЗ в Центральном регионе РФ.
На складах : 52 шт.

ОАО «КАМАЗ», как крупнейший производитель грузовых автомобилей в России, занимает лидирующие позиции и на рынке продаж запасных частей к своей технике. Значительное увеличение доли высококачественной фирменной продукции на нём признаётся компанией одним из стратегически важных направлений продуктовой и сбытовой политики. ТФК «КАМАЗ» это эксклюзивный дистрибьютор, которому предоставлено исключительное право на продажу основной продукции ОАО «КАМАЗ» на территории России. Единый производственный комплекс группы организаций ОАО "КАМАЗ" охватывает весь технологический цикл производства грузовых автомобилей - от разработки, изготовления, сборки автотехники и автокомпонентов до сбыта готовой продукции и сервисного сопровождения. Система качества продукции ОАО "КАМАЗ" отвечает требованиям международного стандарта ИСО 9001-2000 и одобрена органом по сертификации систем управления "Русский регистр". Двигатели КАМАЗ-740.60-360, КАМАЗ-740.61-320 и КАМАЗ-740.62-280 соответствуют требованиям международных экологических стандартов "Евро-3". ОАО "КАМАЗ" выпускает широкую гамму грузовой техники: грузовые автомобили (более 30 моделей, свыше 400 комплектаций) ,прицепы, автобусы, двигатели, силовые агрегаты и различный инструмент. "КАМАЗ" традиционно позиционируется на рынке грузовых автомобилей полной массой от 14 до 40 тонн. В последние годы гамма продукции компании значительно расширилась. Освоено производство среднетоннажных автомобилей, модернизированной модели КАМАЗ-5460М ("Стайер"), расширен модельный ряд автомобилей повышенной грузоподъемности. Эти машины не раз доказали свою надежность и уникальную проходимость. Именно поэтому опытные водители, которые занимаются перевозками, отдают предпочтение такой продукции как автомобили КАМАЗ. Техника КАМАЗ работает в любых дорожных и климатических условиях: в районах Крайнего Севера и в тропиках, в зонах пустынь и высокогорья. Есть только одна особенность у этих автомашин - при поломке стоит использовать только те запасные части, которые соответствуют качеству машины. "АвтоАльянс" предлагает именно такие запчасти КАМАЗ. "АвтоАльянс" является официальным дилером по продаже запасных частей и силовых агрегатов ОАО "КАМАЗ". Компания предлагает оригинальные запасные части к автомобилям "КАМАЗ". Главные принципы нашей работы - это всесторонняя поддержка клиентов при формировании заявки на запчасти, а также широчайший ассортимент запчастей производства ОАО "КАМАЗ". В "АвтоАльянс" можно заказывать запчасти от "А" до "Я", от шайбы до агрегата. Экономия нужна везде и во всем, но нельзя экономить на своем верном помощнике. Вся продукция ОАО "КАМАЗ", предлагаемая к продаже, имеет сертификаты качества. Причем это касается не только крупных узлов и агрегатов. От работы множеств мелких деталей так же зависит успешное функционирование всего механизма в целом. Каждый год появляются все более совершенные модели автомобиля КАМАЗ. И "АвтоАльянс" идет в ногу со временем и постоянно расширяет ассортиментный ряд запасных частей на новые КАМАЗы. "АвтоАльянс" в заводском рейтинге дилеров является крупнейшим дилером по запчастям КАМАЗ в Центральном регионе РФ.

ОАО «КАМАЗ», как крупнейший производитель грузовых автомобилей в России, занимает лидирующие позиции и на рынке продаж запасных частей к своей технике. Значительное увеличение доли высококачественной фирменной продукции на нём признаётся компанией одним из стратегически важных направлений продуктовой и сбытовой политики. ТФК «КАМАЗ» это эксклюзивный дистрибьютор, которому предоставлено исключительное право на продажу основной продукции ОАО «КАМАЗ» на территории России. Единый производственный комплекс группы организаций ОАО "КАМАЗ" охватывает весь технологический цикл производства грузовых автомобилей - от разработки, изготовления, сборки автотехники и автокомпонентов до сбыта готовой продукции и сервисного сопровождения. Система качества продукции ОАО "КАМАЗ" отвечает требованиям международного стандарта ИСО 9001-2000 и одобрена органом по сертификации систем управления "Русский регистр". Двигатели КАМАЗ-740.60-360, КАМАЗ-740.61-320 и КАМАЗ-740.62-280 соответствуют требованиям международных экологических стандартов "Евро-3". ОАО "КАМАЗ" выпускает широкую гамму грузовой техники: грузовые автомобили (более 30 моделей, свыше 400 комплектаций) ,прицепы, автобусы, двигатели, силовые агрегаты и различный инструмент. "КАМАЗ" традиционно позиционируется на рынке грузовых автомобилей полной массой от 14 до 40 тонн. В последние годы гамма продукции компании значительно расширилась. Освоено производство среднетоннажных автомобилей, модернизированной модели КАМАЗ-5460М ("Стайер"), расширен модельный ряд автомобилей повышенной грузоподъемности. Эти машины не раз доказали свою надежность и уникальную проходимость. Именно поэтому опытные водители, которые занимаются перевозками, отдают предпочтение такой продукции как автомобили КАМАЗ. Техника КАМАЗ работает в любых дорожных и климатических условиях: в районах Крайнего Севера и в тропиках, в зонах пустынь и высокогорья. Есть только одна особенность у этих автомашин - при поломке стоит использовать только те запасные части, которые соответствуют качеству машины. "АвтоАльянс" предлагает именно такие запчасти КАМАЗ. "АвтоАльянс" является официальным дилером по продаже запасных частей и силовых агрегатов ОАО "КАМАЗ". Компания предлагает оригинальные запасные части к автомобилям "КАМАЗ". Главные принципы нашей работы - это всесторонняя поддержка клиентов при формировании заявки на запчасти, а также широчайший ассортимент запчастей производства ОАО "КАМАЗ". В "АвтоАльянс" можно заказывать запчасти от "А" до "Я", от шайбы до агрегата. Экономия нужна везде и во всем, но нельзя экономить на своем верном помощнике. Вся продукция ОАО "КАМАЗ", предлагаемая к продаже, имеет сертификаты качества. Причем это касается не только крупных узлов и агрегатов. От работы множеств мелких деталей так же зависит успешное функционирование всего механизма в целом. Каждый год появляются все более совершенные модели автомобиля КАМАЗ. И "АвтоАльянс" идет в ногу со временем и постоянно расширяет ассортиментный ряд запасных частей на новые КАМАЗы. "АвтоАльянс" в заводском рейтинге дилеров является крупнейшим дилером по запчастям КАМАЗ в Центральном регионе РФ.
На складах : 24 шт.

ОАО «КАМАЗ», как крупнейший производитель грузовых автомобилей в России, занимает лидирующие позиции и на рынке продаж запасных частей к своей технике. Значительное увеличение доли высококачественной фирменной продукции на нём признаётся компанией одним из стратегически важных направлений продуктовой и сбытовой политики. ТФК «КАМАЗ» это эксклюзивный дистрибьютор, которому предоставлено исключительное право на продажу основной продукции ОАО «КАМАЗ» на территории России. Единый производственный комплекс группы организаций ОАО "КАМАЗ" охватывает весь технологический цикл производства грузовых автомобилей - от разработки, изготовления, сборки автотехники и автокомпонентов до сбыта готовой продукции и сервисного сопровождения. Система качества продукции ОАО "КАМАЗ" отвечает требованиям международного стандарта ИСО 9001-2000 и одобрена органом по сертификации систем управления "Русский регистр". Двигатели КАМАЗ-740.60-360, КАМАЗ-740.61-320 и КАМАЗ-740.62-280 соответствуют требованиям международных экологических стандартов "Евро-3". ОАО "КАМАЗ" выпускает широкую гамму грузовой техники: грузовые автомобили (более 30 моделей, свыше 400 комплектаций) ,прицепы, автобусы, двигатели, силовые агрегаты и различный инструмент. "КАМАЗ" традиционно позиционируется на рынке грузовых автомобилей полной массой от 14 до 40 тонн. В последние годы гамма продукции компании значительно расширилась. Освоено производство среднетоннажных автомобилей, модернизированной модели КАМАЗ-5460М ("Стайер"), расширен модельный ряд автомобилей повышенной грузоподъемности. Эти машины не раз доказали свою надежность и уникальную проходимость. Именно поэтому опытные водители, которые занимаются перевозками, отдают предпочтение такой продукции как автомобили КАМАЗ. Техника КАМАЗ работает в любых дорожных и климатических условиях: в районах Крайнего Севера и в тропиках, в зонах пустынь и высокогорья. Есть только одна особенность у этих автомашин - при поломке стоит использовать только те запасные части, которые соответствуют качеству машины. "АвтоАльянс" предлагает именно такие запчасти КАМАЗ. "АвтоАльянс" является официальным дилером по продаже запасных частей и силовых агрегатов ОАО "КАМАЗ". Компания предлагает оригинальные запасные части к автомобилям "КАМАЗ". Главные принципы нашей работы - это всесторонняя поддержка клиентов при формировании заявки на запчасти, а также широчайший ассортимент запчастей производства ОАО "КАМАЗ". В "АвтоАльянс" можно заказывать запчасти от "А" до "Я", от шайбы до агрегата. Экономия нужна везде и во всем, но нельзя экономить на своем верном помощнике. Вся продукция ОАО "КАМАЗ", предлагаемая к продаже, имеет сертификаты качества. Причем это касается не только крупных узлов и агрегатов. От работы множеств мелких деталей так же зависит успешное функционирование всего механизма в целом. Каждый год появляются все более совершенные модели автомобиля КАМАЗ. И "АвтоАльянс" идет в ногу со временем и постоянно расширяет ассортиментный ряд запасных частей на новые КАМАЗы. "АвтоАльянс" в заводском рейтинге дилеров является крупнейшим дилером по запчастям КАМАЗ в Центральном регионе РФ.

Шадринский автоагрегатный завод (ШААЗ) – предприятие машиностроительного комплекса Уральской горно-металлургической компании. Основным видом деятельности ОАО "ШААЗ" является производство автомобильных агрегатов: водяных и масляных радиаторов автомобильных двигателей, радиаторов отопителей, отопительно-вентиляционных установок, домкратов гидравлических и рычажно-винтовых, бензиновых насосов автомобильных двигателей, охладителей наддувочного воздуха. Номенклатура выпускаемых изделий составляет более 150 наименований. Наибольшую долю в структуре продаж составляют радиаторы. Выпускаемая на предприятии продукция поставляется на конвейеры головных автомобильных заводов (КАМАЗ, АЗ «Урал», ГАЗ, ЗИЛ, УАЗ, ЛиАЗ, КАВЗ и др) и рынок запасных частей. Завод имеет полное инженерное обеспечение: транспорт, г/п механизмы, управления главного технолога и главного конструктора с цехом мелких серий и экспериментальной базой, отделы стандартизации и сертификации, отдел главного механика, отдел производственного контроля и охраны труда, службу качества с испытательной базой и лабораторией входного контроля, отдел главного метролога, центральную заводскую лабораторию, станкоремонтное производство, инструментальное производство, службу по строительству и реконструкции. В 1999 году ОАО «ШААЗ» вошло в состав Уральской горно-металлургической компании. Предоставленный инвестором товарный кредит позволил увеличить оборотные средства, стабилизировать работу предприятия. В 2002 году ОАО «ШААЗ» вступило в Национальную ассоциацию производителей радиаторной продукции NARSA. В феврале 2003 года на Шадринском автоагрегатном заводе запущено первое в России массовое производство автомобильных теплообменников по технологии «Купробрейз», в основе которой использование в пайке твердых припоев на основе меди, не содержащих свинца. Это обеспечивает значительно большую прочность конструкции и экологическую безопасность процесса. С запуском производства ОАО «ШААЗ» начинает изготовление принципиально новой продукции, соответствующей стандартам Евро-2 и Евро-3, – охладителей наддувочного воздуха (ОНВ). Производство оснащено уникальным оборудованием. Капитальные вложения в техническое перевооружение в 2000-2003 годах составили $4,5 млн. В настоящее время ШААЗ выпускает по новой технологии водяные радиаторы и охладители наддувочного воздуха практически для всех существующих в России и странах СНГ моделей автомобилей и автобусов, изготовлен ряд образцов теплообменников для иностранных фирм.

Шадринский автоагрегатный завод (ШААЗ) – предприятие машиностроительного комплекса Уральской горно-металлургической компании. Основным видом деятельности ОАО "ШААЗ" является производство автомобильных агрегатов: водяных и масляных радиаторов автомобильных двигателей, радиаторов отопителей, отопительно-вентиляционных установок, домкратов гидравлических и рычажно-винтовых, бензиновых насосов автомобильных двигателей, охладителей наддувочного воздуха. Номенклатура выпускаемых изделий составляет более 150 наименований. Наибольшую долю в структуре продаж составляют радиаторы. Выпускаемая на предприятии продукция поставляется на конвейеры головных автомобильных заводов (КАМАЗ, АЗ «Урал», ГАЗ, ЗИЛ, УАЗ, ЛиАЗ, КАВЗ и др) и рынок запасных частей. Завод имеет полное инженерное обеспечение: транспорт, г/п механизмы, управления главного технолога и главного конструктора с цехом мелких серий и экспериментальной базой, отделы стандартизации и сертификации, отдел главного механика, отдел производственного контроля и охраны труда, службу качества с испытательной базой и лабораторией входного контроля, отдел главного метролога, центральную заводскую лабораторию, станкоремонтное производство, инструментальное производство, службу по строительству и реконструкции. В 1999 году ОАО «ШААЗ» вошло в состав Уральской горно-металлургической компании. Предоставленный инвестором товарный кредит позволил увеличить оборотные средства, стабилизировать работу предприятия. В 2002 году ОАО «ШААЗ» вступило в Национальную ассоциацию производителей радиаторной продукции NARSA. В феврале 2003 года на Шадринском автоагрегатном заводе запущено первое в России массовое производство автомобильных теплообменников по технологии «Купробрейз», в основе которой использование в пайке твердых припоев на основе меди, не содержащих свинца. Это обеспечивает значительно большую прочность конструкции и экологическую безопасность процесса. С запуском производства ОАО «ШААЗ» начинает изготовление принципиально новой продукции, соответствующей стандартам Евро-2 и Евро-3, – охладителей наддувочного воздуха (ОНВ). Производство оснащено уникальным оборудованием. Капитальные вложения в техническое перевооружение в 2000-2003 годах составили $4,5 млн. В настоящее время ШААЗ выпускает по новой технологии водяные радиаторы и охладители наддувочного воздуха практически для всех существующих в России и странах СНГ моделей автомобилей и автобусов, изготовлен ряд образцов теплообменников для иностранных фирм.

Шадринский автоагрегатный завод (ШААЗ) – предприятие машиностроительного комплекса Уральской горно-металлургической компании. Основным видом деятельности ОАО "ШААЗ" является производство автомобильных агрегатов: водяных и масляных радиаторов автомобильных двигателей, радиаторов отопителей, отопительно-вентиляционных установок, домкратов гидравлических и рычажно-винтовых, бензиновых насосов автомобильных двигателей, охладителей наддувочного воздуха. Номенклатура выпускаемых изделий составляет более 150 наименований. Наибольшую долю в структуре продаж составляют радиаторы. Выпускаемая на предприятии продукция поставляется на конвейеры головных автомобильных заводов (КАМАЗ, АЗ «Урал», ГАЗ, ЗИЛ, УАЗ, ЛиАЗ, КАВЗ и др) и рынок запасных частей. Завод имеет полное инженерное обеспечение: транспорт, г/п механизмы, управления главного технолога и главного конструктора с цехом мелких серий и экспериментальной базой, отделы стандартизации и сертификации, отдел главного механика, отдел производственного контроля и охраны труда, службу качества с испытательной базой и лабораторией входного контроля, отдел главного метролога, центральную заводскую лабораторию, станкоремонтное производство, инструментальное производство, службу по строительству и реконструкции. В 1999 году ОАО «ШААЗ» вошло в состав Уральской горно-металлургической компании. Предоставленный инвестором товарный кредит позволил увеличить оборотные средства, стабилизировать работу предприятия. В 2002 году ОАО «ШААЗ» вступило в Национальную ассоциацию производителей радиаторной продукции NARSA. В феврале 2003 года на Шадринском автоагрегатном заводе запущено первое в России массовое производство автомобильных теплообменников по технологии «Купробрейз», в основе которой использование в пайке твердых припоев на основе меди, не содержащих свинца. Это обеспечивает значительно большую прочность конструкции и экологическую безопасность процесса. С запуском производства ОАО «ШААЗ» начинает изготовление принципиально новой продукции, соответствующей стандартам Евро-2 и Евро-3, – охладителей наддувочного воздуха (ОНВ). Производство оснащено уникальным оборудованием. Капитальные вложения в техническое перевооружение в 2000-2003 годах составили $4,5 млн. В настоящее время ШААЗ выпускает по новой технологии водяные радиаторы и охладители наддувочного воздуха практически для всех существующих в России и странах СНГ моделей автомобилей и автобусов, изготовлен ряд образцов теплообменников для иностранных фирм.

Шадринский автоагрегатный завод (ШААЗ) – предприятие машиностроительного комплекса Уральской горно-металлургической компании. Основным видом деятельности ОАО "ШААЗ" является производство автомобильных агрегатов: водяных и масляных радиаторов автомобильных двигателей, радиаторов отопителей, отопительно-вентиляционных установок, домкратов гидравлических и рычажно-винтовых, бензиновых насосов автомобильных двигателей, охладителей наддувочного воздуха. Номенклатура выпускаемых изделий составляет более 150 наименований. Наибольшую долю в структуре продаж составляют радиаторы. Выпускаемая на предприятии продукция поставляется на конвейеры головных автомобильных заводов (КАМАЗ, АЗ «Урал», ГАЗ, ЗИЛ, УАЗ, ЛиАЗ, КАВЗ и др) и рынок запасных частей. Завод имеет полное инженерное обеспечение: транспорт, г/п механизмы, управления главного технолога и главного конструктора с цехом мелких серий и экспериментальной базой, отделы стандартизации и сертификации, отдел главного механика, отдел производственного контроля и охраны труда, службу качества с испытательной базой и лабораторией входного контроля, отдел главного метролога, центральную заводскую лабораторию, станкоремонтное производство, инструментальное производство, службу по строительству и реконструкции. В 1999 году ОАО «ШААЗ» вошло в состав Уральской горно-металлургической компании. Предоставленный инвестором товарный кредит позволил увеличить оборотные средства, стабилизировать работу предприятия. В 2002 году ОАО «ШААЗ» вступило в Национальную ассоциацию производителей радиаторной продукции NARSA. В феврале 2003 года на Шадринском автоагрегатном заводе запущено первое в России массовое производство автомобильных теплообменников по технологии «Купробрейз», в основе которой использование в пайке твердых припоев на основе меди, не содержащих свинца. Это обеспечивает значительно большую прочность конструкции и экологическую безопасность процесса. С запуском производства ОАО «ШААЗ» начинает изготовление принципиально новой продукции, соответствующей стандартам Евро-2 и Евро-3, – охладителей наддувочного воздуха (ОНВ). Производство оснащено уникальным оборудованием. Капитальные вложения в техническое перевооружение в 2000-2003 годах составили $4,5 млн. В настоящее время ШААЗ выпускает по новой технологии водяные радиаторы и охладители наддувочного воздуха практически для всех существующих в России и странах СНГ моделей автомобилей и автобусов, изготовлен ряд образцов теплообменников для иностранных фирм.

TEHNOTRON — созданное в Набережных Челнах передовое предприятие машиностроительной направленности, водящее в состав холдинга «ТЭМПО». Технотрон обеспечивает запчастями сферу коммерческой и сельскохозяйственной техники, в особенности электрооборудование, краны и почвообрабатывающую аппаратуру.
Располагая внушительной технической и научной базой в Набережных Челнах, Tehnotron независимо осуществляет полный цикл изготовления продукции, от проектирования и подготовки ресурсов, до тестирования и реализации товара, необходимого, в том числе для экономических нужд легкой и тяжелой промышленности.
Важно отметить, что в структурно-производственной цепи, есть место для проверки итогового продукта испытательным центром, который ответственен не только за предотвращение возможных проблем, но и за наиболее продуктивное совершенствование характеристик каждого конкретного изделия. Своим конкурентным преимуществом Технотрон выделяет особую технологию окрашивания автокомплектующих из SMC.
Бренд Tehnotron отвечает за соответствие высоким международным стандартам качества, что регулярно подтверждается обновляемым перечнем сертификатов и независимым органом оценки United Registrar of Systems Ltd. (URS Certification), благодаря контролю сырья, материалов и входящих комплектующих. Производственный потенциал в концерне позволяют конструировать и собирать все элементы самостоятельно в Набережных Челнах, не привлекая сторонние организации.
В настоящее время Технотрон в основном ориентированы на активное сотрудничество с такими автомобильными марками как ПАО «КАМАЗ», ОАО «МАЗ», «Группа ГАЗ», DAIMLER KAMAZ RUS и АЗ «УРАЛ». Компания стремится выйти на стабильный рост объемов производства, освоить также и региональные рынки и консолидировать автопромышленность.
Ассортимент:
- Система охлаждения
- Система питания
- Оперение кабины (экстерьер а/м 5490)
- Принадлежности кабины
- Элементы подвески
- Тягово-сцепные устройства
- Электрика
- Седельно-сцепные устройства
- Троллейный шинопровод и многое другое
На складах : 608 шт.

TEHNOTRON — созданное в Набережных Челнах передовое предприятие машиностроительной направленности, водящее в состав холдинга «ТЭМПО». Технотрон обеспечивает запчастями сферу коммерческой и сельскохозяйственной техники, в особенности электрооборудование, краны и почвообрабатывающую аппаратуру.
Располагая внушительной технической и научной базой в Набережных Челнах, Tehnotron независимо осуществляет полный цикл изготовления продукции, от проектирования и подготовки ресурсов, до тестирования и реализации товара, необходимого, в том числе для экономических нужд легкой и тяжелой промышленности.
Важно отметить, что в структурно-производственной цепи, есть место для проверки итогового продукта испытательным центром, который ответственен не только за предотвращение возможных проблем, но и за наиболее продуктивное совершенствование характеристик каждого конкретного изделия. Своим конкурентным преимуществом Технотрон выделяет особую технологию окрашивания автокомплектующих из SMC.
Бренд Tehnotron отвечает за соответствие высоким международным стандартам качества, что регулярно подтверждается обновляемым перечнем сертификатов и независимым органом оценки United Registrar of Systems Ltd. (URS Certification), благодаря контролю сырья, материалов и входящих комплектующих. Производственный потенциал в концерне позволяют конструировать и собирать все элементы самостоятельно в Набережных Челнах, не привлекая сторонние организации.
В настоящее время Технотрон в основном ориентированы на активное сотрудничество с такими автомобильными марками как ПАО «КАМАЗ», ОАО «МАЗ», «Группа ГАЗ», DAIMLER KAMAZ RUS и АЗ «УРАЛ». Компания стремится выйти на стабильный рост объемов производства, освоить также и региональные рынки и консолидировать автопромышленность.
Ассортимент:
- Система охлаждения
- Система питания
- Оперение кабины (экстерьер а/м 5490)
- Принадлежности кабины
- Элементы подвески
- Тягово-сцепные устройства
- Электрика
- Седельно-сцепные устройства
- Троллейный шинопровод и многое другое

Шадринский автоагрегатный завод (ШААЗ) – предприятие машиностроительного комплекса Уральской горно-металлургической компании. Основным видом деятельности ОАО "ШААЗ" является производство автомобильных агрегатов: водяных и масляных радиаторов автомобильных двигателей, радиаторов отопителей, отопительно-вентиляционных установок, домкратов гидравлических и рычажно-винтовых, бензиновых насосов автомобильных двигателей, охладителей наддувочного воздуха. Номенклатура выпускаемых изделий составляет более 150 наименований. Наибольшую долю в структуре продаж составляют радиаторы. Выпускаемая на предприятии продукция поставляется на конвейеры головных автомобильных заводов (КАМАЗ, АЗ «Урал», ГАЗ, ЗИЛ, УАЗ, ЛиАЗ, КАВЗ и др) и рынок запасных частей. Завод имеет полное инженерное обеспечение: транспорт, г/п механизмы, управления главного технолога и главного конструктора с цехом мелких серий и экспериментальной базой, отделы стандартизации и сертификации, отдел главного механика, отдел производственного контроля и охраны труда, службу качества с испытательной базой и лабораторией входного контроля, отдел главного метролога, центральную заводскую лабораторию, станкоремонтное производство, инструментальное производство, службу по строительству и реконструкции. В 1999 году ОАО «ШААЗ» вошло в состав Уральской горно-металлургической компании. Предоставленный инвестором товарный кредит позволил увеличить оборотные средства, стабилизировать работу предприятия. В 2002 году ОАО «ШААЗ» вступило в Национальную ассоциацию производителей радиаторной продукции NARSA. В феврале 2003 года на Шадринском автоагрегатном заводе запущено первое в России массовое производство автомобильных теплообменников по технологии «Купробрейз», в основе которой использование в пайке твердых припоев на основе меди, не содержащих свинца. Это обеспечивает значительно большую прочность конструкции и экологическую безопасность процесса. С запуском производства ОАО «ШААЗ» начинает изготовление принципиально новой продукции, соответствующей стандартам Евро-2 и Евро-3, – охладителей наддувочного воздуха (ОНВ). Производство оснащено уникальным оборудованием. Капитальные вложения в техническое перевооружение в 2000-2003 годах составили $4,5 млн. В настоящее время ШААЗ выпускает по новой технологии водяные радиаторы и охладители наддувочного воздуха практически для всех существующих в России и странах СНГ моделей автомобилей и автобусов, изготовлен ряд образцов теплообменников для иностранных фирм.

Шадринский автоагрегатный завод (ШААЗ) – предприятие машиностроительного комплекса Уральской горно-металлургической компании. Основным видом деятельности ОАО "ШААЗ" является производство автомобильных агрегатов: водяных и масляных радиаторов автомобильных двигателей, радиаторов отопителей, отопительно-вентиляционных установок, домкратов гидравлических и рычажно-винтовых, бензиновых насосов автомобильных двигателей, охладителей наддувочного воздуха. Номенклатура выпускаемых изделий составляет более 150 наименований. Наибольшую долю в структуре продаж составляют радиаторы. Выпускаемая на предприятии продукция поставляется на конвейеры головных автомобильных заводов (КАМАЗ, АЗ «Урал», ГАЗ, ЗИЛ, УАЗ, ЛиАЗ, КАВЗ и др) и рынок запасных частей. Завод имеет полное инженерное обеспечение: транспорт, г/п механизмы, управления главного технолога и главного конструктора с цехом мелких серий и экспериментальной базой, отделы стандартизации и сертификации, отдел главного механика, отдел производственного контроля и охраны труда, службу качества с испытательной базой и лабораторией входного контроля, отдел главного метролога, центральную заводскую лабораторию, станкоремонтное производство, инструментальное производство, службу по строительству и реконструкции. В 1999 году ОАО «ШААЗ» вошло в состав Уральской горно-металлургической компании. Предоставленный инвестором товарный кредит позволил увеличить оборотные средства, стабилизировать работу предприятия. В 2002 году ОАО «ШААЗ» вступило в Национальную ассоциацию производителей радиаторной продукции NARSA. В феврале 2003 года на Шадринском автоагрегатном заводе запущено первое в России массовое производство автомобильных теплообменников по технологии «Купробрейз», в основе которой использование в пайке твердых припоев на основе меди, не содержащих свинца. Это обеспечивает значительно большую прочность конструкции и экологическую безопасность процесса. С запуском производства ОАО «ШААЗ» начинает изготовление принципиально новой продукции, соответствующей стандартам Евро-2 и Евро-3, – охладителей наддувочного воздуха (ОНВ). Производство оснащено уникальным оборудованием. Капитальные вложения в техническое перевооружение в 2000-2003 годах составили $4,5 млн. В настоящее время ШААЗ выпускает по новой технологии водяные радиаторы и охладители наддувочного воздуха практически для всех существующих в России и странах СНГ моделей автомобилей и автобусов, изготовлен ряд образцов теплообменников для иностранных фирм.
На складах : 32 шт.

TEHNOTRON — созданное в Набережных Челнах передовое предприятие машиностроительной направленности, водящее в состав холдинга «ТЭМПО». Технотрон обеспечивает запчастями сферу коммерческой и сельскохозяйственной техники, в особенности электрооборудование, краны и почвообрабатывающую аппаратуру.
Располагая внушительной технической и научной базой в Набережных Челнах, Tehnotron независимо осуществляет полный цикл изготовления продукции, от проектирования и подготовки ресурсов, до тестирования и реализации товара, необходимого, в том числе для экономических нужд легкой и тяжелой промышленности.
Важно отметить, что в структурно-производственной цепи, есть место для проверки итогового продукта испытательным центром, который ответственен не только за предотвращение возможных проблем, но и за наиболее продуктивное совершенствование характеристик каждого конкретного изделия. Своим конкурентным преимуществом Технотрон выделяет особую технологию окрашивания автокомплектующих из SMC.
Бренд Tehnotron отвечает за соответствие высоким международным стандартам качества, что регулярно подтверждается обновляемым перечнем сертификатов и независимым органом оценки United Registrar of Systems Ltd. (URS Certification), благодаря контролю сырья, материалов и входящих комплектующих. Производственный потенциал в концерне позволяют конструировать и собирать все элементы самостоятельно в Набережных Челнах, не привлекая сторонние организации.
В настоящее время Технотрон в основном ориентированы на активное сотрудничество с такими автомобильными марками как ПАО «КАМАЗ», ОАО «МАЗ», «Группа ГАЗ», DAIMLER KAMAZ RUS и АЗ «УРАЛ». Компания стремится выйти на стабильный рост объемов производства, освоить также и региональные рынки и консолидировать автопромышленность.
Ассортимент:
- Система охлаждения
- Система питания
- Оперение кабины (экстерьер а/м 5490)
- Принадлежности кабины
- Элементы подвески
- Тягово-сцепные устройства
- Электрика
- Седельно-сцепные устройства
- Троллейный шинопровод и многое другое
На складах : 57 шт.

TEHNOTRON — созданное в Набережных Челнах передовое предприятие машиностроительной направленности, водящее в состав холдинга «ТЭМПО». Технотрон обеспечивает запчастями сферу коммерческой и сельскохозяйственной техники, в особенности электрооборудование, краны и почвообрабатывающую аппаратуру.
Располагая внушительной технической и научной базой в Набережных Челнах, Tehnotron независимо осуществляет полный цикл изготовления продукции, от проектирования и подготовки ресурсов, до тестирования и реализации товара, необходимого, в том числе для экономических нужд легкой и тяжелой промышленности.
Важно отметить, что в структурно-производственной цепи, есть место для проверки итогового продукта испытательным центром, который ответственен не только за предотвращение возможных проблем, но и за наиболее продуктивное совершенствование характеристик каждого конкретного изделия. Своим конкурентным преимуществом Технотрон выделяет особую технологию окрашивания автокомплектующих из SMC.
Бренд Tehnotron отвечает за соответствие высоким международным стандартам качества, что регулярно подтверждается обновляемым перечнем сертификатов и независимым органом оценки United Registrar of Systems Ltd. (URS Certification), благодаря контролю сырья, материалов и входящих комплектующих. Производственный потенциал в концерне позволяют конструировать и собирать все элементы самостоятельно в Набережных Челнах, не привлекая сторонние организации.
В настоящее время Технотрон в основном ориентированы на активное сотрудничество с такими автомобильными марками как ПАО «КАМАЗ», ОАО «МАЗ», «Группа ГАЗ», DAIMLER KAMAZ RUS и АЗ «УРАЛ». Компания стремится выйти на стабильный рост объемов производства, освоить также и региональные рынки и консолидировать автопромышленность.
Ассортимент:
- Система охлаждения
- Система питания
- Оперение кабины (экстерьер а/м 5490)
- Принадлежности кабины
- Элементы подвески
- Тягово-сцепные устройства
- Электрика
- Седельно-сцепные устройства
- Троллейный шинопровод и многое другое
На складах : 2595 шт.

ОАО «КАМАЗ», как крупнейший производитель грузовых автомобилей в России, занимает лидирующие позиции и на рынке продаж запасных частей к своей технике. Значительное увеличение доли высококачественной фирменной продукции на нём признаётся компанией одним из стратегически важных направлений продуктовой и сбытовой политики. ТФК «КАМАЗ» это эксклюзивный дистрибьютор, которому предоставлено исключительное право на продажу основной продукции ОАО «КАМАЗ» на территории России. Единый производственный комплекс группы организаций ОАО "КАМАЗ" охватывает весь технологический цикл производства грузовых автомобилей - от разработки, изготовления, сборки автотехники и автокомпонентов до сбыта готовой продукции и сервисного сопровождения. Система качества продукции ОАО "КАМАЗ" отвечает требованиям международного стандарта ИСО 9001-2000 и одобрена органом по сертификации систем управления "Русский регистр". Двигатели КАМАЗ-740.60-360, КАМАЗ-740.61-320 и КАМАЗ-740.62-280 соответствуют требованиям международных экологических стандартов "Евро-3". ОАО "КАМАЗ" выпускает широкую гамму грузовой техники: грузовые автомобили (более 30 моделей, свыше 400 комплектаций) ,прицепы, автобусы, двигатели, силовые агрегаты и различный инструмент. "КАМАЗ" традиционно позиционируется на рынке грузовых автомобилей полной массой от 14 до 40 тонн. В последние годы гамма продукции компании значительно расширилась. Освоено производство среднетоннажных автомобилей, модернизированной модели КАМАЗ-5460М ("Стайер"), расширен модельный ряд автомобилей повышенной грузоподъемности. Эти машины не раз доказали свою надежность и уникальную проходимость. Именно поэтому опытные водители, которые занимаются перевозками, отдают предпочтение такой продукции как автомобили КАМАЗ. Техника КАМАЗ работает в любых дорожных и климатических условиях: в районах Крайнего Севера и в тропиках, в зонах пустынь и высокогорья. Есть только одна особенность у этих автомашин - при поломке стоит использовать только те запасные части, которые соответствуют качеству машины. "АвтоАльянс" предлагает именно такие запчасти КАМАЗ. "АвтоАльянс" является официальным дилером по продаже запасных частей и силовых агрегатов ОАО "КАМАЗ". Компания предлагает оригинальные запасные части к автомобилям "КАМАЗ". Главные принципы нашей работы - это всесторонняя поддержка клиентов при формировании заявки на запчасти, а также широчайший ассортимент запчастей производства ОАО "КАМАЗ". В "АвтоАльянс" можно заказывать запчасти от "А" до "Я", от шайбы до агрегата. Экономия нужна везде и во всем, но нельзя экономить на своем верном помощнике. Вся продукция ОАО "КАМАЗ", предлагаемая к продаже, имеет сертификаты качества. Причем это касается не только крупных узлов и агрегатов. От работы множеств мелких деталей так же зависит успешное функционирование всего механизма в целом. Каждый год появляются все более совершенные модели автомобиля КАМАЗ. И "АвтоАльянс" идет в ногу со временем и постоянно расширяет ассортиментный ряд запасных частей на новые КАМАЗы. "АвтоАльянс" в заводском рейтинге дилеров является крупнейшим дилером по запчастям КАМАЗ в Центральном регионе РФ.

ОАО «КАМАЗ», как крупнейший производитель грузовых автомобилей в России, занимает лидирующие позиции и на рынке продаж запасных частей к своей технике. Значительное увеличение доли высококачественной фирменной продукции на нём признаётся компанией одним из стратегически важных направлений продуктовой и сбытовой политики. ТФК «КАМАЗ» это эксклюзивный дистрибьютор, которому предоставлено исключительное право на продажу основной продукции ОАО «КАМАЗ» на территории России. Единый производственный комплекс группы организаций ОАО "КАМАЗ" охватывает весь технологический цикл производства грузовых автомобилей - от разработки, изготовления, сборки автотехники и автокомпонентов до сбыта готовой продукции и сервисного сопровождения. Система качества продукции ОАО "КАМАЗ" отвечает требованиям международного стандарта ИСО 9001-2000 и одобрена органом по сертификации систем управления "Русский регистр". Двигатели КАМАЗ-740.60-360, КАМАЗ-740.61-320 и КАМАЗ-740.62-280 соответствуют требованиям международных экологических стандартов "Евро-3". ОАО "КАМАЗ" выпускает широкую гамму грузовой техники: грузовые автомобили (более 30 моделей, свыше 400 комплектаций) ,прицепы, автобусы, двигатели, силовые агрегаты и различный инструмент. "КАМАЗ" традиционно позиционируется на рынке грузовых автомобилей полной массой от 14 до 40 тонн. В последние годы гамма продукции компании значительно расширилась. Освоено производство среднетоннажных автомобилей, модернизированной модели КАМАЗ-5460М ("Стайер"), расширен модельный ряд автомобилей повышенной грузоподъемности. Эти машины не раз доказали свою надежность и уникальную проходимость. Именно поэтому опытные водители, которые занимаются перевозками, отдают предпочтение такой продукции как автомобили КАМАЗ. Техника КАМАЗ работает в любых дорожных и климатических условиях: в районах Крайнего Севера и в тропиках, в зонах пустынь и высокогорья. Есть только одна особенность у этих автомашин - при поломке стоит использовать только те запасные части, которые соответствуют качеству машины. "АвтоАльянс" предлагает именно такие запчасти КАМАЗ. "АвтоАльянс" является официальным дилером по продаже запасных частей и силовых агрегатов ОАО "КАМАЗ". Компания предлагает оригинальные запасные части к автомобилям "КАМАЗ". Главные принципы нашей работы - это всесторонняя поддержка клиентов при формировании заявки на запчасти, а также широчайший ассортимент запчастей производства ОАО "КАМАЗ". В "АвтоАльянс" можно заказывать запчасти от "А" до "Я", от шайбы до агрегата. Экономия нужна везде и во всем, но нельзя экономить на своем верном помощнике. Вся продукция ОАО "КАМАЗ", предлагаемая к продаже, имеет сертификаты качества. Причем это касается не только крупных узлов и агрегатов. От работы множеств мелких деталей так же зависит успешное функционирование всего механизма в целом. Каждый год появляются все более совершенные модели автомобиля КАМАЗ. И "АвтоАльянс" идет в ногу со временем и постоянно расширяет ассортиментный ряд запасных частей на новые КАМАЗы. "АвтоАльянс" в заводском рейтинге дилеров является крупнейшим дилером по запчастям КАМАЗ в Центральном регионе РФ.