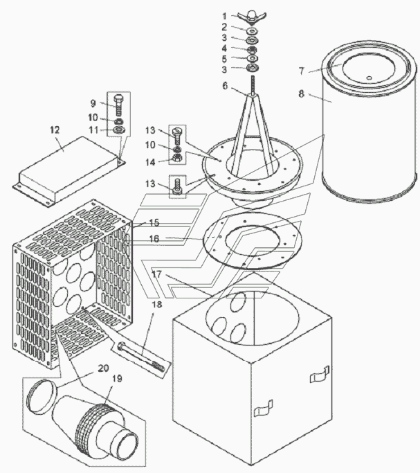
Фильтр воздушный БелАЗ-75131. Каталог 2008г.
"Завод Красная Этна" уже более 110 лет производит крепёжные изделия и пружины для автомобильной промышленности. История завода начинается с 24 декабря 1898 года, когда по положению Комитета Министров Николай Второй разрешает Виктору Михайловичу Гольденбергу и германскому подданному Петру Ивановичу Мартини учредить "Акционерное Общество Рижского металлического завода "Этна". С 1904 года по 1915 год на Рижском металлическом заводе работали цеха: гвоздильный, горячепрокатный, цепочный, травильный, отжигательный, волочильный. Продукция завода была востребована в России, Прибалтике и за рубежом. В годы первой мировой войны завод был эвакуирован из Риги в Нижний Новгород. С этого момента для завода начинается новая история. Во время войны "Завод Красная Этна" обеспечивал своей продукцией фронт. На заводе начался выпуск минных цепей, гвоздей к солдатским сапогам, колючей проволоки, пряжек к ружьям и карабинов, а также другой продукции для нужд фронта и населения России. С 1916 года по 1918 год происходит национализация завода и смена учредителей. Завод стал именоваться, как Акционерное общество Нижегородского металлического завода "Новая Этна". С приходом советской власти на заводе сменилось название на "Красная Этна" и были запущены: электростанция, прокатный цех, цех тонкого волочения и болтозаклепочный цех. В 1925 в структуру завода вливается предприятие с парком металлорежущего оборудования. В этом же году, на базе влившегося предприятия, создаются инструментальный и механический цеха, а также лесопильно-ящичный цех. В начале 30х, организовано строительство Горьковского автомобильного завода, который оказал большое влияние на развитие и деятельность предприятия. "Красная Этна" переходит на выпуск изделий высокого класса точности и включается в обслуживание автомобильной промышленности страны. К началу Великой Отечественной войны, реконструированный завод представлял собой крупное предприятие автомобильной промышленности, которое специализировалось на выпуске: специальной проволоки, пружин, шайб, холоднокатаной ленты и автонормалей. Во время Второй Мировой войны завод бесперебойно снабжал фронт боеприпасами. С 1941 года по 1943 год на заводе работало 996 человек. В послевоенное время завод стал активно развиваться. В дальнейшем на заводе были реконструированы цеха и освоено новое производство, создано собственное станкостроение и автоматические линии, выстроен инженерный корпус и здание очистных сооружений. Организовано производство проката и пружин, а также стержневого крепежа. Создан важнейший отдел обеспечения качеством. На сегодняшний день ОАО "Завод Красная Этна" представляет собой современное, динамично-развивающееся предприятие, специализирующееся на производстве крепежных изделий для автомобильной промышленности. Продукция завода поставляется на крупнейшие предприятия России, стран СНГ и дальнего зарубежья. Продукция предприятия соответствует международным системам качества ИСО 9001-2000 и ISO/TS 16949:2002. Продукция завода прошла проверку аудиторами TUV CERT (Германия) и национальной системой ГОСТ Р. Номенклатура предприятия насчитывает более 2,5 тысячи видов крепёжных изделий, в том числе соответствующих стандарту DIN. Компания "АвтоАльянс" предлагает оригинальную продукцию производства ОАО "Завод Красная Этна". В ассортименте представлен широкий перечень продукции завода: винты различных конструкций, пружины, стремянки, шайбы, гайки, шпильки, заклепки, штуцеры, оси, пробки и пластины, а также всевозможный крепёж к различным автомобилям.
На складах : 2001 шт.
"Завод Красная Этна" уже более 110 лет производит крепёжные изделия и пружины для автомобильной промышленности. История завода начинается с 24 декабря 1898 года, когда по положению Комитета Министров Николай Второй разрешает Виктору Михайловичу Гольденбергу и германскому подданному Петру Ивановичу Мартини учредить "Акционерное Общество Рижского металлического завода "Этна". С 1904 года по 1915 год на Рижском металлическом заводе работали цеха: гвоздильный, горячепрокатный, цепочный, травильный, отжигательный, волочильный. Продукция завода была востребована в России, Прибалтике и за рубежом. В годы первой мировой войны завод был эвакуирован из Риги в Нижний Новгород. С этого момента для завода начинается новая история. Во время войны "Завод Красная Этна" обеспечивал своей продукцией фронт. На заводе начался выпуск минных цепей, гвоздей к солдатским сапогам, колючей проволоки, пряжек к ружьям и карабинов, а также другой продукции для нужд фронта и населения России. С 1916 года по 1918 год происходит национализация завода и смена учредителей. Завод стал именоваться, как Акционерное общество Нижегородского металлического завода "Новая Этна". С приходом советской власти на заводе сменилось название на "Красная Этна" и были запущены: электростанция, прокатный цех, цех тонкого волочения и болтозаклепочный цех. В 1925 в структуру завода вливается предприятие с парком металлорежущего оборудования. В этом же году, на базе влившегося предприятия, создаются инструментальный и механический цеха, а также лесопильно-ящичный цех. В начале 30х, организовано строительство Горьковского автомобильного завода, который оказал большое влияние на развитие и деятельность предприятия. "Красная Этна" переходит на выпуск изделий высокого класса точности и включается в обслуживание автомобильной промышленности страны. К началу Великой Отечественной войны, реконструированный завод представлял собой крупное предприятие автомобильной промышленности, которое специализировалось на выпуске: специальной проволоки, пружин, шайб, холоднокатаной ленты и автонормалей. Во время Второй Мировой войны завод бесперебойно снабжал фронт боеприпасами. С 1941 года по 1943 год на заводе работало 996 человек. В послевоенное время завод стал активно развиваться. В дальнейшем на заводе были реконструированы цеха и освоено новое производство, создано собственное станкостроение и автоматические линии, выстроен инженерный корпус и здание очистных сооружений. Организовано производство проката и пружин, а также стержневого крепежа. Создан важнейший отдел обеспечения качеством. На сегодняшний день ОАО "Завод Красная Этна" представляет собой современное, динамично-развивающееся предприятие, специализирующееся на производстве крепежных изделий для автомобильной промышленности. Продукция завода поставляется на крупнейшие предприятия России, стран СНГ и дальнего зарубежья. Продукция предприятия соответствует международным системам качества ИСО 9001-2000 и ISO/TS 16949:2002. Продукция завода прошла проверку аудиторами TUV CERT (Германия) и национальной системой ГОСТ Р. Номенклатура предприятия насчитывает более 2,5 тысячи видов крепёжных изделий, в том числе соответствующих стандарту DIN. Компания "АвтоАльянс" предлагает оригинальную продукцию производства ОАО "Завод Красная Этна". В ассортименте представлен широкий перечень продукции завода: винты различных конструкций, пружины, стремянки, шайбы, гайки, шпильки, заклепки, штуцеры, оси, пробки и пластины, а также всевозможный крепёж к различным автомобилям.
"Завод Красная Этна" уже более 110 лет производит крепёжные изделия и пружины для автомобильной промышленности. История завода начинается с 24 декабря 1898 года, когда по положению Комитета Министров Николай Второй разрешает Виктору Михайловичу Гольденбергу и германскому подданному Петру Ивановичу Мартини учредить "Акционерное Общество Рижского металлического завода "Этна". С 1904 года по 1915 год на Рижском металлическом заводе работали цеха: гвоздильный, горячепрокатный, цепочный, травильный, отжигательный, волочильный. Продукция завода была востребована в России, Прибалтике и за рубежом. В годы первой мировой войны завод был эвакуирован из Риги в Нижний Новгород. С этого момента для завода начинается новая история. Во время войны "Завод Красная Этна" обеспечивал своей продукцией фронт. На заводе начался выпуск минных цепей, гвоздей к солдатским сапогам, колючей проволоки, пряжек к ружьям и карабинов, а также другой продукции для нужд фронта и населения России. С 1916 года по 1918 год происходит национализация завода и смена учредителей. Завод стал именоваться, как Акционерное общество Нижегородского металлического завода "Новая Этна". С приходом советской власти на заводе сменилось название на "Красная Этна" и были запущены: электростанция, прокатный цех, цех тонкого волочения и болтозаклепочный цех. В 1925 в структуру завода вливается предприятие с парком металлорежущего оборудования. В этом же году, на базе влившегося предприятия, создаются инструментальный и механический цеха, а также лесопильно-ящичный цех. В начале 30х, организовано строительство Горьковского автомобильного завода, который оказал большое влияние на развитие и деятельность предприятия. "Красная Этна" переходит на выпуск изделий высокого класса точности и включается в обслуживание автомобильной промышленности страны. К началу Великой Отечественной войны, реконструированный завод представлял собой крупное предприятие автомобильной промышленности, которое специализировалось на выпуске: специальной проволоки, пружин, шайб, холоднокатаной ленты и автонормалей. Во время Второй Мировой войны завод бесперебойно снабжал фронт боеприпасами. С 1941 года по 1943 год на заводе работало 996 человек. В послевоенное время завод стал активно развиваться. В дальнейшем на заводе были реконструированы цеха и освоено новое производство, создано собственное станкостроение и автоматические линии, выстроен инженерный корпус и здание очистных сооружений. Организовано производство проката и пружин, а также стержневого крепежа. Создан важнейший отдел обеспечения качеством. На сегодняшний день ОАО "Завод Красная Этна" представляет собой современное, динамично-развивающееся предприятие, специализирующееся на производстве крепежных изделий для автомобильной промышленности. Продукция завода поставляется на крупнейшие предприятия России, стран СНГ и дальнего зарубежья. Продукция предприятия соответствует международным системам качества ИСО 9001-2000 и ISO/TS 16949:2002. Продукция завода прошла проверку аудиторами TUV CERT (Германия) и национальной системой ГОСТ Р. Номенклатура предприятия насчитывает более 2,5 тысячи видов крепёжных изделий, в том числе соответствующих стандарту DIN. Компания "АвтоАльянс" предлагает оригинальную продукцию производства ОАО "Завод Красная Этна". В ассортименте представлен широкий перечень продукции завода: винты различных конструкций, пружины, стремянки, шайбы, гайки, шпильки, заклепки, штуцеры, оси, пробки и пластины, а также всевозможный крепёж к различным автомобилям.
На складах : 43 шт.
"Завод Красная Этна" уже более 110 лет производит крепёжные изделия и пружины для автомобильной промышленности. История завода начинается с 24 декабря 1898 года, когда по положению Комитета Министров Николай Второй разрешает Виктору Михайловичу Гольденбергу и германскому подданному Петру Ивановичу Мартини учредить "Акционерное Общество Рижского металлического завода "Этна". С 1904 года по 1915 год на Рижском металлическом заводе работали цеха: гвоздильный, горячепрокатный, цепочный, травильный, отжигательный, волочильный. Продукция завода была востребована в России, Прибалтике и за рубежом. В годы первой мировой войны завод был эвакуирован из Риги в Нижний Новгород. С этого момента для завода начинается новая история. Во время войны "Завод Красная Этна" обеспечивал своей продукцией фронт. На заводе начался выпуск минных цепей, гвоздей к солдатским сапогам, колючей проволоки, пряжек к ружьям и карабинов, а также другой продукции для нужд фронта и населения России. С 1916 года по 1918 год происходит национализация завода и смена учредителей. Завод стал именоваться, как Акционерное общество Нижегородского металлического завода "Новая Этна". С приходом советской власти на заводе сменилось название на "Красная Этна" и были запущены: электростанция, прокатный цех, цех тонкого волочения и болтозаклепочный цех. В 1925 в структуру завода вливается предприятие с парком металлорежущего оборудования. В этом же году, на базе влившегося предприятия, создаются инструментальный и механический цеха, а также лесопильно-ящичный цех. В начале 30х, организовано строительство Горьковского автомобильного завода, который оказал большое влияние на развитие и деятельность предприятия. "Красная Этна" переходит на выпуск изделий высокого класса точности и включается в обслуживание автомобильной промышленности страны. К началу Великой Отечественной войны, реконструированный завод представлял собой крупное предприятие автомобильной промышленности, которое специализировалось на выпуске: специальной проволоки, пружин, шайб, холоднокатаной ленты и автонормалей. Во время Второй Мировой войны завод бесперебойно снабжал фронт боеприпасами. С 1941 года по 1943 год на заводе работало 996 человек. В послевоенное время завод стал активно развиваться. В дальнейшем на заводе были реконструированы цеха и освоено новое производство, создано собственное станкостроение и автоматические линии, выстроен инженерный корпус и здание очистных сооружений. Организовано производство проката и пружин, а также стержневого крепежа. Создан важнейший отдел обеспечения качеством. На сегодняшний день ОАО "Завод Красная Этна" представляет собой современное, динамично-развивающееся предприятие, специализирующееся на производстве крепежных изделий для автомобильной промышленности. Продукция завода поставляется на крупнейшие предприятия России, стран СНГ и дальнего зарубежья. Продукция предприятия соответствует международным системам качества ИСО 9001-2000 и ISO/TS 16949:2002. Продукция завода прошла проверку аудиторами TUV CERT (Германия) и национальной системой ГОСТ Р. Номенклатура предприятия насчитывает более 2,5 тысячи видов крепёжных изделий, в том числе соответствующих стандарту DIN. Компания "АвтоАльянс" предлагает оригинальную продукцию производства ОАО "Завод Красная Этна". В ассортименте представлен широкий перечень продукции завода: винты различных конструкций, пружины, стремянки, шайбы, гайки, шпильки, заклепки, штуцеры, оси, пробки и пластины, а также всевозможный крепёж к различным автомобилям.
На складах : 2535 шт.
История предприятия начинается с 1934 года с центральной ремонтной мастерской совхоза "Гигант" Сальского района Ростовской области. Мастерская была преобразована в авторемонтный завод по капитальному ремонту тракторов, моторов и автомашин.
Во время войны завод выпускал спецпродукцию, затем был эвакуирован в г. Гори на Кавказе. И после освобождения Ростовской области завод вернулся на свое место в Сальский район, где освоил выпуск токарных станков. До 1959 года страна получала высокопроизводительные станки. А с 1960 завод специализируется на выпуске сельскохозяйственной техники для уборки незерновой части урожая - копновозов КНУ-11 и стогометателей СНУ - 0,5. А затем и новой сельскохозяйственной машины - копновоза КУН - 10. В 1965 году предприятие переименовалось в Сальский завод сельскохозяйственного машиностроения - "Сальсксельмаш".
С 1976 года началась подготовка к выпуску фронтального погрузчика ПФ-0.75, предназначенного для работы на складах минеральных удобрений. Основная продукция с 1983 года и по нынешний день - погрузчик-копновоз универсальный ПКУ-0.8, выпускаемый в нескольких комплектациях. Прекрасных отзывов удостоен и стогометатель-погрузчик СНУ-550.
В 2003 году "Сальсксельмаш" приступил к выпуску коммунальной техники: щеток, отвалов, погрузчиков на трактора различных марок.
С 2004 года завод приступил к перевооружению производства. Было освоено холодное выдавливание гидроарматуры, плазменная резка труб различных профилей и диаметров, изготовление деталей на станках с числовым программным управлением.
За период с 2006 по 2012 год завод значительно обновил станочный парк. Были приобретены 5 лазерно-раскройных комплексов, более 20 токарных станков с ЧПУ, гибочный пресс,6 токарных полуавтоматов, 3 ленточно-пильных станка, 12 фрезерных станков, пружинонавивочный станок, около 40 современных сварочных аппаратов, 2 печи, введена в строй новая конвейерная окрасочная линия, восстановлены 2 линии нанесения оцинкованного покрытия, построены и восстановлены несколько цехов и котельная.
На складах : 91 шт.
История предприятия начинается с 1934 года с центральной ремонтной мастерской совхоза "Гигант" Сальского района Ростовской области. Мастерская была преобразована в авторемонтный завод по капитальному ремонту тракторов, моторов и автомашин.
Во время войны завод выпускал спецпродукцию, затем был эвакуирован в г. Гори на Кавказе. И после освобождения Ростовской области завод вернулся на свое место в Сальский район, где освоил выпуск токарных станков. До 1959 года страна получала высокопроизводительные станки. А с 1960 завод специализируется на выпуске сельскохозяйственной техники для уборки незерновой части урожая - копновозов КНУ-11 и стогометателей СНУ - 0,5. А затем и новой сельскохозяйственной машины - копновоза КУН - 10. В 1965 году предприятие переименовалось в Сальский завод сельскохозяйственного машиностроения - "Сальсксельмаш".
С 1976 года началась подготовка к выпуску фронтального погрузчика ПФ-0.75, предназначенного для работы на складах минеральных удобрений. Основная продукция с 1983 года и по нынешний день - погрузчик-копновоз универсальный ПКУ-0.8, выпускаемый в нескольких комплектациях. Прекрасных отзывов удостоен и стогометатель-погрузчик СНУ-550.
В 2003 году "Сальсксельмаш" приступил к выпуску коммунальной техники: щеток, отвалов, погрузчиков на трактора различных марок.
С 2004 года завод приступил к перевооружению производства. Было освоено холодное выдавливание гидроарматуры, плазменная резка труб различных профилей и диаметров, изготовление деталей на станках с числовым программным управлением.
За период с 2006 по 2012 год завод значительно обновил станочный парк. Были приобретены 5 лазерно-раскройных комплексов, более 20 токарных станков с ЧПУ, гибочный пресс,6 токарных полуавтоматов, 3 ленточно-пильных станка, 12 фрезерных станков, пружинонавивочный станок, около 40 современных сварочных аппаратов, 2 печи, введена в строй новая конвейерная окрасочная линия, восстановлены 2 линии нанесения оцинкованного покрытия, построены и восстановлены несколько цехов и котельная.
Автомобильный концерн ГАЗ является одним из ведущих производителей в России. Компания предлагает запчасти для всех своих моделей автомобилей, а также поставляет комплектующие и сопутствующие товары на рынок автокомпонентов.
Преимущества автозапчастей ГАЗ заключаются в заметном качестве и надежности продукции, а также в доступных ценах. Благодаря использованию современных технологий и высококвалифицированному персоналу, ГАЗ гарантирует соответствующие характеристики продукции.
Все запчасти и компоненты проходят строгий контроль качества на каждом из этапов производства и подвергаются испытаниям в специальных лабораториях. Это обеспечивает стабильную работу и долговечность продукции ГАЗ. Детали производятся с использованием современных технологий и проверенных материалов. Это обеспечивает высокую производительность и безопасность автомобилей, а также улучшенный комфорт во время эксплуатации.
Компания предлагает широкий ассортимент запчастей для различных моделей автомобилей, а также для транспортных средств других марок. Все изделия имеют сертификаты соответствия и гарантию на производственные дефекты.
Кроме того, ГАЗ постоянно совершенствует свои продукты и осваивает новые рынки, чтобы удовлетворить даже самые неожиданные потребности своих клиентов. Все это выгодно выделяет автозапчасти и автокомпоненты ГАЗ в глазах покупателей, как в России, так и за ее пределами.
Ассортимент:
- Двигатели и их компоненты, такие как поршни, кольца, клапаны и т.д.
- Трансмиссия, включая коробки передач и дифференциалы.
- Системы выхлопа, включая глушители, катализаторы и трубы.
- Рулевое управление, включая рулевые рейки и насосы гидроусилителя руля.
- Подвеска, включая амортизаторы, пружины, рычаги и шаровые опоры.
- Тормозные системы, включая тормозные колодки, диски и суппорты.
- Электроника, включая стартеры, генераторы, аккумуляторы и свечи зажигания.
- Кузовные запчасти, включая крылья, двери, бамперы и фары.
Автомобильный концерн ГАЗ является одним из ведущих производителей в России. Компания предлагает запчасти для всех своих моделей автомобилей, а также поставляет комплектующие и сопутствующие товары на рынок автокомпонентов.
Преимущества автозапчастей ГАЗ заключаются в заметном качестве и надежности продукции, а также в доступных ценах. Благодаря использованию современных технологий и высококвалифицированному персоналу, ГАЗ гарантирует соответствующие характеристики продукции.
Все запчасти и компоненты проходят строгий контроль качества на каждом из этапов производства и подвергаются испытаниям в специальных лабораториях. Это обеспечивает стабильную работу и долговечность продукции ГАЗ. Детали производятся с использованием современных технологий и проверенных материалов. Это обеспечивает высокую производительность и безопасность автомобилей, а также улучшенный комфорт во время эксплуатации.
Компания предлагает широкий ассортимент запчастей для различных моделей автомобилей, а также для транспортных средств других марок. Все изделия имеют сертификаты соответствия и гарантию на производственные дефекты.
Кроме того, ГАЗ постоянно совершенствует свои продукты и осваивает новые рынки, чтобы удовлетворить даже самые неожиданные потребности своих клиентов. Все это выгодно выделяет автозапчасти и автокомпоненты ГАЗ в глазах покупателей, как в России, так и за ее пределами.
Ассортимент:
- Двигатели и их компоненты, такие как поршни, кольца, клапаны и т.д.
- Трансмиссия, включая коробки передач и дифференциалы.
- Системы выхлопа, включая глушители, катализаторы и трубы.
- Рулевое управление, включая рулевые рейки и насосы гидроусилителя руля.
- Подвеска, включая амортизаторы, пружины, рычаги и шаровые опоры.
- Тормозные системы, включая тормозные колодки, диски и суппорты.
- Электроника, включая стартеры, генераторы, аккумуляторы и свечи зажигания.
- Кузовные запчасти, включая крылья, двери, бамперы и фары.
На складах : 120 шт.
Компания "АвтоАльянс" является одним из крупнейших дилеров ОАО "ТАиМ" - Бобруйского завода тормозной аппаратуры и механизмов и предлагает широкий выбор выпускаемой заводом продукции:
Пневмотормозные системы и их комплектующие для грузовых и сельскохозяйственных машин, в том числе прицепов и комбайнов ПО "Гомсельмаш", грузовой автотехники МАЗ, КрАЗ, КамАЗ, МЗКТ, "Могилевтрасмаш", БелАЗ (тормозные колодки для колесных тормозов, рычаги регулировочные, виброизоляционные подушки, и опоры для установки двигателей Д-245, ЯМЗ-238, ТМЗ-0421, кронштейны, пружины, разжимные кулаки и т.д.).
Пневмоаппараты для тракторной техники минского и липецкого тракторных заводов (регуляторы давления, краны тормозные, головки соединительные).
Пневмоаппаратура для прицепной сельскохозяйственной техники и грузовой автомобильной техники: ресиверы объемом до 40 литров, фильтры магистральные, клапаны слива конденсата, клапаны контрольного вывода, краны ручного управления тормозами, воздухораспределители двух- и однопроводные, головки соеденительные.
Все виды тормозных шлагов для автотехники МАЗ, КрАЗ, КамАЗ, ЛиАЗ, ЗИЛ, СЗАП
Компания "АвтоАльянс" является одним из крупнейших дилеров ОАО "ТАиМ" - Бобруйского завода тормозной аппаратуры и механизмов и предлагает широкий выбор выпускаемой заводом продукции:
Пневмотормозные системы и их комплектующие для грузовых и сельскохозяйственных машин, в том числе прицепов и комбайнов ПО "Гомсельмаш", грузовой автотехники МАЗ, КрАЗ, КамАЗ, МЗКТ, "Могилевтрасмаш", БелАЗ (тормозные колодки для колесных тормозов, рычаги регулировочные, виброизоляционные подушки, и опоры для установки двигателей Д-245, ЯМЗ-238, ТМЗ-0421, кронштейны, пружины, разжимные кулаки и т.д.).
Пневмоаппараты для тракторной техники минского и липецкого тракторных заводов (регуляторы давления, краны тормозные, головки соединительные).
Пневмоаппаратура для прицепной сельскохозяйственной техники и грузовой автомобильной техники: ресиверы объемом до 40 литров, фильтры магистральные, клапаны слива конденсата, клапаны контрольного вывода, краны ручного управления тормозами, воздухораспределители двух- и однопроводные, головки соеденительные.
Все виды тормозных шлагов для автотехники МАЗ, КрАЗ, КамАЗ, ЛиАЗ, ЗИЛ, СЗАП
На складах : 82 шт.
Открытое акционерное общество "Минский автомобильный завод" (ОАО МАЗ) - крупнейшее предприятие Республики Беларусь по выпуску большегрузной автомобильной, пассажирской, прицепной и автокрановой техники. Завод является самостоятельным хозяйствующим субъектом с правом юридического лица, входит в качестве головного предприятия в состав Производственного объединения "БелавтоМАЗ", в составе которого находятся также РУП "БААЗ" (г. Барановичи), РУП "ОЗАА" (г. Осиповичи) , РУА "КЗТШ" (г. Жодино), РУП "Литмаш" (г. Минск), ПРУП "ДЭМЗ" (г. Дзержинск), РУП "СтройМАЗтрест" (г. Минск). Минский автомобильный завод включает в себя все виды действующих производств, свойственных современным крупным машиностроительным заводам, среди которых: литейное, кузнечное, прессовое, сварочное, механообрабатывающее, термическое, окрасочное, сборочное, инструментальное. Наша компания является официальным дилером ОАО МАЗ. По итогам работы ТПС наша компания получила статус "Лучшего дилера 2009 года по продаже запасных частей ОАО МАЗ". На наших складах очень широкий ассортимент запчастей, кабин и рам для автомашин МАЗ. Мы предлагаем нашим покупателям самые низкие цены на продукцию ОАО МАЗ.
Открытое акционерное общество "Минский автомобильный завод" (ОАО МАЗ) - крупнейшее предприятие Республики Беларусь по выпуску большегрузной автомобильной, пассажирской, прицепной и автокрановой техники. Завод является самостоятельным хозяйствующим субъектом с правом юридического лица, входит в качестве головного предприятия в состав Производственного объединения "БелавтоМАЗ", в составе которого находятся также РУП "БААЗ" (г. Барановичи), РУП "ОЗАА" (г. Осиповичи) , РУА "КЗТШ" (г. Жодино), РУП "Литмаш" (г. Минск), ПРУП "ДЭМЗ" (г. Дзержинск), РУП "СтройМАЗтрест" (г. Минск). Минский автомобильный завод включает в себя все виды действующих производств, свойственных современным крупным машиностроительным заводам, среди которых: литейное, кузнечное, прессовое, сварочное, механообрабатывающее, термическое, окрасочное, сборочное, инструментальное. Наша компания является официальным дилером ОАО МАЗ. По итогам работы ТПС наша компания получила статус "Лучшего дилера 2009 года по продаже запасных частей ОАО МАЗ". На наших складах очень широкий ассортимент запчастей, кабин и рам для автомашин МАЗ. Мы предлагаем нашим покупателям самые низкие цены на продукцию ОАО МАЗ.
Автомобильный концерн ГАЗ является одним из ведущих производителей в России. Компания предлагает запчасти для всех своих моделей автомобилей, а также поставляет комплектующие и сопутствующие товары на рынок автокомпонентов.
Преимущества автозапчастей ГАЗ заключаются в заметном качестве и надежности продукции, а также в доступных ценах. Благодаря использованию современных технологий и высококвалифицированному персоналу, ГАЗ гарантирует соответствующие характеристики продукции.
Все запчасти и компоненты проходят строгий контроль качества на каждом из этапов производства и подвергаются испытаниям в специальных лабораториях. Это обеспечивает стабильную работу и долговечность продукции ГАЗ. Детали производятся с использованием современных технологий и проверенных материалов. Это обеспечивает высокую производительность и безопасность автомобилей, а также улучшенный комфорт во время эксплуатации.
Компания предлагает широкий ассортимент запчастей для различных моделей автомобилей, а также для транспортных средств других марок. Все изделия имеют сертификаты соответствия и гарантию на производственные дефекты.
Кроме того, ГАЗ постоянно совершенствует свои продукты и осваивает новые рынки, чтобы удовлетворить даже самые неожиданные потребности своих клиентов. Все это выгодно выделяет автозапчасти и автокомпоненты ГАЗ в глазах покупателей, как в России, так и за ее пределами.
Ассортимент:
- Двигатели и их компоненты, такие как поршни, кольца, клапаны и т.д.
- Трансмиссия, включая коробки передач и дифференциалы.
- Системы выхлопа, включая глушители, катализаторы и трубы.
- Рулевое управление, включая рулевые рейки и насосы гидроусилителя руля.
- Подвеска, включая амортизаторы, пружины, рычаги и шаровые опоры.
- Тормозные системы, включая тормозные колодки, диски и суппорты.
- Электроника, включая стартеры, генераторы, аккумуляторы и свечи зажигания.
- Кузовные запчасти, включая крылья, двери, бамперы и фары.
На складах : 25 шт.
Автомобильный концерн ГАЗ является одним из ведущих производителей в России. Компания предлагает запчасти для всех своих моделей автомобилей, а также поставляет комплектующие и сопутствующие товары на рынок автокомпонентов.
Преимущества автозапчастей ГАЗ заключаются в заметном качестве и надежности продукции, а также в доступных ценах. Благодаря использованию современных технологий и высококвалифицированному персоналу, ГАЗ гарантирует соответствующие характеристики продукции.
Все запчасти и компоненты проходят строгий контроль качества на каждом из этапов производства и подвергаются испытаниям в специальных лабораториях. Это обеспечивает стабильную работу и долговечность продукции ГАЗ. Детали производятся с использованием современных технологий и проверенных материалов. Это обеспечивает высокую производительность и безопасность автомобилей, а также улучшенный комфорт во время эксплуатации.
Компания предлагает широкий ассортимент запчастей для различных моделей автомобилей, а также для транспортных средств других марок. Все изделия имеют сертификаты соответствия и гарантию на производственные дефекты.
Кроме того, ГАЗ постоянно совершенствует свои продукты и осваивает новые рынки, чтобы удовлетворить даже самые неожиданные потребности своих клиентов. Все это выгодно выделяет автозапчасти и автокомпоненты ГАЗ в глазах покупателей, как в России, так и за ее пределами.
Ассортимент:
- Двигатели и их компоненты, такие как поршни, кольца, клапаны и т.д.
- Трансмиссия, включая коробки передач и дифференциалы.
- Системы выхлопа, включая глушители, катализаторы и трубы.
- Рулевое управление, включая рулевые рейки и насосы гидроусилителя руля.
- Подвеска, включая амортизаторы, пружины, рычаги и шаровые опоры.
- Тормозные системы, включая тормозные колодки, диски и суппорты.
- Электроника, включая стартеры, генераторы, аккумуляторы и свечи зажигания.
- Кузовные запчасти, включая крылья, двери, бамперы и фары.
Автомобильный концерн ГАЗ является одним из ведущих производителей в России. Компания предлагает запчасти для всех своих моделей автомобилей, а также поставляет комплектующие и сопутствующие товары на рынок автокомпонентов.
Преимущества автозапчастей ГАЗ заключаются в заметном качестве и надежности продукции, а также в доступных ценах. Благодаря использованию современных технологий и высококвалифицированному персоналу, ГАЗ гарантирует соответствующие характеристики продукции.
Все запчасти и компоненты проходят строгий контроль качества на каждом из этапов производства и подвергаются испытаниям в специальных лабораториях. Это обеспечивает стабильную работу и долговечность продукции ГАЗ. Детали производятся с использованием современных технологий и проверенных материалов. Это обеспечивает высокую производительность и безопасность автомобилей, а также улучшенный комфорт во время эксплуатации.
Компания предлагает широкий ассортимент запчастей для различных моделей автомобилей, а также для транспортных средств других марок. Все изделия имеют сертификаты соответствия и гарантию на производственные дефекты.
Кроме того, ГАЗ постоянно совершенствует свои продукты и осваивает новые рынки, чтобы удовлетворить даже самые неожиданные потребности своих клиентов. Все это выгодно выделяет автозапчасти и автокомпоненты ГАЗ в глазах покупателей, как в России, так и за ее пределами.
Ассортимент:
- Двигатели и их компоненты, такие как поршни, кольца, клапаны и т.д.
- Трансмиссия, включая коробки передач и дифференциалы.
- Системы выхлопа, включая глушители, катализаторы и трубы.
- Рулевое управление, включая рулевые рейки и насосы гидроусилителя руля.
- Подвеска, включая амортизаторы, пружины, рычаги и шаровые опоры.
- Тормозные системы, включая тормозные колодки, диски и суппорты.
- Электроника, включая стартеры, генераторы, аккумуляторы и свечи зажигания.
- Кузовные запчасти, включая крылья, двери, бамперы и фары.
Автомобильный концерн ГАЗ является одним из ведущих производителей в России. Компания предлагает запчасти для всех своих моделей автомобилей, а также поставляет комплектующие и сопутствующие товары на рынок автокомпонентов.
Преимущества автозапчастей ГАЗ заключаются в заметном качестве и надежности продукции, а также в доступных ценах. Благодаря использованию современных технологий и высококвалифицированному персоналу, ГАЗ гарантирует соответствующие характеристики продукции.
Все запчасти и компоненты проходят строгий контроль качества на каждом из этапов производства и подвергаются испытаниям в специальных лабораториях. Это обеспечивает стабильную работу и долговечность продукции ГАЗ. Детали производятся с использованием современных технологий и проверенных материалов. Это обеспечивает высокую производительность и безопасность автомобилей, а также улучшенный комфорт во время эксплуатации.
Компания предлагает широкий ассортимент запчастей для различных моделей автомобилей, а также для транспортных средств других марок. Все изделия имеют сертификаты соответствия и гарантию на производственные дефекты.
Кроме того, ГАЗ постоянно совершенствует свои продукты и осваивает новые рынки, чтобы удовлетворить даже самые неожиданные потребности своих клиентов. Все это выгодно выделяет автозапчасти и автокомпоненты ГАЗ в глазах покупателей, как в России, так и за ее пределами.
Ассортимент:
- Двигатели и их компоненты, такие как поршни, кольца, клапаны и т.д.
- Трансмиссия, включая коробки передач и дифференциалы.
- Системы выхлопа, включая глушители, катализаторы и трубы.
- Рулевое управление, включая рулевые рейки и насосы гидроусилителя руля.
- Подвеска, включая амортизаторы, пружины, рычаги и шаровые опоры.
- Тормозные системы, включая тормозные колодки, диски и суппорты.
- Электроника, включая стартеры, генераторы, аккумуляторы и свечи зажигания.
- Кузовные запчасти, включая крылья, двери, бамперы и фары.
АЗ "УРАЛ" входит в состав "Группы ГАЗ". Дата образования АЗ "УРАЛ" - 2001 год. Автомобильный завод Урал появился в результате перестройки производственного комплекса "УралАЗ". На сегодняшний день АЗ "УРАЛ" является основным звеном в структуре дивизиона "Грузовые автомобили" и занимает ведущие позиции на российском рынке полноприводных большегрузных автомобилей.
Основное назначение завода: Производство полноприводных грузовых автомобилей, дорожных грузовиков, вахтовых автобусов. На базе шасси "УРАЛ" работают более 400 видов спецтехники: вахтовые автобусы, автоцистерны, подъемные краны, топливозаправщики, пожарные автомобили, разнообразные агрегаты для лесопромышленного и нефтегазового комплекса, горной промышленности и коммунального хозяйства.
Автомобильная техника УРАЛ используется, как государственными предприятиями, так и крупными частными компаниями. В нефтегазодобывающей отрасли востребованы: бортовые автомобили, трубовозы, седельные тягачи, топливозаправщики. В начале 90-х годов на шасси "УРАЛ" изготовили спецтехнику для газодобывающей отрасли: цементировочные агрегаты, агрегаты ремонта скважин, ремонтные мастерские и др.
Основными заказчиками являются нефтяные гиганты ОАО "Газпром", ОАО "НК "Роснефть", ОАО "Сургутнефтегаз, "ТНК-ВP", энергокомпания РАО "ЕЭС", а также ряд министерств Российской Федерации: Министерство обороны, Министерство по чрезвычайным ситуациям, Министерство внутренних дел.
С 2005 года Автомобильный завод УРАЛ освоил серийное производство таких автомобилей, как седельный тягач "УРАЛ-63674" и самосвалов с грузоподъёмностью более 20 тонн "УРАЛ-63685" и "УРАЛ-6563". В 2007-2008 году на Автомобильном заводе "УРАЛ" внедряют передовые технологии:
- внедрение новой производственной системы "lean production".
- внедрение современной автоматизированной ERP-системы
- внедрение системы "Ворота Качества".
- внедрение системы менеджмента качества в соответствии с требованиями стандартов ISO 9001:2000 и ISO 9001:2008.
- внедрение СМК соответствующей требованиям ИСО/ТУ 16949:2002.
АЗ "УРАЛ" постоянно работает на расширение модельного ряда. Так в 2010 году в серийное производство был запущен вахтовый автобус Урал-32552-3011-59 и самосвал Урал-6370. А уже в 2011 году на заводе разработали вахтовый автобус на пневмоподвеске, которая обеспечит высокую плавность хода даже в условиях бездорожья.
"АвтоАльянс" активно развивает направление запчастей для автомобилей УРАЛ. В продаже широкий ассортимент продукции АЗ "УРАЛ" по оптимальным ценам. Для Вас всегда работает группа специалистов по запчастям на автомобили УРАЛ.
АЗ "УРАЛ" входит в состав "Группы ГАЗ". Дата образования АЗ "УРАЛ" - 2001 год. Автомобильный завод Урал появился в результате перестройки производственного комплекса "УралАЗ". На сегодняшний день АЗ "УРАЛ" является основным звеном в структуре дивизиона "Грузовые автомобили" и занимает ведущие позиции на российском рынке полноприводных большегрузных автомобилей.
Основное назначение завода: Производство полноприводных грузовых автомобилей, дорожных грузовиков, вахтовых автобусов. На базе шасси "УРАЛ" работают более 400 видов спецтехники: вахтовые автобусы, автоцистерны, подъемные краны, топливозаправщики, пожарные автомобили, разнообразные агрегаты для лесопромышленного и нефтегазового комплекса, горной промышленности и коммунального хозяйства.
Автомобильная техника УРАЛ используется, как государственными предприятиями, так и крупными частными компаниями. В нефтегазодобывающей отрасли востребованы: бортовые автомобили, трубовозы, седельные тягачи, топливозаправщики. В начале 90-х годов на шасси "УРАЛ" изготовили спецтехнику для газодобывающей отрасли: цементировочные агрегаты, агрегаты ремонта скважин, ремонтные мастерские и др.
Основными заказчиками являются нефтяные гиганты ОАО "Газпром", ОАО "НК "Роснефть", ОАО "Сургутнефтегаз, "ТНК-ВP", энергокомпания РАО "ЕЭС", а также ряд министерств Российской Федерации: Министерство обороны, Министерство по чрезвычайным ситуациям, Министерство внутренних дел.
С 2005 года Автомобильный завод УРАЛ освоил серийное производство таких автомобилей, как седельный тягач "УРАЛ-63674" и самосвалов с грузоподъёмностью более 20 тонн "УРАЛ-63685" и "УРАЛ-6563". В 2007-2008 году на Автомобильном заводе "УРАЛ" внедряют передовые технологии:
- внедрение новой производственной системы "lean production".
- внедрение современной автоматизированной ERP-системы
- внедрение системы "Ворота Качества".
- внедрение системы менеджмента качества в соответствии с требованиями стандартов ISO 9001:2000 и ISO 9001:2008.
- внедрение СМК соответствующей требованиям ИСО/ТУ 16949:2002.
АЗ "УРАЛ" постоянно работает на расширение модельного ряда. Так в 2010 году в серийное производство был запущен вахтовый автобус Урал-32552-3011-59 и самосвал Урал-6370. А уже в 2011 году на заводе разработали вахтовый автобус на пневмоподвеске, которая обеспечит высокую плавность хода даже в условиях бездорожья.
"АвтоАльянс" активно развивает направление запчастей для автомобилей УРАЛ. В продаже широкий ассортимент продукции АЗ "УРАЛ" по оптимальным ценам. Для Вас всегда работает группа специалистов по запчастям на автомобили УРАЛ.
Автомобильный концерн ГАЗ является одним из ведущих производителей в России. Компания предлагает запчасти для всех своих моделей автомобилей, а также поставляет комплектующие и сопутствующие товары на рынок автокомпонентов.
Преимущества автозапчастей ГАЗ заключаются в заметном качестве и надежности продукции, а также в доступных ценах. Благодаря использованию современных технологий и высококвалифицированному персоналу, ГАЗ гарантирует соответствующие характеристики продукции.
Все запчасти и компоненты проходят строгий контроль качества на каждом из этапов производства и подвергаются испытаниям в специальных лабораториях. Это обеспечивает стабильную работу и долговечность продукции ГАЗ. Детали производятся с использованием современных технологий и проверенных материалов. Это обеспечивает высокую производительность и безопасность автомобилей, а также улучшенный комфорт во время эксплуатации.
Компания предлагает широкий ассортимент запчастей для различных моделей автомобилей, а также для транспортных средств других марок. Все изделия имеют сертификаты соответствия и гарантию на производственные дефекты.
Кроме того, ГАЗ постоянно совершенствует свои продукты и осваивает новые рынки, чтобы удовлетворить даже самые неожиданные потребности своих клиентов. Все это выгодно выделяет автозапчасти и автокомпоненты ГАЗ в глазах покупателей, как в России, так и за ее пределами.
Ассортимент:
- Двигатели и их компоненты, такие как поршни, кольца, клапаны и т.д.
- Трансмиссия, включая коробки передач и дифференциалы.
- Системы выхлопа, включая глушители, катализаторы и трубы.
- Рулевое управление, включая рулевые рейки и насосы гидроусилителя руля.
- Подвеска, включая амортизаторы, пружины, рычаги и шаровые опоры.
- Тормозные системы, включая тормозные колодки, диски и суппорты.
- Электроника, включая стартеры, генераторы, аккумуляторы и свечи зажигания.
- Кузовные запчасти, включая крылья, двери, бамперы и фары.
Автомобильный концерн ГАЗ является одним из ведущих производителей в России. Компания предлагает запчасти для всех своих моделей автомобилей, а также поставляет комплектующие и сопутствующие товары на рынок автокомпонентов.
Преимущества автозапчастей ГАЗ заключаются в заметном качестве и надежности продукции, а также в доступных ценах. Благодаря использованию современных технологий и высококвалифицированному персоналу, ГАЗ гарантирует соответствующие характеристики продукции.
Все запчасти и компоненты проходят строгий контроль качества на каждом из этапов производства и подвергаются испытаниям в специальных лабораториях. Это обеспечивает стабильную работу и долговечность продукции ГАЗ. Детали производятся с использованием современных технологий и проверенных материалов. Это обеспечивает высокую производительность и безопасность автомобилей, а также улучшенный комфорт во время эксплуатации.
Компания предлагает широкий ассортимент запчастей для различных моделей автомобилей, а также для транспортных средств других марок. Все изделия имеют сертификаты соответствия и гарантию на производственные дефекты.
Кроме того, ГАЗ постоянно совершенствует свои продукты и осваивает новые рынки, чтобы удовлетворить даже самые неожиданные потребности своих клиентов. Все это выгодно выделяет автозапчасти и автокомпоненты ГАЗ в глазах покупателей, как в России, так и за ее пределами.
Ассортимент:
- Двигатели и их компоненты, такие как поршни, кольца, клапаны и т.д.
- Трансмиссия, включая коробки передач и дифференциалы.
- Системы выхлопа, включая глушители, катализаторы и трубы.
- Рулевое управление, включая рулевые рейки и насосы гидроусилителя руля.
- Подвеска, включая амортизаторы, пружины, рычаги и шаровые опоры.
- Тормозные системы, включая тормозные колодки, диски и суппорты.
- Электроника, включая стартеры, генераторы, аккумуляторы и свечи зажигания.
- Кузовные запчасти, включая крылья, двери, бамперы и фары.
"Завод Красная Этна" уже более 110 лет производит крепёжные изделия и пружины для автомобильной промышленности. История завода начинается с 24 декабря 1898 года, когда по положению Комитета Министров Николай Второй разрешает Виктору Михайловичу Гольденбергу и германскому подданному Петру Ивановичу Мартини учредить "Акционерное Общество Рижского металлического завода "Этна". С 1904 года по 1915 год на Рижском металлическом заводе работали цеха: гвоздильный, горячепрокатный, цепочный, травильный, отжигательный, волочильный. Продукция завода была востребована в России, Прибалтике и за рубежом. В годы первой мировой войны завод был эвакуирован из Риги в Нижний Новгород. С этого момента для завода начинается новая история. Во время войны "Завод Красная Этна" обеспечивал своей продукцией фронт. На заводе начался выпуск минных цепей, гвоздей к солдатским сапогам, колючей проволоки, пряжек к ружьям и карабинов, а также другой продукции для нужд фронта и населения России. С 1916 года по 1918 год происходит национализация завода и смена учредителей. Завод стал именоваться, как Акционерное общество Нижегородского металлического завода "Новая Этна". С приходом советской власти на заводе сменилось название на "Красная Этна" и были запущены: электростанция, прокатный цех, цех тонкого волочения и болтозаклепочный цех. В 1925 в структуру завода вливается предприятие с парком металлорежущего оборудования. В этом же году, на базе влившегося предприятия, создаются инструментальный и механический цеха, а также лесопильно-ящичный цех. В начале 30х, организовано строительство Горьковского автомобильного завода, который оказал большое влияние на развитие и деятельность предприятия. "Красная Этна" переходит на выпуск изделий высокого класса точности и включается в обслуживание автомобильной промышленности страны. К началу Великой Отечественной войны, реконструированный завод представлял собой крупное предприятие автомобильной промышленности, которое специализировалось на выпуске: специальной проволоки, пружин, шайб, холоднокатаной ленты и автонормалей. Во время Второй Мировой войны завод бесперебойно снабжал фронт боеприпасами. С 1941 года по 1943 год на заводе работало 996 человек. В послевоенное время завод стал активно развиваться. В дальнейшем на заводе были реконструированы цеха и освоено новое производство, создано собственное станкостроение и автоматические линии, выстроен инженерный корпус и здание очистных сооружений. Организовано производство проката и пружин, а также стержневого крепежа. Создан важнейший отдел обеспечения качеством. На сегодняшний день ОАО "Завод Красная Этна" представляет собой современное, динамично-развивающееся предприятие, специализирующееся на производстве крепежных изделий для автомобильной промышленности. Продукция завода поставляется на крупнейшие предприятия России, стран СНГ и дальнего зарубежья. Продукция предприятия соответствует международным системам качества ИСО 9001-2000 и ISO/TS 16949:2002. Продукция завода прошла проверку аудиторами TUV CERT (Германия) и национальной системой ГОСТ Р. Номенклатура предприятия насчитывает более 2,5 тысячи видов крепёжных изделий, в том числе соответствующих стандарту DIN. Компания "АвтоАльянс" предлагает оригинальную продукцию производства ОАО "Завод Красная Этна". В ассортименте представлен широкий перечень продукции завода: винты различных конструкций, пружины, стремянки, шайбы, гайки, шпильки, заклепки, штуцеры, оси, пробки и пластины, а также всевозможный крепёж к различным автомобилям.
На складах : 1398 шт.
"Завод Красная Этна" уже более 110 лет производит крепёжные изделия и пружины для автомобильной промышленности. История завода начинается с 24 декабря 1898 года, когда по положению Комитета Министров Николай Второй разрешает Виктору Михайловичу Гольденбергу и германскому подданному Петру Ивановичу Мартини учредить "Акционерное Общество Рижского металлического завода "Этна". С 1904 года по 1915 год на Рижском металлическом заводе работали цеха: гвоздильный, горячепрокатный, цепочный, травильный, отжигательный, волочильный. Продукция завода была востребована в России, Прибалтике и за рубежом. В годы первой мировой войны завод был эвакуирован из Риги в Нижний Новгород. С этого момента для завода начинается новая история. Во время войны "Завод Красная Этна" обеспечивал своей продукцией фронт. На заводе начался выпуск минных цепей, гвоздей к солдатским сапогам, колючей проволоки, пряжек к ружьям и карабинов, а также другой продукции для нужд фронта и населения России. С 1916 года по 1918 год происходит национализация завода и смена учредителей. Завод стал именоваться, как Акционерное общество Нижегородского металлического завода "Новая Этна". С приходом советской власти на заводе сменилось название на "Красная Этна" и были запущены: электростанция, прокатный цех, цех тонкого волочения и болтозаклепочный цех. В 1925 в структуру завода вливается предприятие с парком металлорежущего оборудования. В этом же году, на базе влившегося предприятия, создаются инструментальный и механический цеха, а также лесопильно-ящичный цех. В начале 30х, организовано строительство Горьковского автомобильного завода, который оказал большое влияние на развитие и деятельность предприятия. "Красная Этна" переходит на выпуск изделий высокого класса точности и включается в обслуживание автомобильной промышленности страны. К началу Великой Отечественной войны, реконструированный завод представлял собой крупное предприятие автомобильной промышленности, которое специализировалось на выпуске: специальной проволоки, пружин, шайб, холоднокатаной ленты и автонормалей. Во время Второй Мировой войны завод бесперебойно снабжал фронт боеприпасами. С 1941 года по 1943 год на заводе работало 996 человек. В послевоенное время завод стал активно развиваться. В дальнейшем на заводе были реконструированы цеха и освоено новое производство, создано собственное станкостроение и автоматические линии, выстроен инженерный корпус и здание очистных сооружений. Организовано производство проката и пружин, а также стержневого крепежа. Создан важнейший отдел обеспечения качеством. На сегодняшний день ОАО "Завод Красная Этна" представляет собой современное, динамично-развивающееся предприятие, специализирующееся на производстве крепежных изделий для автомобильной промышленности. Продукция завода поставляется на крупнейшие предприятия России, стран СНГ и дальнего зарубежья. Продукция предприятия соответствует международным системам качества ИСО 9001-2000 и ISO/TS 16949:2002. Продукция завода прошла проверку аудиторами TUV CERT (Германия) и национальной системой ГОСТ Р. Номенклатура предприятия насчитывает более 2,5 тысячи видов крепёжных изделий, в том числе соответствующих стандарту DIN. Компания "АвтоАльянс" предлагает оригинальную продукцию производства ОАО "Завод Красная Этна". В ассортименте представлен широкий перечень продукции завода: винты различных конструкций, пружины, стремянки, шайбы, гайки, шпильки, заклепки, штуцеры, оси, пробки и пластины, а также всевозможный крепёж к различным автомобилям.
ПАО "Автодизель" (Ярославский моторный завод) - одно из старейших предприятий российского автомобилестроения. В 1920 - 50-е годы был освоен выпуск первых в стране 3-12-тонных автомобилей, самосвалов, троллейбусов, автобусов, автомобильных дизельных двигателей.
С 1958 г. Ярославский моторный завод специализируется на разработке и производстве дизельных силовых агрегатов многоцелевого назначения и является признанным лидером отечественного двигателестроения.
На сегодняшний день Ярославский моторный завод (ПАО «Автодизель») является крупнейшим российским предприятием, специализирующимся на производстве дизельных двигателей многоцелевого назначения, сцеплений, коробок передач, запасных частей к ним, а также стационарных агрегатов на базе дизелей ЯМЗ.
Ярославские двигатели нашли применение более чем на 300 видах изделий производства ведущих предприятий России, Белоруссии, Украины. Они устанавливаются на автомобили, магистральные автопоезда, карьерные самосвалы, аэродромные тягачи, зерно-уборочные комбайны, лесовозы, экскаваторы, автобусы, а также на дизель-электрические станции и агрегаты.
Основные потребители: ОАО «МАЗ», ОАО «Автомобильный завод «Урал», ООО «ЛиАЗ», ХК «АвтоКрАЗ», РУПП «БелАЗ», ОАО «Электроагрегат» (Курск) и другие. Широкое применение двигатели ЯМЗ находят на специализированной технике Министерства обороны РФ.
"АвтоАльянс" является официальным дилером ПАО «Автодизель» (ЯМЗ) уже много лет и обеспечивает потребителей полным перечнем продукции завода. От запчастей до двигателей в сборе.
Борьба с контрафактом
ПАО "Автодизель" (Ярославский моторный завод) тщательно следит за высоким качеством продукции, а так же проводит комплекс активных мероприятий для борьбы с контрафактными предложениями на рынке. Для противодействия распространению контрафакта на официальном сайте завода создан раздел ЯМЗ/ЯЗДА. Защита от контрафакта, в котором размещена информация о конкурентных преимуществах оригинальной продукции, о рисках и угрозах использования альтернативной продукции ненадлежащего качества, а также доступна опция проверки оригинальности продукции ЯМЗ.
На складах : 274 шт.
ПАО "Автодизель" (Ярославский моторный завод) - одно из старейших предприятий российского автомобилестроения. В 1920 - 50-е годы был освоен выпуск первых в стране 3-12-тонных автомобилей, самосвалов, троллейбусов, автобусов, автомобильных дизельных двигателей.
С 1958 г. Ярославский моторный завод специализируется на разработке и производстве дизельных силовых агрегатов многоцелевого назначения и является признанным лидером отечественного двигателестроения.
На сегодняшний день Ярославский моторный завод (ПАО «Автодизель») является крупнейшим российским предприятием, специализирующимся на производстве дизельных двигателей многоцелевого назначения, сцеплений, коробок передач, запасных частей к ним, а также стационарных агрегатов на базе дизелей ЯМЗ.
Ярославские двигатели нашли применение более чем на 300 видах изделий производства ведущих предприятий России, Белоруссии, Украины. Они устанавливаются на автомобили, магистральные автопоезда, карьерные самосвалы, аэродромные тягачи, зерно-уборочные комбайны, лесовозы, экскаваторы, автобусы, а также на дизель-электрические станции и агрегаты.
Основные потребители: ОАО «МАЗ», ОАО «Автомобильный завод «Урал», ООО «ЛиАЗ», ХК «АвтоКрАЗ», РУПП «БелАЗ», ОАО «Электроагрегат» (Курск) и другие. Широкое применение двигатели ЯМЗ находят на специализированной технике Министерства обороны РФ.
"АвтоАльянс" является официальным дилером ПАО «Автодизель» (ЯМЗ) уже много лет и обеспечивает потребителей полным перечнем продукции завода. От запчастей до двигателей в сборе.
Борьба с контрафактом
ПАО "Автодизель" (Ярославский моторный завод) тщательно следит за высоким качеством продукции, а так же проводит комплекс активных мероприятий для борьбы с контрафактными предложениями на рынке. Для противодействия распространению контрафакта на официальном сайте завода создан раздел ЯМЗ/ЯЗДА. Защита от контрафакта, в котором размещена информация о конкурентных преимуществах оригинальной продукции, о рисках и угрозах использования альтернативной продукции ненадлежащего качества, а также доступна опция проверки оригинальности продукции ЯМЗ.
ООО «ЯЗТО-Авто» - ведущий производитель безасбестовых прокладок головки блока цилиндров (ГБЦ), прокладок газопроводов, выпускных коллекторов, ремкомплектов и запасных частей для двигателей ЯМЗ и других ведущих моторостроительных заводов, один из поставщиков безасбестовых прокладок сборочного конвейера ОАО «Автодизель».
ООО «ЯЗТО-Авто» - ведущий производитель безасбестовых прокладок головки блока цилиндров (ГБЦ), прокладок газопроводов, выпускных коллекторов, ремкомплектов и запасных частей для двигателей ЯМЗ и других ведущих моторостроительных заводов, один из поставщиков безасбестовых прокладок сборочного конвейера ОАО «Автодизель».
Компания "Русский Двигатель" была основана в 2005 году в Ярославле и почти сразу завоевала доверие со стороны производителей двигателей. Предприятие имеет собственное производство и выпускает более 300 видов прокладок и 150 видов ремкомплектов на обширном станочном парке. Для создания прокладок «Русский двигатель» использует паронит заводского изготовления, а так же занимается индивидуальной разработкой штампов и запуском новых товаров. Компания является поставщиком паронитовых прокладок на конвейеры Ярославского Моторного Завода (Автодизель), ЯрДизель Аппаратуры, ОАО "Карачаевский механический завод", Ногинского завода топливной аппаратуры, Тутаевского Моторного Завода, Ярославского Завода Топливной Аппаратуры.
На складах : 30 шт.
Компания "Русский Двигатель" была основана в 2005 году в Ярославле и почти сразу завоевала доверие со стороны производителей двигателей. Предприятие имеет собственное производство и выпускает более 300 видов прокладок и 150 видов ремкомплектов на обширном станочном парке. Для создания прокладок «Русский двигатель» использует паронит заводского изготовления, а так же занимается индивидуальной разработкой штампов и запуском новых товаров. Компания является поставщиком паронитовых прокладок на конвейеры Ярославского Моторного Завода (Автодизель), ЯрДизель Аппаратуры, ОАО "Карачаевский механический завод", Ногинского завода топливной аппаратуры, Тутаевского Моторного Завода, Ярославского Завода Топливной Аппаратуры.
Компания "Русский Двигатель" была основана в 2005 году в Ярославле и почти сразу завоевала доверие со стороны производителей двигателей. Предприятие имеет собственное производство и выпускает более 300 видов прокладок и 150 видов ремкомплектов на обширном станочном парке. Для создания прокладок «Русский двигатель» использует паронит заводского изготовления, а так же занимается индивидуальной разработкой штампов и запуском новых товаров. Компания является поставщиком паронитовых прокладок на конвейеры Ярославского Моторного Завода (Автодизель), ЯрДизель Аппаратуры, ОАО "Карачаевский механический завод", Ногинского завода топливной аппаратуры, Тутаевского Моторного Завода, Ярославского Завода Топливной Аппаратуры.
Компания "Русский Двигатель" была основана в 2005 году в Ярославле и почти сразу завоевала доверие со стороны производителей двигателей. Предприятие имеет собственное производство и выпускает более 300 видов прокладок и 150 видов ремкомплектов на обширном станочном парке. Для создания прокладок «Русский двигатель» использует паронит заводского изготовления, а так же занимается индивидуальной разработкой штампов и запуском новых товаров. Компания является поставщиком паронитовых прокладок на конвейеры Ярославского Моторного Завода (Автодизель), ЯрДизель Аппаратуры, ОАО "Карачаевский механический завод", Ногинского завода топливной аппаратуры, Тутаевского Моторного Завода, Ярославского Завода Топливной Аппаратуры.
Компания "Русский Двигатель" была основана в 2005 году в Ярославле и почти сразу завоевала доверие со стороны производителей двигателей. Предприятие имеет собственное производство и выпускает более 300 видов прокладок и 150 видов ремкомплектов на обширном станочном парке. Для создания прокладок «Русский двигатель» использует паронит заводского изготовления, а так же занимается индивидуальной разработкой штампов и запуском новых товаров. Компания является поставщиком паронитовых прокладок на конвейеры Ярославского Моторного Завода (Автодизель), ЯрДизель Аппаратуры, ОАО "Карачаевский механический завод", Ногинского завода топливной аппаратуры, Тутаевского Моторного Завода, Ярославского Завода Топливной Аппаратуры.
На складах : 11 шт.
Компания "Русский Двигатель" была основана в 2005 году в Ярославле и почти сразу завоевала доверие со стороны производителей двигателей. Предприятие имеет собственное производство и выпускает более 300 видов прокладок и 150 видов ремкомплектов на обширном станочном парке. Для создания прокладок «Русский двигатель» использует паронит заводского изготовления, а так же занимается индивидуальной разработкой штампов и запуском новых товаров. Компания является поставщиком паронитовых прокладок на конвейеры Ярославского Моторного Завода (Автодизель), ЯрДизель Аппаратуры, ОАО "Карачаевский механический завод", Ногинского завода топливной аппаратуры, Тутаевского Моторного Завода, Ярославского Завода Топливной Аппаратуры.
Компания "Русский Двигатель" была основана в 2005 году в Ярославле и почти сразу завоевала доверие со стороны производителей двигателей. Предприятие имеет собственное производство и выпускает более 300 видов прокладок и 150 видов ремкомплектов на обширном станочном парке. Для создания прокладок «Русский двигатель» использует паронит заводского изготовления, а так же занимается индивидуальной разработкой штампов и запуском новых товаров. Компания является поставщиком паронитовых прокладок на конвейеры Ярославского Моторного Завода (Автодизель), ЯрДизель Аппаратуры, ОАО "Карачаевский механический завод", Ногинского завода топливной аппаратуры, Тутаевского Моторного Завода, Ярославского Завода Топливной Аппаратуры.
На складах : 35 шт.
Компания "Русский Двигатель" была основана в 2005 году в Ярославле и почти сразу завоевала доверие со стороны производителей двигателей. Предприятие имеет собственное производство и выпускает более 300 видов прокладок и 150 видов ремкомплектов на обширном станочном парке. Для создания прокладок «Русский двигатель» использует паронит заводского изготовления, а так же занимается индивидуальной разработкой штампов и запуском новых товаров. Компания является поставщиком паронитовых прокладок на конвейеры Ярославского Моторного Завода (Автодизель), ЯрДизель Аппаратуры, ОАО "Карачаевский механический завод", Ногинского завода топливной аппаратуры, Тутаевского Моторного Завода, Ярославского Завода Топливной Аппаратуры.
ПАО "Автодизель" (Ярославский моторный завод) - одно из старейших предприятий российского автомобилестроения. В 1920 - 50-е годы был освоен выпуск первых в стране 3-12-тонных автомобилей, самосвалов, троллейбусов, автобусов, автомобильных дизельных двигателей.
С 1958 г. Ярославский моторный завод специализируется на разработке и производстве дизельных силовых агрегатов многоцелевого назначения и является признанным лидером отечественного двигателестроения.
На сегодняшний день Ярославский моторный завод (ПАО «Автодизель») является крупнейшим российским предприятием, специализирующимся на производстве дизельных двигателей многоцелевого назначения, сцеплений, коробок передач, запасных частей к ним, а также стационарных агрегатов на базе дизелей ЯМЗ.
Ярославские двигатели нашли применение более чем на 300 видах изделий производства ведущих предприятий России, Белоруссии, Украины. Они устанавливаются на автомобили, магистральные автопоезда, карьерные самосвалы, аэродромные тягачи, зерно-уборочные комбайны, лесовозы, экскаваторы, автобусы, а также на дизель-электрические станции и агрегаты.
Основные потребители: ОАО «МАЗ», ОАО «Автомобильный завод «Урал», ООО «ЛиАЗ», ХК «АвтоКрАЗ», РУПП «БелАЗ», ОАО «Электроагрегат» (Курск) и другие. Широкое применение двигатели ЯМЗ находят на специализированной технике Министерства обороны РФ.
"АвтоАльянс" является официальным дилером ПАО «Автодизель» (ЯМЗ) уже много лет и обеспечивает потребителей полным перечнем продукции завода. От запчастей до двигателей в сборе.
Борьба с контрафактом
ПАО "Автодизель" (Ярославский моторный завод) тщательно следит за высоким качеством продукции, а так же проводит комплекс активных мероприятий для борьбы с контрафактными предложениями на рынке. Для противодействия распространению контрафакта на официальном сайте завода создан раздел ЯМЗ/ЯЗДА. Защита от контрафакта, в котором размещена информация о конкурентных преимуществах оригинальной продукции, о рисках и угрозах использования альтернативной продукции ненадлежащего качества, а также доступна опция проверки оригинальности продукции ЯМЗ.
На складах : 1393 шт.
ПАО "Автодизель" (Ярославский моторный завод) - одно из старейших предприятий российского автомобилестроения. В 1920 - 50-е годы был освоен выпуск первых в стране 3-12-тонных автомобилей, самосвалов, троллейбусов, автобусов, автомобильных дизельных двигателей.
С 1958 г. Ярославский моторный завод специализируется на разработке и производстве дизельных силовых агрегатов многоцелевого назначения и является признанным лидером отечественного двигателестроения.
На сегодняшний день Ярославский моторный завод (ПАО «Автодизель») является крупнейшим российским предприятием, специализирующимся на производстве дизельных двигателей многоцелевого назначения, сцеплений, коробок передач, запасных частей к ним, а также стационарных агрегатов на базе дизелей ЯМЗ.
Ярославские двигатели нашли применение более чем на 300 видах изделий производства ведущих предприятий России, Белоруссии, Украины. Они устанавливаются на автомобили, магистральные автопоезда, карьерные самосвалы, аэродромные тягачи, зерно-уборочные комбайны, лесовозы, экскаваторы, автобусы, а также на дизель-электрические станции и агрегаты.
Основные потребители: ОАО «МАЗ», ОАО «Автомобильный завод «Урал», ООО «ЛиАЗ», ХК «АвтоКрАЗ», РУПП «БелАЗ», ОАО «Электроагрегат» (Курск) и другие. Широкое применение двигатели ЯМЗ находят на специализированной технике Министерства обороны РФ.
"АвтоАльянс" является официальным дилером ПАО «Автодизель» (ЯМЗ) уже много лет и обеспечивает потребителей полным перечнем продукции завода. От запчастей до двигателей в сборе.
Борьба с контрафактом
ПАО "Автодизель" (Ярославский моторный завод) тщательно следит за высоким качеством продукции, а так же проводит комплекс активных мероприятий для борьбы с контрафактными предложениями на рынке. Для противодействия распространению контрафакта на официальном сайте завода создан раздел ЯМЗ/ЯЗДА. Защита от контрафакта, в котором размещена информация о конкурентных преимуществах оригинальной продукции, о рисках и угрозах использования альтернативной продукции ненадлежащего качества, а также доступна опция проверки оригинальности продукции ЯМЗ.
История бренда MetalPart началась в 1987 году, когда в России было создано небольшое конструкторское бюро, занимавшееся разработкой деталей и узлов для крупных машиностроительных предприятий. В те времена страна переживала бурный индустриальный подъём, и инженеры компании ставили перед собой задачу создавать надёжные компоненты для автомобилестроения и оборонной промышленности. В сложных экономических условиях 1990-х годов компания смогла адаптироваться к новым реалиям. Она наладила сотрудничество с предприятиями как в странах СНГ, так и за их пределами. При этом компания строго контролировала качество на всех этапах производства — от закупки сырья до выпуска готовой продукции.
В 2014 году компания достигла важного этапа в своём развитии: автокомпонентное направление было выделено в отдельное подразделение под брендом MetalPart. Это решение позволило сосредоточить усилия на производстве высококачественных, доступных и долговечных запчастей, которые могли бы конкурировать с зарубежными аналогами и способствовать поддержке российского автопрома. Компания использует передовые технологии и материалы, что позволяет выпускать детали с повышенной прочностью, износостойкостью и длительным сроком службы.
Сегодня MetalPart — это передовое российское предприятие с полным циклом производства, выпускающее свыше тысячи наименований автокомпонентов для автомобилей УАЗ и ГАЗ. Продукция охватывает все ключевые системы — двигатель, трансмиссию, подвеску и топливную систему. Компания осуществляет поставки не только по всей России, но и в страны Таможенного и Евразийского экономического союзов, включая Беларусь и Казахстан. Благодаря сертификации по международным стандартам ISO 9001 и ISO/TS 16949, продукция соответствует всем требованиям автомобильной промышленности и отличается высоким качеством исполнения. В ассортименте компании MetalPart представлено две серии деталей: стандартные детали, которые полностью соответствуют заводским параметрам и имеют гарантию от одного до двух лет и MetalPart PRO — детали с улучшенными характеристиками, созданные с использованием передовых материалов и дополнительных методов обработки. Они отличаются увеличенным сроком службы и расширенной гарантией до трёх лет. Такой подход позволяет компании удовлетворить потребности самых разных клиентов — от тех, кто ищет экономичные решения, до владельцев техники, нуждающихся в усиленных и максимально надёжных компонентах.
Компания MetalPart активно внедряет передовые цифровые технологии. Она использует системы виртуального моделирования, электронного проектирования и контроля качества, включая штрих-коды GS1, что обеспечивает полную прослеживаемость продукции. В будущем компания планирует развивать аддитивные технологии, автоматизировать производственные процессы и расширять ассортимент товаров. Все эти меры направлены на повышение конкурентоспособности и гибкую адаптацию к изменяющимся рыночным условиям. MetalPart не только производит автокомпоненты, но и уделяет большое внимание поддержке своих партнёров. Она проводит обучение, предоставляет консультации и оперативно решает технические проблемы. Компания регулярно участвует в профильных выставках, выпускает информационные каталоги и обучающие материалы, что способствует укреплению связей и доверия с клиентами.
За более чем тридцатилетнюю историю компания MetalPart прошла путь от небольшого конструкторского бюро до современного производителя, сочетающего опыт и инновации. Сегодня бренд остается верным своим традициям, предлагая надежные решения для российских автомобилей, которые способны выдерживать даже самые суровые условия эксплуатации.
Ассортимент:
- Детали двигателя
- Элементы топливной системы
- Детали системы охлаждения
- Сцепления
- Детали КПП и РК
- Карданные валы
- Мосты и комплектующие
- Детали подвески
- Ступицы
- Элементы рулевого управления
- комплектующие тормозной системы
- Провода высоковольтные
- Стартеры
- Стеклоочистители и привода
- Вентиляция и отопление
- Сальники
- Комплекты ремонтные и установочные
На складах : 11 шт.
История бренда MetalPart началась в 1987 году, когда в России было создано небольшое конструкторское бюро, занимавшееся разработкой деталей и узлов для крупных машиностроительных предприятий. В те времена страна переживала бурный индустриальный подъём, и инженеры компании ставили перед собой задачу создавать надёжные компоненты для автомобилестроения и оборонной промышленности. В сложных экономических условиях 1990-х годов компания смогла адаптироваться к новым реалиям. Она наладила сотрудничество с предприятиями как в странах СНГ, так и за их пределами. При этом компания строго контролировала качество на всех этапах производства — от закупки сырья до выпуска готовой продукции.
В 2014 году компания достигла важного этапа в своём развитии: автокомпонентное направление было выделено в отдельное подразделение под брендом MetalPart. Это решение позволило сосредоточить усилия на производстве высококачественных, доступных и долговечных запчастей, которые могли бы конкурировать с зарубежными аналогами и способствовать поддержке российского автопрома. Компания использует передовые технологии и материалы, что позволяет выпускать детали с повышенной прочностью, износостойкостью и длительным сроком службы.
Сегодня MetalPart — это передовое российское предприятие с полным циклом производства, выпускающее свыше тысячи наименований автокомпонентов для автомобилей УАЗ и ГАЗ. Продукция охватывает все ключевые системы — двигатель, трансмиссию, подвеску и топливную систему. Компания осуществляет поставки не только по всей России, но и в страны Таможенного и Евразийского экономического союзов, включая Беларусь и Казахстан. Благодаря сертификации по международным стандартам ISO 9001 и ISO/TS 16949, продукция соответствует всем требованиям автомобильной промышленности и отличается высоким качеством исполнения. В ассортименте компании MetalPart представлено две серии деталей: стандартные детали, которые полностью соответствуют заводским параметрам и имеют гарантию от одного до двух лет и MetalPart PRO — детали с улучшенными характеристиками, созданные с использованием передовых материалов и дополнительных методов обработки. Они отличаются увеличенным сроком службы и расширенной гарантией до трёх лет. Такой подход позволяет компании удовлетворить потребности самых разных клиентов — от тех, кто ищет экономичные решения, до владельцев техники, нуждающихся в усиленных и максимально надёжных компонентах.
Компания MetalPart активно внедряет передовые цифровые технологии. Она использует системы виртуального моделирования, электронного проектирования и контроля качества, включая штрих-коды GS1, что обеспечивает полную прослеживаемость продукции. В будущем компания планирует развивать аддитивные технологии, автоматизировать производственные процессы и расширять ассортимент товаров. Все эти меры направлены на повышение конкурентоспособности и гибкую адаптацию к изменяющимся рыночным условиям. MetalPart не только производит автокомпоненты, но и уделяет большое внимание поддержке своих партнёров. Она проводит обучение, предоставляет консультации и оперативно решает технические проблемы. Компания регулярно участвует в профильных выставках, выпускает информационные каталоги и обучающие материалы, что способствует укреплению связей и доверия с клиентами.
За более чем тридцатилетнюю историю компания MetalPart прошла путь от небольшого конструкторского бюро до современного производителя, сочетающего опыт и инновации. Сегодня бренд остается верным своим традициям, предлагая надежные решения для российских автомобилей, которые способны выдерживать даже самые суровые условия эксплуатации.
Ассортимент:
- Детали двигателя
- Элементы топливной системы
- Детали системы охлаждения
- Сцепления
- Детали КПП и РК
- Карданные валы
- Мосты и комплектующие
- Детали подвески
- Ступицы
- Элементы рулевого управления
- комплектующие тормозной системы
- Провода высоковольтные
- Стартеры
- Стеклоочистители и привода
- Вентиляция и отопление
- Сальники
- Комплекты ремонтные и установочные
История бренда MetalPart началась в 1987 году, когда в России было создано небольшое конструкторское бюро, занимавшееся разработкой деталей и узлов для крупных машиностроительных предприятий. В те времена страна переживала бурный индустриальный подъём, и инженеры компании ставили перед собой задачу создавать надёжные компоненты для автомобилестроения и оборонной промышленности. В сложных экономических условиях 1990-х годов компания смогла адаптироваться к новым реалиям. Она наладила сотрудничество с предприятиями как в странах СНГ, так и за их пределами. При этом компания строго контролировала качество на всех этапах производства — от закупки сырья до выпуска готовой продукции.
В 2014 году компания достигла важного этапа в своём развитии: автокомпонентное направление было выделено в отдельное подразделение под брендом MetalPart. Это решение позволило сосредоточить усилия на производстве высококачественных, доступных и долговечных запчастей, которые могли бы конкурировать с зарубежными аналогами и способствовать поддержке российского автопрома. Компания использует передовые технологии и материалы, что позволяет выпускать детали с повышенной прочностью, износостойкостью и длительным сроком службы.
Сегодня MetalPart — это передовое российское предприятие с полным циклом производства, выпускающее свыше тысячи наименований автокомпонентов для автомобилей УАЗ и ГАЗ. Продукция охватывает все ключевые системы — двигатель, трансмиссию, подвеску и топливную систему. Компания осуществляет поставки не только по всей России, но и в страны Таможенного и Евразийского экономического союзов, включая Беларусь и Казахстан. Благодаря сертификации по международным стандартам ISO 9001 и ISO/TS 16949, продукция соответствует всем требованиям автомобильной промышленности и отличается высоким качеством исполнения. В ассортименте компании MetalPart представлено две серии деталей: стандартные детали, которые полностью соответствуют заводским параметрам и имеют гарантию от одного до двух лет и MetalPart PRO — детали с улучшенными характеристиками, созданные с использованием передовых материалов и дополнительных методов обработки. Они отличаются увеличенным сроком службы и расширенной гарантией до трёх лет. Такой подход позволяет компании удовлетворить потребности самых разных клиентов — от тех, кто ищет экономичные решения, до владельцев техники, нуждающихся в усиленных и максимально надёжных компонентах.
Компания MetalPart активно внедряет передовые цифровые технологии. Она использует системы виртуального моделирования, электронного проектирования и контроля качества, включая штрих-коды GS1, что обеспечивает полную прослеживаемость продукции. В будущем компания планирует развивать аддитивные технологии, автоматизировать производственные процессы и расширять ассортимент товаров. Все эти меры направлены на повышение конкурентоспособности и гибкую адаптацию к изменяющимся рыночным условиям. MetalPart не только производит автокомпоненты, но и уделяет большое внимание поддержке своих партнёров. Она проводит обучение, предоставляет консультации и оперативно решает технические проблемы. Компания регулярно участвует в профильных выставках, выпускает информационные каталоги и обучающие материалы, что способствует укреплению связей и доверия с клиентами.
За более чем тридцатилетнюю историю компания MetalPart прошла путь от небольшого конструкторского бюро до современного производителя, сочетающего опыт и инновации. Сегодня бренд остается верным своим традициям, предлагая надежные решения для российских автомобилей, которые способны выдерживать даже самые суровые условия эксплуатации.
Ассортимент:
- Детали двигателя
- Элементы топливной системы
- Детали системы охлаждения
- Сцепления
- Детали КПП и РК
- Карданные валы
- Мосты и комплектующие
- Детали подвески
- Ступицы
- Элементы рулевого управления
- комплектующие тормозной системы
- Провода высоковольтные
- Стартеры
- Стеклоочистители и привода
- Вентиляция и отопление
- Сальники
- Комплекты ремонтные и установочные
На складах : 16 шт.
История бренда MetalPart началась в 1987 году, когда в России было создано небольшое конструкторское бюро, занимавшееся разработкой деталей и узлов для крупных машиностроительных предприятий. В те времена страна переживала бурный индустриальный подъём, и инженеры компании ставили перед собой задачу создавать надёжные компоненты для автомобилестроения и оборонной промышленности. В сложных экономических условиях 1990-х годов компания смогла адаптироваться к новым реалиям. Она наладила сотрудничество с предприятиями как в странах СНГ, так и за их пределами. При этом компания строго контролировала качество на всех этапах производства — от закупки сырья до выпуска готовой продукции.
В 2014 году компания достигла важного этапа в своём развитии: автокомпонентное направление было выделено в отдельное подразделение под брендом MetalPart. Это решение позволило сосредоточить усилия на производстве высококачественных, доступных и долговечных запчастей, которые могли бы конкурировать с зарубежными аналогами и способствовать поддержке российского автопрома. Компания использует передовые технологии и материалы, что позволяет выпускать детали с повышенной прочностью, износостойкостью и длительным сроком службы.
Сегодня MetalPart — это передовое российское предприятие с полным циклом производства, выпускающее свыше тысячи наименований автокомпонентов для автомобилей УАЗ и ГАЗ. Продукция охватывает все ключевые системы — двигатель, трансмиссию, подвеску и топливную систему. Компания осуществляет поставки не только по всей России, но и в страны Таможенного и Евразийского экономического союзов, включая Беларусь и Казахстан. Благодаря сертификации по международным стандартам ISO 9001 и ISO/TS 16949, продукция соответствует всем требованиям автомобильной промышленности и отличается высоким качеством исполнения. В ассортименте компании MetalPart представлено две серии деталей: стандартные детали, которые полностью соответствуют заводским параметрам и имеют гарантию от одного до двух лет и MetalPart PRO — детали с улучшенными характеристиками, созданные с использованием передовых материалов и дополнительных методов обработки. Они отличаются увеличенным сроком службы и расширенной гарантией до трёх лет. Такой подход позволяет компании удовлетворить потребности самых разных клиентов — от тех, кто ищет экономичные решения, до владельцев техники, нуждающихся в усиленных и максимально надёжных компонентах.
Компания MetalPart активно внедряет передовые цифровые технологии. Она использует системы виртуального моделирования, электронного проектирования и контроля качества, включая штрих-коды GS1, что обеспечивает полную прослеживаемость продукции. В будущем компания планирует развивать аддитивные технологии, автоматизировать производственные процессы и расширять ассортимент товаров. Все эти меры направлены на повышение конкурентоспособности и гибкую адаптацию к изменяющимся рыночным условиям. MetalPart не только производит автокомпоненты, но и уделяет большое внимание поддержке своих партнёров. Она проводит обучение, предоставляет консультации и оперативно решает технические проблемы. Компания регулярно участвует в профильных выставках, выпускает информационные каталоги и обучающие материалы, что способствует укреплению связей и доверия с клиентами.
За более чем тридцатилетнюю историю компания MetalPart прошла путь от небольшого конструкторского бюро до современного производителя, сочетающего опыт и инновации. Сегодня бренд остается верным своим традициям, предлагая надежные решения для российских автомобилей, которые способны выдерживать даже самые суровые условия эксплуатации.
Ассортимент:
- Детали двигателя
- Элементы топливной системы
- Детали системы охлаждения
- Сцепления
- Детали КПП и РК
- Карданные валы
- Мосты и комплектующие
- Детали подвески
- Ступицы
- Элементы рулевого управления
- комплектующие тормозной системы
- Провода высоковольтные
- Стартеры
- Стеклоочистители и привода
- Вентиляция и отопление
- Сальники
- Комплекты ремонтные и установочные
История бренда MetalPart началась в 1987 году, когда в России было создано небольшое конструкторское бюро, занимавшееся разработкой деталей и узлов для крупных машиностроительных предприятий. В те времена страна переживала бурный индустриальный подъём, и инженеры компании ставили перед собой задачу создавать надёжные компоненты для автомобилестроения и оборонной промышленности. В сложных экономических условиях 1990-х годов компания смогла адаптироваться к новым реалиям. Она наладила сотрудничество с предприятиями как в странах СНГ, так и за их пределами. При этом компания строго контролировала качество на всех этапах производства — от закупки сырья до выпуска готовой продукции.
В 2014 году компания достигла важного этапа в своём развитии: автокомпонентное направление было выделено в отдельное подразделение под брендом MetalPart. Это решение позволило сосредоточить усилия на производстве высококачественных, доступных и долговечных запчастей, которые могли бы конкурировать с зарубежными аналогами и способствовать поддержке российского автопрома. Компания использует передовые технологии и материалы, что позволяет выпускать детали с повышенной прочностью, износостойкостью и длительным сроком службы.
Сегодня MetalPart — это передовое российское предприятие с полным циклом производства, выпускающее свыше тысячи наименований автокомпонентов для автомобилей УАЗ и ГАЗ. Продукция охватывает все ключевые системы — двигатель, трансмиссию, подвеску и топливную систему. Компания осуществляет поставки не только по всей России, но и в страны Таможенного и Евразийского экономического союзов, включая Беларусь и Казахстан. Благодаря сертификации по международным стандартам ISO 9001 и ISO/TS 16949, продукция соответствует всем требованиям автомобильной промышленности и отличается высоким качеством исполнения. В ассортименте компании MetalPart представлено две серии деталей: стандартные детали, которые полностью соответствуют заводским параметрам и имеют гарантию от одного до двух лет и MetalPart PRO — детали с улучшенными характеристиками, созданные с использованием передовых материалов и дополнительных методов обработки. Они отличаются увеличенным сроком службы и расширенной гарантией до трёх лет. Такой подход позволяет компании удовлетворить потребности самых разных клиентов — от тех, кто ищет экономичные решения, до владельцев техники, нуждающихся в усиленных и максимально надёжных компонентах.
Компания MetalPart активно внедряет передовые цифровые технологии. Она использует системы виртуального моделирования, электронного проектирования и контроля качества, включая штрих-коды GS1, что обеспечивает полную прослеживаемость продукции. В будущем компания планирует развивать аддитивные технологии, автоматизировать производственные процессы и расширять ассортимент товаров. Все эти меры направлены на повышение конкурентоспособности и гибкую адаптацию к изменяющимся рыночным условиям. MetalPart не только производит автокомпоненты, но и уделяет большое внимание поддержке своих партнёров. Она проводит обучение, предоставляет консультации и оперативно решает технические проблемы. Компания регулярно участвует в профильных выставках, выпускает информационные каталоги и обучающие материалы, что способствует укреплению связей и доверия с клиентами.
За более чем тридцатилетнюю историю компания MetalPart прошла путь от небольшого конструкторского бюро до современного производителя, сочетающего опыт и инновации. Сегодня бренд остается верным своим традициям, предлагая надежные решения для российских автомобилей, которые способны выдерживать даже самые суровые условия эксплуатации.
Ассортимент:
- Детали двигателя
- Элементы топливной системы
- Детали системы охлаждения
- Сцепления
- Детали КПП и РК
- Карданные валы
- Мосты и комплектующие
- Детали подвески
- Ступицы
- Элементы рулевого управления
- комплектующие тормозной системы
- Провода высоковольтные
- Стартеры
- Стеклоочистители и привода
- Вентиляция и отопление
- Сальники
- Комплекты ремонтные и установочные
На складах : 5 шт.
История бренда MetalPart началась в 1987 году, когда в России было создано небольшое конструкторское бюро, занимавшееся разработкой деталей и узлов для крупных машиностроительных предприятий. В те времена страна переживала бурный индустриальный подъём, и инженеры компании ставили перед собой задачу создавать надёжные компоненты для автомобилестроения и оборонной промышленности. В сложных экономических условиях 1990-х годов компания смогла адаптироваться к новым реалиям. Она наладила сотрудничество с предприятиями как в странах СНГ, так и за их пределами. При этом компания строго контролировала качество на всех этапах производства — от закупки сырья до выпуска готовой продукции.
В 2014 году компания достигла важного этапа в своём развитии: автокомпонентное направление было выделено в отдельное подразделение под брендом MetalPart. Это решение позволило сосредоточить усилия на производстве высококачественных, доступных и долговечных запчастей, которые могли бы конкурировать с зарубежными аналогами и способствовать поддержке российского автопрома. Компания использует передовые технологии и материалы, что позволяет выпускать детали с повышенной прочностью, износостойкостью и длительным сроком службы.
Сегодня MetalPart — это передовое российское предприятие с полным циклом производства, выпускающее свыше тысячи наименований автокомпонентов для автомобилей УАЗ и ГАЗ. Продукция охватывает все ключевые системы — двигатель, трансмиссию, подвеску и топливную систему. Компания осуществляет поставки не только по всей России, но и в страны Таможенного и Евразийского экономического союзов, включая Беларусь и Казахстан. Благодаря сертификации по международным стандартам ISO 9001 и ISO/TS 16949, продукция соответствует всем требованиям автомобильной промышленности и отличается высоким качеством исполнения. В ассортименте компании MetalPart представлено две серии деталей: стандартные детали, которые полностью соответствуют заводским параметрам и имеют гарантию от одного до двух лет и MetalPart PRO — детали с улучшенными характеристиками, созданные с использованием передовых материалов и дополнительных методов обработки. Они отличаются увеличенным сроком службы и расширенной гарантией до трёх лет. Такой подход позволяет компании удовлетворить потребности самых разных клиентов — от тех, кто ищет экономичные решения, до владельцев техники, нуждающихся в усиленных и максимально надёжных компонентах.
Компания MetalPart активно внедряет передовые цифровые технологии. Она использует системы виртуального моделирования, электронного проектирования и контроля качества, включая штрих-коды GS1, что обеспечивает полную прослеживаемость продукции. В будущем компания планирует развивать аддитивные технологии, автоматизировать производственные процессы и расширять ассортимент товаров. Все эти меры направлены на повышение конкурентоспособности и гибкую адаптацию к изменяющимся рыночным условиям. MetalPart не только производит автокомпоненты, но и уделяет большое внимание поддержке своих партнёров. Она проводит обучение, предоставляет консультации и оперативно решает технические проблемы. Компания регулярно участвует в профильных выставках, выпускает информационные каталоги и обучающие материалы, что способствует укреплению связей и доверия с клиентами.
За более чем тридцатилетнюю историю компания MetalPart прошла путь от небольшого конструкторского бюро до современного производителя, сочетающего опыт и инновации. Сегодня бренд остается верным своим традициям, предлагая надежные решения для российских автомобилей, которые способны выдерживать даже самые суровые условия эксплуатации.
Ассортимент:
- Детали двигателя
- Элементы топливной системы
- Детали системы охлаждения
- Сцепления
- Детали КПП и РК
- Карданные валы
- Мосты и комплектующие
- Детали подвески
- Ступицы
- Элементы рулевого управления
- комплектующие тормозной системы
- Провода высоковольтные
- Стартеры
- Стеклоочистители и привода
- Вентиляция и отопление
- Сальники
- Комплекты ремонтные и установочные
История бренда MetalPart началась в 1987 году, когда в России было создано небольшое конструкторское бюро, занимавшееся разработкой деталей и узлов для крупных машиностроительных предприятий. В те времена страна переживала бурный индустриальный подъём, и инженеры компании ставили перед собой задачу создавать надёжные компоненты для автомобилестроения и оборонной промышленности. В сложных экономических условиях 1990-х годов компания смогла адаптироваться к новым реалиям. Она наладила сотрудничество с предприятиями как в странах СНГ, так и за их пределами. При этом компания строго контролировала качество на всех этапах производства — от закупки сырья до выпуска готовой продукции.
В 2014 году компания достигла важного этапа в своём развитии: автокомпонентное направление было выделено в отдельное подразделение под брендом MetalPart. Это решение позволило сосредоточить усилия на производстве высококачественных, доступных и долговечных запчастей, которые могли бы конкурировать с зарубежными аналогами и способствовать поддержке российского автопрома. Компания использует передовые технологии и материалы, что позволяет выпускать детали с повышенной прочностью, износостойкостью и длительным сроком службы.
Сегодня MetalPart — это передовое российское предприятие с полным циклом производства, выпускающее свыше тысячи наименований автокомпонентов для автомобилей УАЗ и ГАЗ. Продукция охватывает все ключевые системы — двигатель, трансмиссию, подвеску и топливную систему. Компания осуществляет поставки не только по всей России, но и в страны Таможенного и Евразийского экономического союзов, включая Беларусь и Казахстан. Благодаря сертификации по международным стандартам ISO 9001 и ISO/TS 16949, продукция соответствует всем требованиям автомобильной промышленности и отличается высоким качеством исполнения. В ассортименте компании MetalPart представлено две серии деталей: стандартные детали, которые полностью соответствуют заводским параметрам и имеют гарантию от одного до двух лет и MetalPart PRO — детали с улучшенными характеристиками, созданные с использованием передовых материалов и дополнительных методов обработки. Они отличаются увеличенным сроком службы и расширенной гарантией до трёх лет. Такой подход позволяет компании удовлетворить потребности самых разных клиентов — от тех, кто ищет экономичные решения, до владельцев техники, нуждающихся в усиленных и максимально надёжных компонентах.
Компания MetalPart активно внедряет передовые цифровые технологии. Она использует системы виртуального моделирования, электронного проектирования и контроля качества, включая штрих-коды GS1, что обеспечивает полную прослеживаемость продукции. В будущем компания планирует развивать аддитивные технологии, автоматизировать производственные процессы и расширять ассортимент товаров. Все эти меры направлены на повышение конкурентоспособности и гибкую адаптацию к изменяющимся рыночным условиям. MetalPart не только производит автокомпоненты, но и уделяет большое внимание поддержке своих партнёров. Она проводит обучение, предоставляет консультации и оперативно решает технические проблемы. Компания регулярно участвует в профильных выставках, выпускает информационные каталоги и обучающие материалы, что способствует укреплению связей и доверия с клиентами.
За более чем тридцатилетнюю историю компания MetalPart прошла путь от небольшого конструкторского бюро до современного производителя, сочетающего опыт и инновации. Сегодня бренд остается верным своим традициям, предлагая надежные решения для российских автомобилей, которые способны выдерживать даже самые суровые условия эксплуатации.
Ассортимент:
- Детали двигателя
- Элементы топливной системы
- Детали системы охлаждения
- Сцепления
- Детали КПП и РК
- Карданные валы
- Мосты и комплектующие
- Детали подвески
- Ступицы
- Элементы рулевого управления
- комплектующие тормозной системы
- Провода высоковольтные
- Стартеры
- Стеклоочистители и привода
- Вентиляция и отопление
- Сальники
- Комплекты ремонтные и установочные
На складах : 8 шт.
История бренда MetalPart началась в 1987 году, когда в России было создано небольшое конструкторское бюро, занимавшееся разработкой деталей и узлов для крупных машиностроительных предприятий. В те времена страна переживала бурный индустриальный подъём, и инженеры компании ставили перед собой задачу создавать надёжные компоненты для автомобилестроения и оборонной промышленности. В сложных экономических условиях 1990-х годов компания смогла адаптироваться к новым реалиям. Она наладила сотрудничество с предприятиями как в странах СНГ, так и за их пределами. При этом компания строго контролировала качество на всех этапах производства — от закупки сырья до выпуска готовой продукции.
В 2014 году компания достигла важного этапа в своём развитии: автокомпонентное направление было выделено в отдельное подразделение под брендом MetalPart. Это решение позволило сосредоточить усилия на производстве высококачественных, доступных и долговечных запчастей, которые могли бы конкурировать с зарубежными аналогами и способствовать поддержке российского автопрома. Компания использует передовые технологии и материалы, что позволяет выпускать детали с повышенной прочностью, износостойкостью и длительным сроком службы.
Сегодня MetalPart — это передовое российское предприятие с полным циклом производства, выпускающее свыше тысячи наименований автокомпонентов для автомобилей УАЗ и ГАЗ. Продукция охватывает все ключевые системы — двигатель, трансмиссию, подвеску и топливную систему. Компания осуществляет поставки не только по всей России, но и в страны Таможенного и Евразийского экономического союзов, включая Беларусь и Казахстан. Благодаря сертификации по международным стандартам ISO 9001 и ISO/TS 16949, продукция соответствует всем требованиям автомобильной промышленности и отличается высоким качеством исполнения. В ассортименте компании MetalPart представлено две серии деталей: стандартные детали, которые полностью соответствуют заводским параметрам и имеют гарантию от одного до двух лет и MetalPart PRO — детали с улучшенными характеристиками, созданные с использованием передовых материалов и дополнительных методов обработки. Они отличаются увеличенным сроком службы и расширенной гарантией до трёх лет. Такой подход позволяет компании удовлетворить потребности самых разных клиентов — от тех, кто ищет экономичные решения, до владельцев техники, нуждающихся в усиленных и максимально надёжных компонентах.
Компания MetalPart активно внедряет передовые цифровые технологии. Она использует системы виртуального моделирования, электронного проектирования и контроля качества, включая штрих-коды GS1, что обеспечивает полную прослеживаемость продукции. В будущем компания планирует развивать аддитивные технологии, автоматизировать производственные процессы и расширять ассортимент товаров. Все эти меры направлены на повышение конкурентоспособности и гибкую адаптацию к изменяющимся рыночным условиям. MetalPart не только производит автокомпоненты, но и уделяет большое внимание поддержке своих партнёров. Она проводит обучение, предоставляет консультации и оперативно решает технические проблемы. Компания регулярно участвует в профильных выставках, выпускает информационные каталоги и обучающие материалы, что способствует укреплению связей и доверия с клиентами.
За более чем тридцатилетнюю историю компания MetalPart прошла путь от небольшого конструкторского бюро до современного производителя, сочетающего опыт и инновации. Сегодня бренд остается верным своим традициям, предлагая надежные решения для российских автомобилей, которые способны выдерживать даже самые суровые условия эксплуатации.
Ассортимент:
- Детали двигателя
- Элементы топливной системы
- Детали системы охлаждения
- Сцепления
- Детали КПП и РК
- Карданные валы
- Мосты и комплектующие
- Детали подвески
- Ступицы
- Элементы рулевого управления
- комплектующие тормозной системы
- Провода высоковольтные
- Стартеры
- Стеклоочистители и привода
- Вентиляция и отопление
- Сальники
- Комплекты ремонтные и установочные
История бренда MetalPart началась в 1987 году, когда в России было создано небольшое конструкторское бюро, занимавшееся разработкой деталей и узлов для крупных машиностроительных предприятий. В те времена страна переживала бурный индустриальный подъём, и инженеры компании ставили перед собой задачу создавать надёжные компоненты для автомобилестроения и оборонной промышленности. В сложных экономических условиях 1990-х годов компания смогла адаптироваться к новым реалиям. Она наладила сотрудничество с предприятиями как в странах СНГ, так и за их пределами. При этом компания строго контролировала качество на всех этапах производства — от закупки сырья до выпуска готовой продукции.
В 2014 году компания достигла важного этапа в своём развитии: автокомпонентное направление было выделено в отдельное подразделение под брендом MetalPart. Это решение позволило сосредоточить усилия на производстве высококачественных, доступных и долговечных запчастей, которые могли бы конкурировать с зарубежными аналогами и способствовать поддержке российского автопрома. Компания использует передовые технологии и материалы, что позволяет выпускать детали с повышенной прочностью, износостойкостью и длительным сроком службы.
Сегодня MetalPart — это передовое российское предприятие с полным циклом производства, выпускающее свыше тысячи наименований автокомпонентов для автомобилей УАЗ и ГАЗ. Продукция охватывает все ключевые системы — двигатель, трансмиссию, подвеску и топливную систему. Компания осуществляет поставки не только по всей России, но и в страны Таможенного и Евразийского экономического союзов, включая Беларусь и Казахстан. Благодаря сертификации по международным стандартам ISO 9001 и ISO/TS 16949, продукция соответствует всем требованиям автомобильной промышленности и отличается высоким качеством исполнения. В ассортименте компании MetalPart представлено две серии деталей: стандартные детали, которые полностью соответствуют заводским параметрам и имеют гарантию от одного до двух лет и MetalPart PRO — детали с улучшенными характеристиками, созданные с использованием передовых материалов и дополнительных методов обработки. Они отличаются увеличенным сроком службы и расширенной гарантией до трёх лет. Такой подход позволяет компании удовлетворить потребности самых разных клиентов — от тех, кто ищет экономичные решения, до владельцев техники, нуждающихся в усиленных и максимально надёжных компонентах.
Компания MetalPart активно внедряет передовые цифровые технологии. Она использует системы виртуального моделирования, электронного проектирования и контроля качества, включая штрих-коды GS1, что обеспечивает полную прослеживаемость продукции. В будущем компания планирует развивать аддитивные технологии, автоматизировать производственные процессы и расширять ассортимент товаров. Все эти меры направлены на повышение конкурентоспособности и гибкую адаптацию к изменяющимся рыночным условиям. MetalPart не только производит автокомпоненты, но и уделяет большое внимание поддержке своих партнёров. Она проводит обучение, предоставляет консультации и оперативно решает технические проблемы. Компания регулярно участвует в профильных выставках, выпускает информационные каталоги и обучающие материалы, что способствует укреплению связей и доверия с клиентами.
За более чем тридцатилетнюю историю компания MetalPart прошла путь от небольшого конструкторского бюро до современного производителя, сочетающего опыт и инновации. Сегодня бренд остается верным своим традициям, предлагая надежные решения для российских автомобилей, которые способны выдерживать даже самые суровые условия эксплуатации.
Ассортимент:
- Детали двигателя
- Элементы топливной системы
- Детали системы охлаждения
- Сцепления
- Детали КПП и РК
- Карданные валы
- Мосты и комплектующие
- Детали подвески
- Ступицы
- Элементы рулевого управления
- комплектующие тормозной системы
- Провода высоковольтные
- Стартеры
- Стеклоочистители и привода
- Вентиляция и отопление
- Сальники
- Комплекты ремонтные и установочные
На складах : 6 шт.
История бренда MetalPart началась в 1987 году, когда в России было создано небольшое конструкторское бюро, занимавшееся разработкой деталей и узлов для крупных машиностроительных предприятий. В те времена страна переживала бурный индустриальный подъём, и инженеры компании ставили перед собой задачу создавать надёжные компоненты для автомобилестроения и оборонной промышленности. В сложных экономических условиях 1990-х годов компания смогла адаптироваться к новым реалиям. Она наладила сотрудничество с предприятиями как в странах СНГ, так и за их пределами. При этом компания строго контролировала качество на всех этапах производства — от закупки сырья до выпуска готовой продукции.
В 2014 году компания достигла важного этапа в своём развитии: автокомпонентное направление было выделено в отдельное подразделение под брендом MetalPart. Это решение позволило сосредоточить усилия на производстве высококачественных, доступных и долговечных запчастей, которые могли бы конкурировать с зарубежными аналогами и способствовать поддержке российского автопрома. Компания использует передовые технологии и материалы, что позволяет выпускать детали с повышенной прочностью, износостойкостью и длительным сроком службы.
Сегодня MetalPart — это передовое российское предприятие с полным циклом производства, выпускающее свыше тысячи наименований автокомпонентов для автомобилей УАЗ и ГАЗ. Продукция охватывает все ключевые системы — двигатель, трансмиссию, подвеску и топливную систему. Компания осуществляет поставки не только по всей России, но и в страны Таможенного и Евразийского экономического союзов, включая Беларусь и Казахстан. Благодаря сертификации по международным стандартам ISO 9001 и ISO/TS 16949, продукция соответствует всем требованиям автомобильной промышленности и отличается высоким качеством исполнения. В ассортименте компании MetalPart представлено две серии деталей: стандартные детали, которые полностью соответствуют заводским параметрам и имеют гарантию от одного до двух лет и MetalPart PRO — детали с улучшенными характеристиками, созданные с использованием передовых материалов и дополнительных методов обработки. Они отличаются увеличенным сроком службы и расширенной гарантией до трёх лет. Такой подход позволяет компании удовлетворить потребности самых разных клиентов — от тех, кто ищет экономичные решения, до владельцев техники, нуждающихся в усиленных и максимально надёжных компонентах.
Компания MetalPart активно внедряет передовые цифровые технологии. Она использует системы виртуального моделирования, электронного проектирования и контроля качества, включая штрих-коды GS1, что обеспечивает полную прослеживаемость продукции. В будущем компания планирует развивать аддитивные технологии, автоматизировать производственные процессы и расширять ассортимент товаров. Все эти меры направлены на повышение конкурентоспособности и гибкую адаптацию к изменяющимся рыночным условиям. MetalPart не только производит автокомпоненты, но и уделяет большое внимание поддержке своих партнёров. Она проводит обучение, предоставляет консультации и оперативно решает технические проблемы. Компания регулярно участвует в профильных выставках, выпускает информационные каталоги и обучающие материалы, что способствует укреплению связей и доверия с клиентами.
За более чем тридцатилетнюю историю компания MetalPart прошла путь от небольшого конструкторского бюро до современного производителя, сочетающего опыт и инновации. Сегодня бренд остается верным своим традициям, предлагая надежные решения для российских автомобилей, которые способны выдерживать даже самые суровые условия эксплуатации.
Ассортимент:
- Детали двигателя
- Элементы топливной системы
- Детали системы охлаждения
- Сцепления
- Детали КПП и РК
- Карданные валы
- Мосты и комплектующие
- Детали подвески
- Ступицы
- Элементы рулевого управления
- комплектующие тормозной системы
- Провода высоковольтные
- Стартеры
- Стеклоочистители и привода
- Вентиляция и отопление
- Сальники
- Комплекты ремонтные и установочные
"Завод Красная Этна" уже более 110 лет производит крепёжные изделия и пружины для автомобильной промышленности. История завода начинается с 24 декабря 1898 года, когда по положению Комитета Министров Николай Второй разрешает Виктору Михайловичу Гольденбергу и германскому подданному Петру Ивановичу Мартини учредить "Акционерное Общество Рижского металлического завода "Этна". С 1904 года по 1915 год на Рижском металлическом заводе работали цеха: гвоздильный, горячепрокатный, цепочный, травильный, отжигательный, волочильный. Продукция завода была востребована в России, Прибалтике и за рубежом. В годы первой мировой войны завод был эвакуирован из Риги в Нижний Новгород. С этого момента для завода начинается новая история. Во время войны "Завод Красная Этна" обеспечивал своей продукцией фронт. На заводе начался выпуск минных цепей, гвоздей к солдатским сапогам, колючей проволоки, пряжек к ружьям и карабинов, а также другой продукции для нужд фронта и населения России. С 1916 года по 1918 год происходит национализация завода и смена учредителей. Завод стал именоваться, как Акционерное общество Нижегородского металлического завода "Новая Этна". С приходом советской власти на заводе сменилось название на "Красная Этна" и были запущены: электростанция, прокатный цех, цех тонкого волочения и болтозаклепочный цех. В 1925 в структуру завода вливается предприятие с парком металлорежущего оборудования. В этом же году, на базе влившегося предприятия, создаются инструментальный и механический цеха, а также лесопильно-ящичный цех. В начале 30х, организовано строительство Горьковского автомобильного завода, который оказал большое влияние на развитие и деятельность предприятия. "Красная Этна" переходит на выпуск изделий высокого класса точности и включается в обслуживание автомобильной промышленности страны. К началу Великой Отечественной войны, реконструированный завод представлял собой крупное предприятие автомобильной промышленности, которое специализировалось на выпуске: специальной проволоки, пружин, шайб, холоднокатаной ленты и автонормалей. Во время Второй Мировой войны завод бесперебойно снабжал фронт боеприпасами. С 1941 года по 1943 год на заводе работало 996 человек. В послевоенное время завод стал активно развиваться. В дальнейшем на заводе были реконструированы цеха и освоено новое производство, создано собственное станкостроение и автоматические линии, выстроен инженерный корпус и здание очистных сооружений. Организовано производство проката и пружин, а также стержневого крепежа. Создан важнейший отдел обеспечения качеством. На сегодняшний день ОАО "Завод Красная Этна" представляет собой современное, динамично-развивающееся предприятие, специализирующееся на производстве крепежных изделий для автомобильной промышленности. Продукция завода поставляется на крупнейшие предприятия России, стран СНГ и дальнего зарубежья. Продукция предприятия соответствует международным системам качества ИСО 9001-2000 и ISO/TS 16949:2002. Продукция завода прошла проверку аудиторами TUV CERT (Германия) и национальной системой ГОСТ Р. Номенклатура предприятия насчитывает более 2,5 тысячи видов крепёжных изделий, в том числе соответствующих стандарту DIN. Компания "АвтоАльянс" предлагает оригинальную продукцию производства ОАО "Завод Красная Этна". В ассортименте представлен широкий перечень продукции завода: винты различных конструкций, пружины, стремянки, шайбы, гайки, шпильки, заклепки, штуцеры, оси, пробки и пластины, а также всевозможный крепёж к различным автомобилям.
На складах : 2504 шт.
"Завод Красная Этна" уже более 110 лет производит крепёжные изделия и пружины для автомобильной промышленности. История завода начинается с 24 декабря 1898 года, когда по положению Комитета Министров Николай Второй разрешает Виктору Михайловичу Гольденбергу и германскому подданному Петру Ивановичу Мартини учредить "Акционерное Общество Рижского металлического завода "Этна". С 1904 года по 1915 год на Рижском металлическом заводе работали цеха: гвоздильный, горячепрокатный, цепочный, травильный, отжигательный, волочильный. Продукция завода была востребована в России, Прибалтике и за рубежом. В годы первой мировой войны завод был эвакуирован из Риги в Нижний Новгород. С этого момента для завода начинается новая история. Во время войны "Завод Красная Этна" обеспечивал своей продукцией фронт. На заводе начался выпуск минных цепей, гвоздей к солдатским сапогам, колючей проволоки, пряжек к ружьям и карабинов, а также другой продукции для нужд фронта и населения России. С 1916 года по 1918 год происходит национализация завода и смена учредителей. Завод стал именоваться, как Акционерное общество Нижегородского металлического завода "Новая Этна". С приходом советской власти на заводе сменилось название на "Красная Этна" и были запущены: электростанция, прокатный цех, цех тонкого волочения и болтозаклепочный цех. В 1925 в структуру завода вливается предприятие с парком металлорежущего оборудования. В этом же году, на базе влившегося предприятия, создаются инструментальный и механический цеха, а также лесопильно-ящичный цех. В начале 30х, организовано строительство Горьковского автомобильного завода, который оказал большое влияние на развитие и деятельность предприятия. "Красная Этна" переходит на выпуск изделий высокого класса точности и включается в обслуживание автомобильной промышленности страны. К началу Великой Отечественной войны, реконструированный завод представлял собой крупное предприятие автомобильной промышленности, которое специализировалось на выпуске: специальной проволоки, пружин, шайб, холоднокатаной ленты и автонормалей. Во время Второй Мировой войны завод бесперебойно снабжал фронт боеприпасами. С 1941 года по 1943 год на заводе работало 996 человек. В послевоенное время завод стал активно развиваться. В дальнейшем на заводе были реконструированы цеха и освоено новое производство, создано собственное станкостроение и автоматические линии, выстроен инженерный корпус и здание очистных сооружений. Организовано производство проката и пружин, а также стержневого крепежа. Создан важнейший отдел обеспечения качеством. На сегодняшний день ОАО "Завод Красная Этна" представляет собой современное, динамично-развивающееся предприятие, специализирующееся на производстве крепежных изделий для автомобильной промышленности. Продукция завода поставляется на крупнейшие предприятия России, стран СНГ и дальнего зарубежья. Продукция предприятия соответствует международным системам качества ИСО 9001-2000 и ISO/TS 16949:2002. Продукция завода прошла проверку аудиторами TUV CERT (Германия) и национальной системой ГОСТ Р. Номенклатура предприятия насчитывает более 2,5 тысячи видов крепёжных изделий, в том числе соответствующих стандарту DIN. Компания "АвтоАльянс" предлагает оригинальную продукцию производства ОАО "Завод Красная Этна". В ассортименте представлен широкий перечень продукции завода: винты различных конструкций, пружины, стремянки, шайбы, гайки, шпильки, заклепки, штуцеры, оси, пробки и пластины, а также всевозможный крепёж к различным автомобилям.
История бренда MetalPart началась в 1987 году, когда в России было создано небольшое конструкторское бюро, занимавшееся разработкой деталей и узлов для крупных машиностроительных предприятий. В те времена страна переживала бурный индустриальный подъём, и инженеры компании ставили перед собой задачу создавать надёжные компоненты для автомобилестроения и оборонной промышленности. В сложных экономических условиях 1990-х годов компания смогла адаптироваться к новым реалиям. Она наладила сотрудничество с предприятиями как в странах СНГ, так и за их пределами. При этом компания строго контролировала качество на всех этапах производства — от закупки сырья до выпуска готовой продукции.
В 2014 году компания достигла важного этапа в своём развитии: автокомпонентное направление было выделено в отдельное подразделение под брендом MetalPart. Это решение позволило сосредоточить усилия на производстве высококачественных, доступных и долговечных запчастей, которые могли бы конкурировать с зарубежными аналогами и способствовать поддержке российского автопрома. Компания использует передовые технологии и материалы, что позволяет выпускать детали с повышенной прочностью, износостойкостью и длительным сроком службы.
Сегодня MetalPart — это передовое российское предприятие с полным циклом производства, выпускающее свыше тысячи наименований автокомпонентов для автомобилей УАЗ и ГАЗ. Продукция охватывает все ключевые системы — двигатель, трансмиссию, подвеску и топливную систему. Компания осуществляет поставки не только по всей России, но и в страны Таможенного и Евразийского экономического союзов, включая Беларусь и Казахстан. Благодаря сертификации по международным стандартам ISO 9001 и ISO/TS 16949, продукция соответствует всем требованиям автомобильной промышленности и отличается высоким качеством исполнения. В ассортименте компании MetalPart представлено две серии деталей: стандартные детали, которые полностью соответствуют заводским параметрам и имеют гарантию от одного до двух лет и MetalPart PRO — детали с улучшенными характеристиками, созданные с использованием передовых материалов и дополнительных методов обработки. Они отличаются увеличенным сроком службы и расширенной гарантией до трёх лет. Такой подход позволяет компании удовлетворить потребности самых разных клиентов — от тех, кто ищет экономичные решения, до владельцев техники, нуждающихся в усиленных и максимально надёжных компонентах.
Компания MetalPart активно внедряет передовые цифровые технологии. Она использует системы виртуального моделирования, электронного проектирования и контроля качества, включая штрих-коды GS1, что обеспечивает полную прослеживаемость продукции. В будущем компания планирует развивать аддитивные технологии, автоматизировать производственные процессы и расширять ассортимент товаров. Все эти меры направлены на повышение конкурентоспособности и гибкую адаптацию к изменяющимся рыночным условиям. MetalPart не только производит автокомпоненты, но и уделяет большое внимание поддержке своих партнёров. Она проводит обучение, предоставляет консультации и оперативно решает технические проблемы. Компания регулярно участвует в профильных выставках, выпускает информационные каталоги и обучающие материалы, что способствует укреплению связей и доверия с клиентами.
За более чем тридцатилетнюю историю компания MetalPart прошла путь от небольшого конструкторского бюро до современного производителя, сочетающего опыт и инновации. Сегодня бренд остается верным своим традициям, предлагая надежные решения для российских автомобилей, которые способны выдерживать даже самые суровые условия эксплуатации.
Ассортимент:
- Детали двигателя
- Элементы топливной системы
- Детали системы охлаждения
- Сцепления
- Детали КПП и РК
- Карданные валы
- Мосты и комплектующие
- Детали подвески
- Ступицы
- Элементы рулевого управления
- комплектующие тормозной системы
- Провода высоковольтные
- Стартеры
- Стеклоочистители и привода
- Вентиляция и отопление
- Сальники
- Комплекты ремонтные и установочные
На складах : 5 шт.
История бренда MetalPart началась в 1987 году, когда в России было создано небольшое конструкторское бюро, занимавшееся разработкой деталей и узлов для крупных машиностроительных предприятий. В те времена страна переживала бурный индустриальный подъём, и инженеры компании ставили перед собой задачу создавать надёжные компоненты для автомобилестроения и оборонной промышленности. В сложных экономических условиях 1990-х годов компания смогла адаптироваться к новым реалиям. Она наладила сотрудничество с предприятиями как в странах СНГ, так и за их пределами. При этом компания строго контролировала качество на всех этапах производства — от закупки сырья до выпуска готовой продукции.
В 2014 году компания достигла важного этапа в своём развитии: автокомпонентное направление было выделено в отдельное подразделение под брендом MetalPart. Это решение позволило сосредоточить усилия на производстве высококачественных, доступных и долговечных запчастей, которые могли бы конкурировать с зарубежными аналогами и способствовать поддержке российского автопрома. Компания использует передовые технологии и материалы, что позволяет выпускать детали с повышенной прочностью, износостойкостью и длительным сроком службы.
Сегодня MetalPart — это передовое российское предприятие с полным циклом производства, выпускающее свыше тысячи наименований автокомпонентов для автомобилей УАЗ и ГАЗ. Продукция охватывает все ключевые системы — двигатель, трансмиссию, подвеску и топливную систему. Компания осуществляет поставки не только по всей России, но и в страны Таможенного и Евразийского экономического союзов, включая Беларусь и Казахстан. Благодаря сертификации по международным стандартам ISO 9001 и ISO/TS 16949, продукция соответствует всем требованиям автомобильной промышленности и отличается высоким качеством исполнения. В ассортименте компании MetalPart представлено две серии деталей: стандартные детали, которые полностью соответствуют заводским параметрам и имеют гарантию от одного до двух лет и MetalPart PRO — детали с улучшенными характеристиками, созданные с использованием передовых материалов и дополнительных методов обработки. Они отличаются увеличенным сроком службы и расширенной гарантией до трёх лет. Такой подход позволяет компании удовлетворить потребности самых разных клиентов — от тех, кто ищет экономичные решения, до владельцев техники, нуждающихся в усиленных и максимально надёжных компонентах.
Компания MetalPart активно внедряет передовые цифровые технологии. Она использует системы виртуального моделирования, электронного проектирования и контроля качества, включая штрих-коды GS1, что обеспечивает полную прослеживаемость продукции. В будущем компания планирует развивать аддитивные технологии, автоматизировать производственные процессы и расширять ассортимент товаров. Все эти меры направлены на повышение конкурентоспособности и гибкую адаптацию к изменяющимся рыночным условиям. MetalPart не только производит автокомпоненты, но и уделяет большое внимание поддержке своих партнёров. Она проводит обучение, предоставляет консультации и оперативно решает технические проблемы. Компания регулярно участвует в профильных выставках, выпускает информационные каталоги и обучающие материалы, что способствует укреплению связей и доверия с клиентами.
За более чем тридцатилетнюю историю компания MetalPart прошла путь от небольшого конструкторского бюро до современного производителя, сочетающего опыт и инновации. Сегодня бренд остается верным своим традициям, предлагая надежные решения для российских автомобилей, которые способны выдерживать даже самые суровые условия эксплуатации.
Ассортимент:
- Детали двигателя
- Элементы топливной системы
- Детали системы охлаждения
- Сцепления
- Детали КПП и РК
- Карданные валы
- Мосты и комплектующие
- Детали подвески
- Ступицы
- Элементы рулевого управления
- комплектующие тормозной системы
- Провода высоковольтные
- Стартеры
- Стеклоочистители и привода
- Вентиляция и отопление
- Сальники
- Комплекты ремонтные и установочные