8 800 700-05-95 Все контакты

C 9:00 до 20:00. Звонок по РФ бесплатный

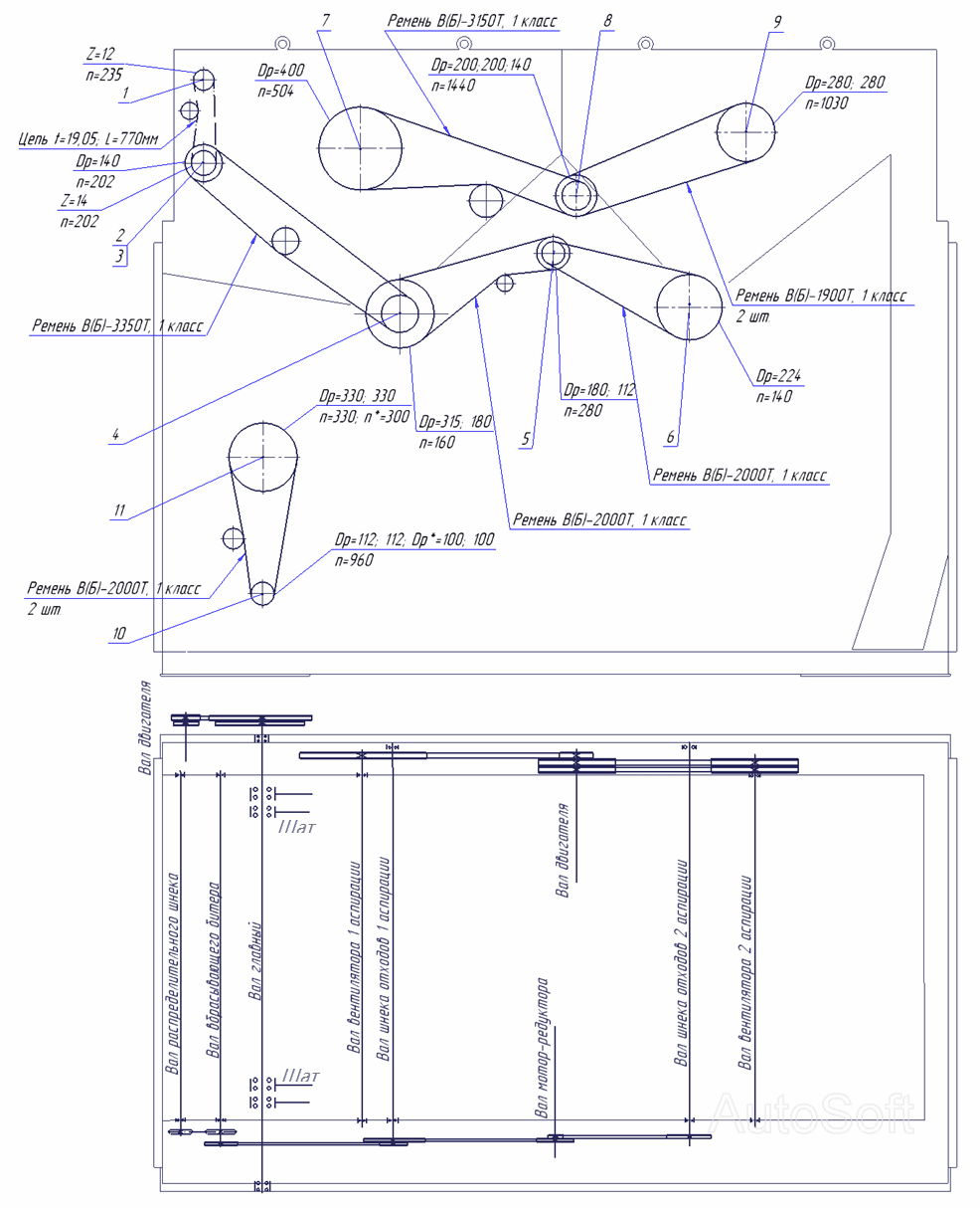
Схема кинематическая принципиальная СВУ-60. Каталог 2006г.

ВниманиеЭлектронный автокаталог запчастей предназначен для справочных целей! Наша компания продает только те товары, у которых есть цены в списке.

Вид отображения:

Детали справа
1
2
3
4
5
6
7
8
9
10
10
11
1

Номер детали на чертеже: 

1

Звездочка

Заводской номер: СММ00.601 Количество на модель: 1
СММ00.601
1
2

Номер детали на чертеже: 

2

Звездочка

Заводской номер: СВУ60.02.612 Количество на модель: 1
СВУ60.02.612
1
3

Номер детали на чертеже: 

3

Шкив

Заводской номер: СВУ60.02.102 Количество на модель: 1
СВУ60.02.102
1
4

Номер детали на чертеже: 

4

Шкив

Заводской номер: СВУ60.02.103 Количество на модель: 1
СВУ60.02.103
1
5

Номер детали на чертеже: 

5

Шкив

Заводской номер: СВУ60.00.101-01 Количество на модель: 1
СВУ60.00.101-01
1
6

Номер детали на чертеже: 

6

Шкив

Заводской номер: СВУ60.03.107А Количество на модель: 1
СВУ60.03.107А
1
7

Номер детали на чертеже: 

7

Шкив

Заводской номер: СВУ60.02.101 Количество на модель: 1
СВУ60.02.101
1
8

Номер детали на чертеже: 

8

Шкив

Заводской номер: СВУ60.00.105 Количество на модель: 1
СВУ60.00.105
1
9

Номер детали на чертеже: 

9

Шкив

Заводской номер: СВУ60.03.106 Количество на модель: 1
СВУ60.03.106
1
10

Номер детали на чертеже: 

10

Шкив

Заводской номер: СВУ60.00.102 Количество на модель: 1
СВУ60.00.102
1
10

Номер детали на чертеже: 

10

Шкив 2-х ручьевой Dрасч. 112, сеч В(Б) Dрасч. 112, сеч В(Б), d вала в мм=28

Заводской номер: СВУ60.00.102-01 Количество на модель: 1
СВУ60.00.102-01
1
11

Номер детали на чертеже: 

11

Шкив

Заводской номер: СВУ60.05.104А Количество на модель: 1
СВУ60.05.104А
1