8 800 700-05-95 Все контакты

C 9:00 до 20:00. Звонок по РФ бесплатный

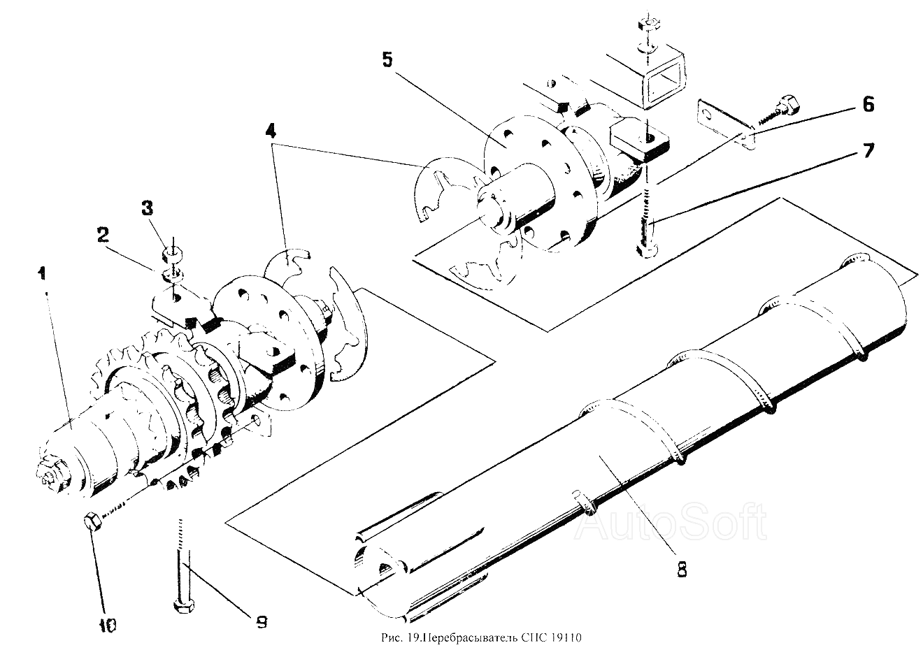
Перебрасыватель СПС19110 СПС-4,2А. Каталог 2005г.

ВниманиеЭлектронный автокаталог запчастей предназначен для справочных целей! Наша компания продает только те товары, у которых есть цены в списке.

Вид отображения:

Детали справа

Номер детали на чертеже: 

Перебрасыватель

Заводской номер: СПС19110 Количество на модель: 1
СПС19110
1
1

Номер детали на чертеже: 

1

Привод

Заводской номер: СПС19230 Количество на модель: 1
СПС19230
1
2

Номер детали на чертеже: 

2

Шайба 12.65Г.05 ГОСТ6402-70

Заводской номер: [Шайба 12.65Г.05 ГОСТ6402-70] Количество на модель: 4
[Шайба 12.65Г.05 ГОСТ6402-70]
4
3

Номер детали на чертеже: 

3

Гайка МГ2-6Н.6.019 ГОСТ5915-70

Заводской номер: [Гайка МГ2-6Н.6.019 ГОСТ5915-70] Количество на модель: 4
[Гайка МГ2-6Н.6.019 ГОСТ5915-70]
4
4

Номер детали на чертеже: 

4

Прокладка регулировочная

Заводской номер: СПС19401 Количество на модель: 4
СПС19401
4
5

Номер детали на чертеже: 

5

Опора

Заводской номер: СПС16210 Количество на модель: 1
СПС16210
1
6

Номер детали на чертеже: 

6

Шайба концевая

Заводской номер: СПС08409 Количество на модель: 6
СПС08409
6
7

Номер детали на чертеже: 

7

Болт М12-6gх70.68.019 ГОСТ7796-70

Заводской номер: [Болт М12-6gх70.68.019 ГОСТ7796-70] Количество на модель: 2
[Болт М12-6gх70.68.019 ГОСТ7796-70]
2
8

Номер детали на чертеже: 

8

Перебрасыватель

Заводской номер: СПС19170 Количество на модель: 1
СПС19170
1
9

Номер детали на чертеже: 

9

Болт М12-6gх90.68.019 ГОСТ7796-70

Заводской номер: [Болт М12-6gх90.68.019 ГОСТ7796-70] Количество на модель: 2
[Болт М12-6gх90.68.019 ГОСТ7796-70]
2
10

Номер детали на чертеже: 

10

Болт М12-6gх30.58.019 ГОСТ7796-70

Заводской номер: [Болт М12-6gх30.58.019 ГОСТ7796-70] Количество на модель: 12
[Болт М12-6gх30.58.019 ГОСТ7796-70]
12