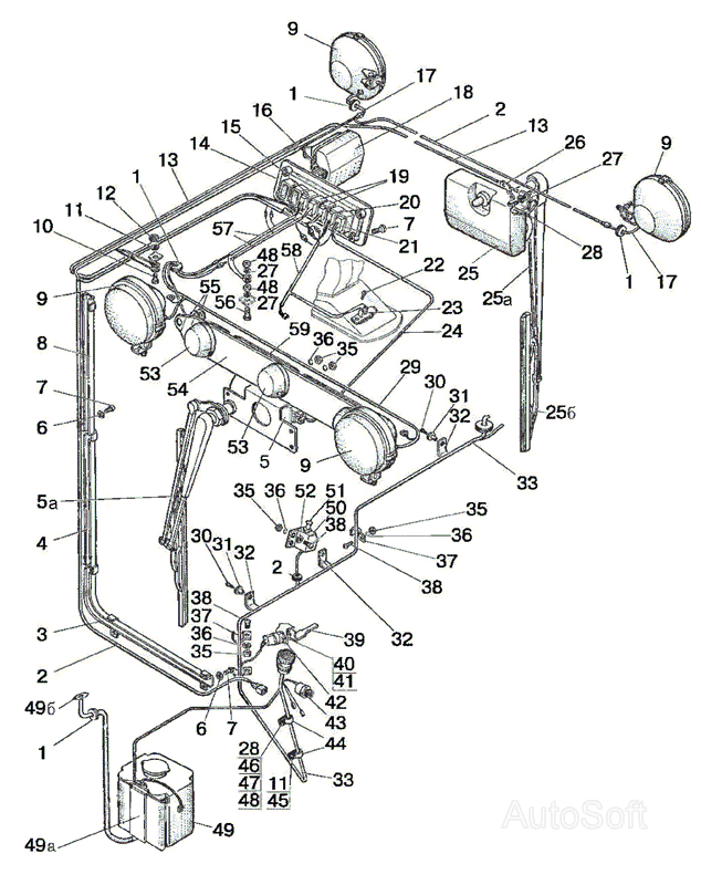
Электрооборудование по кабине МТЗ-900/920/950/952. Каталог 2009г.
История предприятия началась 16 мая 1974 года, когда Министерством авиационной промышленности СССР был подписан приказ N87 «О создании строящегося «Борисовского приборостроительного завода». Новый завод должен был освоить производство авиационных приборов в самые сжатые сроки. 7 января 1976 года Министерством авиационной промышленности подписан приказ «О вводе в число действующих БПЗ». Сейчас Научно-Производственное Республиканское Унитарное Предприятие «Экран» производит товары следующих направлений: -изделия автотракторной тематики (антиблокировочные системы торможения, датчики, стеклоомыватели, выключатели «массы», прерыватели электронные указателей поворотов, сигнализаторы аварийные и др.), -товары народного потребления (электроутюги, электродрели, электромиксеры, электрофены, электромясорубки, электротостеры, тепловентиляторы и др.).
На складах : 134 шт.
История предприятия началась 16 мая 1974 года, когда Министерством авиационной промышленности СССР был подписан приказ N87 «О создании строящегося «Борисовского приборостроительного завода». Новый завод должен был освоить производство авиационных приборов в самые сжатые сроки. 7 января 1976 года Министерством авиационной промышленности подписан приказ «О вводе в число действующих БПЗ». Сейчас Научно-Производственное Республиканское Унитарное Предприятие «Экран» производит товары следующих направлений: -изделия автотракторной тематики (антиблокировочные системы торможения, датчики, стеклоомыватели, выключатели «массы», прерыватели электронные указателей поворотов, сигнализаторы аварийные и др.), -товары народного потребления (электроутюги, электродрели, электромиксеры, электрофены, электромясорубки, электротостеры, тепловентиляторы и др.).
ООО "РЕЛЕЙНАЯ КОМПАНИЯ" была создана в городе Набережные Челны в 2001 году. Рождение компании в автограде и определило пути ее развития. Была сделана ставка на производство качественного электрооборудования для ОАО "КамАЗ" и ОАО "ЗМА", находящихся на территории города. В серийное производство были запущены различные виды реле для автомобилей "КамАЗ" и "ОКА". В дальнейшем, с развитием предприятия, стала выпускаться электроника и для других видов автомашин. На сегодняшний день продукция компании поставляется как на сборочные производства, так и на вторичный рынок автокомпонентов. Продукция используются на конвейерах "ИЖМАШ-АВТО", ОАО "ЗМА", ОАО "СеАЗ". Вся продукция ООО "РЕЛЕЙНАЯ КОМПАНИЯ" сертифицирована и прошла испытания в лаборатории НТЦ ОАО "КамАЗ".
На складах : 61 шт.
ООО "РЕЛЕЙНАЯ КОМПАНИЯ" была создана в городе Набережные Челны в 2001 году. Рождение компании в автограде и определило пути ее развития. Была сделана ставка на производство качественного электрооборудования для ОАО "КамАЗ" и ОАО "ЗМА", находящихся на территории города. В серийное производство были запущены различные виды реле для автомобилей "КамАЗ" и "ОКА". В дальнейшем, с развитием предприятия, стала выпускаться электроника и для других видов автомашин. На сегодняшний день продукция компании поставляется как на сборочные производства, так и на вторичный рынок автокомпонентов. Продукция используются на конвейерах "ИЖМАШ-АВТО", ОАО "ЗМА", ОАО "СеАЗ". Вся продукция ООО "РЕЛЕЙНАЯ КОМПАНИЯ" сертифицирована и прошла испытания в лаборатории НТЦ ОАО "КамАЗ".
AVTOELECTRICA (АвтоЭлектрика) - это лидирующая российская компания, которая уже более 30 лет специализируется на производстве и поставке высококачественных запчастей для электрооборудования автомобилей. Они предлагают широкий ассортимент продукции, в каталоге бренда более 15000 наименований доступных товаров.
Одним из ключевых преимуществ продукции AVTOELECTRICA является ее износостойкость и долговечность. Компания совместила в себе продвинутые технологии производства, квалифицированную команду специалистов, которые регулярно улучшают свои навыки, а также уделяют особое внимание сырью из которого производятся детали. Все автозапчасти АвтоЭлектрика проходят тестирование на соответствие стандартам качества, что гарантирует безупречную работу автомобильного электрооборудования.
AVTOELECTRICA предлагает своим клиентам широкий выбор электрических компонентов для автомобилей различных марок и моделей. Они имеют масштабный ассортимент генераторов и стартеров, а также аккумуляторов, которые обеспечивают надежную и долговечную работу электрооборудования автомобилей.
Бренд АвтоЭлектрика также обладает широкой сетью дистрибьюторов, что обеспечивает легкий доступ к их продуктам для потребителей. Благодаря этому, автолюбители и профессиональные автомеханики могут легко найти и приобрести нужную им автозапчасть, которая отличается высокой эффективностью и надежностью.
AVTOELECTRICA предоставляет гарантию до 3 лет на свой каталог, что дает потребителям уверенность в качестве приобретаемых автозапчастей. Благодаря этому, автовладельцы могут не беспокоиться о проблемах с электрооборудованием своих транспортных средств.
Ассортимент AVTOELECTRICA:
- Датчики, приборы, указатели
- Оборудование для коммунальной и сельхозтехники
- Рулевое управление
- Система охлаждения и отопления
- Стартеры и комплектующие
- Трансмиссия
- Генераторы и комплектующие
- Двигатель
- Гидравлика
- Кузов
- РТИ
- Светотехника
- Система питания
- Система зажигания
- Система смазки
- Стеклоочистители и омыватели
- Ходовая часть
- Тормозная система
- Электрооборудование
На складах : 90 шт.
AVTOELECTRICA (АвтоЭлектрика) - это лидирующая российская компания, которая уже более 30 лет специализируется на производстве и поставке высококачественных запчастей для электрооборудования автомобилей. Они предлагают широкий ассортимент продукции, в каталоге бренда более 15000 наименований доступных товаров.
Одним из ключевых преимуществ продукции AVTOELECTRICA является ее износостойкость и долговечность. Компания совместила в себе продвинутые технологии производства, квалифицированную команду специалистов, которые регулярно улучшают свои навыки, а также уделяют особое внимание сырью из которого производятся детали. Все автозапчасти АвтоЭлектрика проходят тестирование на соответствие стандартам качества, что гарантирует безупречную работу автомобильного электрооборудования.
AVTOELECTRICA предлагает своим клиентам широкий выбор электрических компонентов для автомобилей различных марок и моделей. Они имеют масштабный ассортимент генераторов и стартеров, а также аккумуляторов, которые обеспечивают надежную и долговечную работу электрооборудования автомобилей.
Бренд АвтоЭлектрика также обладает широкой сетью дистрибьюторов, что обеспечивает легкий доступ к их продуктам для потребителей. Благодаря этому, автолюбители и профессиональные автомеханики могут легко найти и приобрести нужную им автозапчасть, которая отличается высокой эффективностью и надежностью.
AVTOELECTRICA предоставляет гарантию до 3 лет на свой каталог, что дает потребителям уверенность в качестве приобретаемых автозапчастей. Благодаря этому, автовладельцы могут не беспокоиться о проблемах с электрооборудованием своих транспортных средств.
Ассортимент AVTOELECTRICA:
- Датчики, приборы, указатели
- Оборудование для коммунальной и сельхозтехники
- Рулевое управление
- Система охлаждения и отопления
- Стартеры и комплектующие
- Трансмиссия
- Генераторы и комплектующие
- Двигатель
- Гидравлика
- Кузов
- РТИ
- Светотехника
- Система питания
- Система зажигания
- Система смазки
- Стеклоочистители и омыватели
- Ходовая часть
- Тормозная система
- Электрооборудование
Пензенский завод «Электромехизмерение» — яркий пример успешного превращения небольшого коллектива молодых инженеров, начинавшего работу в 1991 году, в одного из ведущих отечественных производителей высокотехнологичных компонентов для автомобильной промышленности. Создателями предприятия стали квалифицированные сотрудники Научно-исследовательского института физических измерений, чей первый проект — выпуск электронных весов для системы «Витязь», участвовавшей в ликвидации аварии на Чернобыльской АЭС, стал основой для дальнейшего направления работы компании. Именно с этого началась специализация завода на разработке и выпуске автомобильных датчиков и реле.
Первые годы предприятие занималось сборкой компонентов, изготовленных на других заводах региона. Однако уже в начале двухтысячных «Электромехизмерение» организовало собственное полное производство — от металлообработки и штамповки до создания печатных плат и пружин. Такой подход позволил не только расширить номенклатуру продукции, но и сократить издержки, обеспечив конкурентоспособность на российском рынке.
На данный момент ассортимент завода включает свыше 290 видов изделий: от датчиков давления масла и воздуха до различных регуляторов напряжения и автомобильных реле. Их применяют при производстве грузовых автомобилей и автобусов таких известных брендов, как КАМАЗ, ГАЗ, ЯМЗ, УАЗ, ПАЗ, ЗИЛ и других, а также на транспорте китайского производства. Продукция пользуется спросом более чем в 800 компаниях в России и странах СНГ, что подтверждает ее высокое качество и надежность.
Качество и развитие инноваций всегда находились в центре внимания предприятия. Компанией внедрены международные стандарты менеджмента ISO 9001 и IATF 16949, гарантирующие соответствие продукции строгим требованиям автопромышленности. Многие изделия имеют патентную защиту и не имеют аналогов на рынке, что является показателем высокого уровня технологической базы и профессионализма инженеров.
Каждый год предприятие выводит в серию от 5 до 10 новых моделей, оперативно реагируя на изменяющиеся потребности рынка. Наличие собственной испытательной базы и инструментального цеха позволяет контролировать качество продукции на всех этапах создания, обеспечивая надежность и долговечность готовых решений.
«Электромехизмерение» давно переросло формат обычного завода — это надежный партнер для крупнейших отечественных автопроизводителей и сервисных компаний, вносящий весомый вклад в развитие автомобильной отрасли страны. Его продукция способствует повышению безопасности и эффективности коммерческого транспорта, что особенно важно в условиях современных требований к логистике и эксплуатации техники.
Перспективы развития завода связаны с дальнейшим внедрением передовых технологий и укреплением позиций на рынке. История предприятия наглядно демонстрирует, как сочетание научного потенциала, производственного опыта и постоянного стремления к улучшению может создать устойчивую и успешную компанию, достойную внимания и уважения.
Ассортимент:
- Блок управления
- Выключатель
- Выключатель заднего хода
- Выключатель концевой
- Выключатель стоп сигнала
- Датчик аварийного давления воздуха
- Датчик бачка расширительного
- Датчик давления масла
- Датчик положения коленвала
- Датчик скорости
- Датчик скорости
- Датчик температуры
- Датчик уровня масла
- Датчик частоты вращения
Пензенский завод «Электромехизмерение» — яркий пример успешного превращения небольшого коллектива молодых инженеров, начинавшего работу в 1991 году, в одного из ведущих отечественных производителей высокотехнологичных компонентов для автомобильной промышленности. Создателями предприятия стали квалифицированные сотрудники Научно-исследовательского института физических измерений, чей первый проект — выпуск электронных весов для системы «Витязь», участвовавшей в ликвидации аварии на Чернобыльской АЭС, стал основой для дальнейшего направления работы компании. Именно с этого началась специализация завода на разработке и выпуске автомобильных датчиков и реле.
Первые годы предприятие занималось сборкой компонентов, изготовленных на других заводах региона. Однако уже в начале двухтысячных «Электромехизмерение» организовало собственное полное производство — от металлообработки и штамповки до создания печатных плат и пружин. Такой подход позволил не только расширить номенклатуру продукции, но и сократить издержки, обеспечив конкурентоспособность на российском рынке.
На данный момент ассортимент завода включает свыше 290 видов изделий: от датчиков давления масла и воздуха до различных регуляторов напряжения и автомобильных реле. Их применяют при производстве грузовых автомобилей и автобусов таких известных брендов, как КАМАЗ, ГАЗ, ЯМЗ, УАЗ, ПАЗ, ЗИЛ и других, а также на транспорте китайского производства. Продукция пользуется спросом более чем в 800 компаниях в России и странах СНГ, что подтверждает ее высокое качество и надежность.
Качество и развитие инноваций всегда находились в центре внимания предприятия. Компанией внедрены международные стандарты менеджмента ISO 9001 и IATF 16949, гарантирующие соответствие продукции строгим требованиям автопромышленности. Многие изделия имеют патентную защиту и не имеют аналогов на рынке, что является показателем высокого уровня технологической базы и профессионализма инженеров.
Каждый год предприятие выводит в серию от 5 до 10 новых моделей, оперативно реагируя на изменяющиеся потребности рынка. Наличие собственной испытательной базы и инструментального цеха позволяет контролировать качество продукции на всех этапах создания, обеспечивая надежность и долговечность готовых решений.
«Электромехизмерение» давно переросло формат обычного завода — это надежный партнер для крупнейших отечественных автопроизводителей и сервисных компаний, вносящий весомый вклад в развитие автомобильной отрасли страны. Его продукция способствует повышению безопасности и эффективности коммерческого транспорта, что особенно важно в условиях современных требований к логистике и эксплуатации техники.
Перспективы развития завода связаны с дальнейшим внедрением передовых технологий и укреплением позиций на рынке. История предприятия наглядно демонстрирует, как сочетание научного потенциала, производственного опыта и постоянного стремления к улучшению может создать устойчивую и успешную компанию, достойную внимания и уважения.
Ассортимент:
- Блок управления
- Выключатель
- Выключатель заднего хода
- Выключатель концевой
- Выключатель стоп сигнала
- Датчик аварийного давления воздуха
- Датчик бачка расширительного
- Датчик давления масла
- Датчик положения коленвала
- Датчик скорости
- Датчик скорости
- Датчик температуры
- Датчик уровня масла
- Датчик частоты вращения
На складах : 473 шт.
КЗАЭ — это старейшее и значимое предприятие российского автопрома, история которого началась 4 марта 1941 года в Калуге. Зародившись в один из самых сложных периодов для страны, завод стремительно освоил производство и стал ключевым звеном в обеспечении советской автомобильной промышленности электрооборудованием и комплектующими. Сегодня КЗАЭ является символом устойчивого развития российского автопрома, с богатой историей и амбициозными планами на будущее.
В годы войны, несмотря на эвакуацию и непростые условия, КЗАЭ продолжал выпускать жизненно важные изделия для обороны и гражданского транспорта. После войны завод стал одним из основных поставщиков комплектующих для автомобильных конвейеров СССР, обеспечивая стабильное развитие отрасли и технический прогресс. Продукция КЗАЭ была востребована на ведущих автозаводах страны, включая грузовые автомобили КамАЗ, Урал, ГАЗ и другие отечественные марки.
Пережив годы Великой Отечественной войны, распад СССР и дожив до 2005 года, завод начал масштабную реконструкцию. Он модернизировал производство и внедрил современные технологии. Сегодня КЗАЭ выпускает более 150 видов автомобильного электрооборудования: электродвигатели, вентиляторы, датчики, моторедукторы и другие комплектующие, которые находят широкое применение как на конвейерах, так и на вторичном рынке запчастей.
Особое внимание на предприятии уделяется корпоративной культуре, основанной на ценностях командной работы, ответственности, инноваций и постоянного совершенствования. Внедрение бережливого производства и методов Lean Six Sigma позволило значительно повысить эффективность и качество продукции, что укрепляет позиции завода на рынке.
КЗАЭ активно стремится к расширению экспортных возможностей, успешно пройдя сертификацию по международным стандартам ISO 9001 и ISO 16949. Это открывает перед заводом двери на зарубежные рынки, включая страны СНГ.
В планах на 2030 год — дальнейшая цифровизация и роботизация производства, локализация микроэлектроники и увеличение производительности. Реализация этих задач позволит КЗАЭ стать одним из лидеров отрасли и внести значительный вклад в процесс импортозамещения. Сегодня КЗАЭ — это не просто завод, а символ устойчивого развития российского автопрома. Это предприятие с богатой историей и амбициозными планами на будущее, которое продолжает производить надежные и качественные автокомпоненты для отечественных грузовых и легковых автомобилей.
В АвтоАльянс вы можете приобрести широкий выбор деталей КЗАЭ. Мы предлагаем надёжные и качественные автокомпоненты для российских грузовиков и автомобилей, которые можно приобрести в любом регионе, от Москвы до Владивостока. На нашем сайте вы найдёте продукцию более чем 550 брендов и более 400 тысяч наименований автозапчастей для коммерческого транспорта и не только.
Ассортимент:
- Выключатель концевой малогабаритный
- Трапеция стеклоочистителя
- Мотор-редуктор стеклоочистителя
- Стеклоподъемник
КЗАЭ — это старейшее и значимое предприятие российского автопрома, история которого началась 4 марта 1941 года в Калуге. Зародившись в один из самых сложных периодов для страны, завод стремительно освоил производство и стал ключевым звеном в обеспечении советской автомобильной промышленности электрооборудованием и комплектующими. Сегодня КЗАЭ является символом устойчивого развития российского автопрома, с богатой историей и амбициозными планами на будущее.
В годы войны, несмотря на эвакуацию и непростые условия, КЗАЭ продолжал выпускать жизненно важные изделия для обороны и гражданского транспорта. После войны завод стал одним из основных поставщиков комплектующих для автомобильных конвейеров СССР, обеспечивая стабильное развитие отрасли и технический прогресс. Продукция КЗАЭ была востребована на ведущих автозаводах страны, включая грузовые автомобили КамАЗ, Урал, ГАЗ и другие отечественные марки.
Пережив годы Великой Отечественной войны, распад СССР и дожив до 2005 года, завод начал масштабную реконструкцию. Он модернизировал производство и внедрил современные технологии. Сегодня КЗАЭ выпускает более 150 видов автомобильного электрооборудования: электродвигатели, вентиляторы, датчики, моторедукторы и другие комплектующие, которые находят широкое применение как на конвейерах, так и на вторичном рынке запчастей.
Особое внимание на предприятии уделяется корпоративной культуре, основанной на ценностях командной работы, ответственности, инноваций и постоянного совершенствования. Внедрение бережливого производства и методов Lean Six Sigma позволило значительно повысить эффективность и качество продукции, что укрепляет позиции завода на рынке.
КЗАЭ активно стремится к расширению экспортных возможностей, успешно пройдя сертификацию по международным стандартам ISO 9001 и ISO 16949. Это открывает перед заводом двери на зарубежные рынки, включая страны СНГ.
В планах на 2030 год — дальнейшая цифровизация и роботизация производства, локализация микроэлектроники и увеличение производительности. Реализация этих задач позволит КЗАЭ стать одним из лидеров отрасли и внести значительный вклад в процесс импортозамещения. Сегодня КЗАЭ — это не просто завод, а символ устойчивого развития российского автопрома. Это предприятие с богатой историей и амбициозными планами на будущее, которое продолжает производить надежные и качественные автокомпоненты для отечественных грузовых и легковых автомобилей.
В АвтоАльянс вы можете приобрести широкий выбор деталей КЗАЭ. Мы предлагаем надёжные и качественные автокомпоненты для российских грузовиков и автомобилей, которые можно приобрести в любом регионе, от Москвы до Владивостока. На нашем сайте вы найдёте продукцию более чем 550 брендов и более 400 тысяч наименований автозапчастей для коммерческого транспорта и не только.
Ассортимент:
- Выключатель концевой малогабаритный
- Трапеция стеклоочистителя
- Мотор-редуктор стеклоочистителя
- Стеклоподъемник
Компания "АвтоАльянс" предлагает на российском рынке продукцию ООО "Руслан-Комплект". Предприятие существует более десяти лет и имеет хороший опыт работы с различными резинотехническими изделиями. ООО "Руслан-Комплект" производит ремкомплекты РТИ для большого перечня сельскохозяйственной и спец. техники. А также для разных автомобилей. ООО "Руслан-Комплект" работает исключительно с высококачественной продукцией. Динамичное развитие предприятия и применение современных технологий привлекает к нему всё новых и новых потребителей. В их числе и Содружество компаний "АвтоАльянс". Собственное производство уплотнителей на основе графитонаполненного полиамида и полиуретана позволяет выпускать продукцию с лучшими показателями по долговечности и износостойкости. Изделия рассчитаны на сильные нагрузки и способны работать при давлении в диапазоне от 20 до 50 мПа. Предприятие оборудовано инструментальным, штамповочным и сборочным цехами, а также цехом термопластов, технологическими и конструкторскими службами. В момент начала работ в 1999 году численность сотрудников предприятия составляла всего 4 человека. А сегодня, благодаря грамотной стратегии, ООО "Руслан-Комплект" стал одним из ведущих производителей ремонтных комплектов РТИ. В ассортиментной линейке присутствуют и пластмассовые изделия (втулки, ролики, защитные кольца), которые производятся на собственных линиях. При изготовлении используются высококачественные первичные материалы. Качество контролируются в контрольных лабораториях. В арсенале компании есть достаточно ресурсов для комплексного производства широкого перечня запчастей и резинотехнических изделий.
На складах : 72 шт.
Компания "АвтоАльянс" предлагает на российском рынке продукцию ООО "Руслан-Комплект". Предприятие существует более десяти лет и имеет хороший опыт работы с различными резинотехническими изделиями. ООО "Руслан-Комплект" производит ремкомплекты РТИ для большого перечня сельскохозяйственной и спец. техники. А также для разных автомобилей. ООО "Руслан-Комплект" работает исключительно с высококачественной продукцией. Динамичное развитие предприятия и применение современных технологий привлекает к нему всё новых и новых потребителей. В их числе и Содружество компаний "АвтоАльянс". Собственное производство уплотнителей на основе графитонаполненного полиамида и полиуретана позволяет выпускать продукцию с лучшими показателями по долговечности и износостойкости. Изделия рассчитаны на сильные нагрузки и способны работать при давлении в диапазоне от 20 до 50 мПа. Предприятие оборудовано инструментальным, штамповочным и сборочным цехами, а также цехом термопластов, технологическими и конструкторскими службами. В момент начала работ в 1999 году численность сотрудников предприятия составляла всего 4 человека. А сегодня, благодаря грамотной стратегии, ООО "Руслан-Комплект" стал одним из ведущих производителей ремонтных комплектов РТИ. В ассортиментной линейке присутствуют и пластмассовые изделия (втулки, ролики, защитные кольца), которые производятся на собственных линиях. При изготовлении используются высококачественные первичные материалы. Качество контролируются в контрольных лабораториях. В арсенале компании есть достаточно ресурсов для комплексного производства широкого перечня запчастей и резинотехнических изделий.
На складах : 41 шт.
Компания "АвтоАльянс" предлагает на российском рынке продукцию ООО "Руслан-Комплект". Предприятие существует более десяти лет и имеет хороший опыт работы с различными резинотехническими изделиями. ООО "Руслан-Комплект" производит ремкомплекты РТИ для большого перечня сельскохозяйственной и спец. техники. А также для разных автомобилей. ООО "Руслан-Комплект" работает исключительно с высококачественной продукцией. Динамичное развитие предприятия и применение современных технологий привлекает к нему всё новых и новых потребителей. В их числе и Содружество компаний "АвтоАльянс". Собственное производство уплотнителей на основе графитонаполненного полиамида и полиуретана позволяет выпускать продукцию с лучшими показателями по долговечности и износостойкости. Изделия рассчитаны на сильные нагрузки и способны работать при давлении в диапазоне от 20 до 50 мПа. Предприятие оборудовано инструментальным, штамповочным и сборочным цехами, а также цехом термопластов, технологическими и конструкторскими службами. В момент начала работ в 1999 году численность сотрудников предприятия составляла всего 4 человека. А сегодня, благодаря грамотной стратегии, ООО "Руслан-Комплект" стал одним из ведущих производителей ремонтных комплектов РТИ. В ассортиментной линейке присутствуют и пластмассовые изделия (втулки, ролики, защитные кольца), которые производятся на собственных линиях. При изготовлении используются высококачественные первичные материалы. Качество контролируются в контрольных лабораториях. В арсенале компании есть достаточно ресурсов для комплексного производства широкого перечня запчастей и резинотехнических изделий.
На складах : 59 шт.
Компания "АвтоАльянс" предлагает на российском рынке продукцию ООО "Руслан-Комплект". Предприятие существует более десяти лет и имеет хороший опыт работы с различными резинотехническими изделиями. ООО "Руслан-Комплект" производит ремкомплекты РТИ для большого перечня сельскохозяйственной и спец. техники. А также для разных автомобилей. ООО "Руслан-Комплект" работает исключительно с высококачественной продукцией. Динамичное развитие предприятия и применение современных технологий привлекает к нему всё новых и новых потребителей. В их числе и Содружество компаний "АвтоАльянс". Собственное производство уплотнителей на основе графитонаполненного полиамида и полиуретана позволяет выпускать продукцию с лучшими показателями по долговечности и износостойкости. Изделия рассчитаны на сильные нагрузки и способны работать при давлении в диапазоне от 20 до 50 мПа. Предприятие оборудовано инструментальным, штамповочным и сборочным цехами, а также цехом термопластов, технологическими и конструкторскими службами. В момент начала работ в 1999 году численность сотрудников предприятия составляла всего 4 человека. А сегодня, благодаря грамотной стратегии, ООО "Руслан-Комплект" стал одним из ведущих производителей ремонтных комплектов РТИ. В ассортиментной линейке присутствуют и пластмассовые изделия (втулки, ролики, защитные кольца), которые производятся на собственных линиях. При изготовлении используются высококачественные первичные материалы. Качество контролируются в контрольных лабораториях. В арсенале компании есть достаточно ресурсов для комплексного производства широкого перечня запчастей и резинотехнических изделий.
На складах : 86 шт.
AVTOELECTRICA (АвтоЭлектрика) - это лидирующая российская компания, которая уже более 30 лет специализируется на производстве и поставке высококачественных запчастей для электрооборудования автомобилей. Они предлагают широкий ассортимент продукции, в каталоге бренда более 15000 наименований доступных товаров.
Одним из ключевых преимуществ продукции AVTOELECTRICA является ее износостойкость и долговечность. Компания совместила в себе продвинутые технологии производства, квалифицированную команду специалистов, которые регулярно улучшают свои навыки, а также уделяют особое внимание сырью из которого производятся детали. Все автозапчасти АвтоЭлектрика проходят тестирование на соответствие стандартам качества, что гарантирует безупречную работу автомобильного электрооборудования.
AVTOELECTRICA предлагает своим клиентам широкий выбор электрических компонентов для автомобилей различных марок и моделей. Они имеют масштабный ассортимент генераторов и стартеров, а также аккумуляторов, которые обеспечивают надежную и долговечную работу электрооборудования автомобилей.
Бренд АвтоЭлектрика также обладает широкой сетью дистрибьюторов, что обеспечивает легкий доступ к их продуктам для потребителей. Благодаря этому, автолюбители и профессиональные автомеханики могут легко найти и приобрести нужную им автозапчасть, которая отличается высокой эффективностью и надежностью.
AVTOELECTRICA предоставляет гарантию до 3 лет на свой каталог, что дает потребителям уверенность в качестве приобретаемых автозапчастей. Благодаря этому, автовладельцы могут не беспокоиться о проблемах с электрооборудованием своих транспортных средств.
Ассортимент AVTOELECTRICA:
- Датчики, приборы, указатели
- Оборудование для коммунальной и сельхозтехники
- Рулевое управление
- Система охлаждения и отопления
- Стартеры и комплектующие
- Трансмиссия
- Генераторы и комплектующие
- Двигатель
- Гидравлика
- Кузов
- РТИ
- Светотехника
- Система питания
- Система зажигания
- Система смазки
- Стеклоочистители и омыватели
- Ходовая часть
- Тормозная система
- Электрооборудование
На складах : 106 шт.
AVTOELECTRICA (АвтоЭлектрика) - это лидирующая российская компания, которая уже более 30 лет специализируется на производстве и поставке высококачественных запчастей для электрооборудования автомобилей. Они предлагают широкий ассортимент продукции, в каталоге бренда более 15000 наименований доступных товаров.
Одним из ключевых преимуществ продукции AVTOELECTRICA является ее износостойкость и долговечность. Компания совместила в себе продвинутые технологии производства, квалифицированную команду специалистов, которые регулярно улучшают свои навыки, а также уделяют особое внимание сырью из которого производятся детали. Все автозапчасти АвтоЭлектрика проходят тестирование на соответствие стандартам качества, что гарантирует безупречную работу автомобильного электрооборудования.
AVTOELECTRICA предлагает своим клиентам широкий выбор электрических компонентов для автомобилей различных марок и моделей. Они имеют масштабный ассортимент генераторов и стартеров, а также аккумуляторов, которые обеспечивают надежную и долговечную работу электрооборудования автомобилей.
Бренд АвтоЭлектрика также обладает широкой сетью дистрибьюторов, что обеспечивает легкий доступ к их продуктам для потребителей. Благодаря этому, автолюбители и профессиональные автомеханики могут легко найти и приобрести нужную им автозапчасть, которая отличается высокой эффективностью и надежностью.
AVTOELECTRICA предоставляет гарантию до 3 лет на свой каталог, что дает потребителям уверенность в качестве приобретаемых автозапчастей. Благодаря этому, автовладельцы могут не беспокоиться о проблемах с электрооборудованием своих транспортных средств.
Ассортимент AVTOELECTRICA:
- Датчики, приборы, указатели
- Оборудование для коммунальной и сельхозтехники
- Рулевое управление
- Система охлаждения и отопления
- Стартеры и комплектующие
- Трансмиссия
- Генераторы и комплектующие
- Двигатель
- Гидравлика
- Кузов
- РТИ
- Светотехника
- Система питания
- Система зажигания
- Система смазки
- Стеклоочистители и омыватели
- Ходовая часть
- Тормозная система
- Электрооборудование
AVTOELECTRICA (АвтоЭлектрика) - это лидирующая российская компания, которая уже более 30 лет специализируется на производстве и поставке высококачественных запчастей для электрооборудования автомобилей. Они предлагают широкий ассортимент продукции, в каталоге бренда более 15000 наименований доступных товаров.
Одним из ключевых преимуществ продукции AVTOELECTRICA является ее износостойкость и долговечность. Компания совместила в себе продвинутые технологии производства, квалифицированную команду специалистов, которые регулярно улучшают свои навыки, а также уделяют особое внимание сырью из которого производятся детали. Все автозапчасти АвтоЭлектрика проходят тестирование на соответствие стандартам качества, что гарантирует безупречную работу автомобильного электрооборудования.
AVTOELECTRICA предлагает своим клиентам широкий выбор электрических компонентов для автомобилей различных марок и моделей. Они имеют масштабный ассортимент генераторов и стартеров, а также аккумуляторов, которые обеспечивают надежную и долговечную работу электрооборудования автомобилей.
Бренд АвтоЭлектрика также обладает широкой сетью дистрибьюторов, что обеспечивает легкий доступ к их продуктам для потребителей. Благодаря этому, автолюбители и профессиональные автомеханики могут легко найти и приобрести нужную им автозапчасть, которая отличается высокой эффективностью и надежностью.
AVTOELECTRICA предоставляет гарантию до 3 лет на свой каталог, что дает потребителям уверенность в качестве приобретаемых автозапчастей. Благодаря этому, автовладельцы могут не беспокоиться о проблемах с электрооборудованием своих транспортных средств.
Ассортимент AVTOELECTRICA:
- Датчики, приборы, указатели
- Оборудование для коммунальной и сельхозтехники
- Рулевое управление
- Система охлаждения и отопления
- Стартеры и комплектующие
- Трансмиссия
- Генераторы и комплектующие
- Двигатель
- Гидравлика
- Кузов
- РТИ
- Светотехника
- Система питания
- Система зажигания
- Система смазки
- Стеклоочистители и омыватели
- Ходовая часть
- Тормозная система
- Электрооборудование
AVTOELECTRICA (АвтоЭлектрика) - это лидирующая российская компания, которая уже более 30 лет специализируется на производстве и поставке высококачественных запчастей для электрооборудования автомобилей. Они предлагают широкий ассортимент продукции, в каталоге бренда более 15000 наименований доступных товаров.
Одним из ключевых преимуществ продукции AVTOELECTRICA является ее износостойкость и долговечность. Компания совместила в себе продвинутые технологии производства, квалифицированную команду специалистов, которые регулярно улучшают свои навыки, а также уделяют особое внимание сырью из которого производятся детали. Все автозапчасти АвтоЭлектрика проходят тестирование на соответствие стандартам качества, что гарантирует безупречную работу автомобильного электрооборудования.
AVTOELECTRICA предлагает своим клиентам широкий выбор электрических компонентов для автомобилей различных марок и моделей. Они имеют масштабный ассортимент генераторов и стартеров, а также аккумуляторов, которые обеспечивают надежную и долговечную работу электрооборудования автомобилей.
Бренд АвтоЭлектрика также обладает широкой сетью дистрибьюторов, что обеспечивает легкий доступ к их продуктам для потребителей. Благодаря этому, автолюбители и профессиональные автомеханики могут легко найти и приобрести нужную им автозапчасть, которая отличается высокой эффективностью и надежностью.
AVTOELECTRICA предоставляет гарантию до 3 лет на свой каталог, что дает потребителям уверенность в качестве приобретаемых автозапчастей. Благодаря этому, автовладельцы могут не беспокоиться о проблемах с электрооборудованием своих транспортных средств.
Ассортимент AVTOELECTRICA:
- Датчики, приборы, указатели
- Оборудование для коммунальной и сельхозтехники
- Рулевое управление
- Система охлаждения и отопления
- Стартеры и комплектующие
- Трансмиссия
- Генераторы и комплектующие
- Двигатель
- Гидравлика
- Кузов
- РТИ
- Светотехника
- Система питания
- Система зажигания
- Система смазки
- Стеклоочистители и омыватели
- Ходовая часть
- Тормозная система
- Электрооборудование
AVTOELECTRICA (АвтоЭлектрика) - это лидирующая российская компания, которая уже более 30 лет специализируется на производстве и поставке высококачественных запчастей для электрооборудования автомобилей. Они предлагают широкий ассортимент продукции, в каталоге бренда более 15000 наименований доступных товаров.
Одним из ключевых преимуществ продукции AVTOELECTRICA является ее износостойкость и долговечность. Компания совместила в себе продвинутые технологии производства, квалифицированную команду специалистов, которые регулярно улучшают свои навыки, а также уделяют особое внимание сырью из которого производятся детали. Все автозапчасти АвтоЭлектрика проходят тестирование на соответствие стандартам качества, что гарантирует безупречную работу автомобильного электрооборудования.
AVTOELECTRICA предлагает своим клиентам широкий выбор электрических компонентов для автомобилей различных марок и моделей. Они имеют масштабный ассортимент генераторов и стартеров, а также аккумуляторов, которые обеспечивают надежную и долговечную работу электрооборудования автомобилей.
Бренд АвтоЭлектрика также обладает широкой сетью дистрибьюторов, что обеспечивает легкий доступ к их продуктам для потребителей. Благодаря этому, автолюбители и профессиональные автомеханики могут легко найти и приобрести нужную им автозапчасть, которая отличается высокой эффективностью и надежностью.
AVTOELECTRICA предоставляет гарантию до 3 лет на свой каталог, что дает потребителям уверенность в качестве приобретаемых автозапчастей. Благодаря этому, автовладельцы могут не беспокоиться о проблемах с электрооборудованием своих транспортных средств.
Ассортимент AVTOELECTRICA:
- Датчики, приборы, указатели
- Оборудование для коммунальной и сельхозтехники
- Рулевое управление
- Система охлаждения и отопления
- Стартеры и комплектующие
- Трансмиссия
- Генераторы и комплектующие
- Двигатель
- Гидравлика
- Кузов
- РТИ
- Светотехника
- Система питания
- Система зажигания
- Система смазки
- Стеклоочистители и омыватели
- Ходовая часть
- Тормозная система
- Электрооборудование
AVTOELECTRICA (АвтоЭлектрика) - это лидирующая российская компания, которая уже более 30 лет специализируется на производстве и поставке высококачественных запчастей для электрооборудования автомобилей. Они предлагают широкий ассортимент продукции, в каталоге бренда более 15000 наименований доступных товаров.
Одним из ключевых преимуществ продукции AVTOELECTRICA является ее износостойкость и долговечность. Компания совместила в себе продвинутые технологии производства, квалифицированную команду специалистов, которые регулярно улучшают свои навыки, а также уделяют особое внимание сырью из которого производятся детали. Все автозапчасти АвтоЭлектрика проходят тестирование на соответствие стандартам качества, что гарантирует безупречную работу автомобильного электрооборудования.
AVTOELECTRICA предлагает своим клиентам широкий выбор электрических компонентов для автомобилей различных марок и моделей. Они имеют масштабный ассортимент генераторов и стартеров, а также аккумуляторов, которые обеспечивают надежную и долговечную работу электрооборудования автомобилей.
Бренд АвтоЭлектрика также обладает широкой сетью дистрибьюторов, что обеспечивает легкий доступ к их продуктам для потребителей. Благодаря этому, автолюбители и профессиональные автомеханики могут легко найти и приобрести нужную им автозапчасть, которая отличается высокой эффективностью и надежностью.
AVTOELECTRICA предоставляет гарантию до 3 лет на свой каталог, что дает потребителям уверенность в качестве приобретаемых автозапчастей. Благодаря этому, автовладельцы могут не беспокоиться о проблемах с электрооборудованием своих транспортных средств.
Ассортимент AVTOELECTRICA:
- Датчики, приборы, указатели
- Оборудование для коммунальной и сельхозтехники
- Рулевое управление
- Система охлаждения и отопления
- Стартеры и комплектующие
- Трансмиссия
- Генераторы и комплектующие
- Двигатель
- Гидравлика
- Кузов
- РТИ
- Светотехника
- Система питания
- Система зажигания
- Система смазки
- Стеклоочистители и омыватели
- Ходовая часть
- Тормозная система
- Электрооборудование
Лысковский электротехнический завод (сокращенное название - ОАО «ЛЭТЗ») – был образован в 1941 году, начав производство всего с пяти номенклатурных изделий. За счет дальновидного подхода к руководству и стремительным темпам развития, более чем за 60-лет производства предприятие освоило выпуск 250 наименований только основной продукции и 30 товаров народного потребления, которые пользуются весьма широким спросом даже у самого требовательного покупателя. ОАО «Лысковский электротехнический завод» входит в промышленную группу «АвтоКОМ». Предприятие в среднем выпускает до 370 тысяч звуковых сигналов в квартал, 870 тысяч выключателей, переключателей разнообразнейших форм и видов. Производство тросовых приводов за последнее время было увеличено практически в два раза – 140 тысяч тросов в месяц. Продукция: - Звуковые сигналы - Панели соединительные, сопротивления дополнительные, диод - Гибкие валы - Тросы привода стояночного тормоза - Тросы привода сцепления - Тяги акселератора - Моторедукторы электростеклоподъемника, держатели моторедуктора - Выключатели, переключатели
Лысковский электротехнический завод (сокращенное название - ОАО «ЛЭТЗ») – был образован в 1941 году, начав производство всего с пяти номенклатурных изделий. За счет дальновидного подхода к руководству и стремительным темпам развития, более чем за 60-лет производства предприятие освоило выпуск 250 наименований только основной продукции и 30 товаров народного потребления, которые пользуются весьма широким спросом даже у самого требовательного покупателя. ОАО «Лысковский электротехнический завод» входит в промышленную группу «АвтоКОМ». Предприятие в среднем выпускает до 370 тысяч звуковых сигналов в квартал, 870 тысяч выключателей, переключателей разнообразнейших форм и видов. Производство тросовых приводов за последнее время было увеличено практически в два раза – 140 тысяч тросов в месяц. Продукция: - Звуковые сигналы - Панели соединительные, сопротивления дополнительные, диод - Гибкие валы - Тросы привода стояночного тормоза - Тросы привода сцепления - Тяги акселератора - Моторедукторы электростеклоподъемника, держатели моторедуктора - Выключатели, переключатели
Лысковский электротехнический завод (сокращенное название - ОАО «ЛЭТЗ») – был образован в 1941 году, начав производство всего с пяти номенклатурных изделий. За счет дальновидного подхода к руководству и стремительным темпам развития, более чем за 60-лет производства предприятие освоило выпуск 250 наименований только основной продукции и 30 товаров народного потребления, которые пользуются весьма широким спросом даже у самого требовательного покупателя. ОАО «Лысковский электротехнический завод» входит в промышленную группу «АвтоКОМ». Предприятие в среднем выпускает до 370 тысяч звуковых сигналов в квартал, 870 тысяч выключателей, переключателей разнообразнейших форм и видов. Производство тросовых приводов за последнее время было увеличено практически в два раза – 140 тысяч тросов в месяц. Продукция: - Звуковые сигналы - Панели соединительные, сопротивления дополнительные, диод - Гибкие валы - Тросы привода стояночного тормоза - Тросы привода сцепления - Тяги акселератора - Моторедукторы электростеклоподъемника, держатели моторедуктора - Выключатели, переключатели
Лысковский электротехнический завод (сокращенное название - ОАО «ЛЭТЗ») – был образован в 1941 году, начав производство всего с пяти номенклатурных изделий. За счет дальновидного подхода к руководству и стремительным темпам развития, более чем за 60-лет производства предприятие освоило выпуск 250 наименований только основной продукции и 30 товаров народного потребления, которые пользуются весьма широким спросом даже у самого требовательного покупателя. ОАО «Лысковский электротехнический завод» входит в промышленную группу «АвтоКОМ». Предприятие в среднем выпускает до 370 тысяч звуковых сигналов в квартал, 870 тысяч выключателей, переключателей разнообразнейших форм и видов. Производство тросовых приводов за последнее время было увеличено практически в два раза – 140 тысяч тросов в месяц. Продукция: - Звуковые сигналы - Панели соединительные, сопротивления дополнительные, диод - Гибкие валы - Тросы привода стояночного тормоза - Тросы привода сцепления - Тяги акселератора - Моторедукторы электростеклоподъемника, держатели моторедуктора - Выключатели, переключатели