C 9:00 до 20:00. Звонок по РФ бесплатный

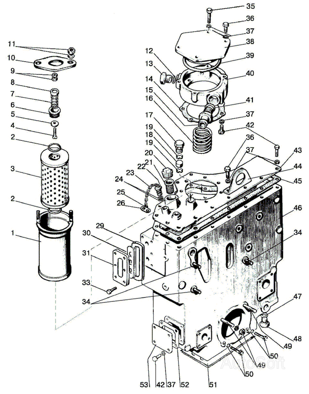
Корпус гидросистемы и фильтр МТЗ-1021.3. Каталог 2010г.

ВниманиеЭлектронный автокаталог запчастей предназначен для справочных целей! Наша компания продает только те товары, у которых есть цены в списке.

Номер детали на чертеже: 

Корпус гидросистемы

Заводской номер: 85-4608010 Количество на модель: 1
85-4608010
1
1

Номер детали на чертеже: 

1

Корпус

Заводской номер: А28.04.20.000-А1 Количество на модель: 1
А28.04.20.000-А1
1
608305
МТЗ
А28.04.20.000-А1
Код: 608305
Артикул: А28.04.20.000-А1,
Производитель: МТЗ
2

Номер детали на чертеже: 

2

Кольцо

Заводской номер: 042-050-46-2-4 Количество на модель: 2
042-050-46-2-4
2
020553
Не указан
042-050-46
Код: 020553
Артикул: 042-050-46,
Под заказ

На складах : Под заказ

Производитель: Не указан
3

Номер детали на чертеже: 

3

Элемент фильтрующий

Заводской номер: ФЭГ3-25 Количество на модель: 1
ФЭГ3-25
1
3

Номер детали на чертеже: 

3

Элемент фильтрующий

Заводской номер: ЭФОМ635-1 Количество на модель: 1
ЭФОМ635-1
1
4

Номер детали на чертеже: 

4

Винт

Заводской номер: В.М6-6gx40.58.019 Количество на модель: 1
В.М6-6gx40.58.019
1
5

Номер детали на чертеже: 

5

Клапан 8.20.004 в сборе

Заводской номер: А28.04.10.000 Количество на модель: 1
А28.04.10.000
1
608213
МТЗ
А28.04.10.000
Код: 608213
Артикул: А28.04.10.000,
Производитель: МТЗ
5

Номер детали на чертеже: 

5

Клапан

Заводской номер: 8.20.004 Количество на модель: 1
8.20.004
1
6

Номер детали на чертеже: 

6

Корпус

Заводской номер: А28.04.10.001 Количество на модель: 1
А28.04.10.001
1
7

Номер детали на чертеже: 

7

Пружина

Заводской номер: 8.20.002 Количество на модель: 1
8.20.002
1
8

Номер детали на чертеже: 

8

Шайба опорная

Заводской номер: 8.20.005 Количество на модель: 1
8.20.005
1
9

Номер детали на чертеже: 

9

Гайка

Заводской номер: М6-6Н.6.019 Количество на модель: 2
М6-6Н.6.019
2
261521
МТЗ
913011 М6-6Н.6.019
Код: 261521
Артикул: 913011, М6-6Н.6.019
Под заказ

На складах : Под заказ

Производитель: МТЗ
10

Номер детали на чертеже: 

10

Ограничитель

Заводской номер: А28.04.00.001 Количество на модель: 1
А28.04.00.001
1
608533
МТЗ
А28.04.00.001
Код: 608533
Артикул: А28.04.00.001,
Под заказ

На складах : Под заказ

Производитель: МТЗ
12

Номер детали на чертеже: 

12

Шайба

Заводской номер: РМ 24 Количество на модель: 1
РМ 24
1
12

Номер детали на чертеже: 

12

Шайба

Заводской номер: 40-4607033-А Количество на модель: 1
40-4607033-А
1
609018
МТЗ
40-4607033-А
Код: 609018
Артикул: 40-4607033-А,
Производитель: МТЗ
13

Номер детали на чертеже: 

13

Пробка

Заводской номер: 85-4608021 Количество на модель: 1
85-4608021
1
14

Номер детали на чертеже: 

14

Прокладка

Заводской номер: 85-4608089 Количество на модель: 1
85-4608089
1
15

Номер детали на чертеже: 

15

Штуцер

Заводской номер: 85-4607034 Количество на модель: 1
85-4607034
1
16

Номер детали на чертеже: 

16

Пружина

Заводской номер: 85-4608057 Количество на модель: 1
85-4608057
1
17

Номер детали на чертеже: 

17

Пробка сапуна

Заводской номер: 50-4608059 Количество на модель: 1
50-4608059
1
18

Номер детали на чертеже: 

18

Фильтр

Заводской номер: 50-4608063 Количество на модель: 1
50-4608063
1
19

Номер детали на чертеже: 

19

Шайба сапуна

Заводской номер: 50-4608062 Количество на модель: 2
50-4608062
2
20

Номер детали на чертеже: 

20

Пробка

Заводской номер: КГ 11/4 Количество на модель: 1
КГ 11/4
1
21

Номер детали на чертеже: 

21

Фильтр

Заводской номер: А61-С06-А3 Количество на модель: 1
А61-С06-А3
1
22

Номер детали на чертеже: 

22

Клапан

Заводской номер: 85-4608091 Количество на модель: 1
85-4608091
1
22

Номер детали на чертеже: 

22

Клапан 85-4608091 в сборе

Заводской номер: 85-4608090 Количество на модель: 1
85-4608090
1
23

Номер детали на чертеже: 

23

Цепочка

Заводской номер: 50-1002450 Количество на модель: 1
50-1002450
1
24

Номер детали на чертеже: 

24

Кольцо

Заводской номер: 011-015-25-2-4 Количество на модель: 2
011-015-25-2-4
2
859593
УРАЛОПТ
6361-1602509-П 6361-1602514
Код: 859593
Артикул: 6361-1602509-П, 6361-1602514
Производитель: УРАЛОПТ
259370
УРАЛОПТ
6361-1602509 5557-1609052-01
Код: 259370
Артикул: 6361-1602509, 5557-1609052-01
Производитель: УРАЛОПТ
042995
ВИНЦЕР
В6361-1602501 6361-1602510РК РТИ 1-я комплектация, 5557-1609052-01
Код: 042995
Артикул: В6361-1602501, 6361-1602510РК РТИ 1-я комплектация, 5557-1609052-01
Производитель: ВИНЦЕР
177746
БЕЛАРУСЬРЕЗИНОТЕХНИКА
011-015-25-2-2
Код: 177746
Артикул: 011-015-25-2-2,
Производитель: БЕЛАРУСЬРЕЗИНОТЕХНИКА
25

Номер детали на чертеже: 

25

Кольцо

Заводской номер: 36-1101067 Количество на модель: 2
36-1101067
2
26

Номер детали на чертеже: 

26

Чека

Заводской номер: 50-3407069 Количество на модель: 1
50-3407069
1
609001
МТЗ
50-3407069
Код: 609001
Артикул: 50-3407069,
Производитель: МТЗ
29

Номер детали на чертеже: 

29

Уплотнитель

Заводской номер: 85-4608086-Б Количество на модель: 1
85-4608086-Б
1
30

Номер детали на чертеже: 

30

Указатель

Заводской номер: 85-4608087-Б Количество на модель: 1
85-4608087-Б
1
31

Номер детали на чертеже: 

31

Корпус

Заводской номер: 85-4608088-Б Количество на модель: 1
85-4608088-Б
1
33

Номер детали на чертеже: 

33

Винт

Заводской номер: М6х20 Количество на модель: 6
М6х20
6
34

Номер детали на чертеже: 

34

Шпилька

Заводской номер: М10 3p/6gx20.66.019 Количество на модель: 3
М10 3p/6gx20.66.019
3
35

Номер детали на чертеже: 

35

Болт

Заводской номер: M8-6gx80.88.35.019 Количество на модель: 1
M8-6gx80.88.35.019
1
36

Номер детали на чертеже: 

36

Болт

Заводской номер: M8-6gx25.88.35.019 Количество на модель: 5
M8-6gx25.88.35.019
5
37

Номер детали на чертеже: 

37

Шайба

Заводской номер: Количество на модель: 30
30
38

Номер детали на чертеже: 

38

Крышка

Заводской номер: 85-4608022 Количество на модель: 1
85-4608022
1
775388
МТЗ
85-4608022
Код: 775388
Артикул: 85-4608022,
Под заказ

На складах : Под заказ

Производитель: МТЗ
154360
ХЗГА
85-4608022
Код: 154360
Артикул: 85-4608022,
Производитель: ХЗГА
39

Номер детали на чертеже: 

39

Кольцо

Заводской номер: 130-135-30-1-4 Количество на модель: 1
130-135-30-1-4
1
40

Номер детали на чертеже: 

40

Стакан

Заводской номер: 85-4608018 Количество на модель: 1
85-4608018
1
41

Номер детали на чертеже: 

41

Кольцо

Заводской номер: 027-032-30-1-4 Количество на модель: 1
027-032-30-1-4
1
165243
БЕЛАРУСЬРЕЗИНОТЕХНИКА
027-032-30-2-2
Код: 165243
Артикул: 027-032-30-2-2,
Производитель: БЕЛАРУСЬРЕЗИНОТЕХНИКА
858405
БЕЛАРУСЬРЕЗИНОТЕХНИКА
022-027-30-2-2
Код: 858405
Артикул: 022-027-30-2-2,
Производитель: БЕЛАРУСЬРЕЗИНОТЕХНИКА
42

Номер детали на чертеже: 

42

Болт

Заводской номер: M8-6gx20.88.35.019 Количество на модель: 23
M8-6gx20.88.35.019
23
43

Номер детали на чертеже: 

43

Крышка

Заводской номер: 85-4608025 Количество на модель: 1
85-4608025
1
44

Номер детали на чертеже: 

44

Кронштейн

Заводской номер: 80-4608073 Количество на модель: 1
80-4608073
1
45

Номер детали на чертеже: 

45

Прокладка

Заводской номер: 85-4608031-Б Количество на модель: 1
85-4608031-Б
1
46

Номер детали на чертеже: 

46

Корпус гидросистемы

Заводской номер: 85-4608016-А Количество на модель: 1
85-4608016-А
1
608276
МТЗ
85-4608016-А
Код: 608276
Артикул: 85-4608016-А,
Производитель: МТЗ
47

Номер детали на чертеже: 

47

Шайба

Заводской номер: РМ 1/2 Количество на модель: 1
РМ 1/2
1
47

Номер детали на чертеже: 

47

Шайба

Заводской номер: 40-4607038-А Количество на модель: 1
40-4607038-А
1
168542
МТЗ
40-4607038-А
Производитель: МТЗ
48

Номер детали на чертеже: 

48

Пробка

Заводской номер: 70-4607163 Количество на модель: 1
70-4607163
1
49

Номер детали на чертеже: 

49

Гайка

Заводской номер: М10-6Н.6.019 Количество на модель: 2
М10-6Н.6.019
2
49

Номер детали на чертеже: 

49

Шпилька

Заводской номер: М10 3р/6gx35.66.019 Количество на модель: 2
М10 3р/6gx35.66.019
2
50

Номер детали на чертеже: 

50

Болт

Заводской номер: М10-6gx40.88.35.019 Количество на модель: 2
М10-6gx40.88.35.019
2
50

Номер детали на чертеже: 

50

Шайба

Заводской номер: 10 ОТ Количество на модель: 4
10 ОТ
4
51

Номер детали на чертеже: 

51

Прокладка

Заводской номер: 50-4608049-01 Количество на модель: 1
50-4608049-01
1
52

Номер детали на чертеже: 

52

Прокладка

Заводской номер: 70-4608033 Количество на модель: 1
70-4608033
1
53

Номер детали на чертеже: 

53

Крышка

Заводской номер: 70-4608019 Количество на модель: 1
70-4608019
1