8 800 700-05-95 Все контакты

C 9:00 до 20:00. Звонок по РФ бесплатный

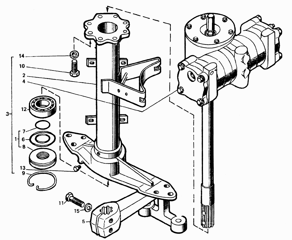
Механизм исполнительный с сошкой ЛТЗ-55. Каталог 2003г.

ВниманиеЭлектронный автокаталог запчастей предназначен для справочных целей! Наша компания продает только те товары, у которых есть цены в списке.

Вид отображения:

Детали справа

Номер детали на чертеже: 

Механизм исполнительный с сошкой

Заводской номер: Т40S-3405020-01 Количество на модель: 1
Т40S-3405020-01
1
1

Номер детали на чертеже: 

1

Уплотнение

Заводской номер: Т25-3401080-Б Количество на модель: 1
Т25-3401080-Б
1
2

Номер детали на чертеже: 

2

Труба рулевого управления

Заводской номер: Т40-3401180-Е Количество на модель: 1
Т40-3401180-Е
1
3

Номер детали на чертеже: 

3

Механизм исполнительный с кронштейном

Заводской номер: Т40S-3405030 Количество на модель: 1
Т40S-3405030
1
4

Номер детали на чертеже: 

4

Механизм исполнительный

Заводской номер: Т40S-3405040-01 Количество на модель: 1
Т40S-3405040-01
1
5

Номер детали на чертеже: 

5

Сошка

Заводской номер: Т50-3401230-А1 Количество на модель: 1
Т50-3401230-А1
1
6

Номер детали на чертеже: 

6

Кольцо уплотнительное

Заводской номер: Т25-3401013 Количество на модель: 1
Т25-3401013
1
7

Номер детали на чертеже: 

7

Кольцо уплотнительное

Заводской номер: Т25-3401086 Количество на модель: 2
Т25-3401086
2
8

Номер детали на чертеже: 

8

Корпус уплотнения

Заводской номер: Т25-3401088-Б Количество на модель: 1
Т25-3401088-Б
1
9

Номер детали на чертеже: 

9

Кольцо стопорное

Заводской номер: Д25013-А Количество на модель: 1
Д25013-А
1
10

Номер детали на чертеже: 

10

Болт

Заводской номер: М12-6gх30.58.019 Количество на модель: 6
М12-6gх30.58.019
6
11

Номер детали на чертеже: 

11

Болт

Заводской номер: М16-6gх55.88.019 Количество на модель: 2
М16-6gх55.88.019
2
12

Номер детали на чертеже: 

12

Подшипник

Заводской номер: 1207 Количество на модель: 1
1207
1
066177
Не указан
1207 (1207) 1207
Код: 066177
Артикул: 1207 (1207), 1207
Нет в наличии

На складах : Нет в наличии

Производитель: Не указан
13

Номер детали на чертеже: 

13

Пробка

Заводской номер: КГ 1/8".А12.079 Количество на модель: 1
КГ 1/8".А12.079
1
14

Номер детали на чертеже: 

14

Шайба

Заводской номер: 120Т65Г06 Количество на модель: 6
120Т65Г06
6
15

Номер детали на чертеже: 

15

Шайба

Заводской номер: 160Т65Г06 Количество на модель: 2
160Т65Г06
2