C 9:00 до 20:00. Звонок по РФ бесплатный

Sharpening BIG-X-800/1000. Каталог 2013г.

ВниманиеЭлектронный автокаталог запчастей предназначен для справочных целей! Наша компания продает только те товары, у которых есть цены в списке.

Вид отображения:

Детали справа
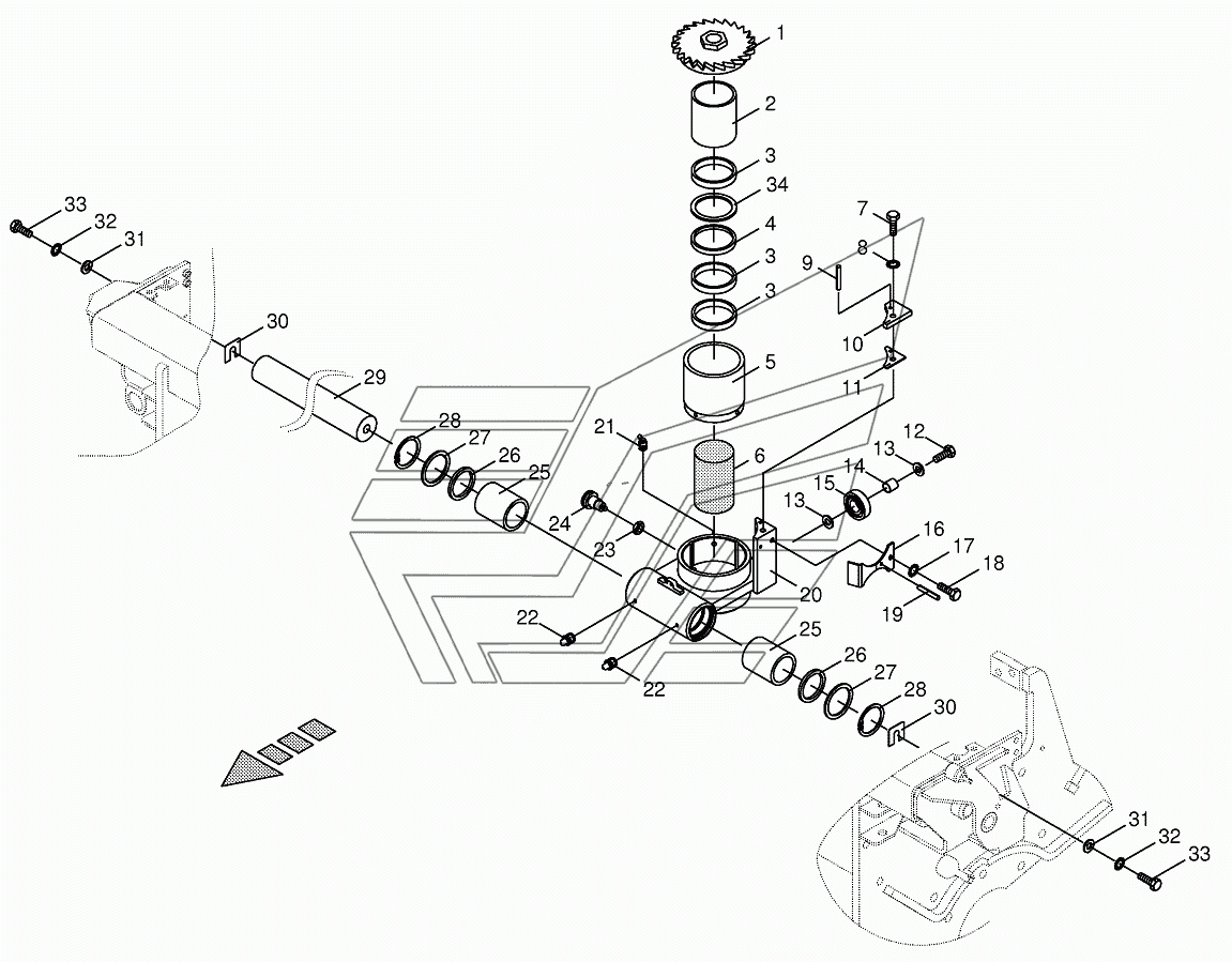
1

Номер детали на чертеже: 

1

Adjusting wheel

Заводской номер: 200233380 Количество на модель:
200233380
2

Номер детали на чертеже: 

2

Bushing

Заводской номер: 002223962 Количество на модель:
002223962
3

Номер детали на чертеже: 

3

Lock collar

Заводской номер: 002223942 Количество на модель:
002223942
4

Номер детали на чертеже: 

4

Intermediate ring

Заводской номер: 002223952 Количество на модель:
002223952
5

Номер детали на чертеже: 

5

Retainer

Заводской номер: 002223935 Количество на модель:
002223935
6

Номер детали на чертеже: 

6

Grindstone

Заводской номер: 002223643 Количество на модель:
002223643
7

Номер детали на чертеже: 

7

Hex head bolt

Заводской номер: 009006370 Количество на модель:
009006370
8

Номер детали на чертеже: 

8

Detent edged washer

Заводской номер: 009099091 Количество на модель:
009099091
9

Номер детали на чертеже: 

9

Roll pin

Заводской номер: 009126082 Количество на модель:
009126082
10

Номер детали на чертеже: 

10

Slide block

Заводской номер: 002154300 Количество на модель:
002154300
11

Номер детали на чертеже: 

11

Enclosure

Заводской номер: 002141750 Количество на модель:
002141750
12

Номер детали на чертеже: 

12

Hex head bolt

Заводской номер: 009006580 Количество на модель:
009006580
13

Номер детали на чертеже: 

13

Shim ring

Заводской номер: 009108030 Количество на модель:
009108030
14

Номер детали на чертеже: 

14

Bushing

Заводской номер: 002154320 Количество на модель:
002154320
15

Номер детали на чертеже: 

15

Grooved ball bearing

Заводской номер: 900000270 Количество на модель:
900000270
16

Номер детали на чертеже: 

16

Safety catch

Заводской номер: 002154330 Количество на модель:
002154330
17

Номер детали на чертеже: 

17

Detent edged washer

Заводской номер: 009099081 Количество на модель:
009099081
18

Номер детали на чертеже: 

18

Hex head bolt

Заводской номер: 009006170 Количество на модель:
009006170
20

Номер детали на чертеже: 

20

Grinding carriage

Заводской номер: 002154340 Количество на модель:
002154340
21

Номер детали на чертеже: 

21

Grease niple

Заводской номер: 009191060 Количество на модель:
009191060
22

Номер детали на чертеже: 

22

Grease niple

Заводской номер: 009191050 Количество на модель:
009191050
23

Номер детали на чертеже: 

23

Hex nut-low form

Заводской номер: 009085212 Количество на модель:
009085212
24

Номер детали на чертеже: 

24

Stop bolt

Заводской номер: 009403140 Количество на модель:
009403140
25

Номер детали на чертеже: 

25

Linear ball bearing

Заводской номер: 009304980 Количество на модель:
009304980
26

Номер детали на чертеже: 

26

Radial-shaft sealing ring

Заводской номер: 009360540 Количество на модель:
009360540
27

Номер детали на чертеже: 

27

Supporting disc

Заводской номер: 009107031 Количество на модель:
009107031
28

Номер детали на чертеже: 

28

Circlip

Заводской номер: 009116640 Количество на модель:
009116640
29

Номер детали на чертеже: 

29

Shaft

Заводской номер: 002247310 Количество на модель:
002247310
30

Номер детали на чертеже: 

30

Enclosure

Заводской номер: 002192111 Количество на модель:
002192111
31

Номер детали на чертеже: 

31

Washer

Заводской номер: 009103620 Количество на модель:
009103620
32

Номер детали на чертеже: 

32

Detent edged washer

Заводской номер: 009099121 Количество на модель:
009099121
33

Номер детали на чертеже: 

33

Hex head bolt

Заводской номер: 009006770 Количество на модель:
009006770
34

Номер детали на чертеже: 

34

Supporting disc

Заводской номер: 009107470 Количество на модель:
009107470