8 800 700-05-95 Все контакты

C 9:00 до 20:00. Звонок по РФ бесплатный

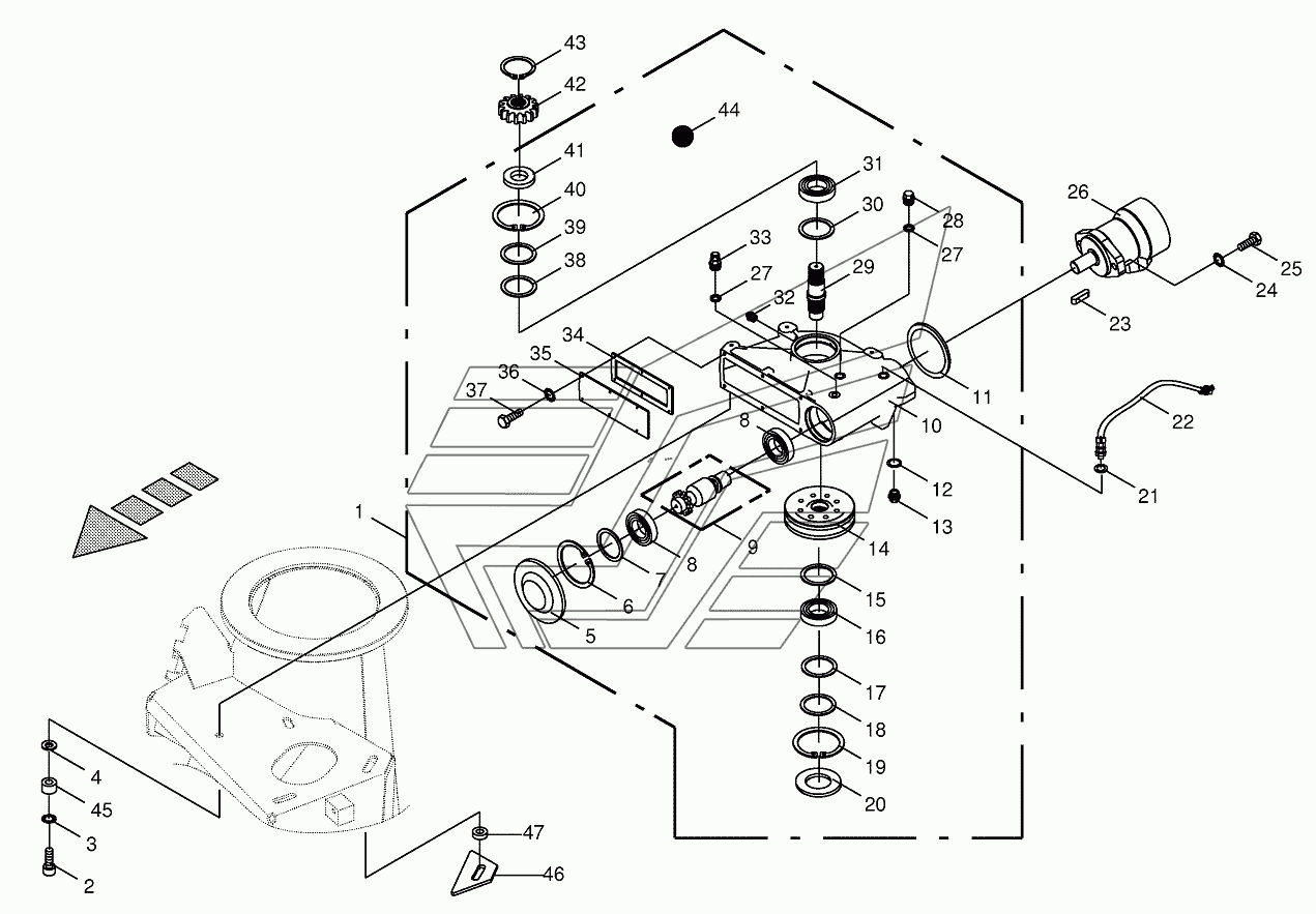
Auger-gearbox BIG-X-700-1. Каталог 2013г.

ВниманиеЭлектронный автокаталог запчастей предназначен для справочных целей! Наша компания продает только те товары, у которых есть цены в списке.

Номер детали на чертеже: 

Sealing set

Заводской номер: 009403170 Количество на модель:
009403170
1

Номер детали на чертеже: 

1

Auger-gearbox

Заводской номер: 002158520 Количество на модель:
002158520
2

Номер детали на чертеже: 

2

Allen screw

Заводской номер: 009032140 Количество на модель:
009032140
3

Номер детали на чертеже: 

3

Detent edged washer

Заводской номер: 009099041 Количество на модель:
009099041
4

Номер детали на чертеже: 

4

Washer

Заводской номер: 009103270 Количество на модель:
009103270
5

Номер детали на чертеже: 

5

Sealing cap

Заводской номер: 009252002 Количество на модель:
009252002
6

Номер детали на чертеже: 

6

Circlip

Заводской номер: 009116800 Количество на модель:
009116800
7

Номер детали на чертеже: 

7

Shim ring

Заводской номер: 009109450 Количество на модель:
009109450
7

Номер детали на чертеже: 

7

Shim ring

Заводской номер: 009109460 Количество на модель:
009109460
7

Номер детали на чертеже: 

7

Shim ring

Заводской номер: 009109470 Количество на модель:
009109470
8

Номер детали на чертеже: 

8

Taper roller bearing

Заводской номер: 009321650 Количество на модель:
009321650
9

Номер детали на чертеже: 

9

Auger with bucket wheel

Заводской номер: 002158470 Количество на модель:
002158470
10

Номер детали на чертеже: 

10

Housing

Заводской номер: 002158513 Количество на модель:
002158513
11

Номер детали на чертеже: 

11

O-ring

Заводской номер: 009375140 Количество на модель:
009375140
12

Номер детали на чертеже: 

12

Gasket ring

Заводской номер: 009377161 Количество на модель:
009377161
13

Номер детали на чертеже: 

13

Screw plug

Заводской номер: 009060170 Количество на модель:
009060170
14

Номер детали на чертеже: 

14

Worm gearwheel

Заводской номер: 002158501 Количество на модель:
002158501
15

Номер детали на чертеже: 

15

Supporting disc

Заводской номер: 009107321 Количество на модель:
009107321
16

Номер детали на чертеже: 

16

Taper roller bearing

Заводской номер: 009321630 Количество на модель:
009321630
17

Номер детали на чертеже: 

17

Shim ring

Заводской номер: 009110241 Количество на модель:
009110241
17

Номер детали на чертеже: 

17

Shim ring

Заводской номер: 009108760 Количество на модель:
009108760
17

Номер детали на чертеже: 

17

Shim ring

Заводской номер: 009110230 Количество на модель:
009110230
18

Номер детали на чертеже: 

18

Supporting disc

Заводской номер: 009107411 Количество на модель:
009107411
19

Номер детали на чертеже: 

19

Circlip

Заводской номер: 009116730 Количество на модель:
009116730
20

Номер детали на чертеже: 

20

Sealing cap

Заводской номер: 009252052 Количество на модель:
009252052
22

Номер детали на чертеже: 

22

Sensor

Заводской номер: 003024480 Количество на модель:
003024480
23

Номер детали на чертеже: 

23

Fit-in key

Заводской номер: 009150721 Количество на модель:
009150721
24

Номер детали на чертеже: 

24

Detent edged washer

Заводской номер: 009099110 Количество на модель:
009099110
25

Номер детали на чертеже: 

25

Allen screw

Заводской номер: 009031391 Количество на модель:
009031391
26

Номер детали на чертеже: 

26

Hydraulic motor

Заводской номер: 009212790 Количество на модель:
009212790
27

Номер детали на чертеже: 

27

Gasket ring

Заводской номер: 009377270 Количество на модель:
009377270
28

Номер детали на чертеже: 

28

Screw plug

Заводской номер: 009060101 Количество на модель:
009060101
29

Номер детали на чертеже: 

29

Outlet shaft

Заводской номер: 002158380 Количество на модель:
002158380
30

Номер детали на чертеже: 

30

Nilos-ring

Заводской номер: 009371850 Количество на модель:
009371850
31

Номер детали на чертеже: 

31

Taper roller bearing

Заводской номер: 009321660 Количество на модель:
009321660
32

Номер детали на чертеже: 

32

Grease niple

Заводской номер: 009191050 Количество на модель:
009191050
33

Номер детали на чертеже: 

33

Breather

Заводской номер: 009198111 Количество на модель:
009198111
34

Номер детали на чертеже: 

34

Housing gasket

Заводской номер: 002158440 Количество на модель:
002158440
35

Номер детали на чертеже: 

35

Gearbox cover

Заводской номер: 002158450 Количество на модель:
002158450
36

Номер детали на чертеже: 

36

Detent edged washer

Заводской номер: 009099081 Количество на модель:
009099081
37

Номер детали на чертеже: 

37

Hex head bolt

Заводской номер: 009006140 Количество на модель:
009006140
38

Номер детали на чертеже: 

38

Shim ring

Заводской номер: 009111680 Количество на модель:
009111680
38

Номер детали на чертеже: 

38

Shim ring

Заводской номер: 009111660 Количество на модель:
009111660
38

Номер детали на чертеже: 

38

Shim ring

Заводской номер: 009111650 Количество на модель:
009111650
39

Номер детали на чертеже: 

39

Supporting disc

Заводской номер: 009107460 Количество на модель:
009107460
40

Номер детали на чертеже: 

40

Circlip

Заводской номер: 009116860 Количество на модель:
009116860
41

Номер детали на чертеже: 

41

Radial-shaft sealing ring

Заводской номер: 009364081 Количество на модель:
009364081
42

Номер детали на чертеже: 

42

Pinion

Заводской номер: 002158371 Количество на модель:
002158371
43

Номер детали на чертеже: 

43

Circlip

Заводской номер: 009115530 Количество на модель:
009115530
44

Номер детали на чертеже: 

44

Oil-Id.-no.=1ltr

Заводской номер: 009261010 Количество на модель:
009261010
45

Номер детали на чертеже: 

45

Spacer bushing

Заводской номер: 002713881 Количество на модель:
002713881
46

Номер детали на чертеже: 

46

Stiffener

Заводской номер: 200244090 Количество на модель:
200244090
47

Номер детали на чертеже: 

47

Guide tube

Заводской номер: 003372393 Количество на модель:
003372393