8 800 700-05-95 Все контакты

C 9:00 до 20:00. Звонок по РФ бесплатный

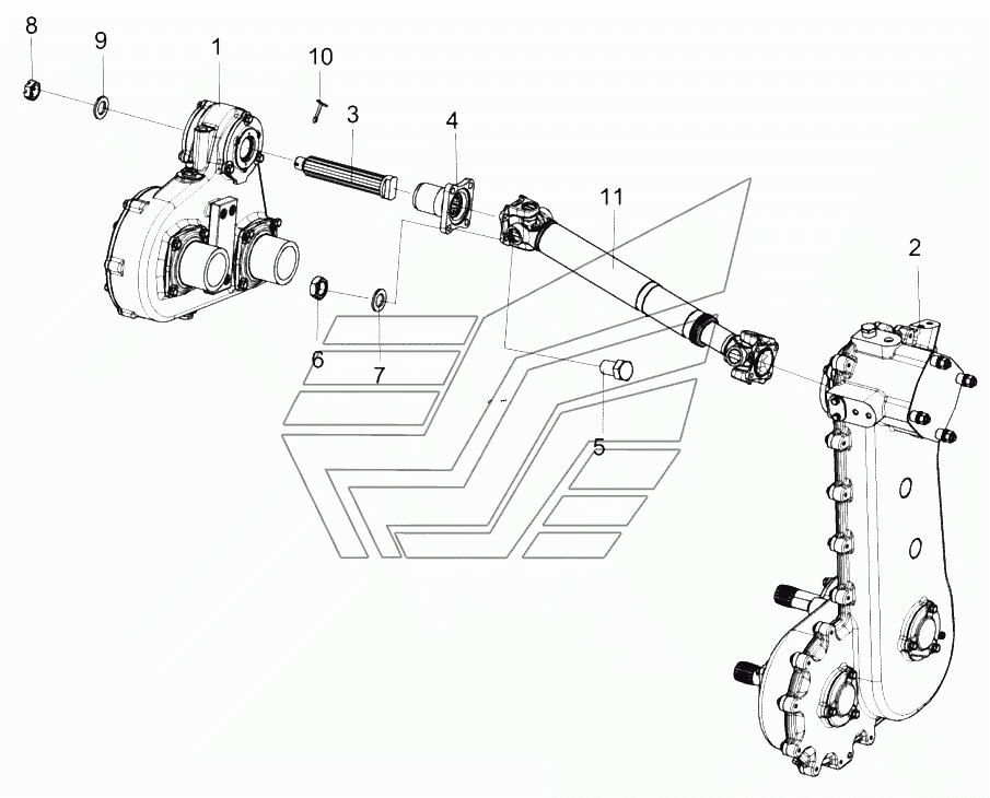
Установка вала карданного 75491-2119010-01 КВК-6025. Каталог 2015г.

ВниманиеЭлектронный автокаталог запчастей предназначен для справочных целей! Наша компания продает только те товары, у которых есть цены в списке.

Вид отображения:

Детали справа

Номер детали на чертеже: 

Аппарат питающий

Заводской номер: КСК-6025-0151000 Количество на модель: 1
КСК-6025-0151000
1
1

Номер детали на чертеже: 

1

Редуктор

Заводской номер: КСК-6025-0112000 Количество на модель: 1
КСК-6025-0112000
1
2

Номер детали на чертеже: 

2

Редуктор

Заводской номер: КСК-6025-0114100 Количество на модель: 1
КСК-6025-0114100
1
3

Номер детали на чертеже: 

3

Вал

Заводской номер: КВС-1-0111621 Количество на модель: 1
КВС-1-0111621
1
4

Номер детали на чертеже: 

4

Фланец

Заводской номер: КВС-1-0111623 Количество на модель: 1
КВС-1-0111623
1
5

Номер детали на чертеже: 

5

Болт

Заводской номер: УЭС0100601 Количество на модель: 4
УЭС0100601
4
6

Номер детали на чертеже: 

6

Гайка

Заводской номер: УЭС0100602 Количество на модель: 4
УЭС0100602
4
7

Номер детали на чертеже: 

7

Шайба

Заводской номер: УЭС0100607 Количество на модель: 4
УЭС0100607
4
8

Номер детали на чертеже: 

8

Гайка М24x2-6G-5935

Заводской номер: ГайкаМ24x2-6G-5935 Количество на модель: 1
ГайкаМ24x2-6G-5935
1
9

Номер детали на чертеже: 

9

Шайба C.24.01-11371

Заводской номер: ШайбаC.24.01-11371 Количество на модель: 1
ШайбаC.24.01-11371
1
10

Номер детали на чертеже: 

10

Шплинт 5x40-397

Заводской номер: Шплинт5x40-397 Количество на модель: 1
Шплинт5x40-397
1
11

Номер детали на чертеже: 

11

Вал карданный

Заводской номер: 75491-2119010-01 Количество на модель: 1
75491-2119010-01
1