8 800 700-05-95 Все контакты

C 9:00 до 20:00. Звонок по РФ бесплатный

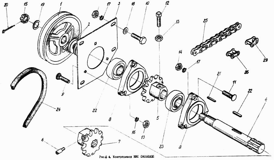
Контрпривод КИС 0905000Б КПК Полесье-3000

ВниманиеЭлектронный автокаталог запчастей предназначен для справочных целей! Наша компания продает только те товары, у которых есть цены в списке.

Номер детали на чертеже: 

Контрпривод

Заводской номер: КИС-0905000-Б Количество на модель: 1
КИС-0905000-Б
1
1

Номер детали на чертеже: 

1

Шкив диаметр 180

Заводской номер: КИС 0905101В Количество на модель: 1
КИС 0905101В
1
2

Номер детали на чертеже: 

2

Шайба регулировочная

Заводской номер: КИС 0602434 Количество на модель: 4
КИС 0602434
4
3

Номер детали на чертеже: 

3

Пластина

Заводской номер: КИС-090541-Б Количество на модель: 1
КИС-090541-Б
1
4

Номер детали на чертеже: 

4

Вал

Заводской номер: КИС-0905601-Б Количество на модель: 1
КИС-0905601-Б
1
5

Номер детали на чертеже: 

5

Звездочка

Заводской номер: КИС-0905602 Количество на модель: 1
КИС-0905602
1
6

Номер детали на чертеже: 

6

Фиксатор

Заводской номер: ПКК 0350605 Количество на модель:
ПКК 0350605
7

Номер детали на чертеже: 

7

Звездочка

Заводской номер: ПКК 0350606 Количество на модель:
ПКК 0350606
8

Номер детали на чертеже: 

8

Корпус подшипника

Заводской номер: Н.027.105 Количество на модель: 2
Н.027.105
2
9

Номер детали на чертеже: 

9

Болт М10х35.58.019 ГОСТ 7802-81

Заводской номер: Болт М10х35.58.019 ГОСТ 7802-81 Количество на модель: 3
Болт М10х35.58.019 ГОСТ 7802-81
3
10

Номер детали на чертеже: 

10

Болт М10-6ех30.88.019 ГОСТ 7802-81

Заводской номер: Болт М10-6ех30.88.019 ГОСТ 7802-81 Количество на модель: 4
Болт М10-6ех30.88.019 ГОСТ 7802-81
4
11

Номер детали на чертеже: 

11

Болт М10-6ех40.58.019 ГОСТ 7802-81

Заводской номер: Болт М10-6ех40.58.019 ГОСТ 7802-81 Количество на модель: 12
Болт М10-6ех40.58.019 ГОСТ 7802-81
12
12

Номер детали на чертеже: 

12

Винт М10х30.88.35.019 ГОСТ 1485-75

Заводской номер: Винт М10х30.88.35.019 ГОСТ 1485-75 Количество на модель: 1
Винт М10х30.88.35.019 ГОСТ 1485-75
1
13

Номер детали на чертеже: 

13

Гайка М10.6.019 ГОСТ 5915-70

Заводской номер: Гайка М10.6.019 ГОСТ 5915-70 Количество на модель: 4
Гайка М10.6.019 ГОСТ 5915-70
4
14

Номер детали на чертеже: 

14

Гайка М10.6G.6.019 ГОСТ 5915-70

Заводской номер: Гайка М10.6G.6.019 ГОСТ 5915-70 Количество на модель: 10
Гайка М10.6G.6.019 ГОСТ 5915-70
10
15

Номер детали на чертеже: 

15

Гайка М20х1,5-6G.04.019 ГОСТ 5935-73

Заводской номер: Гайка М20х1,5-6G.04.019 ГОСТ 5935-73 Количество на модель: 1
Гайка М20х1,5-6G.04.019 ГОСТ 5935-73
1
16

Номер детали на чертеже: 

16

Шайба 10.65Г.019 ГОСТ 6402-70

Заводской номер: Шайба 10.65Г.019 ГОСТ 6402-70 Количество на модель: 10
Шайба 10.65Г.019 ГОСТ 6402-70
10
17

Номер детали на чертеже: 

17

Шайба 10.65Г.06 ГОСТ 6402-70

Заводской номер: Шайба 10.65Г.06 ГОСТ 6402-70 Количество на модель: 44
Шайба 10.65Г.06 ГОСТ 6402-70
44
18

Номер детали на чертеже: 

18

Шайба 10.01.019 ГОСТ 11371-78

Заводской номер: Шайба 10.01.019 ГОСТ 11371-78 Количество на модель: 4
Шайба 10.01.019 ГОСТ 11371-78
4
19

Номер детали на чертеже: 

19

Шайба 20.01.019 ГОСТ 11371-78

Заводской номер: Шайба 20.01.019 ГОСТ 11371-78 Количество на модель: 1
Шайба 20.01.019 ГОСТ 11371-78
1
20

Номер детали на чертеже: 

20

Шплинт 4х36.019 ГОСТ 397-79

Заводской номер: Шплинт 4х36.019 ГОСТ 397-79 Количество на модель: 1
Шплинт 4х36.019 ГОСТ 397-79
1
21

Номер детали на чертеже: 

21

Шпонка 8х7х40 ГОСТ 23360-78

Заводской номер: Шпонка 8х7х40 ГОСТ 23360-78 Количество на модель: 1
Шпонка 8х7х40 ГОСТ 23360-78
1
22

Номер детали на чертеже: 

22

Шпонка 10х8х45 ГОСТ 23360-78

Заводской номер: Шпонка 10х8х45 ГОСТ 23360-78 Количество на модель: 1
Шпонка 10х8х45 ГОСТ 23360-78
1
23

Номер детали на чертеже: 

23

Подшипник 1680207 ТУ 37.006.084-77

Заводской номер: Подшипник 1680207 ТУ 37.006.084-77 Количество на модель: 2
Подшипник 1680207 ТУ 37.006.084-77
2
24

Номер детали на чертеже: 

24

Ремень В-2650-IIкласс ГОСТ 10286-75

Заводской номер: Ремень В-2650-IIкласс ГОСТ 10286-75 Количество на модель: 1
Ремень В-2650-IIкласс ГОСТ 10286-75
1
25

Номер детали на чертеже: 

25

Цепь ПР-25,4-6000А ГОСТ 3568-75

Заводской номер: Цепь ПР-25,4-6000А ГОСТ 3568-75 Количество на модель: 1
Цепь ПР-25,4-6000А ГОСТ 3568-75
1
26

Номер детали на чертеже: 

26

Звенья С-ПРЛ-25,4-6000А ГОСТ 13568-75

Заводской номер: Звенья С-ПРЛ-25,4-6000А ГОСТ 13568-75 Количество на модель: 2
Звенья С-ПРЛ-25,4-6000А ГОСТ 13568-75
2
27

Номер детали на чертеже: 

27

Звенья П-ПРЛ-25,4-6000А ГОСТ 13568-75

Заводской номер: Звенья П-ПРЛ-25,4-6000А ГОСТ 13568-75 Количество на модель: 1
Звенья П-ПРЛ-25,4-6000А ГОСТ 13568-75
1