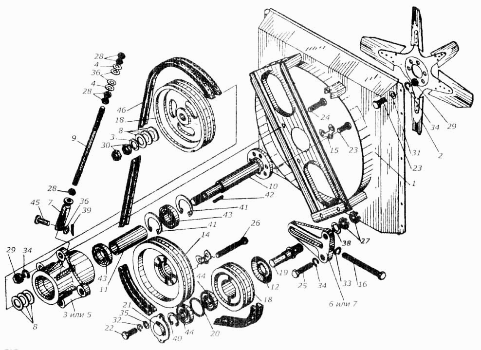
Установка привода вентилятора КИС 0106650В КСК-100А. Каталог 2002г.
История предприятия начинается с 1934 года с центральной ремонтной мастерской совхоза "Гигант" Сальского района Ростовской области. Мастерская была преобразована в авторемонтный завод по капитальному ремонту тракторов, моторов и автомашин.
Во время войны завод выпускал спецпродукцию, затем был эвакуирован в г. Гори на Кавказе. И после освобождения Ростовской области завод вернулся на свое место в Сальский район, где освоил выпуск токарных станков. До 1959 года страна получала высокопроизводительные станки. А с 1960 завод специализируется на выпуске сельскохозяйственной техники для уборки незерновой части урожая - копновозов КНУ-11 и стогометателей СНУ - 0,5. А затем и новой сельскохозяйственной машины - копновоза КУН - 10. В 1965 году предприятие переименовалось в Сальский завод сельскохозяйственного машиностроения - "Сальсксельмаш".
С 1976 года началась подготовка к выпуску фронтального погрузчика ПФ-0.75, предназначенного для работы на складах минеральных удобрений. Основная продукция с 1983 года и по нынешний день - погрузчик-копновоз универсальный ПКУ-0.8, выпускаемый в нескольких комплектациях. Прекрасных отзывов удостоен и стогометатель-погрузчик СНУ-550.
В 2003 году "Сальсксельмаш" приступил к выпуску коммунальной техники: щеток, отвалов, погрузчиков на трактора различных марок.
С 2004 года завод приступил к перевооружению производства. Было освоено холодное выдавливание гидроарматуры, плазменная резка труб различных профилей и диаметров, изготовление деталей на станках с числовым программным управлением.
За период с 2006 по 2012 год завод значительно обновил станочный парк. Были приобретены 5 лазерно-раскройных комплексов, более 20 токарных станков с ЧПУ, гибочный пресс,6 токарных полуавтоматов, 3 ленточно-пильных станка, 12 фрезерных станков, пружинонавивочный станок, около 40 современных сварочных аппаратов, 2 печи, введена в строй новая конвейерная окрасочная линия, восстановлены 2 линии нанесения оцинкованного покрытия, построены и восстановлены несколько цехов и котельная.
История предприятия начинается с 1934 года с центральной ремонтной мастерской совхоза "Гигант" Сальского района Ростовской области. Мастерская была преобразована в авторемонтный завод по капитальному ремонту тракторов, моторов и автомашин.
Во время войны завод выпускал спецпродукцию, затем был эвакуирован в г. Гори на Кавказе. И после освобождения Ростовской области завод вернулся на свое место в Сальский район, где освоил выпуск токарных станков. До 1959 года страна получала высокопроизводительные станки. А с 1960 завод специализируется на выпуске сельскохозяйственной техники для уборки незерновой части урожая - копновозов КНУ-11 и стогометателей СНУ - 0,5. А затем и новой сельскохозяйственной машины - копновоза КУН - 10. В 1965 году предприятие переименовалось в Сальский завод сельскохозяйственного машиностроения - "Сальсксельмаш".
С 1976 года началась подготовка к выпуску фронтального погрузчика ПФ-0.75, предназначенного для работы на складах минеральных удобрений. Основная продукция с 1983 года и по нынешний день - погрузчик-копновоз универсальный ПКУ-0.8, выпускаемый в нескольких комплектациях. Прекрасных отзывов удостоен и стогометатель-погрузчик СНУ-550.
В 2003 году "Сальсксельмаш" приступил к выпуску коммунальной техники: щеток, отвалов, погрузчиков на трактора различных марок.
С 2004 года завод приступил к перевооружению производства. Было освоено холодное выдавливание гидроарматуры, плазменная резка труб различных профилей и диаметров, изготовление деталей на станках с числовым программным управлением.
За период с 2006 по 2012 год завод значительно обновил станочный парк. Были приобретены 5 лазерно-раскройных комплексов, более 20 токарных станков с ЧПУ, гибочный пресс,6 токарных полуавтоматов, 3 ленточно-пильных станка, 12 фрезерных станков, пружинонавивочный станок, около 40 современных сварочных аппаратов, 2 печи, введена в строй новая конвейерная окрасочная линия, восстановлены 2 линии нанесения оцинкованного покрытия, построены и восстановлены несколько цехов и котельная.
История предприятия начинается с 1934 года с центральной ремонтной мастерской совхоза "Гигант" Сальского района Ростовской области. Мастерская была преобразована в авторемонтный завод по капитальному ремонту тракторов, моторов и автомашин.
Во время войны завод выпускал спецпродукцию, затем был эвакуирован в г. Гори на Кавказе. И после освобождения Ростовской области завод вернулся на свое место в Сальский район, где освоил выпуск токарных станков. До 1959 года страна получала высокопроизводительные станки. А с 1960 завод специализируется на выпуске сельскохозяйственной техники для уборки незерновой части урожая - копновозов КНУ-11 и стогометателей СНУ - 0,5. А затем и новой сельскохозяйственной машины - копновоза КУН - 10. В 1965 году предприятие переименовалось в Сальский завод сельскохозяйственного машиностроения - "Сальсксельмаш".
С 1976 года началась подготовка к выпуску фронтального погрузчика ПФ-0.75, предназначенного для работы на складах минеральных удобрений. Основная продукция с 1983 года и по нынешний день - погрузчик-копновоз универсальный ПКУ-0.8, выпускаемый в нескольких комплектациях. Прекрасных отзывов удостоен и стогометатель-погрузчик СНУ-550.
В 2003 году "Сальсксельмаш" приступил к выпуску коммунальной техники: щеток, отвалов, погрузчиков на трактора различных марок.
С 2004 года завод приступил к перевооружению производства. Было освоено холодное выдавливание гидроарматуры, плазменная резка труб различных профилей и диаметров, изготовление деталей на станках с числовым программным управлением.
За период с 2006 по 2012 год завод значительно обновил станочный парк. Были приобретены 5 лазерно-раскройных комплексов, более 20 токарных станков с ЧПУ, гибочный пресс,6 токарных полуавтоматов, 3 ленточно-пильных станка, 12 фрезерных станков, пружинонавивочный станок, около 40 современных сварочных аппаратов, 2 печи, введена в строй новая конвейерная окрасочная линия, восстановлены 2 линии нанесения оцинкованного покрытия, построены и восстановлены несколько цехов и котельная.
История предприятия начинается с 1934 года с центральной ремонтной мастерской совхоза "Гигант" Сальского района Ростовской области. Мастерская была преобразована в авторемонтный завод по капитальному ремонту тракторов, моторов и автомашин.
Во время войны завод выпускал спецпродукцию, затем был эвакуирован в г. Гори на Кавказе. И после освобождения Ростовской области завод вернулся на свое место в Сальский район, где освоил выпуск токарных станков. До 1959 года страна получала высокопроизводительные станки. А с 1960 завод специализируется на выпуске сельскохозяйственной техники для уборки незерновой части урожая - копновозов КНУ-11 и стогометателей СНУ - 0,5. А затем и новой сельскохозяйственной машины - копновоза КУН - 10. В 1965 году предприятие переименовалось в Сальский завод сельскохозяйственного машиностроения - "Сальсксельмаш".
С 1976 года началась подготовка к выпуску фронтального погрузчика ПФ-0.75, предназначенного для работы на складах минеральных удобрений. Основная продукция с 1983 года и по нынешний день - погрузчик-копновоз универсальный ПКУ-0.8, выпускаемый в нескольких комплектациях. Прекрасных отзывов удостоен и стогометатель-погрузчик СНУ-550.
В 2003 году "Сальсксельмаш" приступил к выпуску коммунальной техники: щеток, отвалов, погрузчиков на трактора различных марок.
С 2004 года завод приступил к перевооружению производства. Было освоено холодное выдавливание гидроарматуры, плазменная резка труб различных профилей и диаметров, изготовление деталей на станках с числовым программным управлением.
За период с 2006 по 2012 год завод значительно обновил станочный парк. Были приобретены 5 лазерно-раскройных комплексов, более 20 токарных станков с ЧПУ, гибочный пресс,6 токарных полуавтоматов, 3 ленточно-пильных станка, 12 фрезерных станков, пружинонавивочный станок, около 40 современных сварочных аппаратов, 2 печи, введена в строй новая конвейерная окрасочная линия, восстановлены 2 линии нанесения оцинкованного покрытия, построены и восстановлены несколько цехов и котельная.
На складах : 461 шт.
На складах : 27 шт.
ГПЗ – компания, производящая широкий спектр подшипников различного размера, конфигурации и формы для автомобильной, сельскохозяйственной, нефтегазовой и энергетической промышленности в России.
История предприятия «Московский подшипник» началась в 1932 году, но ГПЗ по сей день активно развивается и модернизируется, согласно условиям современного рынка запчастей. Старейший столичный завод входит в масштабный холдинг «Европейская Подшипниковая Корпорация».
Сегодня, заводское производство в основном сконцентрировано на изготовлении роликовых и шариковых подшипников большого диаметра — вплоть до 2200 мм. ГПЗ специализируется также на высокоточных моделях, которые пользуются просом в станкостроительной промышленности.
Несмотря на то, что ассортимент предоставляемой продукции сузился, предприятие все еще производит и реализует самые востребованные модели подшипников для ремонта, в том числе крупногабаритные, сохраняя превосходное качество по доступной цене. Ежегодно, под брендом выпускается около 80 миллионов сертифицированных изделий.
Весь каталог товаров ГПЗ проходит особый контроль заявленных характеристик износоустойчивость на каждом этапе производственной цепи — это помогает значительно сократить вероятность брака, что подтверждается позитивными отзывами потребителей.
Ассортимент:
- Радиальные подшипники
- Радиально-упорные подшипники
- Конические подшипники
- Роликовые подшипники
- Цилиндрические подшипники
- Промышленные подшипники
На складах : 347 шт.
ГПЗ – компания, производящая широкий спектр подшипников различного размера, конфигурации и формы для автомобильной, сельскохозяйственной, нефтегазовой и энергетической промышленности в России.
История предприятия «Московский подшипник» началась в 1932 году, но ГПЗ по сей день активно развивается и модернизируется, согласно условиям современного рынка запчастей. Старейший столичный завод входит в масштабный холдинг «Европейская Подшипниковая Корпорация».
Сегодня, заводское производство в основном сконцентрировано на изготовлении роликовых и шариковых подшипников большого диаметра — вплоть до 2200 мм. ГПЗ специализируется также на высокоточных моделях, которые пользуются просом в станкостроительной промышленности.
Несмотря на то, что ассортимент предоставляемой продукции сузился, предприятие все еще производит и реализует самые востребованные модели подшипников для ремонта, в том числе крупногабаритные, сохраняя превосходное качество по доступной цене. Ежегодно, под брендом выпускается около 80 миллионов сертифицированных изделий.
Весь каталог товаров ГПЗ проходит особый контроль заявленных характеристик износоустойчивость на каждом этапе производственной цепи — это помогает значительно сократить вероятность брака, что подтверждается позитивными отзывами потребителей.
Ассортимент:
- Радиальные подшипники
- Радиально-упорные подшипники
- Конические подшипники
- Роликовые подшипники
- Цилиндрические подшипники
- Промышленные подшипники
На складах : 9 шт.
Автомобильный концерн ГАЗ является одним из ведущих производителей в России. Компания предлагает запчасти для всех своих моделей автомобилей, а также поставляет комплектующие и сопутствующие товары на рынок автокомпонентов.
Преимущества автозапчастей ГАЗ заключаются в заметном качестве и надежности продукции, а также в доступных ценах. Благодаря использованию современных технологий и высококвалифицированному персоналу, ГАЗ гарантирует соответствующие характеристики продукции.
Все запчасти и компоненты проходят строгий контроль качества на каждом из этапов производства и подвергаются испытаниям в специальных лабораториях. Это обеспечивает стабильную работу и долговечность продукции ГАЗ. Детали производятся с использованием современных технологий и проверенных материалов. Это обеспечивает высокую производительность и безопасность автомобилей, а также улучшенный комфорт во время эксплуатации.
Компания предлагает широкий ассортимент запчастей для различных моделей автомобилей, а также для транспортных средств других марок. Все изделия имеют сертификаты соответствия и гарантию на производственные дефекты.
Кроме того, ГАЗ постоянно совершенствует свои продукты и осваивает новые рынки, чтобы удовлетворить даже самые неожиданные потребности своих клиентов. Все это выгодно выделяет автозапчасти и автокомпоненты ГАЗ в глазах покупателей, как в России, так и за ее пределами.
Ассортимент:
- Двигатели и их компоненты, такие как поршни, кольца, клапаны и т.д.
- Трансмиссия, включая коробки передач и дифференциалы.
- Системы выхлопа, включая глушители, катализаторы и трубы.
- Рулевое управление, включая рулевые рейки и насосы гидроусилителя руля.
- Подвеска, включая амортизаторы, пружины, рычаги и шаровые опоры.
- Тормозные системы, включая тормозные колодки, диски и суппорты.
- Электроника, включая стартеры, генераторы, аккумуляторы и свечи зажигания.
- Кузовные запчасти, включая крылья, двери, бамперы и фары.
Автомобильный концерн ГАЗ является одним из ведущих производителей в России. Компания предлагает запчасти для всех своих моделей автомобилей, а также поставляет комплектующие и сопутствующие товары на рынок автокомпонентов.
Преимущества автозапчастей ГАЗ заключаются в заметном качестве и надежности продукции, а также в доступных ценах. Благодаря использованию современных технологий и высококвалифицированному персоналу, ГАЗ гарантирует соответствующие характеристики продукции.
Все запчасти и компоненты проходят строгий контроль качества на каждом из этапов производства и подвергаются испытаниям в специальных лабораториях. Это обеспечивает стабильную работу и долговечность продукции ГАЗ. Детали производятся с использованием современных технологий и проверенных материалов. Это обеспечивает высокую производительность и безопасность автомобилей, а также улучшенный комфорт во время эксплуатации.
Компания предлагает широкий ассортимент запчастей для различных моделей автомобилей, а также для транспортных средств других марок. Все изделия имеют сертификаты соответствия и гарантию на производственные дефекты.
Кроме того, ГАЗ постоянно совершенствует свои продукты и осваивает новые рынки, чтобы удовлетворить даже самые неожиданные потребности своих клиентов. Все это выгодно выделяет автозапчасти и автокомпоненты ГАЗ в глазах покупателей, как в России, так и за ее пределами.
Ассортимент:
- Двигатели и их компоненты, такие как поршни, кольца, клапаны и т.д.
- Трансмиссия, включая коробки передач и дифференциалы.
- Системы выхлопа, включая глушители, катализаторы и трубы.
- Рулевое управление, включая рулевые рейки и насосы гидроусилителя руля.
- Подвеска, включая амортизаторы, пружины, рычаги и шаровые опоры.
- Тормозные системы, включая тормозные колодки, диски и суппорты.
- Электроника, включая стартеры, генераторы, аккумуляторы и свечи зажигания.
- Кузовные запчасти, включая крылья, двери, бамперы и фары.
BRT ASK - это компания, которая специализируется на производстве высококачественных ремней генератора для легковых и грузовых автомобилей. Их детали славятся надежностью и долговечностью, что делает их одними из ведущих в своем направлении.
Специалисты BRT ASK используют современные производственные методы, внедряет инновации и строго контролируют каждый этап, чтобы гарантировать высокое качество конечной продукции. Итоговые товары проходят через испытания на соответствие стандартам износостойкости, что обеспечивает безупречную работу и долгий срок службы автодеталей.
Бренд BRT ASK предлагает широкий ассортимент автозапчастей, включая ремни генератора, компрессора, вентилятора и многие другие. Все запчасти отвечают запросам потребителей на эффективные запасные части по доступной цене. Их комплектующие способны работать в самых экстремальных условиях, что делает их идеальным вариантом для автомобилей, используемых в различных отраслях, включая грузоперевозки, общественный и личный транспорт.
В итоге, если вы ищете надежные и качественные автозапчасти для вашего транспортного средства, то компания BRT ASK - это лучший выбор. Их продукция обеспечивает безопасность и стабильность эксплуатации вашего автомобиля, а также повышает его производительность.
Ассортимент:
- Ремни генератора
- Ремни компрессора
- Приводные ремни
- Ремни вентилятора
- Ремни водяного насоса
На складах : 204 шт.
BRT ASK - это компания, которая специализируется на производстве высококачественных ремней генератора для легковых и грузовых автомобилей. Их детали славятся надежностью и долговечностью, что делает их одними из ведущих в своем направлении.
Специалисты BRT ASK используют современные производственные методы, внедряет инновации и строго контролируют каждый этап, чтобы гарантировать высокое качество конечной продукции. Итоговые товары проходят через испытания на соответствие стандартам износостойкости, что обеспечивает безупречную работу и долгий срок службы автодеталей.
Бренд BRT ASK предлагает широкий ассортимент автозапчастей, включая ремни генератора, компрессора, вентилятора и многие другие. Все запчасти отвечают запросам потребителей на эффективные запасные части по доступной цене. Их комплектующие способны работать в самых экстремальных условиях, что делает их идеальным вариантом для автомобилей, используемых в различных отраслях, включая грузоперевозки, общественный и личный транспорт.
В итоге, если вы ищете надежные и качественные автозапчасти для вашего транспортного средства, то компания BRT ASK - это лучший выбор. Их продукция обеспечивает безопасность и стабильность эксплуатации вашего автомобиля, а также повышает его производительность.
Ассортимент:
- Ремни генератора
- Ремни компрессора
- Приводные ремни
- Ремни вентилятора
- Ремни водяного насоса
Современное акционерное общество RUBENA Градец Кралове (RUBENA Hradec Kra'love') возникло в 1999 году в результате объединения двух, к тому времени самостоятельных, субъектов, а именно - фирм RUBENA Наход (RUBENA Na'chod) и GUMOKOV Градец Кралове (GUMOKOV Hradec Kra'love') Производство резины в Находе продолжается уже более 100 лет. В 1908 году Йозеф Кудрнач начал производство смазочных материалов, сальников и асбесто-резиновых изделий. В 1923 году в качестве компаньона для производство технической резины был приглашен Ярослав Хакауфа. В 1928 году партнеры разошлись и Кудрнач в Находе организовал производство автомобильных шин и камер. В 1929 году фирма Кудрнач выпустила первую чешскую автомобильную покрышку и камеру. После 2-ой мировой войны фирма Кудрнач стала государственным предприятием. В 1947 году она получила свое новое название – RUBENA. Через год в Находе был основан комбинат Rubena Наход, который объединился с резиновым заводом в Градце и с машиностроительным заводом в Пршедмнержицих. Через пять лет была проведена реорганизация отрасли и возникло VHJ Чешские резиновые заводы Наход с заводами ZZN Наход, SNP Прага, Gumokov Градец Кралове, Osinek Костелец над Орлицей и Asbestos Звержинек. В 60-х годах при производстве технической резины начали использовать инжекторно-прессовочную технологию. В начале 70-х лет производство автомобильных шин было перемещено из Находа в Отроковицы. В 1989 году было образовано самостоятельное государственное предприятие RUBENA Наход, а через три года оно стало акционерным обществом. Начало резинового производства в Градце Кралове ведет отчет с 25 августа 1928 года, когда в торговом реестре была зарегистрирована фирма, занимающаяся производством резиновых изделий. Само производство началось 14 августа 1929 года, и в 1930 году фирма получила название Gumovka – инж. Ярослав Гакауф и сыновья. Во время войны производство продолжалось. После войны прежний хозяин уже не вернулся. Фирма была национализирована и вошла в состав резинового комбината Rubena Наход. В 1953 году было образовано самостоятельное государственное предприятие Gumokov Градец Кралове, которое было выделено из находского объединения и стало напрямую подчиняться Главному управлению резиновой промышленности. В 1958 году Gumokov вошел в состав вновь созданного производственно-хозяйственного объединения Чешские резиновые заводы и в таком виде существовал вплоть до 1990 года. В конце 1990 года возникло акционерное общество GUMOKOV, которое было включено во вторую очередь приватизации. Через два года в результате объединения с фирмой RUBENA Наход возникло акционерное общество RUBENA Градец Кралове с заводами в Градце Кралове, Находе, Велкем Поржичи. Одним из видов продукции, выпускаемой предприятием, являются ремни, предназначенные для передачи движения от вала двигателя к рабочим агрегатам автомобилей, автобусов, тракторов и комбайнов. Компания выпускает различные типы приводных ремней: - клиновые обернутые ремни - стандартные - клиновые обернутые ремни - узкие - клиновые обернутые ремни - вариаторные - клиновые обернутые ремни - многоручьевые - клиновые обернутые ремни - садовая техника - клиновые приводные ремни резаные - стандартные - клиновые приводные ремни резаные - узкие - вариаторные ремни разнообразного назначения - клиновые ремни резаные - вариаторные сельскохозяйственные - автомобильные резаные клиновые ремни - автомобильные поликлиновые ремни - вариаторные ремни для снегоходов Наиболее востребованные автомобильные ремни всегда присутствуют в ассортименте компании "АвтоАльянс".
Современное акционерное общество RUBENA Градец Кралове (RUBENA Hradec Kra'love') возникло в 1999 году в результате объединения двух, к тому времени самостоятельных, субъектов, а именно - фирм RUBENA Наход (RUBENA Na'chod) и GUMOKOV Градец Кралове (GUMOKOV Hradec Kra'love') Производство резины в Находе продолжается уже более 100 лет. В 1908 году Йозеф Кудрнач начал производство смазочных материалов, сальников и асбесто-резиновых изделий. В 1923 году в качестве компаньона для производство технической резины был приглашен Ярослав Хакауфа. В 1928 году партнеры разошлись и Кудрнач в Находе организовал производство автомобильных шин и камер. В 1929 году фирма Кудрнач выпустила первую чешскую автомобильную покрышку и камеру. После 2-ой мировой войны фирма Кудрнач стала государственным предприятием. В 1947 году она получила свое новое название – RUBENA. Через год в Находе был основан комбинат Rubena Наход, который объединился с резиновым заводом в Градце и с машиностроительным заводом в Пршедмнержицих. Через пять лет была проведена реорганизация отрасли и возникло VHJ Чешские резиновые заводы Наход с заводами ZZN Наход, SNP Прага, Gumokov Градец Кралове, Osinek Костелец над Орлицей и Asbestos Звержинек. В 60-х годах при производстве технической резины начали использовать инжекторно-прессовочную технологию. В начале 70-х лет производство автомобильных шин было перемещено из Находа в Отроковицы. В 1989 году было образовано самостоятельное государственное предприятие RUBENA Наход, а через три года оно стало акционерным обществом. Начало резинового производства в Градце Кралове ведет отчет с 25 августа 1928 года, когда в торговом реестре была зарегистрирована фирма, занимающаяся производством резиновых изделий. Само производство началось 14 августа 1929 года, и в 1930 году фирма получила название Gumovka – инж. Ярослав Гакауф и сыновья. Во время войны производство продолжалось. После войны прежний хозяин уже не вернулся. Фирма была национализирована и вошла в состав резинового комбината Rubena Наход. В 1953 году было образовано самостоятельное государственное предприятие Gumokov Градец Кралове, которое было выделено из находского объединения и стало напрямую подчиняться Главному управлению резиновой промышленности. В 1958 году Gumokov вошел в состав вновь созданного производственно-хозяйственного объединения Чешские резиновые заводы и в таком виде существовал вплоть до 1990 года. В конце 1990 года возникло акционерное общество GUMOKOV, которое было включено во вторую очередь приватизации. Через два года в результате объединения с фирмой RUBENA Наход возникло акционерное общество RUBENA Градец Кралове с заводами в Градце Кралове, Находе, Велкем Поржичи. Одним из видов продукции, выпускаемой предприятием, являются ремни, предназначенные для передачи движения от вала двигателя к рабочим агрегатам автомобилей, автобусов, тракторов и комбайнов. Компания выпускает различные типы приводных ремней: - клиновые обернутые ремни - стандартные - клиновые обернутые ремни - узкие - клиновые обернутые ремни - вариаторные - клиновые обернутые ремни - многоручьевые - клиновые обернутые ремни - садовая техника - клиновые приводные ремни резаные - стандартные - клиновые приводные ремни резаные - узкие - вариаторные ремни разнообразного назначения - клиновые ремни резаные - вариаторные сельскохозяйственные - автомобильные резаные клиновые ремни - автомобильные поликлиновые ремни - вариаторные ремни для снегоходов Наиболее востребованные автомобильные ремни всегда присутствуют в ассортименте компании "АвтоАльянс".