C 9:00 до 20:00. Звонок по РФ бесплатный

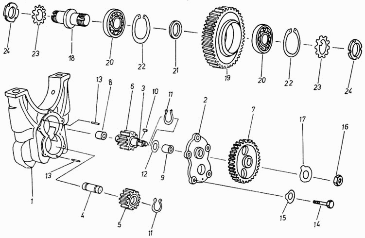
Отдельные части масляного насоса Е-281-С

ВниманиеЭлектронный автокаталог запчастей предназначен для справочных целей! Наша компания продает только те товары, у которых есть цены в списке.

Вид отображения:

Детали справа
1

Номер детали на чертеже: 

1

Корпус масляного насоса

Заводской номер: Корпус масляного насоса Количество на модель: 1
Корпус масляного насоса
1
2

Номер детали на чертеже: 

2

Крышка масляного насоса

Заводской номер: 1202 82007 8 Количество на модель: 1
1202 82007 8
1
3

Номер детали на чертеже: 

3

Приводной вал

Заводской номер: 1202 82606 7 Количество на модель: 1
1202 82606 7
1
4

Номер детали на чертеже: 

4

Валик масляного насоса

Заводской номер: 1202 82011 7 Количество на модель: 1
1202 82011 7
1
5

Номер детали на чертеже: 

5

Рабочее колесо масляного насоса

Заводской номер: 1202 82008 6 Количество на модель: 1
1202 82008 6
1
6

Номер детали на чертеже: 

6

Рабочее колесо масляного насоса

Заводской номер: 1202 82009 4 Количество на модель: 1
1202 82009 4
1
7

Номер детали на чертеже: 

7

Приводное колесо (масляный насос)

Заводской номер: 1202 82010 0 Количество на модель: 1
1202 82010 0
1
8

Номер детали на чертеже: 

8

Втулка

Заводской номер: 1202 82607 5 Количество на модель: 1
1202 82607 5
1
9

Номер детали на чертеже: 

9

Втулка

Заводской номер: 1203 06163 4 Количество на модель: 1
1203 06163 4
1
10

Номер детали на чертеже: 

10

Призматическая шпонка

Заводской номер: 1202 82012 5 Количество на модель: 2
1202 82012 5
2
11

Номер детали на чертеже: 

11

Кольцо стопорное

Заводской номер: 9964 91716 8 Количество на модель: 2
9964 91716 8
2
12

Номер детали на чертеже: 

12

Установочная шайба 20х1

Заводской номер: 9965 92048 4 Количество на модель: 1
9965 92048 4
1
13

Номер детали на чертеже: 

13

Цилиндрический штифт 6х12

Заводской номер: 0067 94426 4 Количество на модель: 2
0067 94426 4
2
14

Номер детали на чертеже: 

14

Болт шестигранный

Заводской номер: 9933 92931 3 Количество на модель: 6
9933 92931 3
6
15

Номер детали на чертеже: 

15

Шайба пружинная

Заводской номер: 9961 91991 0 Количество на модель: 6
9961 91991 0
6
16

Номер детали на чертеже: 

16

Шестигранная гайка М16х1,5

Заводской номер: 9950 89606 2 Количество на модель: 1
9950 89606 2
1
17

Номер детали на чертеже: 

17

Стопорная шайба 17

Заводской номер: 9962 92365 8 Количество на модель: 1
9962 92365 8
1
18

Номер детали на чертеже: 

18

Цапфа подшипника

Заводской номер: 1202 82014 1 Количество на модель: 1
1202 82014 1
1
19

Номер детали на чертеже: 

19

Промежуточное колесо

Заводской номер: 1201 67702 1 Количество на модель: 1
1201 67702 1
1
20

Номер детали на чертеже: 

20

Радиальный шарикоподшипник

Заводской номер: Радиальный шарикоподшипник Количество на модель: 2
Радиальный шарикоподшипник
2
21

Номер детали на чертеже: 

21

Распорная гильза

Заводской номер: 1202 82016 6 Количество на модель: 1
1202 82016 6
1
22

Номер детали на чертеже: 

22

Кольцо стопорное

Заводской номер: 9964 91782 6 Количество на модель: 2
9964 91782 6
2
23

Номер детали на чертеже: 

23

Стопорная шайба 35

Заводской номер: 9962 92532 1 Количество на модель: 2
9962 92532 1
2
24

Номер детали на чертеже: 

24

Шлицевая гайка АМ35х1,5

Заводской номер: 9952 89519 7 Количество на модель: 2
9952 89519 7
2