8 800 700-05-95 Все контакты

C 9:00 до 20:00. Звонок по РФ бесплатный

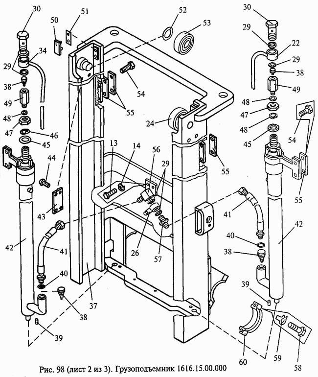
Грузоподъемник 1616.15.00.000 ЭП-1616

ВниманиеЭлектронный автокаталог запчастей предназначен для справочных целей! Наша компания продает только те товары, у которых есть цены в списке.

Вид отображения:

Детали справа
13

Номер детали на чертеже: 

13

Болт М8-8gх20.46.06 {ГОСТ 7796-70}

Заводской номер: Болт М8-8gх20.46.06 {ГОСТ 7796-70} Количество на модель: 2
Болт М8-8gх20.46.06 {ГОСТ 7796-70}
2
14

Номер детали на чертеже: 

14

Шайба 8 65Г 06 {ГОСТ 6402-70}

Заводской номер: Шайба 8 65Г 06 {ГОСТ 6402-70} Количество на модель: 2
Шайба 8 65Г 06 {ГОСТ 6402-70}
2
22

Номер детали на чертеже: 

22

Трубопровод

Заводской номер: 1616.15.00.010 Количество на модель: 1
1616.15.00.010
1
24

Номер детали на чертеже: 

24

Подшипник 460808АС {ТУ 37.006.111-80}

Заводской номер: Подшипник 460808АС {ТУ 37.006.111-80} Количество на модель: 2
Подшипник 460808АС {ТУ 37.006.111-80}
2
26

Номер детали на чертеже: 

26

Дроссель

Заводской номер: 1616.05.00.040 Количество на модель: 2
1616.05.00.040
2
29

Номер детали на чертеже: 

29

Прокладка 24М1 {ГОСТ 23358-87}

Заводской номер: Прокладка 24М1 {ГОСТ 23358-87} Количество на модель: 6
Прокладка 24М1 {ГОСТ 23358-87}
6
30

Номер детали на чертеже: 

30

Штуцер

Заводской номер: 1216.05.00.007 Количество на модель: 1
1216.05.00.007
1
34

Номер детали на чертеже: 

34

Трубопровод

Заводской номер: 1616.15.00.010-01 Количество на модель: 1
1616.15.00.010-01
1
37

Номер детали на чертеже: 

37

Рама

Заводской номер: 1616.15.04.000 Количество на модель: 1
1616.15.04.000
1
38

Номер детали на чертеже: 

38

Клапан

Заводской номер: 1616.05.00.010-01 Количество на модель: 4
1616.05.00.010-01
4
39

Номер детали на чертеже: 

39

Штифт пружинный

Заводской номер: 1616.05.00.101 Количество на модель: 2
1616.05.00.101
2
40

Номер детали на чертеже: 

40

Кольцо 021-025-25-2-2 {ГОСТ 18829-73}

Заводской номер: Кольцо 021-025-25-2-2 {ГОСТ 18829-73} Количество на модель: 2
Кольцо 021-025-25-2-2 {ГОСТ 18829-73}
2
858404
БЕЛАРУСЬРЕЗИНОТЕХНИКА
021-025-25-2-2
Код: 858404
Артикул: 021-025-25-2-2,
Производитель: БЕЛАРУСЬРЕЗИНОТЕХНИКА
41

Номер детали на чертеже: 

41

Рукав высокого давления

Заводской номер: 1616.05.00.420 Количество на модель: 2
1616.05.00.420
2
42

Номер детали на чертеже: 

42

Цилиндр

Заводской номер: 1616.15.11.000 Количество на модель: 1
1616.15.11.000
1
43

Номер детали на чертеже: 

43

Табличка

Заводской номер: 103К.15.10.009 Количество на модель: 1
103К.15.10.009
1
44

Номер детали на чертеже: 

44

Винт В.М3-8gх6.46.06 {ГОСТ 17473-80}

Заводской номер: Винт В.М3-8gх6.46.06 {ГОСТ 17473-80} Количество на модель: 8
Винт В.М3-8gх6.46.06 {ГОСТ 17473-80}
8
45

Номер детали на чертеже: 

45

Прокладка

Заводской номер: 1616.15.00.007 Количество на модель: 5
1616.15.00.007
5
46

Номер детали на чертеже: 

46

Шайба 27 65Г 06 {ГОСТ 6402-70}

Заводской номер: Шайба 27 65Г 06 {ГОСТ 6402-70} Количество на модель: 2
Шайба 27 65Г 06 {ГОСТ 6402-70}
2
47

Номер детали на чертеже: 

47

Гайка

Заводской номер: 1616.15.00.002 Количество на модель: 2
1616.15.00.002
2
48

Номер детали на чертеже: 

48

Кольцо 018-022-25-2-2 {ГОСТ 18829-73}

Заводской номер: Кольцо 018-022-25-2-2 {ГОСТ 18829-73} Количество на модель: 2
Кольцо 018-022-25-2-2 {ГОСТ 18829-73}
2
620903
РУСЛАН-КОМПЛЕКТ
50-3406015*РК 711, 017-022-30
Код: 620903
Артикул: 50-3406015*РК, 711, 017-022-30
Нет в наличии

На складах : Нет в наличии

Производитель: РУСЛАН-КОМПЛЕКТ
222011
БОРИСОВ
70-3400015 РК
Код: 222011
Артикул: 70-3400015 РК,
Производитель: БОРИСОВ
258391
УРАЛОПТ
018-022 018-022-25-2-2
Код: 258391
Артикул: 018-022, 018-022-25-2-2
Под заказ

На складах : Под заказ

Производитель: УРАЛОПТ
405790
ВИТЯЗЬ
Ц125*РК 3016
Код: 405790
Артикул: Ц125*РК, 3016
Производитель: ВИТЯЗЬ
405839
ВИТЯЗЬ
Ц125*РК 3015
Код: 405839
Артикул: Ц125*РК, 3015
Производитель: ВИТЯЗЬ
405840
ВИТЯЗЬ
Ц125хРК 3014
Код: 405840
Артикул: Ц125хРК, 3014
Производитель: ВИТЯЗЬ
405981
ВИТЯЗЬ
77.72А.011*РК 5015
Код: 405981
Артикул: 77.72А.011*РК, 5015
Производитель: ВИТЯЗЬ
406089
ВИТЯЗЬ
50-3406015*РК 5011
Код: 406089
Артикул: 50-3406015*РК, 5011
Производитель: ВИТЯЗЬ
406479
ВИТЯЗЬ
45-340*РК 5008
Код: 406479
Артикул: 45-340*РК, 5008
Производитель: ВИТЯЗЬ
249118
БЕЛАРУСЬРЕЗИНОТЕХНИКА
018-022-25-2-2
Код: 249118
Артикул: 018-022-25-2-2,
Производитель: БЕЛАРУСЬРЕЗИНОТЕХНИКА
49

Номер детали на чертеже: 

49

Штуцер

Заводской номер: 1616.15.00.106 Количество на модель: 2
1616.15.00.106
2
50

Номер детали на чертеже: 

50

Упор

Заводской номер: 1216.05.00.005 Количество на модель: 2
1216.05.00.005
2
51

Номер детали на чертеже: 

51

Прокладка

Заводской номер: 1216.05.00.014 Количество на модель: 4
1216.05.00.014
4
52

Номер детали на чертеже: 

52

Прокладка

Заводской номер: 1216.05.00.064 Количество на модель: 8
1216.05.00.064
8
53

Номер детали на чертеже: 

53

Подшипник 460807АКС17 {ТУ 37.006.111-80}

Заводской номер: Подшипник 460807АКС17 {ТУ 37.006.111-80} Количество на модель: 6
Подшипник 460807АКС17 {ТУ 37.006.111-80}
6
54

Номер детали на чертеже: 

54

Болт М12-6ех30.109.40Х.029 {ГОСТ 7798-70}

Заводской номер: Болт М12-6ех30.109.40Х.029 {ГОСТ 7798-70} Количество на модель: 4
Болт М12-6ех30.109.40Х.029 {ГОСТ 7798-70}
4
55

Номер детали на чертеже: 

55

Прокладка

Заводской номер: 1602.15.00.002 Количество на модель: 6
1602.15.00.002
6
56

Номер детали на чертеже: 

56

Коллектор

Заводской номер: 1616.05.00.080 Количество на модель: 1
1616.05.00.080
1
57

Номер детали на чертеже: 

57

Штуцер

Заводской номер: 1616.05.00.004 Количество на модель: 1
1616.05.00.004
1
58

Номер детали на чертеже: 

58

Болт М16-8gх60.56.05 {ГОСТ 7796-70}

Заводской номер: Болт М16-8gх60.56.05 {ГОСТ 7796-70} Количество на модель: 4
Болт М16-8gх60.56.05 {ГОСТ 7796-70}
4
59

Номер детали на чертеже: 

59

Шайба 16.01.08кп.06 {ГОСТ 13463-77}

Заводской номер: Шайба 16.01.08кп.06 {ГОСТ 13463-77} Количество на модель: 4
Шайба 16.01.08кп.06 {ГОСТ 13463-77}
4
60

Номер детали на чертеже: 

60

Крышка

Заводской номер: 1216.05.00.004 Количество на модель: 2
1216.05.00.004
2