8 800 700-05-95 Все контакты

C 9:00 до 20:00. Звонок по РФ бесплатный

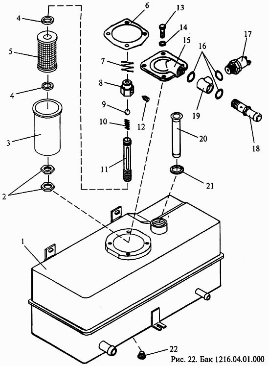
Бак ЭП-1616

ВниманиеЭлектронный автокаталог запчастей предназначен для справочных целей! Наша компания продает только те товары, у которых есть цены в списке.

Вид отображения:

Детали справа
1

Номер детали на чертеже: 

1

Резервуар

Заводской номер: 1216.04.01.010 Количество на модель: 1
1216.04.01.010
1
2

Номер детали на чертеже: 

2

Гайка

Заводской номер: 1601.04.12.009 Количество на модель: 2
1601.04.12.009
2
3

Номер детали на чертеже: 

3

Корпус

Заводской номер: 103К.04.01.032 Количество на модель: 1
103К.04.01.032
1
4

Номер детали на чертеже: 

4

Прокладка

Заводской номер: 103К.04.01.033 Количество на модель: 2
103К.04.01.033
2
5

Номер детали на чертеже: 

5

Элемент фильтрующий «Реготмас 601-1-06» УХЛ2 {ТУ 3689-003-26361511-94}

Заводской номер: Элемент фильтрующий «Реготмас 601-1-06» УХЛ2 {ТУ 3689-003-26361511-94} Количество на модель: 1
Элемент фильтрующий «Реготмас 601-1-06» УХЛ2 {ТУ 3689-003-26361511-94}
1
6

Номер детали на чертеже: 

6

Прокладка

Заводской номер: 1216.04.01.006 Количество на модель: 1
1216.04.01.006
1
7

Номер детали на чертеже: 

7

Пружина

Заводской номер: 103К.04.01.034 Количество на модель: 1
103К.04.01.034
1
8

Номер детали на чертеже: 

8

Корпус клапана

Заводской номер: 103К.04.01.042 Количество на модель: 1
103К.04.01.042
1
9

Номер детали на чертеже: 

9

Шарик 16-100 {ГОСТ 3722-81}

Заводской номер: Шарик 16-100 {ГОСТ 3722-81} Количество на модель: 1
Шарик 16-100 {ГОСТ 3722-81}
1
10

Номер детали на чертеже: 

10

Пружина клапана

Заводской номер: 103К.04.01.041 Количество на модель: 1
103К.04.01.041
1
11

Номер детали на чертеже: 

11

Трубка фильтра

Заводской номер: 103К.04.01.043 Количество на модель: 1
103К.04.01.043
1
12

Номер детали на чертеже: 

12

Винт В.М5-6ех8.22Н.029 {ГОСТ 1476-84}

Заводской номер: Винт В.М5-6ех8.22Н.029 {ГОСТ 1476-84} Количество на модель: 1
Винт В.М5-6ех8.22Н.029 {ГОСТ 1476-84}
1
13

Номер детали на чертеже: 

13

Болт М8-8gх16.46.06 {ГОСТ 7798-70}

Заводской номер: Болт М8-8gх16.46.06 {ГОСТ 7798-70} Количество на модель: 4
Болт М8-8gх16.46.06 {ГОСТ 7798-70}
4
14

Номер детали на чертеже: 

14

Шайба 8 65Г 06 {ГОСТ 6402-70}

Заводской номер: Шайба 8 65Г 06 {ГОСТ 6402-70} Количество на модель: 4
Шайба 8 65Г 06 {ГОСТ 6402-70}
4
15

Номер детали на чертеже: 

15

Крышка

Заводской номер: 1216.04.01.121 Количество на модель: 1
1216.04.01.121
1
16

Номер детали на чертеже: 

16

Прокладка 24М1 {ГОСТ 23358-78}

Заводской номер: Прокладка 24М1 {ГОСТ 23358-78} Количество на модель: 3
Прокладка 24М1 {ГОСТ 23358-78}
3
17

Номер детали на чертеже: 

17

Индикатор загрязнения

Заводской номер: 1216.04.01.040 Количество на модель: 1
1216.04.01.040
1
18

Номер детали на чертеже: 

18

Штуцер

Заводской номер: 1216.04.01.001 Количество на модель: 1
1216.04.01.001
1
19

Номер детали на чертеже: 

19

Наконечник

Заводской номер: 1216.04.01.005 Количество на модель: 1
1216.04.01.005
1
20

Номер детали на чертеже: 

20

Фильтр заливной

Заводской номер: 1216.04.01.020 Количество на модель: 1
1216.04.01.020
1
21

Номер детали на чертеже: 

21

Кольцо

Заводской номер: 1216.04.01.004 Количество на модель: 1
1216.04.01.004
1
22

Номер детали на чертеже: 

22

Пробка

Заводской номер: 1216.04.01.002 Количество на модель: 1
1216.04.01.002
1