C 9:00 до 20:00. Звонок по РФ бесплатный

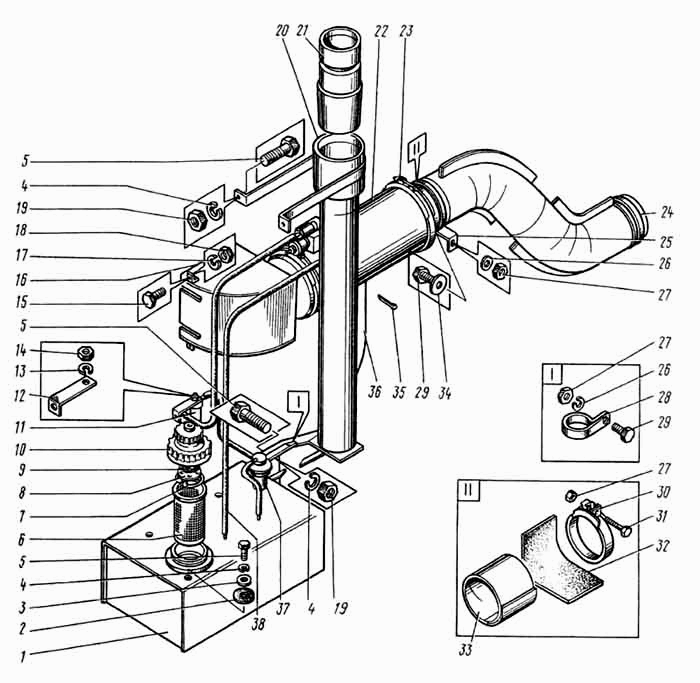
Установка отопителя ЭО-5124

ВниманиеЭлектронный автокаталог запчастей предназначен для справочных целей! Наша компания продает только те товары, у которых есть цены в списке.

Вид отображения:

Детали справа
1

Номер детали на чертеже: 

1

Бак

Заводской номер: ЭО-5124.04.13.100 Количество на модель: 1
ЭО-5124.04.13.100
1
2

Номер детали на чертеже: 

2

Прокладка

Заводской номер: ЭО-5124.10.17.003 Количество на модель: 3
ЭО-5124.10.17.003
3
3

Номер детали на чертеже: 

3

Шайба

Заводской номер: 11371.10 Количество на модель: 3
11371.10
3
4

Номер детали на чертеже: 

4

Шайба

Заводской номер: 6402.10 Количество на модель: 7
6402.10
7
5

Номер детали на чертеже: 

5

Болт

Заводской номер: 2154505 Количество на модель: 7
2154505
7
6

Номер детали на чертеже: 

6

Фильтр заливной

Заводской номер: 211-38-7 Количество на модель: 1
211-38-7
1
7

Номер детали на чертеже: 

7

Кольцо пружинное

Заводской номер: 111В-4Б-15 Количество на модель: 1
111В-4Б-15
1
8

Номер детали на чертеже: 

8

Диск

Заводской номер: 111В-4Б-13 Количество на модель: 1
111В-4Б-13
1
9

Номер детали на чертеже: 

9

Канитель

Заводской номер: 111В-4Б-14 Количество на модель: 1
111В-4Б-14
1
10

Номер детали на чертеже: 

10

Крышка

Заводской номер: ЭО-5122.07.00.500 Количество на модель: 1
ЭО-5122.07.00.500
1
11

Номер детали на чертеже: 

11

Бензоотстойник

Заводской номер: 30 Количество на модель: 1
30
1
12

Номер детали на чертеже: 

12

Кронштейн

Заводской номер: ЭО-5124.04.13.003 Количество на модель: 1
ЭО-5124.04.13.003
1
13

Номер детали на чертеже: 

13

Шайба

Заводской номер: 6402.5 Количество на модель: 1
6402.5
1
14

Номер детали на чертеже: 

14

Гайка

Заводской номер: 5916.5 Количество на модель: 1
5916.5
1
15

Номер детали на чертеже: 

15

Болт

Заводской номер: 7798.6.16 Количество на модель: 3
7798.6.16
3
610291
КРАСНАЯ ЭТНА
202119-П29 202119-0-29
Производитель: КРАСНАЯ ЭТНА
118067
САЛЬСКСЕЛЬМАШ
M16-6gx 7798.6.16
Код: 118067
Артикул: M16-6gx, 7798.6.16
Под заказ

На складах : Под заказ

Производитель: САЛЬСКСЕЛЬМАШ
16

Номер детали на чертеже: 

16

Кожух

Заводской номер: ЭО-5124.04.13.300 Количество на модель: 1
ЭО-5124.04.13.300
1
17

Номер детали на чертеже: 

17

Шайба

Заводской номер: 6402.6 Количество на модель: 3
6402.6
3
18

Номер детали на чертеже: 

18

Гайка

Заводской номер: 5915.6 Количество на модель: 3
5915.6
3
19

Номер детали на чертеже: 

19

Гайка

Заводской номер: 5915.10 Количество на модель: 4
5915.10
4
20

Номер детали на чертеже: 

20

Труба

Заводской номер: ЭО-5124.04.13.400 Количество на модель: 1
ЭО-5124.04.13.400
1
21

Номер детали на чертеже: 

21

Труба

Заводской номер: ЭО-5124.04.13.500 Количество на модель: 1
ЭО-5124.04.13.500
1
23

Номер детали на чертеже: 

23

Хомут

Заводской номер: ЭО-5122АХЛ.80.04.170 Количество на модель: 2
ЭО-5122АХЛ.80.04.170
2
24

Номер детали на чертеже: 

24

Труба

Заводской номер: ЭО-5124.04.13.200 Количество на модель: 1
ЭО-5124.04.13.200
1
25

Номер детали на чертеже: 

25

Кронштейн

Заводской номер: ЭО-5124.04.13.002 Количество на модель: 1
ЭО-5124.04.13.002
1
26

Номер детали на чертеже: 

26

Шайба

Заводской номер: 6402,8 Количество на модель: 4
6402,8
4
27

Номер детали на чертеже: 

27

Гайка

Заводской номер: 5915.8 Количество на модель: 8
5915.8
8
28

Номер детали на чертеже: 

28

Хомут

Заводской номер: 17679.45.16.11 Количество на модель: 1
17679.45.16.11
1
29

Номер детали на чертеже: 

29

Болт

Заводской номер: 77988.25 Количество на модель: 2
77988.25
2
30

Номер детали на чертеже: 

30

Хомут

Заводской номер: 102.120 Количество на модель: 4
102.120
4
31

Номер детали на чертеже: 

31

Болт

Заводской номер: 7798.8.60 Количество на модель: 6
7798.8.60
6
32

Номер детали на чертеже: 

32

Картон асбестовый

Заводской номер: 2850.1.3 Количество на модель:
2850.1.3
33

Номер детали на чертеже: 

33

Муфта

Заводской номер: ЭО-5122АХЛ.80.04.101 Количество на модель: 4
ЭО-5122АХЛ.80.04.101
4
34

Номер детали на чертеже: 

34

Шайба

Заводской номер: 11371.8 Количество на модель: 1
11371.8
1
35

Номер детали на чертеже: 

35

Шплинт

Заводской номер: 397.6,3.60 Количество на модель: 1
397.6,3.60
1
36

Номер детали на чертеже: 

36

Трубка

Заводской номер: ЭО-5124.04.13.001 Количество на модель: 1
ЭО-5124.04.13.001
1
38

Номер детали на чертеже: 

38

Рукав-деталь

Заводской номер: 38.053.6.12.05 Количество на модель: 2
38.053.6.12.05
2