C 9:00 до 20:00. Звонок по РФ бесплатный

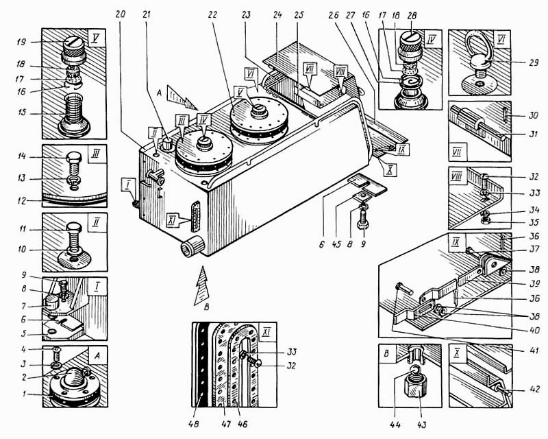
Установка блока баков ЭО-5122

ВниманиеЭлектронный автокаталог запчастей предназначен для справочных целей! Наша компания продает только те товары, у которых есть цены в списке.

Номер детали на чертеже: 

Установка блока баков

Заводской номер: ЭО-5122.07.00.000-1 Количество на модель:
ЭО-5122.07.00.000-1
1

Номер детали на чертеже: 

1

Прокладка

Заводской номер: ЭО-5122.07.00.018 Количество на модель: 1
ЭО-5122.07.00.018
1
2

Номер детали на чертеже: 

2

Бензомер

Заводской номер: БМ27-А Количество на модель: 1
БМ27-А
1
3

Номер детали на чертеже: 

3

Шайба

Заводской номер: ШП-5 Количество на модель: 5
ШП-5
5
4

Номер детали на чертеже: 

4

Винт

Заводской номер: ВПК-М5х8 Количество на модель: 5
ВПК-М5х8
5
5

Номер детали на чертеже: 

5

Платик

Заводской номер: ЭО-5122.07.00.004-1 Количество на модель: 2
ЭО-5122.07.00.004-1
2
6

Номер детали на чертеже: 

6

Прокладка

Заводской номер: ЭО-5122.07.00.017 Количество на модель: 20
ЭО-5122.07.00.017
20
7

Номер детали на чертеже: 

7

Палец

Заводской номер: ЭО-5122.07.00.003-1 Количество на модель: 2
ЭО-5122.07.00.003-1
2
8

Номер детали на чертеже: 

8

Шайба

Заводской номер: ШП-16 Количество на модель: 5
ШП-16
5
9

Номер детали на чертеже: 

9

Болт

Заводской номер: БНТ-М16х40 Количество на модель: 5
БНТ-М16х40
5
10

Номер детали на чертеже: 

10

Шайба

Заводской номер: ШЧ-12 Количество на модель: 4
ШЧ-12
4
11

Номер детали на чертеже: 

11

Болт М12х30

Заводской номер: БНТ-М12х30 Количество на модель: 4
БНТ-М12х30
4
12

Номер детали на чертеже: 

12

Прокладка

Заводской номер: ЭО-5122.07.00.015 Количество на модель: 2
ЭО-5122.07.00.015
2
13

Номер детали на чертеже: 

13

Шайба

Заводской номер: ШП-10 Количество на модель: 24
ШП-10
24
14

Номер детали на чертеже: 

14

Болт

Заводской номер: БНТ-М10х25 Количество на модель: 24
БНТ-М10х25
24
15

Номер детали на чертеже: 

15

Фильтр заливной

Заводской номер: 211-38-7 Количество на модель: 1
211-38-7
1
16

Номер детали на чертеже: 

16

Кольцо пружинное

Заводской номер: 111В-4Б-15 Количество на модель: 2
111В-4Б-15
2
17

Номер детали на чертеже: 

17

Диск

Заводской номер: 111В-4Б-13 Количество на модель: 2
111В-4Б-13
2
18

Номер детали на чертеже: 

18

Канитель

Заводской номер: 111В-4Б-14 Количество на модель: 2
111В-4Б-14
2
19

Номер детали на чертеже: 

19

Крынка

Заводской номер: ЭО-5122.07.00.400 Количество на модель: 2
ЭО-5122.07.00.400
2
20

Номер детали на чертеже: 

20

Блок баков

Заводской номер: ЭО-5122.07.01.000-1 Количество на модель: 1
ЭО-5122.07.01.000-1
1
21

Номер детали на чертеже: 

21

Установка датчика уровня масла

Заводской номер: ЭО-5122.07.02.000 Количество на модель: 1
ЭО-5122.07.02.000
1
22

Номер детали на чертеже: 

22

Крышка

Заводской номер: ЭО-5122.07.00.100-1 Количество на модель: 2
ЭО-5122.07.00.100-1
2
23

Номер детали на чертеже: 

23

Пластина губчатая

Заводской номер: ЭО-5122.07.00.022 Количество на модель: 1
ЭО-5122.07.00.022
1
24

Номер детали на чертеже: 

24

Дверца верхняя

Заводской номер: ЭО-5122.07.00.200-1 Количество на модель: 1
ЭО-5122.07.00.200-1
1
25

Номер детали на чертеже: 

25

Полка

Заводской номер: ЭО-5122.07.00.001-1 Количество на модель: 1
ЭО-5122.07.00.001-1
1
26

Номер детали на чертеже: 

26

Дверца нижняя

Заводской номер: ЭО-5122.07.00.350 Количество на модель: 1
ЭО-5122.07.00.350
1
27

Номер детали на чертеже: 

27

Прокладка

Заводской номер: ЭО-5122.07.00.014 Количество на модель: 1
ЭО-5122.07.00.014
1
28

Номер детали на чертеже: 

28

Крышка

Заводской номер: ЭО-5122.07.00.500 Количество на модель: 1
ЭО-5122.07.00.500
1
29

Номер детали на чертеже: 

29

Рым-болт

Заводской номер: РБ-М12 Количество на модель: 4
РБ-М12
4
30

Номер детали на чертеже: 

30

Шплинт

Заводской номер: Ш-2,5х20 Количество на модель: 2
Ш-2,5х20
2
31

Номер детали на чертеже: 

31

Ось

Заводской номер: 310-32-7 Количество на модель: 2
310-32-7
2
32

Номер детали на чертеже: 

32

Винт

Заводской номер: ВПК-16х14 Количество на модель: 26
ВПК-16х14
26
33

Номер детали на чертеже: 

33

Шайба

Заводской номер: ШП-6 Количество на модель: 26
ШП-6
26
689527
URAL
252154-П2 252154 П2
Код: 689527
Артикул: 252154-П2, 252154 П2
Под заказ

На складах : Под заказ

Производитель: URAL
749302
Не указан
DIN127 252154-П2
Производитель: Не указан
743001
МЕТИЗНЫЙ ДВОР
DIN127 4607173902696, 252154-П2
Производитель: МЕТИЗНЫЙ ДВОР
34

Номер детали на чертеже: 

34

Шайба

Заводской номер: ШЧ-6 Количество на модель: 8
ШЧ-6
8
35

Номер детали на чертеже: 

35

Гайка

Заводской номер: ГШ-М6 Количество на модель: 4
ГШ-М6
4
36

Номер детали на чертеже: 

36

Шплинт

Заводской номер: Ш-2х16 Количество на модель: 6
Ш-2х16
6
37

Номер детали на чертеже: 

37

Ось

Заводской номер: 22-8х4х25 Количество на модель: 4
22-8х4х25
4
38

Номер детали на чертеже: 

38

Шайба

Заводской номер: ШЧ-8 Количество на модель: 8
ШЧ-8
8
39

Номер детали на чертеже: 

39

Тяга

Заводской номер: ЭО-5122.07.00.008 Количество на модель: 2
ЭО-5122.07.00.008
2
40

Номер детали на чертеже: 

40

Тяга

Заводской номер: ЭО-5122.07.00.011 Количество на модель: 2
ЭО-5122.07.00.011
2
41

Номер детали на чертеже: 

41

Ось

Заводской номер: 22-8х4х20 Количество на модель: 2
22-8х4х20
2
42

Номер детали на чертеже: 

42

Ось

Заводской номер: ЭО-5122.07.00.354 Количество на модель: 2
ЭО-5122.07.00.354
2
43

Номер детали на чертеже: 

43

Гайка специальная

Заводской номер: 109-6-31 Количество на модель: 2
109-6-31
2
44

Номер детали на чертеже: 

44

Шарик

Заводской номер: БУ1 23,813 мм Р Количество на модель: 2
БУ1 23,813 мм Р
2
45

Номер детали на чертеже: 

45

Шайба

Заводской номер: ШК-16 Количество на модель: 2
ШК-16
2
46

Номер детали на чертеже: 

46

Накладка

Заводской номер: ЭО-5122.07.00.009 Количество на модель: 1
ЭО-5122.07.00.009
1
47

Номер детали на чертеже: 

47

Стекло смотровое

Заводской номер: ЭО-5122.07.00.002-1 Количество на модель: 1
ЭО-5122.07.00.002-1
1
48

Номер детали на чертеже: 

48

Прокладка

Заводской номер: ЭО-5122.07.00.013 Количество на модель: 1
ЭО-5122.07.00.013
1