8 800 700-05-95 Все контакты

C 9:00 до 20:00. Звонок по РФ бесплатный

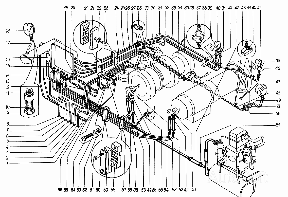
Пневматическое оборудование поворотной части 4361А.23 КС-4361А. Каталог 1998г.

ВниманиеЭлектронный автокаталог запчастей предназначен для справочных целей! Наша компания продает только те товары, у которых есть цены в списке.

1

Номер детали на чертеже: 

1

Клапан

Заводской номер: 06-2-УХЛ4 Количество на модель: 3
06-2-УХЛ4
3
2

Номер детали на чертеже: 

2

Труба

Заводской номер: 23-360 Количество на модель: 1
23-360
1
3

Номер детали на чертеже: 

3

Труба

Заводской номер: 23-150 Количество на модель: 1
23-150
1
4

Номер детали на чертеже: 

4

Труба

Заводской номер: 23-350 Количество на модель: 1
23-350
1
5

Номер детали на чертеже: 

5

Труба

Заводской номер: 23-190 Количество на модель: 1
23-190
1
6

Номер детали на чертеже: 

6

Труба

Заводской номер: 23-180 Количество на модель: 1
23-180
1
7

Номер детали на чертеже: 

7

Труба

Заводской номер: 23-270 Количество на модель: 1
23-270
1
8

Номер детали на чертеже: 

8

Труба

Заводской номер: 23-260 Количество на модель: 1
23-260
1
9

Номер детали на чертеже: 

9

Гайка М18х1,5

Заводской номер: 052-018-604 Количество на модель: 1
052-018-604
1
10

Номер детали на чертеже: 

10

Штуцер

Заводской номер: 17-221 Количество на модель: 1
17-221
1
11

Номер детали на чертеже: 

11

Шайба

Заводской номер: 17-216 Количество на модель: 1
17-216
1
12

Номер детали на чертеже: 

12

Труба

Заводской номер: 23-250 Количество на модель: 1
23-250
1
13

Номер детали на чертеже: 

13

Труба

Заводской номер: 23-440 Количество на модель: 1
23-440
1
14

Номер детали на чертеже: 

14

Труба

Заводской номер: 23-530 Количество на модель: 1
23-530
1
15

Номер детали на чертеже: 

15

Пост управления

Заводской номер: 4361А.50А Количество на модель: 1
4361А.50А
1
16

Номер детали на чертеже: 

16

Рукав

Заводской номер: 23-96 Количество на модель: 1
23-96
1
17

Номер детали на чертеже: 

17

Труба

Заводской номер: 23-450 Количество на модель: 1
23-450
1
18

Номер детали на чертеже: 

18

Манометр 1

Заводской номер: Н17 Количество на модель: 1
Н17
1
19

Номер детали на чертеже: 

19

Труба

Заводской номер: 23-330 Количество на модель: 1
23-330
1
20

Номер детали на чертеже: 

20

Труба

Заводской номер: 23-320 Количество на модель: 1
23-320
1
21

Номер детали на чертеже: 

21

Колодка

Заводской номер: 23-82 Количество на модель: 4
23-82
4
22

Номер детали на чертеже: 

22

Шайба 8х1,5

Заводской номер: 131-108-15-02 Количество на модель: 5
131-108-15-02
5
23

Номер детали на чертеже: 

23

Болт М8х40

Заводской номер: 013-08-040-158 Количество на модель: 5
013-08-040-158
5
24

Номер детали на чертеже: 

24

Труба

Заводской номер: 23-290 Количество на модель: 1
23-290
1
25

Номер детали на чертеже: 

25

Труба

Заводской номер: 23-280 Количество на модель: 1
23-280
1
26

Номер детали на чертеже: 

26

Труба

Заводской номер: 23-300 Количество на модель: 1
23-300
1
27

Номер детали на чертеже: 

27

Труба

Заводской номер: 23-380 Количество на модель: 1
23-380
1
28

Номер детали на чертеже: 

28

Штуцер

Заводской номер: 50-31 Количество на модель: 4
50-31
4
29

Номер детали на чертеже: 

29

Труба

Заводской номер: 23-370 Количество на модель: 1
23-370
1
30

Номер детали на чертеже: 

30

Труба

Заводской номер: 23-310 Количество на модель: 1
23-310
1
634826
ГПЗ
310 (6310) 310
Производитель: ГПЗ
149037
VBF
310 (6310) 6310.P6Q6, 310
Код: 149037
Артикул: 310 (6310), 6310.P6Q6, 310
Нет в наличии

На складах : Нет в наличии

Производитель: VBF
31

Номер детали на чертеже: 

31

Колодка

Заводской номер: 23-83 Количество на модель: 6
23-83
6
32

Номер детали на чертеже: 

32

Труба

Заводской номер: 23-410 Количество на модель: 1
23-410
1
33

Номер детали на чертеже: 

33

Труба

Заводской номер: 23-400 Количество на модель: 1
23-400
1
34

Номер детали на чертеже: 

34

Труба

Заводской номер: 23-160 Количество на модель: 1
23-160
1
35

Номер детали на чертеже: 

35

Труба

Заводской номер: 23-390 Количество на модель: 1
23-390
1
36

Номер детали на чертеже: 

36

Шланг

Заводской номер: 23-570 Количество на модель: 5
23-570
5
37

Номер детали на чертеже: 

37

Штуцер

Заводской номер: 23-93 Количество на модель: 7
23-93
7
38

Номер детали на чертеже: 

38

Клапан

Заводской номер: 264-5-00 Количество на модель: 7
264-5-00
7
39

Номер детали на чертеже: 

39

Штуцер

Заводской номер: 23-94 Количество на модель: 3
23-94
3
40

Номер детали на чертеже: 

40

Вращающееся соединение

Заводской номер: 23-110 Количество на модель: 2
23-110
2
41

Номер детали на чертеже: 

41

Шланг

Заводской номер: 23-580 Количество на модель: 1
23-580
1
42

Номер детали на чертеже: 

42

Рукав

Заводской номер: 23-95 Количество на модель: 2
23-95
2
43

Номер детали на чертеже: 

43

Шайба 6

Заводской номер: Н2-6-65Г Количество на модель: 1
Н2-6-65Г
1
44

Номер детали на чертеже: 

44

Винт М6х12

Заводской номер: 031-06-012-148 Количество на модель: 1
031-06-012-148
1
45

Номер детали на чертеже: 

45

Скоба

Заводской номер: 27-57 Количество на модель: 3
27-57
3
46

Номер детали на чертеже: 

46

Вращающееся соединение

Заводской номер: 23-100 Количество на модель: 1
23-100
1
47

Номер детали на чертеже: 

47

Труба

Заводской номер: 23-470 Количество на модель: 1
23-470
1
48

Номер детали на чертеже: 

48

Труба

Заводской номер: 23-170 Количество на модель: 1
23-170
1
49

Номер детали на чертеже: 

49

Труба

Заводской номер: 23-460 Количество на модель: 1
23-460
1
50

Номер детали на чертеже: 

50

Тройник

Заводской номер: 50-32 Количество на модель: 2
50-32
2
51

Номер детали на чертеже: 

51

Хомут

Заводской номер: 17-460 Количество на модель: 6
17-460
6
52

Номер детали на чертеже: 

52

Труба

Заводской номер: 23-240 Количество на модель: 1
23-240
1
53

Номер детали на чертеже: 

53

Труба

Заводской номер: 23-230 Количество на модель: 1
23-230
1
54

Номер детали на чертеже: 

54

Вращающееся соединение

Заводской номер: 23-120 Количество на модель: 1
23-120
1
55

Номер детали на чертеже: 

55

Труба

Заводской номер: 23-220 Количество на модель: 1
23-220
1
56

Номер детали на чертеже: 

56

Труба

Заводской номер: 23-210 Количество на модель: 1
23-210
1
57

Номер детали на чертеже: 

57

Кран

Заводской номер: В71-33М Количество на модель: 1
В71-33М
1
58

Номер детали на чертеже: 

58

Колодка

Заводской номер: 23-78 Количество на модель: 1
23-78
1
59

Номер детали на чертеже: 

59

Колодка

Заводской номер: 23-79 Количество на модель: 1
23-79
1
60

Номер детали на чертеже: 

60

Накладка

Заводской номер: 23-81 Количество на модель: 1
23-81
1
61

Номер детали на чертеже: 

61

Болт М10х55

Заводской номер: 013-10-055-158 Количество на модель: 2
013-10-055-158
2
62

Номер детали на чертеже: 

62

Гайка М10

Заводской номер: 052-010-105 Количество на модель: 2
052-010-105
2
63

Номер детали на чертеже: 

63

Шайба 10

Заводской номер: Н2-10-65Г Количество на модель: 2
Н2-10-65Г
2
64

Номер детали на чертеже: 

64

Винт М10х55

Заводской номер: 033-10-055-148 Количество на модель: 2
033-10-055-148
2
65

Номер детали на чертеже: 

65

Труба

Заводской номер: 23-200 Количество на модель: 1
23-200
1
66

Номер детали на чертеже: 

66

Труба

Заводской номер: 23-420 Количество на модель: 1
23-420
1