8 800 700-05-95 Все контакты

C 9:00 до 20:00. Звонок по РФ бесплатный

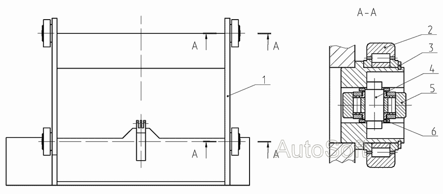
Подкабинник 318-40-31.01.000 ЕК-18 (2005). Каталог 2005г.

ВниманиеЭлектронный автокаталог запчастей предназначен для справочных целей! Наша компания продает только те товары, у которых есть цены в списке.

Вид отображения:

Детали справа
1
2
3
4
5
6
1

Номер детали на чертеже: 

1

Металлоконструкция подкабинника

Заводской номер: 318-16-31.01.100 Количество на модель: 1
318-16-31.01.100
1
2

Номер детали на чертеже: 

2

Роликоподшипник

Заводской номер: 962712ХС17 Количество на модель: 4
962712ХС17
4
3

Номер детали на чертеже: 

3

Кольцо

Заводской номер: 13940.В60 Количество на модель: 4
13940.В60
4
4

Номер детали на чертеже: 

4

Ось

Заводской номер: 003-00-33.33.101 Количество на модель: 4
003-00-33.33.101
4
5

Номер детали на чертеже: 

5

Подшипник

Заводской номер: 005-01-33.02.200 Количество на модель: 4
005-01-33.02.200
4
016866
Не указан
200 (6200) 200
Код: 016866
Артикул: 200 (6200), 200
Под заказ

На складах : Под заказ

Производитель: Не указан
6

Номер детали на чертеже: 

6

Шайба

Заводской номер: 10450.16.01.05 Количество на модель: 8
10450.16.01.05
8