8 800 700-05-95 Все контакты

C 9:00 до 20:00. Звонок по РФ бесплатный

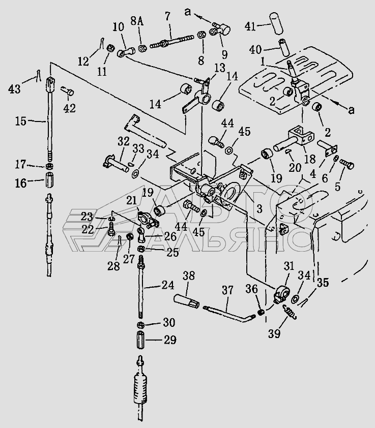
Рычаг управления коробкой передач Shantui SD22. Каталог 2008г.

ВниманиеЭлектронный автокаталог запчастей предназначен для справочных целей! Наша компания продает только те товары, у которых есть цены в списке.

Вид отображения:

Детали справа

Номер детали на чертеже: 

Гайка

Заводской номер: 01508-40805 Количество на модель: 1
01508-40805
1

Номер детали на чертеже: 

Стопор

Заводской номер: 04010-00519 Количество на модель: 1
04010-00519
1

Номер детали на чертеже: 

Палец

Заводской номер: 154-43-43260 Количество на модель: 1
154-43-43260
1

Номер детали на чертеже: 

Рычаг

Заводской номер: 195-43-43241 Количество на модель: 1
195-43-43241
1

Номер детали на чертеже: 

Гайка М10х1.25 левая

Заводской номер: 01508-21006 Количество на модель: 1
01508-21006
1

Номер детали на чертеже: 

Винтовая стяжная муфта

Заводской номер: 178-43-12180 Количество на модель: 1
178-43-12180
1

Номер детали на чертеже: 

Разводной шплинт

Заводской номер: 04050-12018 Количество на модель: 1
04050-12018
1

Номер детали на чертеже: 

Гайка

Заводской номер: 01593-11008 Количество на модель: 1
01593-11008
1

Номер детали на чертеже: 

Откидной подшипник

Заводской номер: 04250-81056 Количество на модель: 1
04250-81056
1

Номер детали на чертеже: 

Гайка

Заводской номер: 01582-11008 Количество на модель: 1
01582-11008
1

Номер детали на чертеже: 

Шайба

Заводской номер: 01640-21626 Количество на модель: 2
01640-21626
2

Номер детали на чертеже: 

Разводной шплинт

Заводской номер: 04050-14025 Количество на модель: 1
04050-14025
1

Номер детали на чертеже: 

Гайка

Заводской номер: 195-43-43370 Количество на модель: 1
195-43-43370
1

Номер детали на чертеже: 

Шайба

Заводской номер: 01643-31232 Количество на модель: 4
01643-31232
4

Номер детали на чертеже: 

Болт

Заводской номер: 01010-51225 Количество на модель: 4
01010-51225
4

Номер детали на чертеже: 

Разводной шплинт

Заводской номер: 04050-12015 Количество на модель: 1
04050-12015
1

Номер детали на чертеже: 

Палец

Заводской номер: 04205-10822 Количество на модель: 1
04205-10822
1

Номер детали на чертеже: 

Ручка

Заводской номер: 09304-01240 Количество на модель: 1
09304-01240
1

Номер детали на чертеже: 

Втулка

Заводской номер: 09361-01460 Количество на модель: 1
09361-01460
1

Номер детали на чертеже: 

Рессора

Заводской номер: 195-43-43260 Количество на модель: 1
195-43-43260
1

Номер детали на чертеже: 

Ручка

Заводской номер: 09305-00800 Количество на модель: 1
09305-00800
1

Номер детали на чертеже: 

Шток

Заводской номер: 195-43-43360 Количество на модель: 1
195-43-43360
1

Номер детали на чертеже: 

Шток

Заводской номер: 04248-31028 Количество на модель: 1
04248-31028
1

Номер детали на чертеже: 

Шайба

Заводской номер: 01602-20825 Количество на модель: 1
01602-20825
1

Номер детали на чертеже: 

Откидной подшипник

Заводской номер: 04250-12015 Количество на модель: 1
04250-12015
1

Номер детали на чертеже: 

Шаровое шарнирное соединение

Заводской номер: 04256-00816 Количество на модель: 1
04256-00816
1

Номер детали на чертеже: 

Гайка

Заводской номер: 01580-10806 Количество на модель: 1
01580-10806
1

Номер детали на чертеже: 

Винтовой шток

Заводской номер: 113-43-11530 Количество на модель: 1
113-43-11530
1

Номер детали на чертеже: 

Прокладка

Заводской номер: 01643-30623 Количество на модель: 1
01643-30623
1

Номер детали на чертеже: 

Болт

Заводской номер: 01010-50616 Количество на модель: 1
01010-50616
1

Номер детали на чертеже: 

Палец

Заводской номер: 195-43-43170 Количество на модель: 1
195-43-43170
1

Номер детали на чертеже: 

Опора

Заводской номер: 154-43-43130 Количество на модель: 1
154-43-43130
1

Номер детали на чертеже: 

Подшипник

Заводской номер: 195-61-34120 Количество на модель: 2
195-61-34120
2

Номер детали на чертеже: 

Гайка

Заводской номер: 01590-10809 Количество на модель: 1
01590-10809
1

Номер детали на чертеже: 

Рычаг

Заводской номер: 154-43-43150 Количество на модель: 1
154-43-43150
1

Номер детали на чертеже: 

Болт

Заводской номер: 01010-50830 Количество на модель: 1
01010-50830
1

Номер детали на чертеже: 

Шток

Заводской номер: 154-43-43220 Количество на модель: 1
154-43-43220
1

Номер детали на чертеже: 

Подшипник

Заводской номер: 195-43-43190 Количество на модель: 2
195-43-43190
2

Номер детали на чертеже: 

Вилка

Заводской номер: 154-43-43210 Количество на модель: 1
154-43-43210
1

Номер детали на чертеже: 

Гайка

Заводской номер: 01508-20805 Количество на модель: 1
01508-20805
1

Номер детали на чертеже: 

Соединительная втулка

Заводской номер: 144-43-51130 Количество на модель: 1
144-43-51130
1

Номер детали на чертеже: 

Шток

Заводской номер: 195-43-41580 Количество на модель: 1
195-43-41580
1

Номер детали на чертеже: 

Рычаг

Заводской номер: 195-43-43150 Количество на модель: 1
195-43-43150
1