8 800 700-05-95 Все контакты

C 9:00 до 20:00. Звонок по РФ бесплатный

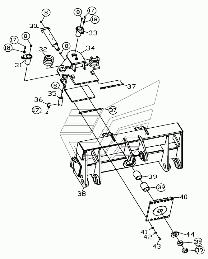
LG9530P7.2 WORKING EQUIPMENT LG953. Каталог 2008г.

ВниманиеЭлектронный автокаталог запчастей предназначен для справочных целей! Наша компания продает только те товары, у которых есть цены в списке.

Номер детали на чертеже: 

SNOW REMOVER ASSEMBLY

Заводской номер: 29170022081 Количество на модель: 0
29170022081
0
1

Номер детали на чертеже: 

1

MIDDLE PUSH PLATE

Заводской номер: 29170023321 Количество на модель: 1
29170023321
1
2

Номер детали на чертеже: 

2

BOLT LGB002-M16x40

Заводской номер: 4040000009 Количество на модель: 24
4040000009
24
3

Номер детали на чертеже: 

3

DURABLE PLATE

Заводской номер: 29170023311 Количество на модель: 3
29170023311
3
4

Номер детали на чертеже: 

4

LEFT PUSH PLATE

Заводской номер: 29170027421 Количество на модель: 1
29170027421
1
5

Номер детали на чертеже: 

5

WASHER GB97.1-27EpZn-300HV

Заводской номер: 4015000185 Количество на модель: 12
4015000185
12
6

Номер детали на чертеже: 

6

BOLT GB5783-M27x80EpZn-8.8

Заводской номер: 4011000614 Количество на модель: 12
4011000614
12
7

Номер детали на чертеже: 

7

RIVET SEAT

Заводской номер: 29170023301 Количество на модель: 2
29170023301
2
8

Номер детали на чертеже: 

8

GREASE NIPPLE

Заводской номер: 4030000065 Количество на модель: 12
4030000065
12
10

Номер детали на чертеже: 

10

NUT

Заводской номер: 4013000016 Количество на модель: 24
4013000016
24
11

Номер детали на чертеже: 

11

SPRING

Заводской номер: 29170022331 Количество на модель: 6
29170022331
6
12

Номер детали на чертеже: 

12

PIN

Заводской номер: 29170022321 Количество на модель: 6
29170022321
6
13

Номер детали на чертеже: 

13

SPLIT PIN GB91-4x36EpZn-Q235A

Заводской номер: 4016000038 Количество на модель: 6
4016000038
6
14

Номер детали на чертеже: 

14

SLIP CLAW

Заводской номер: 29170022291 Количество на модель: 6
29170022291
6
15

Номер детали на чертеже: 

15

SHAFT

Заводской номер: 29170022261 Количество на модель: 3
29170022261
3
16

Номер детали на чертеже: 

16

PIN

Заводской номер: 29170022271 Количество на модель: 6
29170022271
6
17

Номер детали на чертеже: 

17

BOLT

Заводской номер: 4011000560 Количество на модель: 8
4011000560
8
18

Номер детали на чертеже: 

18

WASHER

Заводской номер: 4040000001 Количество на модель: 6
4040000001
6
19

Номер детали на чертеже: 

19

PIN LGB301-50x95x190-40Cr

Заводской номер: 4043000008 Количество на модель: 2
4043000008
2
20

Номер детали на чертеже: 

20

RIGHT PUSH PLATE

Заводской номер: 29170023441 Количество на модель: 1
29170023441
1
21

Номер детали на чертеже: 

21

WASHER

Заводской номер: 4043000198 Количество на модель: 1
4043000198
1
22

Номер детали на чертеже: 

22

DURABLE PLATE

Заводской номер: 29170024851 Количество на модель: 1
29170024851
1
23

Номер детали на чертеже: 

23

WASHER

Заводской номер: 4043000197 Количество на модель: 2
4043000197
2
24

Номер детали на чертеже: 

24

BUSH LGB302-65x66A2

Заводской номер: 4043000238 Количество на модель: 2
4043000238
2
25

Номер детали на чертеже: 

25

FRONT BRACKET

Заводской номер: 29170022251 Количество на модель: 1
29170022251
1
26

Номер детали на чертеже: 

26

NUT

Заводской номер: 29170022311 Количество на модель: 6
29170022311
6
27

Номер детали на чертеже: 

27

NUT

Заводской номер: 4013000021 Количество на модель: 12
4013000021
12
28

Номер детали на чертеже: 

28

SPRING

Заводской номер: 29170022281 Количество на модель: 3
29170022281
3
29

Номер детали на чертеже: 

29

PLATEN

Заводской номер: 29170022301 Количество на модель: 3
29170022301
3
30

Номер детали на чертеже: 

30

SHAFT

Заводской номер: 29170022351 Количество на модель: 1
29170022351
1
31

Номер детали на чертеже: 

31

PIN LGB301-65x80x165-40Cr

Заводской номер: 4043000253 Количество на модель: 1
4043000253
1
32

Номер детали на чертеже: 

32

SPRING

Заводской номер: 29170022431 Количество на модель: 2
29170022431
2
33

Номер детали на чертеже: 

33

PIN LGB301-65x90x165-40Cr

Заводской номер: 4043000252 Количество на модель: 1
4043000252
1
34

Номер детали на чертеже: 

34

ARTICULATE DEVICE

Заводской номер: 29170022121 Количество на модель: 1
29170022121
1
35

Номер детали на чертеже: 

35

PIN

Заводской номер: 29170023121 Количество на модель: 2
29170023121
2
36

Номер детали на чертеже: 

36

RIVET PLATE

Заводской номер: 29170024051 Количество на модель: 2
29170024051
2
38

Номер детали на чертеже: 

38

LINK DEVICE

Заводской номер: 29170022101 Количество на модель: 1
29170022101
1
39

Номер детали на чертеже: 

39

BUSH LGB302-75x110B2

Заводской номер: 4043000135 Количество на модель: 2
4043000135
2
40

Номер детали на чертеже: 

40

ADJUSTING SHIM

Заводской номер: 29170022161 Количество на модель: 1
29170022161
1
41

Номер детали на чертеже: 

41

WASHER

Заводской номер: 4015000181 Количество на модель: 14
4015000181
14
42

Номер детали на чертеже: 

42

WASHER GB93-16-65Mn

Заводской номер: 4015000098 Количество на модель: 14
4015000098
14
43

Номер детали на чертеже: 

43

BOLT GB5782-M16x70EpZn-8.8

Заводской номер: 4011000231 Количество на модель: 14
4011000231
14
44

Номер детали на чертеже: 

44

WASHER

Заводской номер: 29170022181 Количество на модель: 1
29170022181
1