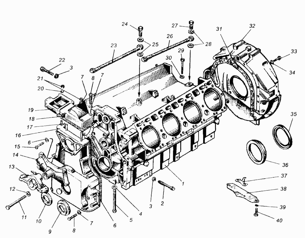
Подвеска двигателя-238НД К-702МВА

ПАО "Автодизель" (Ярославский моторный завод) - одно из старейших предприятий российского автомобилестроения. В 1920 - 50-е годы был освоен выпуск первых в стране 3-12-тонных автомобилей, самосвалов, троллейбусов, автобусов, автомобильных дизельных двигателей.
С 1958 г. Ярославский моторный завод специализируется на разработке и производстве дизельных силовых агрегатов многоцелевого назначения и является признанным лидером отечественного двигателестроения.
На сегодняшний день Ярославский моторный завод (ПАО «Автодизель») является крупнейшим российским предприятием, специализирующимся на производстве дизельных двигателей многоцелевого назначения, сцеплений, коробок передач, запасных частей к ним, а также стационарных агрегатов на базе дизелей ЯМЗ.
Ярославские двигатели нашли применение более чем на 300 видах изделий производства ведущих предприятий России, Белоруссии, Украины. Они устанавливаются на автомобили, магистральные автопоезда, карьерные самосвалы, аэродромные тягачи, зерно-уборочные комбайны, лесовозы, экскаваторы, автобусы, а также на дизель-электрические станции и агрегаты.
Основные потребители: ОАО «МАЗ», ОАО «Автомобильный завод «Урал», ООО «ЛиАЗ», ХК «АвтоКрАЗ», РУПП «БелАЗ», ОАО «Электроагрегат» (Курск) и другие. Широкое применение двигатели ЯМЗ находят на специализированной технике Министерства обороны РФ.
"АвтоАльянс" является официальным дилером ПАО «Автодизель» (ЯМЗ) уже много лет и обеспечивает потребителей полным перечнем продукции завода. От запчастей до двигателей в сборе.
Борьба с контрафактом
ПАО "Автодизель" (Ярославский моторный завод) тщательно следит за высоким качеством продукции, а так же проводит комплекс активных мероприятий для борьбы с контрафактными предложениями на рынке. Для противодействия распространению контрафакта на официальном сайте завода создан раздел ЯМЗ/ЯЗДА. Защита от контрафакта, в котором размещена информация о конкурентных преимуществах оригинальной продукции, о рисках и угрозах использования альтернативной продукции ненадлежащего качества, а также доступна опция проверки оригинальности продукции ЯМЗ.
На складах : 117 шт.

ПАО "Автодизель" (Ярославский моторный завод) - одно из старейших предприятий российского автомобилестроения. В 1920 - 50-е годы был освоен выпуск первых в стране 3-12-тонных автомобилей, самосвалов, троллейбусов, автобусов, автомобильных дизельных двигателей.
С 1958 г. Ярославский моторный завод специализируется на разработке и производстве дизельных силовых агрегатов многоцелевого назначения и является признанным лидером отечественного двигателестроения.
На сегодняшний день Ярославский моторный завод (ПАО «Автодизель») является крупнейшим российским предприятием, специализирующимся на производстве дизельных двигателей многоцелевого назначения, сцеплений, коробок передач, запасных частей к ним, а также стационарных агрегатов на базе дизелей ЯМЗ.
Ярославские двигатели нашли применение более чем на 300 видах изделий производства ведущих предприятий России, Белоруссии, Украины. Они устанавливаются на автомобили, магистральные автопоезда, карьерные самосвалы, аэродромные тягачи, зерно-уборочные комбайны, лесовозы, экскаваторы, автобусы, а также на дизель-электрические станции и агрегаты.
Основные потребители: ОАО «МАЗ», ОАО «Автомобильный завод «Урал», ООО «ЛиАЗ», ХК «АвтоКрАЗ», РУПП «БелАЗ», ОАО «Электроагрегат» (Курск) и другие. Широкое применение двигатели ЯМЗ находят на специализированной технике Министерства обороны РФ.
"АвтоАльянс" является официальным дилером ПАО «Автодизель» (ЯМЗ) уже много лет и обеспечивает потребителей полным перечнем продукции завода. От запчастей до двигателей в сборе.
Борьба с контрафактом
ПАО "Автодизель" (Ярославский моторный завод) тщательно следит за высоким качеством продукции, а так же проводит комплекс активных мероприятий для борьбы с контрафактными предложениями на рынке. Для противодействия распространению контрафакта на официальном сайте завода создан раздел ЯМЗ/ЯЗДА. Защита от контрафакта, в котором размещена информация о конкурентных преимуществах оригинальной продукции, о рисках и угрозах использования альтернативной продукции ненадлежащего качества, а также доступна опция проверки оригинальности продукции ЯМЗ.

ПАО "Автодизель" (Ярославский моторный завод) - одно из старейших предприятий российского автомобилестроения. В 1920 - 50-е годы был освоен выпуск первых в стране 3-12-тонных автомобилей, самосвалов, троллейбусов, автобусов, автомобильных дизельных двигателей.
С 1958 г. Ярославский моторный завод специализируется на разработке и производстве дизельных силовых агрегатов многоцелевого назначения и является признанным лидером отечественного двигателестроения.
На сегодняшний день Ярославский моторный завод (ПАО «Автодизель») является крупнейшим российским предприятием, специализирующимся на производстве дизельных двигателей многоцелевого назначения, сцеплений, коробок передач, запасных частей к ним, а также стационарных агрегатов на базе дизелей ЯМЗ.
Ярославские двигатели нашли применение более чем на 300 видах изделий производства ведущих предприятий России, Белоруссии, Украины. Они устанавливаются на автомобили, магистральные автопоезда, карьерные самосвалы, аэродромные тягачи, зерно-уборочные комбайны, лесовозы, экскаваторы, автобусы, а также на дизель-электрические станции и агрегаты.
Основные потребители: ОАО «МАЗ», ОАО «Автомобильный завод «Урал», ООО «ЛиАЗ», ХК «АвтоКрАЗ», РУПП «БелАЗ», ОАО «Электроагрегат» (Курск) и другие. Широкое применение двигатели ЯМЗ находят на специализированной технике Министерства обороны РФ.
"АвтоАльянс" является официальным дилером ПАО «Автодизель» (ЯМЗ) уже много лет и обеспечивает потребителей полным перечнем продукции завода. От запчастей до двигателей в сборе.
Борьба с контрафактом
ПАО "Автодизель" (Ярославский моторный завод) тщательно следит за высоким качеством продукции, а так же проводит комплекс активных мероприятий для борьбы с контрафактными предложениями на рынке. Для противодействия распространению контрафакта на официальном сайте завода создан раздел ЯМЗ/ЯЗДА. Защита от контрафакта, в котором размещена информация о конкурентных преимуществах оригинальной продукции, о рисках и угрозах использования альтернативной продукции ненадлежащего качества, а также доступна опция проверки оригинальности продукции ЯМЗ.

ПАО "Автодизель" (Ярославский моторный завод) - одно из старейших предприятий российского автомобилестроения. В 1920 - 50-е годы был освоен выпуск первых в стране 3-12-тонных автомобилей, самосвалов, троллейбусов, автобусов, автомобильных дизельных двигателей.
С 1958 г. Ярославский моторный завод специализируется на разработке и производстве дизельных силовых агрегатов многоцелевого назначения и является признанным лидером отечественного двигателестроения.
На сегодняшний день Ярославский моторный завод (ПАО «Автодизель») является крупнейшим российским предприятием, специализирующимся на производстве дизельных двигателей многоцелевого назначения, сцеплений, коробок передач, запасных частей к ним, а также стационарных агрегатов на базе дизелей ЯМЗ.
Ярославские двигатели нашли применение более чем на 300 видах изделий производства ведущих предприятий России, Белоруссии, Украины. Они устанавливаются на автомобили, магистральные автопоезда, карьерные самосвалы, аэродромные тягачи, зерно-уборочные комбайны, лесовозы, экскаваторы, автобусы, а также на дизель-электрические станции и агрегаты.
Основные потребители: ОАО «МАЗ», ОАО «Автомобильный завод «Урал», ООО «ЛиАЗ», ХК «АвтоКрАЗ», РУПП «БелАЗ», ОАО «Электроагрегат» (Курск) и другие. Широкое применение двигатели ЯМЗ находят на специализированной технике Министерства обороны РФ.
"АвтоАльянс" является официальным дилером ПАО «Автодизель» (ЯМЗ) уже много лет и обеспечивает потребителей полным перечнем продукции завода. От запчастей до двигателей в сборе.
Борьба с контрафактом
ПАО "Автодизель" (Ярославский моторный завод) тщательно следит за высоким качеством продукции, а так же проводит комплекс активных мероприятий для борьбы с контрафактными предложениями на рынке. Для противодействия распространению контрафакта на официальном сайте завода создан раздел ЯМЗ/ЯЗДА. Защита от контрафакта, в котором размещена информация о конкурентных преимуществах оригинальной продукции, о рисках и угрозах использования альтернативной продукции ненадлежащего качества, а также доступна опция проверки оригинальности продукции ЯМЗ.

ПАО "Автодизель" (Ярославский моторный завод) - одно из старейших предприятий российского автомобилестроения. В 1920 - 50-е годы был освоен выпуск первых в стране 3-12-тонных автомобилей, самосвалов, троллейбусов, автобусов, автомобильных дизельных двигателей.
С 1958 г. Ярославский моторный завод специализируется на разработке и производстве дизельных силовых агрегатов многоцелевого назначения и является признанным лидером отечественного двигателестроения.
На сегодняшний день Ярославский моторный завод (ПАО «Автодизель») является крупнейшим российским предприятием, специализирующимся на производстве дизельных двигателей многоцелевого назначения, сцеплений, коробок передач, запасных частей к ним, а также стационарных агрегатов на базе дизелей ЯМЗ.
Ярославские двигатели нашли применение более чем на 300 видах изделий производства ведущих предприятий России, Белоруссии, Украины. Они устанавливаются на автомобили, магистральные автопоезда, карьерные самосвалы, аэродромные тягачи, зерно-уборочные комбайны, лесовозы, экскаваторы, автобусы, а также на дизель-электрические станции и агрегаты.
Основные потребители: ОАО «МАЗ», ОАО «Автомобильный завод «Урал», ООО «ЛиАЗ», ХК «АвтоКрАЗ», РУПП «БелАЗ», ОАО «Электроагрегат» (Курск) и другие. Широкое применение двигатели ЯМЗ находят на специализированной технике Министерства обороны РФ.
"АвтоАльянс" является официальным дилером ПАО «Автодизель» (ЯМЗ) уже много лет и обеспечивает потребителей полным перечнем продукции завода. От запчастей до двигателей в сборе.
Борьба с контрафактом
ПАО "Автодизель" (Ярославский моторный завод) тщательно следит за высоким качеством продукции, а так же проводит комплекс активных мероприятий для борьбы с контрафактными предложениями на рынке. Для противодействия распространению контрафакта на официальном сайте завода создан раздел ЯМЗ/ЯЗДА. Защита от контрафакта, в котором размещена информация о конкурентных преимуществах оригинальной продукции, о рисках и угрозах использования альтернативной продукции ненадлежащего качества, а также доступна опция проверки оригинальности продукции ЯМЗ.

ПАО "Автодизель" (Ярославский моторный завод) - одно из старейших предприятий российского автомобилестроения. В 1920 - 50-е годы был освоен выпуск первых в стране 3-12-тонных автомобилей, самосвалов, троллейбусов, автобусов, автомобильных дизельных двигателей.
С 1958 г. Ярославский моторный завод специализируется на разработке и производстве дизельных силовых агрегатов многоцелевого назначения и является признанным лидером отечественного двигателестроения.
На сегодняшний день Ярославский моторный завод (ПАО «Автодизель») является крупнейшим российским предприятием, специализирующимся на производстве дизельных двигателей многоцелевого назначения, сцеплений, коробок передач, запасных частей к ним, а также стационарных агрегатов на базе дизелей ЯМЗ.
Ярославские двигатели нашли применение более чем на 300 видах изделий производства ведущих предприятий России, Белоруссии, Украины. Они устанавливаются на автомобили, магистральные автопоезда, карьерные самосвалы, аэродромные тягачи, зерно-уборочные комбайны, лесовозы, экскаваторы, автобусы, а также на дизель-электрические станции и агрегаты.
Основные потребители: ОАО «МАЗ», ОАО «Автомобильный завод «Урал», ООО «ЛиАЗ», ХК «АвтоКрАЗ», РУПП «БелАЗ», ОАО «Электроагрегат» (Курск) и другие. Широкое применение двигатели ЯМЗ находят на специализированной технике Министерства обороны РФ.
"АвтоАльянс" является официальным дилером ПАО «Автодизель» (ЯМЗ) уже много лет и обеспечивает потребителей полным перечнем продукции завода. От запчастей до двигателей в сборе.
Борьба с контрафактом
ПАО "Автодизель" (Ярославский моторный завод) тщательно следит за высоким качеством продукции, а так же проводит комплекс активных мероприятий для борьбы с контрафактными предложениями на рынке. Для противодействия распространению контрафакта на официальном сайте завода создан раздел ЯМЗ/ЯЗДА. Защита от контрафакта, в котором размещена информация о конкурентных преимуществах оригинальной продукции, о рисках и угрозах использования альтернативной продукции ненадлежащего качества, а также доступна опция проверки оригинальности продукции ЯМЗ.

Компания "Русский Двигатель" была основана в 2005 году в Ярославле и почти сразу завоевала доверие со стороны производителей двигателей. Предприятие имеет собственное производство и выпускает более 300 видов прокладок и 150 видов ремкомплектов на обширном станочном парке. Для создания прокладок «Русский двигатель» использует паронит заводского изготовления, а так же занимается индивидуальной разработкой штампов и запуском новых товаров. Компания является поставщиком паронитовых прокладок на конвейеры Ярославского Моторного Завода (Автодизель), ЯрДизель Аппаратуры, ОАО "Карачаевский механический завод", Ногинского завода топливной аппаратуры, Тутаевского Моторного Завода, Ярославского Завода Топливной Аппаратуры.
На складах : 87 шт.

Компания "Русский Двигатель" была основана в 2005 году в Ярославле и почти сразу завоевала доверие со стороны производителей двигателей. Предприятие имеет собственное производство и выпускает более 300 видов прокладок и 150 видов ремкомплектов на обширном станочном парке. Для создания прокладок «Русский двигатель» использует паронит заводского изготовления, а так же занимается индивидуальной разработкой штампов и запуском новых товаров. Компания является поставщиком паронитовых прокладок на конвейеры Ярославского Моторного Завода (Автодизель), ЯрДизель Аппаратуры, ОАО "Карачаевский механический завод", Ногинского завода топливной аппаратуры, Тутаевского Моторного Завода, Ярославского Завода Топливной Аппаратуры.
На складах : 20 шт.

Автомобильный концерн ГАЗ является одним из ведущих производителей в России. Компания предлагает запчасти для всех своих моделей автомобилей, а также поставляет комплектующие и сопутствующие товары на рынок автокомпонентов.
Преимущества автозапчастей ГАЗ заключаются в заметном качестве и надежности продукции, а также в доступных ценах. Благодаря использованию современных технологий и высококвалифицированному персоналу, ГАЗ гарантирует соответствующие характеристики продукции.
Все запчасти и компоненты проходят строгий контроль качества на каждом из этапов производства и подвергаются испытаниям в специальных лабораториях. Это обеспечивает стабильную работу и долговечность продукции ГАЗ. Детали производятся с использованием современных технологий и проверенных материалов. Это обеспечивает высокую производительность и безопасность автомобилей, а также улучшенный комфорт во время эксплуатации.
Компания предлагает широкий ассортимент запчастей для различных моделей автомобилей, а также для транспортных средств других марок. Все изделия имеют сертификаты соответствия и гарантию на производственные дефекты.
Кроме того, ГАЗ постоянно совершенствует свои продукты и осваивает новые рынки, чтобы удовлетворить даже самые неожиданные потребности своих клиентов. Все это выгодно выделяет автозапчасти и автокомпоненты ГАЗ в глазах покупателей, как в России, так и за ее пределами.
Ассортимент:
- Двигатели и их компоненты, такие как поршни, кольца, клапаны и т.д.
- Трансмиссия, включая коробки передач и дифференциалы.
- Системы выхлопа, включая глушители, катализаторы и трубы.
- Рулевое управление, включая рулевые рейки и насосы гидроусилителя руля.
- Подвеска, включая амортизаторы, пружины, рычаги и шаровые опоры.
- Тормозные системы, включая тормозные колодки, диски и суппорты.
- Электроника, включая стартеры, генераторы, аккумуляторы и свечи зажигания.
- Кузовные запчасти, включая крылья, двери, бамперы и фары.

Автомобильный концерн ГАЗ является одним из ведущих производителей в России. Компания предлагает запчасти для всех своих моделей автомобилей, а также поставляет комплектующие и сопутствующие товары на рынок автокомпонентов.
Преимущества автозапчастей ГАЗ заключаются в заметном качестве и надежности продукции, а также в доступных ценах. Благодаря использованию современных технологий и высококвалифицированному персоналу, ГАЗ гарантирует соответствующие характеристики продукции.
Все запчасти и компоненты проходят строгий контроль качества на каждом из этапов производства и подвергаются испытаниям в специальных лабораториях. Это обеспечивает стабильную работу и долговечность продукции ГАЗ. Детали производятся с использованием современных технологий и проверенных материалов. Это обеспечивает высокую производительность и безопасность автомобилей, а также улучшенный комфорт во время эксплуатации.
Компания предлагает широкий ассортимент запчастей для различных моделей автомобилей, а также для транспортных средств других марок. Все изделия имеют сертификаты соответствия и гарантию на производственные дефекты.
Кроме того, ГАЗ постоянно совершенствует свои продукты и осваивает новые рынки, чтобы удовлетворить даже самые неожиданные потребности своих клиентов. Все это выгодно выделяет автозапчасти и автокомпоненты ГАЗ в глазах покупателей, как в России, так и за ее пределами.
Ассортимент:
- Двигатели и их компоненты, такие как поршни, кольца, клапаны и т.д.
- Трансмиссия, включая коробки передач и дифференциалы.
- Системы выхлопа, включая глушители, катализаторы и трубы.
- Рулевое управление, включая рулевые рейки и насосы гидроусилителя руля.
- Подвеска, включая амортизаторы, пружины, рычаги и шаровые опоры.
- Тормозные системы, включая тормозные колодки, диски и суппорты.
- Электроника, включая стартеры, генераторы, аккумуляторы и свечи зажигания.
- Кузовные запчасти, включая крылья, двери, бамперы и фары.

АЗ "УРАЛ" входит в состав "Группы ГАЗ". Дата образования АЗ "УРАЛ" - 2001 год. Автомобильный завод Урал появился в результате перестройки производственного комплекса "УралАЗ". На сегодняшний день АЗ "УРАЛ" является основным звеном в структуре дивизиона "Грузовые автомобили" и занимает ведущие позиции на российском рынке полноприводных большегрузных автомобилей.
Основное назначение завода: Производство полноприводных грузовых автомобилей, дорожных грузовиков, вахтовых автобусов. На базе шасси "УРАЛ" работают более 400 видов спецтехники: вахтовые автобусы, автоцистерны, подъемные краны, топливозаправщики, пожарные автомобили, разнообразные агрегаты для лесопромышленного и нефтегазового комплекса, горной промышленности и коммунального хозяйства.
Автомобильная техника УРАЛ используется, как государственными предприятиями, так и крупными частными компаниями. В нефтегазодобывающей отрасли востребованы: бортовые автомобили, трубовозы, седельные тягачи, топливозаправщики. В начале 90-х годов на шасси "УРАЛ" изготовили спецтехнику для газодобывающей отрасли: цементировочные агрегаты, агрегаты ремонта скважин, ремонтные мастерские и др.
Основными заказчиками являются нефтяные гиганты ОАО "Газпром", ОАО "НК "Роснефть", ОАО "Сургутнефтегаз, "ТНК-ВP", энергокомпания РАО "ЕЭС", а также ряд министерств Российской Федерации: Министерство обороны, Министерство по чрезвычайным ситуациям, Министерство внутренних дел.
С 2005 года Автомобильный завод УРАЛ освоил серийное производство таких автомобилей, как седельный тягач "УРАЛ-63674" и самосвалов с грузоподъёмностью более 20 тонн "УРАЛ-63685" и "УРАЛ-6563". В 2007-2008 году на Автомобильном заводе "УРАЛ" внедряют передовые технологии:
- внедрение новой производственной системы "lean production".
- внедрение современной автоматизированной ERP-системы
- внедрение системы "Ворота Качества".
- внедрение системы менеджмента качества в соответствии с требованиями стандартов ISO 9001:2000 и ISO 9001:2008.
- внедрение СМК соответствующей требованиям ИСО/ТУ 16949:2002.
АЗ "УРАЛ" постоянно работает на расширение модельного ряда. Так в 2010 году в серийное производство был запущен вахтовый автобус Урал-32552-3011-59 и самосвал Урал-6370. А уже в 2011 году на заводе разработали вахтовый автобус на пневмоподвеске, которая обеспечит высокую плавность хода даже в условиях бездорожья.
"АвтоАльянс" активно развивает направление запчастей для автомобилей УРАЛ. В продаже широкий ассортимент продукции АЗ "УРАЛ" по оптимальным ценам. Для Вас всегда работает группа специалистов по запчастям на автомобили УРАЛ.

АЗ "УРАЛ" входит в состав "Группы ГАЗ". Дата образования АЗ "УРАЛ" - 2001 год. Автомобильный завод Урал появился в результате перестройки производственного комплекса "УралАЗ". На сегодняшний день АЗ "УРАЛ" является основным звеном в структуре дивизиона "Грузовые автомобили" и занимает ведущие позиции на российском рынке полноприводных большегрузных автомобилей.
Основное назначение завода: Производство полноприводных грузовых автомобилей, дорожных грузовиков, вахтовых автобусов. На базе шасси "УРАЛ" работают более 400 видов спецтехники: вахтовые автобусы, автоцистерны, подъемные краны, топливозаправщики, пожарные автомобили, разнообразные агрегаты для лесопромышленного и нефтегазового комплекса, горной промышленности и коммунального хозяйства.
Автомобильная техника УРАЛ используется, как государственными предприятиями, так и крупными частными компаниями. В нефтегазодобывающей отрасли востребованы: бортовые автомобили, трубовозы, седельные тягачи, топливозаправщики. В начале 90-х годов на шасси "УРАЛ" изготовили спецтехнику для газодобывающей отрасли: цементировочные агрегаты, агрегаты ремонта скважин, ремонтные мастерские и др.
Основными заказчиками являются нефтяные гиганты ОАО "Газпром", ОАО "НК "Роснефть", ОАО "Сургутнефтегаз, "ТНК-ВP", энергокомпания РАО "ЕЭС", а также ряд министерств Российской Федерации: Министерство обороны, Министерство по чрезвычайным ситуациям, Министерство внутренних дел.
С 2005 года Автомобильный завод УРАЛ освоил серийное производство таких автомобилей, как седельный тягач "УРАЛ-63674" и самосвалов с грузоподъёмностью более 20 тонн "УРАЛ-63685" и "УРАЛ-6563". В 2007-2008 году на Автомобильном заводе "УРАЛ" внедряют передовые технологии:
- внедрение новой производственной системы "lean production".
- внедрение современной автоматизированной ERP-системы
- внедрение системы "Ворота Качества".
- внедрение системы менеджмента качества в соответствии с требованиями стандартов ISO 9001:2000 и ISO 9001:2008.
- внедрение СМК соответствующей требованиям ИСО/ТУ 16949:2002.
АЗ "УРАЛ" постоянно работает на расширение модельного ряда. Так в 2010 году в серийное производство был запущен вахтовый автобус Урал-32552-3011-59 и самосвал Урал-6370. А уже в 2011 году на заводе разработали вахтовый автобус на пневмоподвеске, которая обеспечит высокую плавность хода даже в условиях бездорожья.
"АвтоАльянс" активно развивает направление запчастей для автомобилей УРАЛ. В продаже широкий ассортимент продукции АЗ "УРАЛ" по оптимальным ценам. Для Вас всегда работает группа специалистов по запчастям на автомобили УРАЛ.

"Завод Красная Этна" уже более 110 лет производит крепёжные изделия и пружины для автомобильной промышленности. История завода начинается с 24 декабря 1898 года, когда по положению Комитета Министров Николай Второй разрешает Виктору Михайловичу Гольденбергу и германскому подданному Петру Ивановичу Мартини учредить "Акционерное Общество Рижского металлического завода "Этна". С 1904 года по 1915 год на Рижском металлическом заводе работали цеха: гвоздильный, горячепрокатный, цепочный, травильный, отжигательный, волочильный. Продукция завода была востребована в России, Прибалтике и за рубежом. В годы первой мировой войны завод был эвакуирован из Риги в Нижний Новгород. С этого момента для завода начинается новая история. Во время войны "Завод Красная Этна" обеспечивал своей продукцией фронт. На заводе начался выпуск минных цепей, гвоздей к солдатским сапогам, колючей проволоки, пряжек к ружьям и карабинов, а также другой продукции для нужд фронта и населения России. С 1916 года по 1918 год происходит национализация завода и смена учредителей. Завод стал именоваться, как Акционерное общество Нижегородского металлического завода "Новая Этна". С приходом советской власти на заводе сменилось название на "Красная Этна" и были запущены: электростанция, прокатный цех, цех тонкого волочения и болтозаклепочный цех. В 1925 в структуру завода вливается предприятие с парком металлорежущего оборудования. В этом же году, на базе влившегося предприятия, создаются инструментальный и механический цеха, а также лесопильно-ящичный цех. В начале 30х, организовано строительство Горьковского автомобильного завода, который оказал большое влияние на развитие и деятельность предприятия. "Красная Этна" переходит на выпуск изделий высокого класса точности и включается в обслуживание автомобильной промышленности страны. К началу Великой Отечественной войны, реконструированный завод представлял собой крупное предприятие автомобильной промышленности, которое специализировалось на выпуске: специальной проволоки, пружин, шайб, холоднокатаной ленты и автонормалей. Во время Второй Мировой войны завод бесперебойно снабжал фронт боеприпасами. С 1941 года по 1943 год на заводе работало 996 человек. В послевоенное время завод стал активно развиваться. В дальнейшем на заводе были реконструированы цеха и освоено новое производство, создано собственное станкостроение и автоматические линии, выстроен инженерный корпус и здание очистных сооружений. Организовано производство проката и пружин, а также стержневого крепежа. Создан важнейший отдел обеспечения качеством. На сегодняшний день ОАО "Завод Красная Этна" представляет собой современное, динамично-развивающееся предприятие, специализирующееся на производстве крепежных изделий для автомобильной промышленности. Продукция завода поставляется на крупнейшие предприятия России, стран СНГ и дальнего зарубежья. Продукция предприятия соответствует международным системам качества ИСО 9001-2000 и ISO/TS 16949:2002. Продукция завода прошла проверку аудиторами TUV CERT (Германия) и национальной системой ГОСТ Р. Номенклатура предприятия насчитывает более 2,5 тысячи видов крепёжных изделий, в том числе соответствующих стандарту DIN. Компания "АвтоАльянс" предлагает оригинальную продукцию производства ОАО "Завод Красная Этна". В ассортименте представлен широкий перечень продукции завода: винты различных конструкций, пружины, стремянки, шайбы, гайки, шпильки, заклепки, штуцеры, оси, пробки и пластины, а также всевозможный крепёж к различным автомобилям.
На складах : 7670 шт.

"Завод Красная Этна" уже более 110 лет производит крепёжные изделия и пружины для автомобильной промышленности. История завода начинается с 24 декабря 1898 года, когда по положению Комитета Министров Николай Второй разрешает Виктору Михайловичу Гольденбергу и германскому подданному Петру Ивановичу Мартини учредить "Акционерное Общество Рижского металлического завода "Этна". С 1904 года по 1915 год на Рижском металлическом заводе работали цеха: гвоздильный, горячепрокатный, цепочный, травильный, отжигательный, волочильный. Продукция завода была востребована в России, Прибалтике и за рубежом. В годы первой мировой войны завод был эвакуирован из Риги в Нижний Новгород. С этого момента для завода начинается новая история. Во время войны "Завод Красная Этна" обеспечивал своей продукцией фронт. На заводе начался выпуск минных цепей, гвоздей к солдатским сапогам, колючей проволоки, пряжек к ружьям и карабинов, а также другой продукции для нужд фронта и населения России. С 1916 года по 1918 год происходит национализация завода и смена учредителей. Завод стал именоваться, как Акционерное общество Нижегородского металлического завода "Новая Этна". С приходом советской власти на заводе сменилось название на "Красная Этна" и были запущены: электростанция, прокатный цех, цех тонкого волочения и болтозаклепочный цех. В 1925 в структуру завода вливается предприятие с парком металлорежущего оборудования. В этом же году, на базе влившегося предприятия, создаются инструментальный и механический цеха, а также лесопильно-ящичный цех. В начале 30х, организовано строительство Горьковского автомобильного завода, который оказал большое влияние на развитие и деятельность предприятия. "Красная Этна" переходит на выпуск изделий высокого класса точности и включается в обслуживание автомобильной промышленности страны. К началу Великой Отечественной войны, реконструированный завод представлял собой крупное предприятие автомобильной промышленности, которое специализировалось на выпуске: специальной проволоки, пружин, шайб, холоднокатаной ленты и автонормалей. Во время Второй Мировой войны завод бесперебойно снабжал фронт боеприпасами. С 1941 года по 1943 год на заводе работало 996 человек. В послевоенное время завод стал активно развиваться. В дальнейшем на заводе были реконструированы цеха и освоено новое производство, создано собственное станкостроение и автоматические линии, выстроен инженерный корпус и здание очистных сооружений. Организовано производство проката и пружин, а также стержневого крепежа. Создан важнейший отдел обеспечения качеством. На сегодняшний день ОАО "Завод Красная Этна" представляет собой современное, динамично-развивающееся предприятие, специализирующееся на производстве крепежных изделий для автомобильной промышленности. Продукция завода поставляется на крупнейшие предприятия России, стран СНГ и дальнего зарубежья. Продукция предприятия соответствует международным системам качества ИСО 9001-2000 и ISO/TS 16949:2002. Продукция завода прошла проверку аудиторами TUV CERT (Германия) и национальной системой ГОСТ Р. Номенклатура предприятия насчитывает более 2,5 тысячи видов крепёжных изделий, в том числе соответствующих стандарту DIN. Компания "АвтоАльянс" предлагает оригинальную продукцию производства ОАО "Завод Красная Этна". В ассортименте представлен широкий перечень продукции завода: винты различных конструкций, пружины, стремянки, шайбы, гайки, шпильки, заклепки, штуцеры, оси, пробки и пластины, а также всевозможный крепёж к различным автомобилям.

Открытое акционерное общество "Минский автомобильный завод" (ОАО МАЗ) - крупнейшее предприятие Республики Беларусь по выпуску большегрузной автомобильной, пассажирской, прицепной и автокрановой техники. Завод является самостоятельным хозяйствующим субъектом с правом юридического лица, входит в качестве головного предприятия в состав Производственного объединения "БелавтоМАЗ", в составе которого находятся также РУП "БААЗ" (г. Барановичи), РУП "ОЗАА" (г. Осиповичи) , РУА "КЗТШ" (г. Жодино), РУП "Литмаш" (г. Минск), ПРУП "ДЭМЗ" (г. Дзержинск), РУП "СтройМАЗтрест" (г. Минск). Минский автомобильный завод включает в себя все виды действующих производств, свойственных современным крупным машиностроительным заводам, среди которых: литейное, кузнечное, прессовое, сварочное, механообрабатывающее, термическое, окрасочное, сборочное, инструментальное. Наша компания является официальным дилером ОАО МАЗ. По итогам работы ТПС наша компания получила статус "Лучшего дилера 2009 года по продаже запасных частей ОАО МАЗ". На наших складах очень широкий ассортимент запчастей, кабин и рам для автомашин МАЗ. Мы предлагаем нашим покупателям самые низкие цены на продукцию ОАО МАЗ.
На складах : 642 шт.

Открытое акционерное общество "Минский автомобильный завод" (ОАО МАЗ) - крупнейшее предприятие Республики Беларусь по выпуску большегрузной автомобильной, пассажирской, прицепной и автокрановой техники. Завод является самостоятельным хозяйствующим субъектом с правом юридического лица, входит в качестве головного предприятия в состав Производственного объединения "БелавтоМАЗ", в составе которого находятся также РУП "БААЗ" (г. Барановичи), РУП "ОЗАА" (г. Осиповичи) , РУА "КЗТШ" (г. Жодино), РУП "Литмаш" (г. Минск), ПРУП "ДЭМЗ" (г. Дзержинск), РУП "СтройМАЗтрест" (г. Минск). Минский автомобильный завод включает в себя все виды действующих производств, свойственных современным крупным машиностроительным заводам, среди которых: литейное, кузнечное, прессовое, сварочное, механообрабатывающее, термическое, окрасочное, сборочное, инструментальное. Наша компания является официальным дилером ОАО МАЗ. По итогам работы ТПС наша компания получила статус "Лучшего дилера 2009 года по продаже запасных частей ОАО МАЗ". На наших складах очень широкий ассортимент запчастей, кабин и рам для автомашин МАЗ. Мы предлагаем нашим покупателям самые низкие цены на продукцию ОАО МАЗ.

"Завод Красная Этна" уже более 110 лет производит крепёжные изделия и пружины для автомобильной промышленности. История завода начинается с 24 декабря 1898 года, когда по положению Комитета Министров Николай Второй разрешает Виктору Михайловичу Гольденбергу и германскому подданному Петру Ивановичу Мартини учредить "Акционерное Общество Рижского металлического завода "Этна". С 1904 года по 1915 год на Рижском металлическом заводе работали цеха: гвоздильный, горячепрокатный, цепочный, травильный, отжигательный, волочильный. Продукция завода была востребована в России, Прибалтике и за рубежом. В годы первой мировой войны завод был эвакуирован из Риги в Нижний Новгород. С этого момента для завода начинается новая история. Во время войны "Завод Красная Этна" обеспечивал своей продукцией фронт. На заводе начался выпуск минных цепей, гвоздей к солдатским сапогам, колючей проволоки, пряжек к ружьям и карабинов, а также другой продукции для нужд фронта и населения России. С 1916 года по 1918 год происходит национализация завода и смена учредителей. Завод стал именоваться, как Акционерное общество Нижегородского металлического завода "Новая Этна". С приходом советской власти на заводе сменилось название на "Красная Этна" и были запущены: электростанция, прокатный цех, цех тонкого волочения и болтозаклепочный цех. В 1925 в структуру завода вливается предприятие с парком металлорежущего оборудования. В этом же году, на базе влившегося предприятия, создаются инструментальный и механический цеха, а также лесопильно-ящичный цех. В начале 30х, организовано строительство Горьковского автомобильного завода, который оказал большое влияние на развитие и деятельность предприятия. "Красная Этна" переходит на выпуск изделий высокого класса точности и включается в обслуживание автомобильной промышленности страны. К началу Великой Отечественной войны, реконструированный завод представлял собой крупное предприятие автомобильной промышленности, которое специализировалось на выпуске: специальной проволоки, пружин, шайб, холоднокатаной ленты и автонормалей. Во время Второй Мировой войны завод бесперебойно снабжал фронт боеприпасами. С 1941 года по 1943 год на заводе работало 996 человек. В послевоенное время завод стал активно развиваться. В дальнейшем на заводе были реконструированы цеха и освоено новое производство, создано собственное станкостроение и автоматические линии, выстроен инженерный корпус и здание очистных сооружений. Организовано производство проката и пружин, а также стержневого крепежа. Создан важнейший отдел обеспечения качеством. На сегодняшний день ОАО "Завод Красная Этна" представляет собой современное, динамично-развивающееся предприятие, специализирующееся на производстве крепежных изделий для автомобильной промышленности. Продукция завода поставляется на крупнейшие предприятия России, стран СНГ и дальнего зарубежья. Продукция предприятия соответствует международным системам качества ИСО 9001-2000 и ISO/TS 16949:2002. Продукция завода прошла проверку аудиторами TUV CERT (Германия) и национальной системой ГОСТ Р. Номенклатура предприятия насчитывает более 2,5 тысячи видов крепёжных изделий, в том числе соответствующих стандарту DIN. Компания "АвтоАльянс" предлагает оригинальную продукцию производства ОАО "Завод Красная Этна". В ассортименте представлен широкий перечень продукции завода: винты различных конструкций, пружины, стремянки, шайбы, гайки, шпильки, заклепки, штуцеры, оси, пробки и пластины, а также всевозможный крепёж к различным автомобилям.
На складах : 132 шт.

"Завод Красная Этна" уже более 110 лет производит крепёжные изделия и пружины для автомобильной промышленности. История завода начинается с 24 декабря 1898 года, когда по положению Комитета Министров Николай Второй разрешает Виктору Михайловичу Гольденбергу и германскому подданному Петру Ивановичу Мартини учредить "Акционерное Общество Рижского металлического завода "Этна". С 1904 года по 1915 год на Рижском металлическом заводе работали цеха: гвоздильный, горячепрокатный, цепочный, травильный, отжигательный, волочильный. Продукция завода была востребована в России, Прибалтике и за рубежом. В годы первой мировой войны завод был эвакуирован из Риги в Нижний Новгород. С этого момента для завода начинается новая история. Во время войны "Завод Красная Этна" обеспечивал своей продукцией фронт. На заводе начался выпуск минных цепей, гвоздей к солдатским сапогам, колючей проволоки, пряжек к ружьям и карабинов, а также другой продукции для нужд фронта и населения России. С 1916 года по 1918 год происходит национализация завода и смена учредителей. Завод стал именоваться, как Акционерное общество Нижегородского металлического завода "Новая Этна". С приходом советской власти на заводе сменилось название на "Красная Этна" и были запущены: электростанция, прокатный цех, цех тонкого волочения и болтозаклепочный цех. В 1925 в структуру завода вливается предприятие с парком металлорежущего оборудования. В этом же году, на базе влившегося предприятия, создаются инструментальный и механический цеха, а также лесопильно-ящичный цех. В начале 30х, организовано строительство Горьковского автомобильного завода, который оказал большое влияние на развитие и деятельность предприятия. "Красная Этна" переходит на выпуск изделий высокого класса точности и включается в обслуживание автомобильной промышленности страны. К началу Великой Отечественной войны, реконструированный завод представлял собой крупное предприятие автомобильной промышленности, которое специализировалось на выпуске: специальной проволоки, пружин, шайб, холоднокатаной ленты и автонормалей. Во время Второй Мировой войны завод бесперебойно снабжал фронт боеприпасами. С 1941 года по 1943 год на заводе работало 996 человек. В послевоенное время завод стал активно развиваться. В дальнейшем на заводе были реконструированы цеха и освоено новое производство, создано собственное станкостроение и автоматические линии, выстроен инженерный корпус и здание очистных сооружений. Организовано производство проката и пружин, а также стержневого крепежа. Создан важнейший отдел обеспечения качеством. На сегодняшний день ОАО "Завод Красная Этна" представляет собой современное, динамично-развивающееся предприятие, специализирующееся на производстве крепежных изделий для автомобильной промышленности. Продукция завода поставляется на крупнейшие предприятия России, стран СНГ и дальнего зарубежья. Продукция предприятия соответствует международным системам качества ИСО 9001-2000 и ISO/TS 16949:2002. Продукция завода прошла проверку аудиторами TUV CERT (Германия) и национальной системой ГОСТ Р. Номенклатура предприятия насчитывает более 2,5 тысячи видов крепёжных изделий, в том числе соответствующих стандарту DIN. Компания "АвтоАльянс" предлагает оригинальную продукцию производства ОАО "Завод Красная Этна". В ассортименте представлен широкий перечень продукции завода: винты различных конструкций, пружины, стремянки, шайбы, гайки, шпильки, заклепки, штуцеры, оси, пробки и пластины, а также всевозможный крепёж к различным автомобилям.

ПАО "Автодизель" (Ярославский моторный завод) - одно из старейших предприятий российского автомобилестроения. В 1920 - 50-е годы был освоен выпуск первых в стране 3-12-тонных автомобилей, самосвалов, троллейбусов, автобусов, автомобильных дизельных двигателей.
С 1958 г. Ярославский моторный завод специализируется на разработке и производстве дизельных силовых агрегатов многоцелевого назначения и является признанным лидером отечественного двигателестроения.
На сегодняшний день Ярославский моторный завод (ПАО «Автодизель») является крупнейшим российским предприятием, специализирующимся на производстве дизельных двигателей многоцелевого назначения, сцеплений, коробок передач, запасных частей к ним, а также стационарных агрегатов на базе дизелей ЯМЗ.
Ярославские двигатели нашли применение более чем на 300 видах изделий производства ведущих предприятий России, Белоруссии, Украины. Они устанавливаются на автомобили, магистральные автопоезда, карьерные самосвалы, аэродромные тягачи, зерно-уборочные комбайны, лесовозы, экскаваторы, автобусы, а также на дизель-электрические станции и агрегаты.
Основные потребители: ОАО «МАЗ», ОАО «Автомобильный завод «Урал», ООО «ЛиАЗ», ХК «АвтоКрАЗ», РУПП «БелАЗ», ОАО «Электроагрегат» (Курск) и другие. Широкое применение двигатели ЯМЗ находят на специализированной технике Министерства обороны РФ.
"АвтоАльянс" является официальным дилером ПАО «Автодизель» (ЯМЗ) уже много лет и обеспечивает потребителей полным перечнем продукции завода. От запчастей до двигателей в сборе.
Борьба с контрафактом
ПАО "Автодизель" (Ярославский моторный завод) тщательно следит за высоким качеством продукции, а так же проводит комплекс активных мероприятий для борьбы с контрафактными предложениями на рынке. Для противодействия распространению контрафакта на официальном сайте завода создан раздел ЯМЗ/ЯЗДА. Защита от контрафакта, в котором размещена информация о конкурентных преимуществах оригинальной продукции, о рисках и угрозах использования альтернативной продукции ненадлежащего качества, а также доступна опция проверки оригинальности продукции ЯМЗ.
На складах : 95 шт.

ПАО "Автодизель" (Ярославский моторный завод) - одно из старейших предприятий российского автомобилестроения. В 1920 - 50-е годы был освоен выпуск первых в стране 3-12-тонных автомобилей, самосвалов, троллейбусов, автобусов, автомобильных дизельных двигателей.
С 1958 г. Ярославский моторный завод специализируется на разработке и производстве дизельных силовых агрегатов многоцелевого назначения и является признанным лидером отечественного двигателестроения.
На сегодняшний день Ярославский моторный завод (ПАО «Автодизель») является крупнейшим российским предприятием, специализирующимся на производстве дизельных двигателей многоцелевого назначения, сцеплений, коробок передач, запасных частей к ним, а также стационарных агрегатов на базе дизелей ЯМЗ.
Ярославские двигатели нашли применение более чем на 300 видах изделий производства ведущих предприятий России, Белоруссии, Украины. Они устанавливаются на автомобили, магистральные автопоезда, карьерные самосвалы, аэродромные тягачи, зерно-уборочные комбайны, лесовозы, экскаваторы, автобусы, а также на дизель-электрические станции и агрегаты.
Основные потребители: ОАО «МАЗ», ОАО «Автомобильный завод «Урал», ООО «ЛиАЗ», ХК «АвтоКрАЗ», РУПП «БелАЗ», ОАО «Электроагрегат» (Курск) и другие. Широкое применение двигатели ЯМЗ находят на специализированной технике Министерства обороны РФ.
"АвтоАльянс" является официальным дилером ПАО «Автодизель» (ЯМЗ) уже много лет и обеспечивает потребителей полным перечнем продукции завода. От запчастей до двигателей в сборе.
Борьба с контрафактом
ПАО "Автодизель" (Ярославский моторный завод) тщательно следит за высоким качеством продукции, а так же проводит комплекс активных мероприятий для борьбы с контрафактными предложениями на рынке. Для противодействия распространению контрафакта на официальном сайте завода создан раздел ЯМЗ/ЯЗДА. Защита от контрафакта, в котором размещена информация о конкурентных преимуществах оригинальной продукции, о рисках и угрозах использования альтернативной продукции ненадлежащего качества, а также доступна опция проверки оригинальности продукции ЯМЗ.

ПАО "Автодизель" (Ярославский моторный завод) - одно из старейших предприятий российского автомобилестроения. В 1920 - 50-е годы был освоен выпуск первых в стране 3-12-тонных автомобилей, самосвалов, троллейбусов, автобусов, автомобильных дизельных двигателей.
С 1958 г. Ярославский моторный завод специализируется на разработке и производстве дизельных силовых агрегатов многоцелевого назначения и является признанным лидером отечественного двигателестроения.
На сегодняшний день Ярославский моторный завод (ПАО «Автодизель») является крупнейшим российским предприятием, специализирующимся на производстве дизельных двигателей многоцелевого назначения, сцеплений, коробок передач, запасных частей к ним, а также стационарных агрегатов на базе дизелей ЯМЗ.
Ярославские двигатели нашли применение более чем на 300 видах изделий производства ведущих предприятий России, Белоруссии, Украины. Они устанавливаются на автомобили, магистральные автопоезда, карьерные самосвалы, аэродромные тягачи, зерно-уборочные комбайны, лесовозы, экскаваторы, автобусы, а также на дизель-электрические станции и агрегаты.
Основные потребители: ОАО «МАЗ», ОАО «Автомобильный завод «Урал», ООО «ЛиАЗ», ХК «АвтоКрАЗ», РУПП «БелАЗ», ОАО «Электроагрегат» (Курск) и другие. Широкое применение двигатели ЯМЗ находят на специализированной технике Министерства обороны РФ.
"АвтоАльянс" является официальным дилером ПАО «Автодизель» (ЯМЗ) уже много лет и обеспечивает потребителей полным перечнем продукции завода. От запчастей до двигателей в сборе.
Борьба с контрафактом
ПАО "Автодизель" (Ярославский моторный завод) тщательно следит за высоким качеством продукции, а так же проводит комплекс активных мероприятий для борьбы с контрафактными предложениями на рынке. Для противодействия распространению контрафакта на официальном сайте завода создан раздел ЯМЗ/ЯЗДА. Защита от контрафакта, в котором размещена информация о конкурентных преимуществах оригинальной продукции, о рисках и угрозах использования альтернативной продукции ненадлежащего качества, а также доступна опция проверки оригинальности продукции ЯМЗ.
На складах : 45 шт.

ПАО "Автодизель" (Ярославский моторный завод) - одно из старейших предприятий российского автомобилестроения. В 1920 - 50-е годы был освоен выпуск первых в стране 3-12-тонных автомобилей, самосвалов, троллейбусов, автобусов, автомобильных дизельных двигателей.
С 1958 г. Ярославский моторный завод специализируется на разработке и производстве дизельных силовых агрегатов многоцелевого назначения и является признанным лидером отечественного двигателестроения.
На сегодняшний день Ярославский моторный завод (ПАО «Автодизель») является крупнейшим российским предприятием, специализирующимся на производстве дизельных двигателей многоцелевого назначения, сцеплений, коробок передач, запасных частей к ним, а также стационарных агрегатов на базе дизелей ЯМЗ.
Ярославские двигатели нашли применение более чем на 300 видах изделий производства ведущих предприятий России, Белоруссии, Украины. Они устанавливаются на автомобили, магистральные автопоезда, карьерные самосвалы, аэродромные тягачи, зерно-уборочные комбайны, лесовозы, экскаваторы, автобусы, а также на дизель-электрические станции и агрегаты.
Основные потребители: ОАО «МАЗ», ОАО «Автомобильный завод «Урал», ООО «ЛиАЗ», ХК «АвтоКрАЗ», РУПП «БелАЗ», ОАО «Электроагрегат» (Курск) и другие. Широкое применение двигатели ЯМЗ находят на специализированной технике Министерства обороны РФ.
"АвтоАльянс" является официальным дилером ПАО «Автодизель» (ЯМЗ) уже много лет и обеспечивает потребителей полным перечнем продукции завода. От запчастей до двигателей в сборе.
Борьба с контрафактом
ПАО "Автодизель" (Ярославский моторный завод) тщательно следит за высоким качеством продукции, а так же проводит комплекс активных мероприятий для борьбы с контрафактными предложениями на рынке. Для противодействия распространению контрафакта на официальном сайте завода создан раздел ЯМЗ/ЯЗДА. Защита от контрафакта, в котором размещена информация о конкурентных преимуществах оригинальной продукции, о рисках и угрозах использования альтернативной продукции ненадлежащего качества, а также доступна опция проверки оригинальности продукции ЯМЗ.

Компания "Русский Двигатель" была основана в 2005 году в Ярославле и почти сразу завоевала доверие со стороны производителей двигателей. Предприятие имеет собственное производство и выпускает более 300 видов прокладок и 150 видов ремкомплектов на обширном станочном парке. Для создания прокладок «Русский двигатель» использует паронит заводского изготовления, а так же занимается индивидуальной разработкой штампов и запуском новых товаров. Компания является поставщиком паронитовых прокладок на конвейеры Ярославского Моторного Завода (Автодизель), ЯрДизель Аппаратуры, ОАО "Карачаевский механический завод", Ногинского завода топливной аппаратуры, Тутаевского Моторного Завода, Ярославского Завода Топливной Аппаратуры.

Компания "Русский Двигатель" была основана в 2005 году в Ярославле и почти сразу завоевала доверие со стороны производителей двигателей. Предприятие имеет собственное производство и выпускает более 300 видов прокладок и 150 видов ремкомплектов на обширном станочном парке. Для создания прокладок «Русский двигатель» использует паронит заводского изготовления, а так же занимается индивидуальной разработкой штампов и запуском новых товаров. Компания является поставщиком паронитовых прокладок на конвейеры Ярославского Моторного Завода (Автодизель), ЯрДизель Аппаратуры, ОАО "Карачаевский механический завод", Ногинского завода топливной аппаратуры, Тутаевского Моторного Завода, Ярославского Завода Топливной Аппаратуры.

Компания "Русский Двигатель" была основана в 2005 году в Ярославле и почти сразу завоевала доверие со стороны производителей двигателей. Предприятие имеет собственное производство и выпускает более 300 видов прокладок и 150 видов ремкомплектов на обширном станочном парке. Для создания прокладок «Русский двигатель» использует паронит заводского изготовления, а так же занимается индивидуальной разработкой штампов и запуском новых товаров. Компания является поставщиком паронитовых прокладок на конвейеры Ярославского Моторного Завода (Автодизель), ЯрДизель Аппаратуры, ОАО "Карачаевский механический завод", Ногинского завода топливной аппаратуры, Тутаевского Моторного Завода, Ярославского Завода Топливной Аппаратуры.

Компания "Русский Двигатель" была основана в 2005 году в Ярославле и почти сразу завоевала доверие со стороны производителей двигателей. Предприятие имеет собственное производство и выпускает более 300 видов прокладок и 150 видов ремкомплектов на обширном станочном парке. Для создания прокладок «Русский двигатель» использует паронит заводского изготовления, а так же занимается индивидуальной разработкой штампов и запуском новых товаров. Компания является поставщиком паронитовых прокладок на конвейеры Ярославского Моторного Завода (Автодизель), ЯрДизель Аппаратуры, ОАО "Карачаевский механический завод", Ногинского завода топливной аппаратуры, Тутаевского Моторного Завода, Ярославского Завода Топливной Аппаратуры.

ООО «ЯЗТО-Авто» - ведущий производитель безасбестовых прокладок головки блока цилиндров (ГБЦ), прокладок газопроводов, выпускных коллекторов, ремкомплектов и запасных частей для двигателей ЯМЗ и других ведущих моторостроительных заводов, один из поставщиков безасбестовых прокладок сборочного конвейера ОАО «Автодизель».

ООО «ЯЗТО-Авто» - ведущий производитель безасбестовых прокладок головки блока цилиндров (ГБЦ), прокладок газопроводов, выпускных коллекторов, ремкомплектов и запасных частей для двигателей ЯМЗ и других ведущих моторостроительных заводов, один из поставщиков безасбестовых прокладок сборочного конвейера ОАО «Автодизель».

"Завод Красная Этна" уже более 110 лет производит крепёжные изделия и пружины для автомобильной промышленности. История завода начинается с 24 декабря 1898 года, когда по положению Комитета Министров Николай Второй разрешает Виктору Михайловичу Гольденбергу и германскому подданному Петру Ивановичу Мартини учредить "Акционерное Общество Рижского металлического завода "Этна". С 1904 года по 1915 год на Рижском металлическом заводе работали цеха: гвоздильный, горячепрокатный, цепочный, травильный, отжигательный, волочильный. Продукция завода была востребована в России, Прибалтике и за рубежом. В годы первой мировой войны завод был эвакуирован из Риги в Нижний Новгород. С этого момента для завода начинается новая история. Во время войны "Завод Красная Этна" обеспечивал своей продукцией фронт. На заводе начался выпуск минных цепей, гвоздей к солдатским сапогам, колючей проволоки, пряжек к ружьям и карабинов, а также другой продукции для нужд фронта и населения России. С 1916 года по 1918 год происходит национализация завода и смена учредителей. Завод стал именоваться, как Акционерное общество Нижегородского металлического завода "Новая Этна". С приходом советской власти на заводе сменилось название на "Красная Этна" и были запущены: электростанция, прокатный цех, цех тонкого волочения и болтозаклепочный цех. В 1925 в структуру завода вливается предприятие с парком металлорежущего оборудования. В этом же году, на базе влившегося предприятия, создаются инструментальный и механический цеха, а также лесопильно-ящичный цех. В начале 30х, организовано строительство Горьковского автомобильного завода, который оказал большое влияние на развитие и деятельность предприятия. "Красная Этна" переходит на выпуск изделий высокого класса точности и включается в обслуживание автомобильной промышленности страны. К началу Великой Отечественной войны, реконструированный завод представлял собой крупное предприятие автомобильной промышленности, которое специализировалось на выпуске: специальной проволоки, пружин, шайб, холоднокатаной ленты и автонормалей. Во время Второй Мировой войны завод бесперебойно снабжал фронт боеприпасами. С 1941 года по 1943 год на заводе работало 996 человек. В послевоенное время завод стал активно развиваться. В дальнейшем на заводе были реконструированы цеха и освоено новое производство, создано собственное станкостроение и автоматические линии, выстроен инженерный корпус и здание очистных сооружений. Организовано производство проката и пружин, а также стержневого крепежа. Создан важнейший отдел обеспечения качеством. На сегодняшний день ОАО "Завод Красная Этна" представляет собой современное, динамично-развивающееся предприятие, специализирующееся на производстве крепежных изделий для автомобильной промышленности. Продукция завода поставляется на крупнейшие предприятия России, стран СНГ и дальнего зарубежья. Продукция предприятия соответствует международным системам качества ИСО 9001-2000 и ISO/TS 16949:2002. Продукция завода прошла проверку аудиторами TUV CERT (Германия) и национальной системой ГОСТ Р. Номенклатура предприятия насчитывает более 2,5 тысячи видов крепёжных изделий, в том числе соответствующих стандарту DIN. Компания "АвтоАльянс" предлагает оригинальную продукцию производства ОАО "Завод Красная Этна". В ассортименте представлен широкий перечень продукции завода: винты различных конструкций, пружины, стремянки, шайбы, гайки, шпильки, заклепки, штуцеры, оси, пробки и пластины, а также всевозможный крепёж к различным автомобилям.
На складах : 164 шт.

"Завод Красная Этна" уже более 110 лет производит крепёжные изделия и пружины для автомобильной промышленности. История завода начинается с 24 декабря 1898 года, когда по положению Комитета Министров Николай Второй разрешает Виктору Михайловичу Гольденбергу и германскому подданному Петру Ивановичу Мартини учредить "Акционерное Общество Рижского металлического завода "Этна". С 1904 года по 1915 год на Рижском металлическом заводе работали цеха: гвоздильный, горячепрокатный, цепочный, травильный, отжигательный, волочильный. Продукция завода была востребована в России, Прибалтике и за рубежом. В годы первой мировой войны завод был эвакуирован из Риги в Нижний Новгород. С этого момента для завода начинается новая история. Во время войны "Завод Красная Этна" обеспечивал своей продукцией фронт. На заводе начался выпуск минных цепей, гвоздей к солдатским сапогам, колючей проволоки, пряжек к ружьям и карабинов, а также другой продукции для нужд фронта и населения России. С 1916 года по 1918 год происходит национализация завода и смена учредителей. Завод стал именоваться, как Акционерное общество Нижегородского металлического завода "Новая Этна". С приходом советской власти на заводе сменилось название на "Красная Этна" и были запущены: электростанция, прокатный цех, цех тонкого волочения и болтозаклепочный цех. В 1925 в структуру завода вливается предприятие с парком металлорежущего оборудования. В этом же году, на базе влившегося предприятия, создаются инструментальный и механический цеха, а также лесопильно-ящичный цех. В начале 30х, организовано строительство Горьковского автомобильного завода, который оказал большое влияние на развитие и деятельность предприятия. "Красная Этна" переходит на выпуск изделий высокого класса точности и включается в обслуживание автомобильной промышленности страны. К началу Великой Отечественной войны, реконструированный завод представлял собой крупное предприятие автомобильной промышленности, которое специализировалось на выпуске: специальной проволоки, пружин, шайб, холоднокатаной ленты и автонормалей. Во время Второй Мировой войны завод бесперебойно снабжал фронт боеприпасами. С 1941 года по 1943 год на заводе работало 996 человек. В послевоенное время завод стал активно развиваться. В дальнейшем на заводе были реконструированы цеха и освоено новое производство, создано собственное станкостроение и автоматические линии, выстроен инженерный корпус и здание очистных сооружений. Организовано производство проката и пружин, а также стержневого крепежа. Создан важнейший отдел обеспечения качеством. На сегодняшний день ОАО "Завод Красная Этна" представляет собой современное, динамично-развивающееся предприятие, специализирующееся на производстве крепежных изделий для автомобильной промышленности. Продукция завода поставляется на крупнейшие предприятия России, стран СНГ и дальнего зарубежья. Продукция предприятия соответствует международным системам качества ИСО 9001-2000 и ISO/TS 16949:2002. Продукция завода прошла проверку аудиторами TUV CERT (Германия) и национальной системой ГОСТ Р. Номенклатура предприятия насчитывает более 2,5 тысячи видов крепёжных изделий, в том числе соответствующих стандарту DIN. Компания "АвтоАльянс" предлагает оригинальную продукцию производства ОАО "Завод Красная Этна". В ассортименте представлен широкий перечень продукции завода: винты различных конструкций, пружины, стремянки, шайбы, гайки, шпильки, заклепки, штуцеры, оси, пробки и пластины, а также всевозможный крепёж к различным автомобилям.

Компания "Русский Двигатель" была основана в 2005 году в Ярославле и почти сразу завоевала доверие со стороны производителей двигателей. Предприятие имеет собственное производство и выпускает более 300 видов прокладок и 150 видов ремкомплектов на обширном станочном парке. Для создания прокладок «Русский двигатель» использует паронит заводского изготовления, а так же занимается индивидуальной разработкой штампов и запуском новых товаров. Компания является поставщиком паронитовых прокладок на конвейеры Ярославского Моторного Завода (Автодизель), ЯрДизель Аппаратуры, ОАО "Карачаевский механический завод", Ногинского завода топливной аппаратуры, Тутаевского Моторного Завода, Ярославского Завода Топливной Аппаратуры.
На складах : 86 шт.

Компания "Русский Двигатель" была основана в 2005 году в Ярославле и почти сразу завоевала доверие со стороны производителей двигателей. Предприятие имеет собственное производство и выпускает более 300 видов прокладок и 150 видов ремкомплектов на обширном станочном парке. Для создания прокладок «Русский двигатель» использует паронит заводского изготовления, а так же занимается индивидуальной разработкой штампов и запуском новых товаров. Компания является поставщиком паронитовых прокладок на конвейеры Ярославского Моторного Завода (Автодизель), ЯрДизель Аппаратуры, ОАО "Карачаевский механический завод", Ногинского завода топливной аппаратуры, Тутаевского Моторного Завода, Ярославского Завода Топливной Аппаратуры.
На складах : 41 шт.
На складах : 63 шт.

Компания "Русский Двигатель" была основана в 2005 году в Ярославле и почти сразу завоевала доверие со стороны производителей двигателей. Предприятие имеет собственное производство и выпускает более 300 видов прокладок и 150 видов ремкомплектов на обширном станочном парке. Для создания прокладок «Русский двигатель» использует паронит заводского изготовления, а так же занимается индивидуальной разработкой штампов и запуском новых товаров. Компания является поставщиком паронитовых прокладок на конвейеры Ярославского Моторного Завода (Автодизель), ЯрДизель Аппаратуры, ОАО "Карачаевский механический завод", Ногинского завода топливной аппаратуры, Тутаевского Моторного Завода, Ярославского Завода Топливной Аппаратуры.
На складах : 60 шт.

Компания "Русский Двигатель" была основана в 2005 году в Ярославле и почти сразу завоевала доверие со стороны производителей двигателей. Предприятие имеет собственное производство и выпускает более 300 видов прокладок и 150 видов ремкомплектов на обширном станочном парке. Для создания прокладок «Русский двигатель» использует паронит заводского изготовления, а так же занимается индивидуальной разработкой штампов и запуском новых товаров. Компания является поставщиком паронитовых прокладок на конвейеры Ярославского Моторного Завода (Автодизель), ЯрДизель Аппаратуры, ОАО "Карачаевский механический завод", Ногинского завода топливной аппаратуры, Тутаевского Моторного Завода, Ярославского Завода Топливной Аппаратуры.

Компания "Русский Двигатель" была основана в 2005 году в Ярославле и почти сразу завоевала доверие со стороны производителей двигателей. Предприятие имеет собственное производство и выпускает более 300 видов прокладок и 150 видов ремкомплектов на обширном станочном парке. Для создания прокладок «Русский двигатель» использует паронит заводского изготовления, а так же занимается индивидуальной разработкой штампов и запуском новых товаров. Компания является поставщиком паронитовых прокладок на конвейеры Ярославского Моторного Завода (Автодизель), ЯрДизель Аппаратуры, ОАО "Карачаевский механический завод", Ногинского завода топливной аппаратуры, Тутаевского Моторного Завода, Ярославского Завода Топливной Аппаратуры.
На складах : 47 шт.

Компания "Русский Двигатель" была основана в 2005 году в Ярославле и почти сразу завоевала доверие со стороны производителей двигателей. Предприятие имеет собственное производство и выпускает более 300 видов прокладок и 150 видов ремкомплектов на обширном станочном парке. Для создания прокладок «Русский двигатель» использует паронит заводского изготовления, а так же занимается индивидуальной разработкой штампов и запуском новых товаров. Компания является поставщиком паронитовых прокладок на конвейеры Ярославского Моторного Завода (Автодизель), ЯрДизель Аппаратуры, ОАО "Карачаевский механический завод", Ногинского завода топливной аппаратуры, Тутаевского Моторного Завода, Ярославского Завода Топливной Аппаратуры.

Компания "Русский Двигатель" была основана в 2005 году в Ярославле и почти сразу завоевала доверие со стороны производителей двигателей. Предприятие имеет собственное производство и выпускает более 300 видов прокладок и 150 видов ремкомплектов на обширном станочном парке. Для создания прокладок «Русский двигатель» использует паронит заводского изготовления, а так же занимается индивидуальной разработкой штампов и запуском новых товаров. Компания является поставщиком паронитовых прокладок на конвейеры Ярославского Моторного Завода (Автодизель), ЯрДизель Аппаратуры, ОАО "Карачаевский механический завод", Ногинского завода топливной аппаратуры, Тутаевского Моторного Завода, Ярославского Завода Топливной Аппаратуры.
На складах : 12 шт.

Компания "Русский Двигатель" была основана в 2005 году в Ярославле и почти сразу завоевала доверие со стороны производителей двигателей. Предприятие имеет собственное производство и выпускает более 300 видов прокладок и 150 видов ремкомплектов на обширном станочном парке. Для создания прокладок «Русский двигатель» использует паронит заводского изготовления, а так же занимается индивидуальной разработкой штампов и запуском новых товаров. Компания является поставщиком паронитовых прокладок на конвейеры Ярославского Моторного Завода (Автодизель), ЯрДизель Аппаратуры, ОАО "Карачаевский механический завод", Ногинского завода топливной аппаратуры, Тутаевского Моторного Завода, Ярославского Завода Топливной Аппаратуры.

ПАО "Автодизель" (Ярославский моторный завод) - одно из старейших предприятий российского автомобилестроения. В 1920 - 50-е годы был освоен выпуск первых в стране 3-12-тонных автомобилей, самосвалов, троллейбусов, автобусов, автомобильных дизельных двигателей.
С 1958 г. Ярославский моторный завод специализируется на разработке и производстве дизельных силовых агрегатов многоцелевого назначения и является признанным лидером отечественного двигателестроения.
На сегодняшний день Ярославский моторный завод (ПАО «Автодизель») является крупнейшим российским предприятием, специализирующимся на производстве дизельных двигателей многоцелевого назначения, сцеплений, коробок передач, запасных частей к ним, а также стационарных агрегатов на базе дизелей ЯМЗ.
Ярославские двигатели нашли применение более чем на 300 видах изделий производства ведущих предприятий России, Белоруссии, Украины. Они устанавливаются на автомобили, магистральные автопоезда, карьерные самосвалы, аэродромные тягачи, зерно-уборочные комбайны, лесовозы, экскаваторы, автобусы, а также на дизель-электрические станции и агрегаты.
Основные потребители: ОАО «МАЗ», ОАО «Автомобильный завод «Урал», ООО «ЛиАЗ», ХК «АвтоКрАЗ», РУПП «БелАЗ», ОАО «Электроагрегат» (Курск) и другие. Широкое применение двигатели ЯМЗ находят на специализированной технике Министерства обороны РФ.
"АвтоАльянс" является официальным дилером ПАО «Автодизель» (ЯМЗ) уже много лет и обеспечивает потребителей полным перечнем продукции завода. От запчастей до двигателей в сборе.
Борьба с контрафактом
ПАО "Автодизель" (Ярославский моторный завод) тщательно следит за высоким качеством продукции, а так же проводит комплекс активных мероприятий для борьбы с контрафактными предложениями на рынке. Для противодействия распространению контрафакта на официальном сайте завода создан раздел ЯМЗ/ЯЗДА. Защита от контрафакта, в котором размещена информация о конкурентных преимуществах оригинальной продукции, о рисках и угрозах использования альтернативной продукции ненадлежащего качества, а также доступна опция проверки оригинальности продукции ЯМЗ.

ПАО "Автодизель" (Ярославский моторный завод) - одно из старейших предприятий российского автомобилестроения. В 1920 - 50-е годы был освоен выпуск первых в стране 3-12-тонных автомобилей, самосвалов, троллейбусов, автобусов, автомобильных дизельных двигателей.
С 1958 г. Ярославский моторный завод специализируется на разработке и производстве дизельных силовых агрегатов многоцелевого назначения и является признанным лидером отечественного двигателестроения.
На сегодняшний день Ярославский моторный завод (ПАО «Автодизель») является крупнейшим российским предприятием, специализирующимся на производстве дизельных двигателей многоцелевого назначения, сцеплений, коробок передач, запасных частей к ним, а также стационарных агрегатов на базе дизелей ЯМЗ.
Ярославские двигатели нашли применение более чем на 300 видах изделий производства ведущих предприятий России, Белоруссии, Украины. Они устанавливаются на автомобили, магистральные автопоезда, карьерные самосвалы, аэродромные тягачи, зерно-уборочные комбайны, лесовозы, экскаваторы, автобусы, а также на дизель-электрические станции и агрегаты.
Основные потребители: ОАО «МАЗ», ОАО «Автомобильный завод «Урал», ООО «ЛиАЗ», ХК «АвтоКрАЗ», РУПП «БелАЗ», ОАО «Электроагрегат» (Курск) и другие. Широкое применение двигатели ЯМЗ находят на специализированной технике Министерства обороны РФ.
"АвтоАльянс" является официальным дилером ПАО «Автодизель» (ЯМЗ) уже много лет и обеспечивает потребителей полным перечнем продукции завода. От запчастей до двигателей в сборе.
Борьба с контрафактом
ПАО "Автодизель" (Ярославский моторный завод) тщательно следит за высоким качеством продукции, а так же проводит комплекс активных мероприятий для борьбы с контрафактными предложениями на рынке. Для противодействия распространению контрафакта на официальном сайте завода создан раздел ЯМЗ/ЯЗДА. Защита от контрафакта, в котором размещена информация о конкурентных преимуществах оригинальной продукции, о рисках и угрозах использования альтернативной продукции ненадлежащего качества, а также доступна опция проверки оригинальности продукции ЯМЗ.

ООО «ЯЗТО-Авто» - ведущий производитель безасбестовых прокладок головки блока цилиндров (ГБЦ), прокладок газопроводов, выпускных коллекторов, ремкомплектов и запасных частей для двигателей ЯМЗ и других ведущих моторостроительных заводов, один из поставщиков безасбестовых прокладок сборочного конвейера ОАО «Автодизель».

ООО «ЯЗТО-Авто» - ведущий производитель безасбестовых прокладок головки блока цилиндров (ГБЦ), прокладок газопроводов, выпускных коллекторов, ремкомплектов и запасных частей для двигателей ЯМЗ и других ведущих моторостроительных заводов, один из поставщиков безасбестовых прокладок сборочного конвейера ОАО «Автодизель».

"Завод Красная Этна" уже более 110 лет производит крепёжные изделия и пружины для автомобильной промышленности. История завода начинается с 24 декабря 1898 года, когда по положению Комитета Министров Николай Второй разрешает Виктору Михайловичу Гольденбергу и германскому подданному Петру Ивановичу Мартини учредить "Акционерное Общество Рижского металлического завода "Этна". С 1904 года по 1915 год на Рижском металлическом заводе работали цеха: гвоздильный, горячепрокатный, цепочный, травильный, отжигательный, волочильный. Продукция завода была востребована в России, Прибалтике и за рубежом. В годы первой мировой войны завод был эвакуирован из Риги в Нижний Новгород. С этого момента для завода начинается новая история. Во время войны "Завод Красная Этна" обеспечивал своей продукцией фронт. На заводе начался выпуск минных цепей, гвоздей к солдатским сапогам, колючей проволоки, пряжек к ружьям и карабинов, а также другой продукции для нужд фронта и населения России. С 1916 года по 1918 год происходит национализация завода и смена учредителей. Завод стал именоваться, как Акционерное общество Нижегородского металлического завода "Новая Этна". С приходом советской власти на заводе сменилось название на "Красная Этна" и были запущены: электростанция, прокатный цех, цех тонкого волочения и болтозаклепочный цех. В 1925 в структуру завода вливается предприятие с парком металлорежущего оборудования. В этом же году, на базе влившегося предприятия, создаются инструментальный и механический цеха, а также лесопильно-ящичный цех. В начале 30х, организовано строительство Горьковского автомобильного завода, который оказал большое влияние на развитие и деятельность предприятия. "Красная Этна" переходит на выпуск изделий высокого класса точности и включается в обслуживание автомобильной промышленности страны. К началу Великой Отечественной войны, реконструированный завод представлял собой крупное предприятие автомобильной промышленности, которое специализировалось на выпуске: специальной проволоки, пружин, шайб, холоднокатаной ленты и автонормалей. Во время Второй Мировой войны завод бесперебойно снабжал фронт боеприпасами. С 1941 года по 1943 год на заводе работало 996 человек. В послевоенное время завод стал активно развиваться. В дальнейшем на заводе были реконструированы цеха и освоено новое производство, создано собственное станкостроение и автоматические линии, выстроен инженерный корпус и здание очистных сооружений. Организовано производство проката и пружин, а также стержневого крепежа. Создан важнейший отдел обеспечения качеством. На сегодняшний день ОАО "Завод Красная Этна" представляет собой современное, динамично-развивающееся предприятие, специализирующееся на производстве крепежных изделий для автомобильной промышленности. Продукция завода поставляется на крупнейшие предприятия России, стран СНГ и дальнего зарубежья. Продукция предприятия соответствует международным системам качества ИСО 9001-2000 и ISO/TS 16949:2002. Продукция завода прошла проверку аудиторами TUV CERT (Германия) и национальной системой ГОСТ Р. Номенклатура предприятия насчитывает более 2,5 тысячи видов крепёжных изделий, в том числе соответствующих стандарту DIN. Компания "АвтоАльянс" предлагает оригинальную продукцию производства ОАО "Завод Красная Этна". В ассортименте представлен широкий перечень продукции завода: винты различных конструкций, пружины, стремянки, шайбы, гайки, шпильки, заклепки, штуцеры, оси, пробки и пластины, а также всевозможный крепёж к различным автомобилям.
На складах : 3370 шт.

"Завод Красная Этна" уже более 110 лет производит крепёжные изделия и пружины для автомобильной промышленности. История завода начинается с 24 декабря 1898 года, когда по положению Комитета Министров Николай Второй разрешает Виктору Михайловичу Гольденбергу и германскому подданному Петру Ивановичу Мартини учредить "Акционерное Общество Рижского металлического завода "Этна". С 1904 года по 1915 год на Рижском металлическом заводе работали цеха: гвоздильный, горячепрокатный, цепочный, травильный, отжигательный, волочильный. Продукция завода была востребована в России, Прибалтике и за рубежом. В годы первой мировой войны завод был эвакуирован из Риги в Нижний Новгород. С этого момента для завода начинается новая история. Во время войны "Завод Красная Этна" обеспечивал своей продукцией фронт. На заводе начался выпуск минных цепей, гвоздей к солдатским сапогам, колючей проволоки, пряжек к ружьям и карабинов, а также другой продукции для нужд фронта и населения России. С 1916 года по 1918 год происходит национализация завода и смена учредителей. Завод стал именоваться, как Акционерное общество Нижегородского металлического завода "Новая Этна". С приходом советской власти на заводе сменилось название на "Красная Этна" и были запущены: электростанция, прокатный цех, цех тонкого волочения и болтозаклепочный цех. В 1925 в структуру завода вливается предприятие с парком металлорежущего оборудования. В этом же году, на базе влившегося предприятия, создаются инструментальный и механический цеха, а также лесопильно-ящичный цех. В начале 30х, организовано строительство Горьковского автомобильного завода, который оказал большое влияние на развитие и деятельность предприятия. "Красная Этна" переходит на выпуск изделий высокого класса точности и включается в обслуживание автомобильной промышленности страны. К началу Великой Отечественной войны, реконструированный завод представлял собой крупное предприятие автомобильной промышленности, которое специализировалось на выпуске: специальной проволоки, пружин, шайб, холоднокатаной ленты и автонормалей. Во время Второй Мировой войны завод бесперебойно снабжал фронт боеприпасами. С 1941 года по 1943 год на заводе работало 996 человек. В послевоенное время завод стал активно развиваться. В дальнейшем на заводе были реконструированы цеха и освоено новое производство, создано собственное станкостроение и автоматические линии, выстроен инженерный корпус и здание очистных сооружений. Организовано производство проката и пружин, а также стержневого крепежа. Создан важнейший отдел обеспечения качеством. На сегодняшний день ОАО "Завод Красная Этна" представляет собой современное, динамично-развивающееся предприятие, специализирующееся на производстве крепежных изделий для автомобильной промышленности. Продукция завода поставляется на крупнейшие предприятия России, стран СНГ и дальнего зарубежья. Продукция предприятия соответствует международным системам качества ИСО 9001-2000 и ISO/TS 16949:2002. Продукция завода прошла проверку аудиторами TUV CERT (Германия) и национальной системой ГОСТ Р. Номенклатура предприятия насчитывает более 2,5 тысячи видов крепёжных изделий, в том числе соответствующих стандарту DIN. Компания "АвтоАльянс" предлагает оригинальную продукцию производства ОАО "Завод Красная Этна". В ассортименте представлен широкий перечень продукции завода: винты различных конструкций, пружины, стремянки, шайбы, гайки, шпильки, заклепки, штуцеры, оси, пробки и пластины, а также всевозможный крепёж к различным автомобилям.

ПАО "Автодизель" (Ярославский моторный завод) - одно из старейших предприятий российского автомобилестроения. В 1920 - 50-е годы был освоен выпуск первых в стране 3-12-тонных автомобилей, самосвалов, троллейбусов, автобусов, автомобильных дизельных двигателей.
С 1958 г. Ярославский моторный завод специализируется на разработке и производстве дизельных силовых агрегатов многоцелевого назначения и является признанным лидером отечественного двигателестроения.
На сегодняшний день Ярославский моторный завод (ПАО «Автодизель») является крупнейшим российским предприятием, специализирующимся на производстве дизельных двигателей многоцелевого назначения, сцеплений, коробок передач, запасных частей к ним, а также стационарных агрегатов на базе дизелей ЯМЗ.
Ярославские двигатели нашли применение более чем на 300 видах изделий производства ведущих предприятий России, Белоруссии, Украины. Они устанавливаются на автомобили, магистральные автопоезда, карьерные самосвалы, аэродромные тягачи, зерно-уборочные комбайны, лесовозы, экскаваторы, автобусы, а также на дизель-электрические станции и агрегаты.
Основные потребители: ОАО «МАЗ», ОАО «Автомобильный завод «Урал», ООО «ЛиАЗ», ХК «АвтоКрАЗ», РУПП «БелАЗ», ОАО «Электроагрегат» (Курск) и другие. Широкое применение двигатели ЯМЗ находят на специализированной технике Министерства обороны РФ.
"АвтоАльянс" является официальным дилером ПАО «Автодизель» (ЯМЗ) уже много лет и обеспечивает потребителей полным перечнем продукции завода. От запчастей до двигателей в сборе.
Борьба с контрафактом
ПАО "Автодизель" (Ярославский моторный завод) тщательно следит за высоким качеством продукции, а так же проводит комплекс активных мероприятий для борьбы с контрафактными предложениями на рынке. Для противодействия распространению контрафакта на официальном сайте завода создан раздел ЯМЗ/ЯЗДА. Защита от контрафакта, в котором размещена информация о конкурентных преимуществах оригинальной продукции, о рисках и угрозах использования альтернативной продукции ненадлежащего качества, а также доступна опция проверки оригинальности продукции ЯМЗ.
На складах : 116 шт.

ПАО "Автодизель" (Ярославский моторный завод) - одно из старейших предприятий российского автомобилестроения. В 1920 - 50-е годы был освоен выпуск первых в стране 3-12-тонных автомобилей, самосвалов, троллейбусов, автобусов, автомобильных дизельных двигателей.
С 1958 г. Ярославский моторный завод специализируется на разработке и производстве дизельных силовых агрегатов многоцелевого назначения и является признанным лидером отечественного двигателестроения.
На сегодняшний день Ярославский моторный завод (ПАО «Автодизель») является крупнейшим российским предприятием, специализирующимся на производстве дизельных двигателей многоцелевого назначения, сцеплений, коробок передач, запасных частей к ним, а также стационарных агрегатов на базе дизелей ЯМЗ.
Ярославские двигатели нашли применение более чем на 300 видах изделий производства ведущих предприятий России, Белоруссии, Украины. Они устанавливаются на автомобили, магистральные автопоезда, карьерные самосвалы, аэродромные тягачи, зерно-уборочные комбайны, лесовозы, экскаваторы, автобусы, а также на дизель-электрические станции и агрегаты.
Основные потребители: ОАО «МАЗ», ОАО «Автомобильный завод «Урал», ООО «ЛиАЗ», ХК «АвтоКрАЗ», РУПП «БелАЗ», ОАО «Электроагрегат» (Курск) и другие. Широкое применение двигатели ЯМЗ находят на специализированной технике Министерства обороны РФ.
"АвтоАльянс" является официальным дилером ПАО «Автодизель» (ЯМЗ) уже много лет и обеспечивает потребителей полным перечнем продукции завода. От запчастей до двигателей в сборе.
Борьба с контрафактом
ПАО "Автодизель" (Ярославский моторный завод) тщательно следит за высоким качеством продукции, а так же проводит комплекс активных мероприятий для борьбы с контрафактными предложениями на рынке. Для противодействия распространению контрафакта на официальном сайте завода создан раздел ЯМЗ/ЯЗДА. Защита от контрафакта, в котором размещена информация о конкурентных преимуществах оригинальной продукции, о рисках и угрозах использования альтернативной продукции ненадлежащего качества, а также доступна опция проверки оригинальности продукции ЯМЗ.

ПАО "Автодизель" (Ярославский моторный завод) - одно из старейших предприятий российского автомобилестроения. В 1920 - 50-е годы был освоен выпуск первых в стране 3-12-тонных автомобилей, самосвалов, троллейбусов, автобусов, автомобильных дизельных двигателей.
С 1958 г. Ярославский моторный завод специализируется на разработке и производстве дизельных силовых агрегатов многоцелевого назначения и является признанным лидером отечественного двигателестроения.
На сегодняшний день Ярославский моторный завод (ПАО «Автодизель») является крупнейшим российским предприятием, специализирующимся на производстве дизельных двигателей многоцелевого назначения, сцеплений, коробок передач, запасных частей к ним, а также стационарных агрегатов на базе дизелей ЯМЗ.
Ярославские двигатели нашли применение более чем на 300 видах изделий производства ведущих предприятий России, Белоруссии, Украины. Они устанавливаются на автомобили, магистральные автопоезда, карьерные самосвалы, аэродромные тягачи, зерно-уборочные комбайны, лесовозы, экскаваторы, автобусы, а также на дизель-электрические станции и агрегаты.
Основные потребители: ОАО «МАЗ», ОАО «Автомобильный завод «Урал», ООО «ЛиАЗ», ХК «АвтоКрАЗ», РУПП «БелАЗ», ОАО «Электроагрегат» (Курск) и другие. Широкое применение двигатели ЯМЗ находят на специализированной технике Министерства обороны РФ.
"АвтоАльянс" является официальным дилером ПАО «Автодизель» (ЯМЗ) уже много лет и обеспечивает потребителей полным перечнем продукции завода. От запчастей до двигателей в сборе.
Борьба с контрафактом
ПАО "Автодизель" (Ярославский моторный завод) тщательно следит за высоким качеством продукции, а так же проводит комплекс активных мероприятий для борьбы с контрафактными предложениями на рынке. Для противодействия распространению контрафакта на официальном сайте завода создан раздел ЯМЗ/ЯЗДА. Защита от контрафакта, в котором размещена информация о конкурентных преимуществах оригинальной продукции, о рисках и угрозах использования альтернативной продукции ненадлежащего качества, а также доступна опция проверки оригинальности продукции ЯМЗ.
На складах : 28 шт.

ПАО "Автодизель" (Ярославский моторный завод) - одно из старейших предприятий российского автомобилестроения. В 1920 - 50-е годы был освоен выпуск первых в стране 3-12-тонных автомобилей, самосвалов, троллейбусов, автобусов, автомобильных дизельных двигателей.
С 1958 г. Ярославский моторный завод специализируется на разработке и производстве дизельных силовых агрегатов многоцелевого назначения и является признанным лидером отечественного двигателестроения.
На сегодняшний день Ярославский моторный завод (ПАО «Автодизель») является крупнейшим российским предприятием, специализирующимся на производстве дизельных двигателей многоцелевого назначения, сцеплений, коробок передач, запасных частей к ним, а также стационарных агрегатов на базе дизелей ЯМЗ.
Ярославские двигатели нашли применение более чем на 300 видах изделий производства ведущих предприятий России, Белоруссии, Украины. Они устанавливаются на автомобили, магистральные автопоезда, карьерные самосвалы, аэродромные тягачи, зерно-уборочные комбайны, лесовозы, экскаваторы, автобусы, а также на дизель-электрические станции и агрегаты.
Основные потребители: ОАО «МАЗ», ОАО «Автомобильный завод «Урал», ООО «ЛиАЗ», ХК «АвтоКрАЗ», РУПП «БелАЗ», ОАО «Электроагрегат» (Курск) и другие. Широкое применение двигатели ЯМЗ находят на специализированной технике Министерства обороны РФ.
"АвтоАльянс" является официальным дилером ПАО «Автодизель» (ЯМЗ) уже много лет и обеспечивает потребителей полным перечнем продукции завода. От запчастей до двигателей в сборе.
Борьба с контрафактом
ПАО "Автодизель" (Ярославский моторный завод) тщательно следит за высоким качеством продукции, а так же проводит комплекс активных мероприятий для борьбы с контрафактными предложениями на рынке. Для противодействия распространению контрафакта на официальном сайте завода создан раздел ЯМЗ/ЯЗДА. Защита от контрафакта, в котором размещена информация о конкурентных преимуществах оригинальной продукции, о рисках и угрозах использования альтернативной продукции ненадлежащего качества, а также доступна опция проверки оригинальности продукции ЯМЗ.

Компания "Русский Двигатель" была основана в 2005 году в Ярославле и почти сразу завоевала доверие со стороны производителей двигателей. Предприятие имеет собственное производство и выпускает более 300 видов прокладок и 150 видов ремкомплектов на обширном станочном парке. Для создания прокладок «Русский двигатель» использует паронит заводского изготовления, а так же занимается индивидуальной разработкой штампов и запуском новых товаров. Компания является поставщиком паронитовых прокладок на конвейеры Ярославского Моторного Завода (Автодизель), ЯрДизель Аппаратуры, ОАО "Карачаевский механический завод", Ногинского завода топливной аппаратуры, Тутаевского Моторного Завода, Ярославского Завода Топливной Аппаратуры.
На складах : 31 шт.

Компания "Русский Двигатель" была основана в 2005 году в Ярославле и почти сразу завоевала доверие со стороны производителей двигателей. Предприятие имеет собственное производство и выпускает более 300 видов прокладок и 150 видов ремкомплектов на обширном станочном парке. Для создания прокладок «Русский двигатель» использует паронит заводского изготовления, а так же занимается индивидуальной разработкой штампов и запуском новых товаров. Компания является поставщиком паронитовых прокладок на конвейеры Ярославского Моторного Завода (Автодизель), ЯрДизель Аппаратуры, ОАО "Карачаевский механический завод", Ногинского завода топливной аппаратуры, Тутаевского Моторного Завода, Ярославского Завода Топливной Аппаратуры.
На складах : 37 шт.

Компания "Русский Двигатель" была основана в 2005 году в Ярославле и почти сразу завоевала доверие со стороны производителей двигателей. Предприятие имеет собственное производство и выпускает более 300 видов прокладок и 150 видов ремкомплектов на обширном станочном парке. Для создания прокладок «Русский двигатель» использует паронит заводского изготовления, а так же занимается индивидуальной разработкой штампов и запуском новых товаров. Компания является поставщиком паронитовых прокладок на конвейеры Ярославского Моторного Завода (Автодизель), ЯрДизель Аппаратуры, ОАО "Карачаевский механический завод", Ногинского завода топливной аппаратуры, Тутаевского Моторного Завода, Ярославского Завода Топливной Аппаратуры.
На складах : 31 шт.

Компания "Русский Двигатель" была основана в 2005 году в Ярославле и почти сразу завоевала доверие со стороны производителей двигателей. Предприятие имеет собственное производство и выпускает более 300 видов прокладок и 150 видов ремкомплектов на обширном станочном парке. Для создания прокладок «Русский двигатель» использует паронит заводского изготовления, а так же занимается индивидуальной разработкой штампов и запуском новых товаров. Компания является поставщиком паронитовых прокладок на конвейеры Ярославского Моторного Завода (Автодизель), ЯрДизель Аппаратуры, ОАО "Карачаевский механический завод", Ногинского завода топливной аппаратуры, Тутаевского Моторного Завода, Ярославского Завода Топливной Аппаратуры.

Компания "Русский Двигатель" была основана в 2005 году в Ярославле и почти сразу завоевала доверие со стороны производителей двигателей. Предприятие имеет собственное производство и выпускает более 300 видов прокладок и 150 видов ремкомплектов на обширном станочном парке. Для создания прокладок «Русский двигатель» использует паронит заводского изготовления, а так же занимается индивидуальной разработкой штампов и запуском новых товаров. Компания является поставщиком паронитовых прокладок на конвейеры Ярославского Моторного Завода (Автодизель), ЯрДизель Аппаратуры, ОАО "Карачаевский механический завод", Ногинского завода топливной аппаратуры, Тутаевского Моторного Завода, Ярославского Завода Топливной Аппаратуры.

Компания "Русский Двигатель" была основана в 2005 году в Ярославле и почти сразу завоевала доверие со стороны производителей двигателей. Предприятие имеет собственное производство и выпускает более 300 видов прокладок и 150 видов ремкомплектов на обширном станочном парке. Для создания прокладок «Русский двигатель» использует паронит заводского изготовления, а так же занимается индивидуальной разработкой штампов и запуском новых товаров. Компания является поставщиком паронитовых прокладок на конвейеры Ярославского Моторного Завода (Автодизель), ЯрДизель Аппаратуры, ОАО "Карачаевский механический завод", Ногинского завода топливной аппаратуры, Тутаевского Моторного Завода, Ярославского Завода Топливной Аппаратуры.

ПАО "Автодизель" (Ярославский моторный завод) - одно из старейших предприятий российского автомобилестроения. В 1920 - 50-е годы был освоен выпуск первых в стране 3-12-тонных автомобилей, самосвалов, троллейбусов, автобусов, автомобильных дизельных двигателей.
С 1958 г. Ярославский моторный завод специализируется на разработке и производстве дизельных силовых агрегатов многоцелевого назначения и является признанным лидером отечественного двигателестроения.
На сегодняшний день Ярославский моторный завод (ПАО «Автодизель») является крупнейшим российским предприятием, специализирующимся на производстве дизельных двигателей многоцелевого назначения, сцеплений, коробок передач, запасных частей к ним, а также стационарных агрегатов на базе дизелей ЯМЗ.
Ярославские двигатели нашли применение более чем на 300 видах изделий производства ведущих предприятий России, Белоруссии, Украины. Они устанавливаются на автомобили, магистральные автопоезда, карьерные самосвалы, аэродромные тягачи, зерно-уборочные комбайны, лесовозы, экскаваторы, автобусы, а также на дизель-электрические станции и агрегаты.
Основные потребители: ОАО «МАЗ», ОАО «Автомобильный завод «Урал», ООО «ЛиАЗ», ХК «АвтоКрАЗ», РУПП «БелАЗ», ОАО «Электроагрегат» (Курск) и другие. Широкое применение двигатели ЯМЗ находят на специализированной технике Министерства обороны РФ.
"АвтоАльянс" является официальным дилером ПАО «Автодизель» (ЯМЗ) уже много лет и обеспечивает потребителей полным перечнем продукции завода. От запчастей до двигателей в сборе.
Борьба с контрафактом
ПАО "Автодизель" (Ярославский моторный завод) тщательно следит за высоким качеством продукции, а так же проводит комплекс активных мероприятий для борьбы с контрафактными предложениями на рынке. Для противодействия распространению контрафакта на официальном сайте завода создан раздел ЯМЗ/ЯЗДА. Защита от контрафакта, в котором размещена информация о конкурентных преимуществах оригинальной продукции, о рисках и угрозах использования альтернативной продукции ненадлежащего качества, а также доступна опция проверки оригинальности продукции ЯМЗ.
На складах : 367 шт.

ПАО "Автодизель" (Ярославский моторный завод) - одно из старейших предприятий российского автомобилестроения. В 1920 - 50-е годы был освоен выпуск первых в стране 3-12-тонных автомобилей, самосвалов, троллейбусов, автобусов, автомобильных дизельных двигателей.
С 1958 г. Ярославский моторный завод специализируется на разработке и производстве дизельных силовых агрегатов многоцелевого назначения и является признанным лидером отечественного двигателестроения.
На сегодняшний день Ярославский моторный завод (ПАО «Автодизель») является крупнейшим российским предприятием, специализирующимся на производстве дизельных двигателей многоцелевого назначения, сцеплений, коробок передач, запасных частей к ним, а также стационарных агрегатов на базе дизелей ЯМЗ.
Ярославские двигатели нашли применение более чем на 300 видах изделий производства ведущих предприятий России, Белоруссии, Украины. Они устанавливаются на автомобили, магистральные автопоезда, карьерные самосвалы, аэродромные тягачи, зерно-уборочные комбайны, лесовозы, экскаваторы, автобусы, а также на дизель-электрические станции и агрегаты.
Основные потребители: ОАО «МАЗ», ОАО «Автомобильный завод «Урал», ООО «ЛиАЗ», ХК «АвтоКрАЗ», РУПП «БелАЗ», ОАО «Электроагрегат» (Курск) и другие. Широкое применение двигатели ЯМЗ находят на специализированной технике Министерства обороны РФ.
"АвтоАльянс" является официальным дилером ПАО «Автодизель» (ЯМЗ) уже много лет и обеспечивает потребителей полным перечнем продукции завода. От запчастей до двигателей в сборе.
Борьба с контрафактом
ПАО "Автодизель" (Ярославский моторный завод) тщательно следит за высоким качеством продукции, а так же проводит комплекс активных мероприятий для борьбы с контрафактными предложениями на рынке. Для противодействия распространению контрафакта на официальном сайте завода создан раздел ЯМЗ/ЯЗДА. Защита от контрафакта, в котором размещена информация о конкурентных преимуществах оригинальной продукции, о рисках и угрозах использования альтернативной продукции ненадлежащего качества, а также доступна опция проверки оригинальности продукции ЯМЗ.
На складах : 912 шт.
На складах : 80 шт.

Компания "Русский Двигатель" была основана в 2005 году в Ярославле и почти сразу завоевала доверие со стороны производителей двигателей. Предприятие имеет собственное производство и выпускает более 300 видов прокладок и 150 видов ремкомплектов на обширном станочном парке. Для создания прокладок «Русский двигатель» использует паронит заводского изготовления, а так же занимается индивидуальной разработкой штампов и запуском новых товаров. Компания является поставщиком паронитовых прокладок на конвейеры Ярославского Моторного Завода (Автодизель), ЯрДизель Аппаратуры, ОАО "Карачаевский механический завод", Ногинского завода топливной аппаратуры, Тутаевского Моторного Завода, Ярославского Завода Топливной Аппаратуры.
На складах : 66 шт.

Компания "Русский Двигатель" была основана в 2005 году в Ярославле и почти сразу завоевала доверие со стороны производителей двигателей. Предприятие имеет собственное производство и выпускает более 300 видов прокладок и 150 видов ремкомплектов на обширном станочном парке. Для создания прокладок «Русский двигатель» использует паронит заводского изготовления, а так же занимается индивидуальной разработкой штампов и запуском новых товаров. Компания является поставщиком паронитовых прокладок на конвейеры Ярославского Моторного Завода (Автодизель), ЯрДизель Аппаратуры, ОАО "Карачаевский механический завод", Ногинского завода топливной аппаратуры, Тутаевского Моторного Завода, Ярославского Завода Топливной Аппаратуры.

Компания "Русский Двигатель" была основана в 2005 году в Ярославле и почти сразу завоевала доверие со стороны производителей двигателей. Предприятие имеет собственное производство и выпускает более 300 видов прокладок и 150 видов ремкомплектов на обширном станочном парке. Для создания прокладок «Русский двигатель» использует паронит заводского изготовления, а так же занимается индивидуальной разработкой штампов и запуском новых товаров. Компания является поставщиком паронитовых прокладок на конвейеры Ярославского Моторного Завода (Автодизель), ЯрДизель Аппаратуры, ОАО "Карачаевский механический завод", Ногинского завода топливной аппаратуры, Тутаевского Моторного Завода, Ярославского Завода Топливной Аппаратуры.

Компания "Русский Двигатель" была основана в 2005 году в Ярославле и почти сразу завоевала доверие со стороны производителей двигателей. Предприятие имеет собственное производство и выпускает более 300 видов прокладок и 150 видов ремкомплектов на обширном станочном парке. Для создания прокладок «Русский двигатель» использует паронит заводского изготовления, а так же занимается индивидуальной разработкой штампов и запуском новых товаров. Компания является поставщиком паронитовых прокладок на конвейеры Ярославского Моторного Завода (Автодизель), ЯрДизель Аппаратуры, ОАО "Карачаевский механический завод", Ногинского завода топливной аппаратуры, Тутаевского Моторного Завода, Ярославского Завода Топливной Аппаратуры.

СПЕЦМАШ — имя, ставшее синонимом надежности в сфере спецтехники и комплектующих. С момента основания в 1932 году в Ленинграде компания прошла путь от конструкторского бюро до ведущего производителя энергонасыщенных машин, востребованных в дорожном строительстве, нефтегазовой отрасли и других сферах.
За почти столетие инженеры СПЕЦМАШ разработали более 140 моделей техники, 75 из которых выпущены серийно. В их числе — уникальные гусеничные краны, самоходные установки на базе «Кировца» и другие решения, подтвержденные сотнями патентов и государственных наград.
Сегодня СПЕЦМАШ — это не просто завод, а полноценный инновационный холдинг с собственным КБ, исследовательским центром и испытательной базой. Такая структура позволяет не только создавать технику, но и внедрять прорывные технологии, гарантируя качество и долговечность продукции.
Ответом на современные вызовы стал запуск производства запчастей для грузовиков. Это снизило зависимость от импорта, укрепило контроль качества и расширило ассортимент для рынков России и ЕАЭС. Компания активно сотрудничает со странами СНГ, соблюдая строгие стандарты Таможенного союза.
В планах до 2030 года — цифровая трансформация: внедрение AI, IoT и роботизации. Акцент делается на экологичность и энергоэффективность, что соответствует глобальным трендам. Опытная команда СПЕЦМАШ сочетает техническое мастерство с клиентоориентированностью, предлагая не просто машины, а комплексные решения. Это делает компанию trusted-партнером в транспортном машиностроении.
Ассортимент:
- Ремкомплект трубки тормозной
- Болт-штуцер
- Болт
- Трубка тормозная
- Палец
- Фильтр масляный
- Кольцо
- Трубка топливная
- Ось
- Шланг подкачки колеса
- Втулка
- Замок двери
- Опора
На складах : 2080 шт.

СПЕЦМАШ — имя, ставшее синонимом надежности в сфере спецтехники и комплектующих. С момента основания в 1932 году в Ленинграде компания прошла путь от конструкторского бюро до ведущего производителя энергонасыщенных машин, востребованных в дорожном строительстве, нефтегазовой отрасли и других сферах.
За почти столетие инженеры СПЕЦМАШ разработали более 140 моделей техники, 75 из которых выпущены серийно. В их числе — уникальные гусеничные краны, самоходные установки на базе «Кировца» и другие решения, подтвержденные сотнями патентов и государственных наград.
Сегодня СПЕЦМАШ — это не просто завод, а полноценный инновационный холдинг с собственным КБ, исследовательским центром и испытательной базой. Такая структура позволяет не только создавать технику, но и внедрять прорывные технологии, гарантируя качество и долговечность продукции.
Ответом на современные вызовы стал запуск производства запчастей для грузовиков. Это снизило зависимость от импорта, укрепило контроль качества и расширило ассортимент для рынков России и ЕАЭС. Компания активно сотрудничает со странами СНГ, соблюдая строгие стандарты Таможенного союза.
В планах до 2030 года — цифровая трансформация: внедрение AI, IoT и роботизации. Акцент делается на экологичность и энергоэффективность, что соответствует глобальным трендам. Опытная команда СПЕЦМАШ сочетает техническое мастерство с клиентоориентированностью, предлагая не просто машины, а комплексные решения. Это делает компанию trusted-партнером в транспортном машиностроении.
Ассортимент:
- Ремкомплект трубки тормозной
- Болт-штуцер
- Болт
- Трубка тормозная
- Палец
- Фильтр масляный
- Кольцо
- Трубка топливная
- Ось
- Шланг подкачки колеса
- Втулка
- Замок двери
- Опора

Компания "Русский Двигатель" была основана в 2005 году в Ярославле и почти сразу завоевала доверие со стороны производителей двигателей. Предприятие имеет собственное производство и выпускает более 300 видов прокладок и 150 видов ремкомплектов на обширном станочном парке. Для создания прокладок «Русский двигатель» использует паронит заводского изготовления, а так же занимается индивидуальной разработкой штампов и запуском новых товаров. Компания является поставщиком паронитовых прокладок на конвейеры Ярославского Моторного Завода (Автодизель), ЯрДизель Аппаратуры, ОАО "Карачаевский механический завод", Ногинского завода топливной аппаратуры, Тутаевского Моторного Завода, Ярославского Завода Топливной Аппаратуры.
На складах : 304 шт.

Компания "Русский Двигатель" была основана в 2005 году в Ярославле и почти сразу завоевала доверие со стороны производителей двигателей. Предприятие имеет собственное производство и выпускает более 300 видов прокладок и 150 видов ремкомплектов на обширном станочном парке. Для создания прокладок «Русский двигатель» использует паронит заводского изготовления, а так же занимается индивидуальной разработкой штампов и запуском новых товаров. Компания является поставщиком паронитовых прокладок на конвейеры Ярославского Моторного Завода (Автодизель), ЯрДизель Аппаратуры, ОАО "Карачаевский механический завод", Ногинского завода топливной аппаратуры, Тутаевского Моторного Завода, Ярославского Завода Топливной Аппаратуры.
На складах : 841 шт.
На складах : 80 шт.

"Завод Красная Этна" уже более 110 лет производит крепёжные изделия и пружины для автомобильной промышленности. История завода начинается с 24 декабря 1898 года, когда по положению Комитета Министров Николай Второй разрешает Виктору Михайловичу Гольденбергу и германскому подданному Петру Ивановичу Мартини учредить "Акционерное Общество Рижского металлического завода "Этна". С 1904 года по 1915 год на Рижском металлическом заводе работали цеха: гвоздильный, горячепрокатный, цепочный, травильный, отжигательный, волочильный. Продукция завода была востребована в России, Прибалтике и за рубежом. В годы первой мировой войны завод был эвакуирован из Риги в Нижний Новгород. С этого момента для завода начинается новая история. Во время войны "Завод Красная Этна" обеспечивал своей продукцией фронт. На заводе начался выпуск минных цепей, гвоздей к солдатским сапогам, колючей проволоки, пряжек к ружьям и карабинов, а также другой продукции для нужд фронта и населения России. С 1916 года по 1918 год происходит национализация завода и смена учредителей. Завод стал именоваться, как Акционерное общество Нижегородского металлического завода "Новая Этна". С приходом советской власти на заводе сменилось название на "Красная Этна" и были запущены: электростанция, прокатный цех, цех тонкого волочения и болтозаклепочный цех. В 1925 в структуру завода вливается предприятие с парком металлорежущего оборудования. В этом же году, на базе влившегося предприятия, создаются инструментальный и механический цеха, а также лесопильно-ящичный цех. В начале 30х, организовано строительство Горьковского автомобильного завода, который оказал большое влияние на развитие и деятельность предприятия. "Красная Этна" переходит на выпуск изделий высокого класса точности и включается в обслуживание автомобильной промышленности страны. К началу Великой Отечественной войны, реконструированный завод представлял собой крупное предприятие автомобильной промышленности, которое специализировалось на выпуске: специальной проволоки, пружин, шайб, холоднокатаной ленты и автонормалей. Во время Второй Мировой войны завод бесперебойно снабжал фронт боеприпасами. С 1941 года по 1943 год на заводе работало 996 человек. В послевоенное время завод стал активно развиваться. В дальнейшем на заводе были реконструированы цеха и освоено новое производство, создано собственное станкостроение и автоматические линии, выстроен инженерный корпус и здание очистных сооружений. Организовано производство проката и пружин, а также стержневого крепежа. Создан важнейший отдел обеспечения качеством. На сегодняшний день ОАО "Завод Красная Этна" представляет собой современное, динамично-развивающееся предприятие, специализирующееся на производстве крепежных изделий для автомобильной промышленности. Продукция завода поставляется на крупнейшие предприятия России, стран СНГ и дальнего зарубежья. Продукция предприятия соответствует международным системам качества ИСО 9001-2000 и ISO/TS 16949:2002. Продукция завода прошла проверку аудиторами TUV CERT (Германия) и национальной системой ГОСТ Р. Номенклатура предприятия насчитывает более 2,5 тысячи видов крепёжных изделий, в том числе соответствующих стандарту DIN. Компания "АвтоАльянс" предлагает оригинальную продукцию производства ОАО "Завод Красная Этна". В ассортименте представлен широкий перечень продукции завода: винты различных конструкций, пружины, стремянки, шайбы, гайки, шпильки, заклепки, штуцеры, оси, пробки и пластины, а также всевозможный крепёж к различным автомобилям.
На складах : 987 шт.

"Завод Красная Этна" уже более 110 лет производит крепёжные изделия и пружины для автомобильной промышленности. История завода начинается с 24 декабря 1898 года, когда по положению Комитета Министров Николай Второй разрешает Виктору Михайловичу Гольденбергу и германскому подданному Петру Ивановичу Мартини учредить "Акционерное Общество Рижского металлического завода "Этна". С 1904 года по 1915 год на Рижском металлическом заводе работали цеха: гвоздильный, горячепрокатный, цепочный, травильный, отжигательный, волочильный. Продукция завода была востребована в России, Прибалтике и за рубежом. В годы первой мировой войны завод был эвакуирован из Риги в Нижний Новгород. С этого момента для завода начинается новая история. Во время войны "Завод Красная Этна" обеспечивал своей продукцией фронт. На заводе начался выпуск минных цепей, гвоздей к солдатским сапогам, колючей проволоки, пряжек к ружьям и карабинов, а также другой продукции для нужд фронта и населения России. С 1916 года по 1918 год происходит национализация завода и смена учредителей. Завод стал именоваться, как Акционерное общество Нижегородского металлического завода "Новая Этна". С приходом советской власти на заводе сменилось название на "Красная Этна" и были запущены: электростанция, прокатный цех, цех тонкого волочения и болтозаклепочный цех. В 1925 в структуру завода вливается предприятие с парком металлорежущего оборудования. В этом же году, на базе влившегося предприятия, создаются инструментальный и механический цеха, а также лесопильно-ящичный цех. В начале 30х, организовано строительство Горьковского автомобильного завода, который оказал большое влияние на развитие и деятельность предприятия. "Красная Этна" переходит на выпуск изделий высокого класса точности и включается в обслуживание автомобильной промышленности страны. К началу Великой Отечественной войны, реконструированный завод представлял собой крупное предприятие автомобильной промышленности, которое специализировалось на выпуске: специальной проволоки, пружин, шайб, холоднокатаной ленты и автонормалей. Во время Второй Мировой войны завод бесперебойно снабжал фронт боеприпасами. С 1941 года по 1943 год на заводе работало 996 человек. В послевоенное время завод стал активно развиваться. В дальнейшем на заводе были реконструированы цеха и освоено новое производство, создано собственное станкостроение и автоматические линии, выстроен инженерный корпус и здание очистных сооружений. Организовано производство проката и пружин, а также стержневого крепежа. Создан важнейший отдел обеспечения качеством. На сегодняшний день ОАО "Завод Красная Этна" представляет собой современное, динамично-развивающееся предприятие, специализирующееся на производстве крепежных изделий для автомобильной промышленности. Продукция завода поставляется на крупнейшие предприятия России, стран СНГ и дальнего зарубежья. Продукция предприятия соответствует международным системам качества ИСО 9001-2000 и ISO/TS 16949:2002. Продукция завода прошла проверку аудиторами TUV CERT (Германия) и национальной системой ГОСТ Р. Номенклатура предприятия насчитывает более 2,5 тысячи видов крепёжных изделий, в том числе соответствующих стандарту DIN. Компания "АвтоАльянс" предлагает оригинальную продукцию производства ОАО "Завод Красная Этна". В ассортименте представлен широкий перечень продукции завода: винты различных конструкций, пружины, стремянки, шайбы, гайки, шпильки, заклепки, штуцеры, оси, пробки и пластины, а также всевозможный крепёж к различным автомобилям.

ПАО "Автодизель" (Ярославский моторный завод) - одно из старейших предприятий российского автомобилестроения. В 1920 - 50-е годы был освоен выпуск первых в стране 3-12-тонных автомобилей, самосвалов, троллейбусов, автобусов, автомобильных дизельных двигателей.
С 1958 г. Ярославский моторный завод специализируется на разработке и производстве дизельных силовых агрегатов многоцелевого назначения и является признанным лидером отечественного двигателестроения.
На сегодняшний день Ярославский моторный завод (ПАО «Автодизель») является крупнейшим российским предприятием, специализирующимся на производстве дизельных двигателей многоцелевого назначения, сцеплений, коробок передач, запасных частей к ним, а также стационарных агрегатов на базе дизелей ЯМЗ.
Ярославские двигатели нашли применение более чем на 300 видах изделий производства ведущих предприятий России, Белоруссии, Украины. Они устанавливаются на автомобили, магистральные автопоезда, карьерные самосвалы, аэродромные тягачи, зерно-уборочные комбайны, лесовозы, экскаваторы, автобусы, а также на дизель-электрические станции и агрегаты.
Основные потребители: ОАО «МАЗ», ОАО «Автомобильный завод «Урал», ООО «ЛиАЗ», ХК «АвтоКрАЗ», РУПП «БелАЗ», ОАО «Электроагрегат» (Курск) и другие. Широкое применение двигатели ЯМЗ находят на специализированной технике Министерства обороны РФ.
"АвтоАльянс" является официальным дилером ПАО «Автодизель» (ЯМЗ) уже много лет и обеспечивает потребителей полным перечнем продукции завода. От запчастей до двигателей в сборе.
Борьба с контрафактом
ПАО "Автодизель" (Ярославский моторный завод) тщательно следит за высоким качеством продукции, а так же проводит комплекс активных мероприятий для борьбы с контрафактными предложениями на рынке. Для противодействия распространению контрафакта на официальном сайте завода создан раздел ЯМЗ/ЯЗДА. Защита от контрафакта, в котором размещена информация о конкурентных преимуществах оригинальной продукции, о рисках и угрозах использования альтернативной продукции ненадлежащего качества, а также доступна опция проверки оригинальности продукции ЯМЗ.
На складах : 126 шт.

ПАО "Автодизель" (Ярославский моторный завод) - одно из старейших предприятий российского автомобилестроения. В 1920 - 50-е годы был освоен выпуск первых в стране 3-12-тонных автомобилей, самосвалов, троллейбусов, автобусов, автомобильных дизельных двигателей.
С 1958 г. Ярославский моторный завод специализируется на разработке и производстве дизельных силовых агрегатов многоцелевого назначения и является признанным лидером отечественного двигателестроения.
На сегодняшний день Ярославский моторный завод (ПАО «Автодизель») является крупнейшим российским предприятием, специализирующимся на производстве дизельных двигателей многоцелевого назначения, сцеплений, коробок передач, запасных частей к ним, а также стационарных агрегатов на базе дизелей ЯМЗ.
Ярославские двигатели нашли применение более чем на 300 видах изделий производства ведущих предприятий России, Белоруссии, Украины. Они устанавливаются на автомобили, магистральные автопоезда, карьерные самосвалы, аэродромные тягачи, зерно-уборочные комбайны, лесовозы, экскаваторы, автобусы, а также на дизель-электрические станции и агрегаты.
Основные потребители: ОАО «МАЗ», ОАО «Автомобильный завод «Урал», ООО «ЛиАЗ», ХК «АвтоКрАЗ», РУПП «БелАЗ», ОАО «Электроагрегат» (Курск) и другие. Широкое применение двигатели ЯМЗ находят на специализированной технике Министерства обороны РФ.
"АвтоАльянс" является официальным дилером ПАО «Автодизель» (ЯМЗ) уже много лет и обеспечивает потребителей полным перечнем продукции завода. От запчастей до двигателей в сборе.
Борьба с контрафактом
ПАО "Автодизель" (Ярославский моторный завод) тщательно следит за высоким качеством продукции, а так же проводит комплекс активных мероприятий для борьбы с контрафактными предложениями на рынке. Для противодействия распространению контрафакта на официальном сайте завода создан раздел ЯМЗ/ЯЗДА. Защита от контрафакта, в котором размещена информация о конкурентных преимуществах оригинальной продукции, о рисках и угрозах использования альтернативной продукции ненадлежащего качества, а также доступна опция проверки оригинальности продукции ЯМЗ.

Компания "Русский Двигатель" была основана в 2005 году в Ярославле и почти сразу завоевала доверие со стороны производителей двигателей. Предприятие имеет собственное производство и выпускает более 300 видов прокладок и 150 видов ремкомплектов на обширном станочном парке. Для создания прокладок «Русский двигатель» использует паронит заводского изготовления, а так же занимается индивидуальной разработкой штампов и запуском новых товаров. Компания является поставщиком паронитовых прокладок на конвейеры Ярославского Моторного Завода (Автодизель), ЯрДизель Аппаратуры, ОАО "Карачаевский механический завод", Ногинского завода топливной аппаратуры, Тутаевского Моторного Завода, Ярославского Завода Топливной Аппаратуры.

Компания "Русский Двигатель" была основана в 2005 году в Ярославле и почти сразу завоевала доверие со стороны производителей двигателей. Предприятие имеет собственное производство и выпускает более 300 видов прокладок и 150 видов ремкомплектов на обширном станочном парке. Для создания прокладок «Русский двигатель» использует паронит заводского изготовления, а так же занимается индивидуальной разработкой штампов и запуском новых товаров. Компания является поставщиком паронитовых прокладок на конвейеры Ярославского Моторного Завода (Автодизель), ЯрДизель Аппаратуры, ОАО "Карачаевский механический завод", Ногинского завода топливной аппаратуры, Тутаевского Моторного Завода, Ярославского Завода Топливной Аппаратуры.

Компания "Русский Двигатель" была основана в 2005 году в Ярославле и почти сразу завоевала доверие со стороны производителей двигателей. Предприятие имеет собственное производство и выпускает более 300 видов прокладок и 150 видов ремкомплектов на обширном станочном парке. Для создания прокладок «Русский двигатель» использует паронит заводского изготовления, а так же занимается индивидуальной разработкой штампов и запуском новых товаров. Компания является поставщиком паронитовых прокладок на конвейеры Ярославского Моторного Завода (Автодизель), ЯрДизель Аппаратуры, ОАО "Карачаевский механический завод", Ногинского завода топливной аппаратуры, Тутаевского Моторного Завода, Ярославского Завода Топливной Аппаратуры.
На складах : 47 шт.

Компания "Русский Двигатель" была основана в 2005 году в Ярославле и почти сразу завоевала доверие со стороны производителей двигателей. Предприятие имеет собственное производство и выпускает более 300 видов прокладок и 150 видов ремкомплектов на обширном станочном парке. Для создания прокладок «Русский двигатель» использует паронит заводского изготовления, а так же занимается индивидуальной разработкой штампов и запуском новых товаров. Компания является поставщиком паронитовых прокладок на конвейеры Ярославского Моторного Завода (Автодизель), ЯрДизель Аппаратуры, ОАО "Карачаевский механический завод", Ногинского завода топливной аппаратуры, Тутаевского Моторного Завода, Ярославского Завода Топливной Аппаратуры.

Компания "Русский Двигатель" была основана в 2005 году в Ярославле и почти сразу завоевала доверие со стороны производителей двигателей. Предприятие имеет собственное производство и выпускает более 300 видов прокладок и 150 видов ремкомплектов на обширном станочном парке. Для создания прокладок «Русский двигатель» использует паронит заводского изготовления, а так же занимается индивидуальной разработкой штампов и запуском новых товаров. Компания является поставщиком паронитовых прокладок на конвейеры Ярославского Моторного Завода (Автодизель), ЯрДизель Аппаратуры, ОАО "Карачаевский механический завод", Ногинского завода топливной аппаратуры, Тутаевского Моторного Завода, Ярославского Завода Топливной Аппаратуры.
На складах : 12 шт.

Компания "Русский Двигатель" была основана в 2005 году в Ярославле и почти сразу завоевала доверие со стороны производителей двигателей. Предприятие имеет собственное производство и выпускает более 300 видов прокладок и 150 видов ремкомплектов на обширном станочном парке. Для создания прокладок «Русский двигатель» использует паронит заводского изготовления, а так же занимается индивидуальной разработкой штампов и запуском новых товаров. Компания является поставщиком паронитовых прокладок на конвейеры Ярославского Моторного Завода (Автодизель), ЯрДизель Аппаратуры, ОАО "Карачаевский механический завод", Ногинского завода топливной аппаратуры, Тутаевского Моторного Завода, Ярославского Завода Топливной Аппаратуры.
На складах : 41 шт.

ПАО "Автодизель" (Ярославский моторный завод) - одно из старейших предприятий российского автомобилестроения. В 1920 - 50-е годы был освоен выпуск первых в стране 3-12-тонных автомобилей, самосвалов, троллейбусов, автобусов, автомобильных дизельных двигателей.
С 1958 г. Ярославский моторный завод специализируется на разработке и производстве дизельных силовых агрегатов многоцелевого назначения и является признанным лидером отечественного двигателестроения.
На сегодняшний день Ярославский моторный завод (ПАО «Автодизель») является крупнейшим российским предприятием, специализирующимся на производстве дизельных двигателей многоцелевого назначения, сцеплений, коробок передач, запасных частей к ним, а также стационарных агрегатов на базе дизелей ЯМЗ.
Ярославские двигатели нашли применение более чем на 300 видах изделий производства ведущих предприятий России, Белоруссии, Украины. Они устанавливаются на автомобили, магистральные автопоезда, карьерные самосвалы, аэродромные тягачи, зерно-уборочные комбайны, лесовозы, экскаваторы, автобусы, а также на дизель-электрические станции и агрегаты.
Основные потребители: ОАО «МАЗ», ОАО «Автомобильный завод «Урал», ООО «ЛиАЗ», ХК «АвтоКрАЗ», РУПП «БелАЗ», ОАО «Электроагрегат» (Курск) и другие. Широкое применение двигатели ЯМЗ находят на специализированной технике Министерства обороны РФ.
"АвтоАльянс" является официальным дилером ПАО «Автодизель» (ЯМЗ) уже много лет и обеспечивает потребителей полным перечнем продукции завода. От запчастей до двигателей в сборе.
Борьба с контрафактом
ПАО "Автодизель" (Ярославский моторный завод) тщательно следит за высоким качеством продукции, а так же проводит комплекс активных мероприятий для борьбы с контрафактными предложениями на рынке. Для противодействия распространению контрафакта на официальном сайте завода создан раздел ЯМЗ/ЯЗДА. Защита от контрафакта, в котором размещена информация о конкурентных преимуществах оригинальной продукции, о рисках и угрозах использования альтернативной продукции ненадлежащего качества, а также доступна опция проверки оригинальности продукции ЯМЗ.

ПАО "Автодизель" (Ярославский моторный завод) - одно из старейших предприятий российского автомобилестроения. В 1920 - 50-е годы был освоен выпуск первых в стране 3-12-тонных автомобилей, самосвалов, троллейбусов, автобусов, автомобильных дизельных двигателей.
С 1958 г. Ярославский моторный завод специализируется на разработке и производстве дизельных силовых агрегатов многоцелевого назначения и является признанным лидером отечественного двигателестроения.
На сегодняшний день Ярославский моторный завод (ПАО «Автодизель») является крупнейшим российским предприятием, специализирующимся на производстве дизельных двигателей многоцелевого назначения, сцеплений, коробок передач, запасных частей к ним, а также стационарных агрегатов на базе дизелей ЯМЗ.
Ярославские двигатели нашли применение более чем на 300 видах изделий производства ведущих предприятий России, Белоруссии, Украины. Они устанавливаются на автомобили, магистральные автопоезда, карьерные самосвалы, аэродромные тягачи, зерно-уборочные комбайны, лесовозы, экскаваторы, автобусы, а также на дизель-электрические станции и агрегаты.
Основные потребители: ОАО «МАЗ», ОАО «Автомобильный завод «Урал», ООО «ЛиАЗ», ХК «АвтоКрАЗ», РУПП «БелАЗ», ОАО «Электроагрегат» (Курск) и другие. Широкое применение двигатели ЯМЗ находят на специализированной технике Министерства обороны РФ.
"АвтоАльянс" является официальным дилером ПАО «Автодизель» (ЯМЗ) уже много лет и обеспечивает потребителей полным перечнем продукции завода. От запчастей до двигателей в сборе.
Борьба с контрафактом
ПАО "Автодизель" (Ярославский моторный завод) тщательно следит за высоким качеством продукции, а так же проводит комплекс активных мероприятий для борьбы с контрафактными предложениями на рынке. Для противодействия распространению контрафакта на официальном сайте завода создан раздел ЯМЗ/ЯЗДА. Защита от контрафакта, в котором размещена информация о конкурентных преимуществах оригинальной продукции, о рисках и угрозах использования альтернативной продукции ненадлежащего качества, а также доступна опция проверки оригинальности продукции ЯМЗ.

ПАО "Автодизель" (Ярославский моторный завод) - одно из старейших предприятий российского автомобилестроения. В 1920 - 50-е годы был освоен выпуск первых в стране 3-12-тонных автомобилей, самосвалов, троллейбусов, автобусов, автомобильных дизельных двигателей.
С 1958 г. Ярославский моторный завод специализируется на разработке и производстве дизельных силовых агрегатов многоцелевого назначения и является признанным лидером отечественного двигателестроения.
На сегодняшний день Ярославский моторный завод (ПАО «Автодизель») является крупнейшим российским предприятием, специализирующимся на производстве дизельных двигателей многоцелевого назначения, сцеплений, коробок передач, запасных частей к ним, а также стационарных агрегатов на базе дизелей ЯМЗ.
Ярославские двигатели нашли применение более чем на 300 видах изделий производства ведущих предприятий России, Белоруссии, Украины. Они устанавливаются на автомобили, магистральные автопоезда, карьерные самосвалы, аэродромные тягачи, зерно-уборочные комбайны, лесовозы, экскаваторы, автобусы, а также на дизель-электрические станции и агрегаты.
Основные потребители: ОАО «МАЗ», ОАО «Автомобильный завод «Урал», ООО «ЛиАЗ», ХК «АвтоКрАЗ», РУПП «БелАЗ», ОАО «Электроагрегат» (Курск) и другие. Широкое применение двигатели ЯМЗ находят на специализированной технике Министерства обороны РФ.
"АвтоАльянс" является официальным дилером ПАО «Автодизель» (ЯМЗ) уже много лет и обеспечивает потребителей полным перечнем продукции завода. От запчастей до двигателей в сборе.
Борьба с контрафактом
ПАО "Автодизель" (Ярославский моторный завод) тщательно следит за высоким качеством продукции, а так же проводит комплекс активных мероприятий для борьбы с контрафактными предложениями на рынке. Для противодействия распространению контрафакта на официальном сайте завода создан раздел ЯМЗ/ЯЗДА. Защита от контрафакта, в котором размещена информация о конкурентных преимуществах оригинальной продукции, о рисках и угрозах использования альтернативной продукции ненадлежащего качества, а также доступна опция проверки оригинальности продукции ЯМЗ.
На складах : 256 шт.

ПАО "Автодизель" (Ярославский моторный завод) - одно из старейших предприятий российского автомобилестроения. В 1920 - 50-е годы был освоен выпуск первых в стране 3-12-тонных автомобилей, самосвалов, троллейбусов, автобусов, автомобильных дизельных двигателей.
С 1958 г. Ярославский моторный завод специализируется на разработке и производстве дизельных силовых агрегатов многоцелевого назначения и является признанным лидером отечественного двигателестроения.
На сегодняшний день Ярославский моторный завод (ПАО «Автодизель») является крупнейшим российским предприятием, специализирующимся на производстве дизельных двигателей многоцелевого назначения, сцеплений, коробок передач, запасных частей к ним, а также стационарных агрегатов на базе дизелей ЯМЗ.
Ярославские двигатели нашли применение более чем на 300 видах изделий производства ведущих предприятий России, Белоруссии, Украины. Они устанавливаются на автомобили, магистральные автопоезда, карьерные самосвалы, аэродромные тягачи, зерно-уборочные комбайны, лесовозы, экскаваторы, автобусы, а также на дизель-электрические станции и агрегаты.
Основные потребители: ОАО «МАЗ», ОАО «Автомобильный завод «Урал», ООО «ЛиАЗ», ХК «АвтоКрАЗ», РУПП «БелАЗ», ОАО «Электроагрегат» (Курск) и другие. Широкое применение двигатели ЯМЗ находят на специализированной технике Министерства обороны РФ.
"АвтоАльянс" является официальным дилером ПАО «Автодизель» (ЯМЗ) уже много лет и обеспечивает потребителей полным перечнем продукции завода. От запчастей до двигателей в сборе.
Борьба с контрафактом
ПАО "Автодизель" (Ярославский моторный завод) тщательно следит за высоким качеством продукции, а так же проводит комплекс активных мероприятий для борьбы с контрафактными предложениями на рынке. Для противодействия распространению контрафакта на официальном сайте завода создан раздел ЯМЗ/ЯЗДА. Защита от контрафакта, в котором размещена информация о конкурентных преимуществах оригинальной продукции, о рисках и угрозах использования альтернативной продукции ненадлежащего качества, а также доступна опция проверки оригинальности продукции ЯМЗ.
На складах : 88 шт.
На складах : 134 шт.
На складах : 64 шт.

Автомобильный концерн ГАЗ является одним из ведущих производителей в России. Компания предлагает запчасти для всех своих моделей автомобилей, а также поставляет комплектующие и сопутствующие товары на рынок автокомпонентов.
Преимущества автозапчастей ГАЗ заключаются в заметном качестве и надежности продукции, а также в доступных ценах. Благодаря использованию современных технологий и высококвалифицированному персоналу, ГАЗ гарантирует соответствующие характеристики продукции.
Все запчасти и компоненты проходят строгий контроль качества на каждом из этапов производства и подвергаются испытаниям в специальных лабораториях. Это обеспечивает стабильную работу и долговечность продукции ГАЗ. Детали производятся с использованием современных технологий и проверенных материалов. Это обеспечивает высокую производительность и безопасность автомобилей, а также улучшенный комфорт во время эксплуатации.
Компания предлагает широкий ассортимент запчастей для различных моделей автомобилей, а также для транспортных средств других марок. Все изделия имеют сертификаты соответствия и гарантию на производственные дефекты.
Кроме того, ГАЗ постоянно совершенствует свои продукты и осваивает новые рынки, чтобы удовлетворить даже самые неожиданные потребности своих клиентов. Все это выгодно выделяет автозапчасти и автокомпоненты ГАЗ в глазах покупателей, как в России, так и за ее пределами.
Ассортимент:
- Двигатели и их компоненты, такие как поршни, кольца, клапаны и т.д.
- Трансмиссия, включая коробки передач и дифференциалы.
- Системы выхлопа, включая глушители, катализаторы и трубы.
- Рулевое управление, включая рулевые рейки и насосы гидроусилителя руля.
- Подвеска, включая амортизаторы, пружины, рычаги и шаровые опоры.
- Тормозные системы, включая тормозные колодки, диски и суппорты.
- Электроника, включая стартеры, генераторы, аккумуляторы и свечи зажигания.
- Кузовные запчасти, включая крылья, двери, бамперы и фары.
На складах : 47 шт.

Автомобильный концерн ГАЗ является одним из ведущих производителей в России. Компания предлагает запчасти для всех своих моделей автомобилей, а также поставляет комплектующие и сопутствующие товары на рынок автокомпонентов.
Преимущества автозапчастей ГАЗ заключаются в заметном качестве и надежности продукции, а также в доступных ценах. Благодаря использованию современных технологий и высококвалифицированному персоналу, ГАЗ гарантирует соответствующие характеристики продукции.
Все запчасти и компоненты проходят строгий контроль качества на каждом из этапов производства и подвергаются испытаниям в специальных лабораториях. Это обеспечивает стабильную работу и долговечность продукции ГАЗ. Детали производятся с использованием современных технологий и проверенных материалов. Это обеспечивает высокую производительность и безопасность автомобилей, а также улучшенный комфорт во время эксплуатации.
Компания предлагает широкий ассортимент запчастей для различных моделей автомобилей, а также для транспортных средств других марок. Все изделия имеют сертификаты соответствия и гарантию на производственные дефекты.
Кроме того, ГАЗ постоянно совершенствует свои продукты и осваивает новые рынки, чтобы удовлетворить даже самые неожиданные потребности своих клиентов. Все это выгодно выделяет автозапчасти и автокомпоненты ГАЗ в глазах покупателей, как в России, так и за ее пределами.
Ассортимент:
- Двигатели и их компоненты, такие как поршни, кольца, клапаны и т.д.
- Трансмиссия, включая коробки передач и дифференциалы.
- Системы выхлопа, включая глушители, катализаторы и трубы.
- Рулевое управление, включая рулевые рейки и насосы гидроусилителя руля.
- Подвеска, включая амортизаторы, пружины, рычаги и шаровые опоры.
- Тормозные системы, включая тормозные колодки, диски и суппорты.
- Электроника, включая стартеры, генераторы, аккумуляторы и свечи зажигания.
- Кузовные запчасти, включая крылья, двери, бамперы и фары.

ПАО "Автодизель" (Ярославский моторный завод) - одно из старейших предприятий российского автомобилестроения. В 1920 - 50-е годы был освоен выпуск первых в стране 3-12-тонных автомобилей, самосвалов, троллейбусов, автобусов, автомобильных дизельных двигателей.
С 1958 г. Ярославский моторный завод специализируется на разработке и производстве дизельных силовых агрегатов многоцелевого назначения и является признанным лидером отечественного двигателестроения.
На сегодняшний день Ярославский моторный завод (ПАО «Автодизель») является крупнейшим российским предприятием, специализирующимся на производстве дизельных двигателей многоцелевого назначения, сцеплений, коробок передач, запасных частей к ним, а также стационарных агрегатов на базе дизелей ЯМЗ.
Ярославские двигатели нашли применение более чем на 300 видах изделий производства ведущих предприятий России, Белоруссии, Украины. Они устанавливаются на автомобили, магистральные автопоезда, карьерные самосвалы, аэродромные тягачи, зерно-уборочные комбайны, лесовозы, экскаваторы, автобусы, а также на дизель-электрические станции и агрегаты.
Основные потребители: ОАО «МАЗ», ОАО «Автомобильный завод «Урал», ООО «ЛиАЗ», ХК «АвтоКрАЗ», РУПП «БелАЗ», ОАО «Электроагрегат» (Курск) и другие. Широкое применение двигатели ЯМЗ находят на специализированной технике Министерства обороны РФ.
"АвтоАльянс" является официальным дилером ПАО «Автодизель» (ЯМЗ) уже много лет и обеспечивает потребителей полным перечнем продукции завода. От запчастей до двигателей в сборе.
Борьба с контрафактом
ПАО "Автодизель" (Ярославский моторный завод) тщательно следит за высоким качеством продукции, а так же проводит комплекс активных мероприятий для борьбы с контрафактными предложениями на рынке. Для противодействия распространению контрафакта на официальном сайте завода создан раздел ЯМЗ/ЯЗДА. Защита от контрафакта, в котором размещена информация о конкурентных преимуществах оригинальной продукции, о рисках и угрозах использования альтернативной продукции ненадлежащего качества, а также доступна опция проверки оригинальности продукции ЯМЗ.
На складах : 77 шт.

ПАО "Автодизель" (Ярославский моторный завод) - одно из старейших предприятий российского автомобилестроения. В 1920 - 50-е годы был освоен выпуск первых в стране 3-12-тонных автомобилей, самосвалов, троллейбусов, автобусов, автомобильных дизельных двигателей.
С 1958 г. Ярославский моторный завод специализируется на разработке и производстве дизельных силовых агрегатов многоцелевого назначения и является признанным лидером отечественного двигателестроения.
На сегодняшний день Ярославский моторный завод (ПАО «Автодизель») является крупнейшим российским предприятием, специализирующимся на производстве дизельных двигателей многоцелевого назначения, сцеплений, коробок передач, запасных частей к ним, а также стационарных агрегатов на базе дизелей ЯМЗ.
Ярославские двигатели нашли применение более чем на 300 видах изделий производства ведущих предприятий России, Белоруссии, Украины. Они устанавливаются на автомобили, магистральные автопоезда, карьерные самосвалы, аэродромные тягачи, зерно-уборочные комбайны, лесовозы, экскаваторы, автобусы, а также на дизель-электрические станции и агрегаты.
Основные потребители: ОАО «МАЗ», ОАО «Автомобильный завод «Урал», ООО «ЛиАЗ», ХК «АвтоКрАЗ», РУПП «БелАЗ», ОАО «Электроагрегат» (Курск) и другие. Широкое применение двигатели ЯМЗ находят на специализированной технике Министерства обороны РФ.
"АвтоАльянс" является официальным дилером ПАО «Автодизель» (ЯМЗ) уже много лет и обеспечивает потребителей полным перечнем продукции завода. От запчастей до двигателей в сборе.
Борьба с контрафактом
ПАО "Автодизель" (Ярославский моторный завод) тщательно следит за высоким качеством продукции, а так же проводит комплекс активных мероприятий для борьбы с контрафактными предложениями на рынке. Для противодействия распространению контрафакта на официальном сайте завода создан раздел ЯМЗ/ЯЗДА. Защита от контрафакта, в котором размещена информация о конкурентных преимуществах оригинальной продукции, о рисках и угрозах использования альтернативной продукции ненадлежащего качества, а также доступна опция проверки оригинальности продукции ЯМЗ.

РОСИЧЪ — российский бренд, давно зарекомендовавший себя как надёжный производитель армированных сальников и резинотехнических изделий для отечественного автотранспорта и спецтехники. С самого начала бренд сделал ставку на решение конкретной задачи — герметизацию узлов в сложных условиях: высоких нагрузках, перепадах температур, воздействии агрессивных жидкостей и пыли. Эта специализация не ограничила возможности бренда, а, напротив, выделила его среди множества дешёвых и безликих аналогов.
Компания фокусируется на выпуске сальников из маслобензостойкой резины, способных сохранять эластичность и точную геометрию даже после длительной эксплуатации в сложных климатических и технических условиях России — от минусовых температур до нагрева под капотом и контакта с техническими жидкостями.
Особенностью продукции является точное соответствие оригинальным параметрам, использование высококачественной резины марки МБР, устойчивой к агрессивным средам и деформациям. Каждый сальник обеспечивает защиту от утечек и проникновения пыли и влаги внутрь механизма — факторов, которые могут привести к серьёзным поломкам. Это делает продукцию РОСИЧЪ предпочтительным выбором для ответственных узлов.
Ассортимент охватывает ключевые компоненты техники: двигатели, коробки передач, мосты, редукторы, полуоси, ступицы и другие узлы. Продукция подходит для популярных моделей — КАМАЗ, МАЗ, ЗИЛ, УАЗ, УРАЛ, ГАЗ и других, широко используемых в строительстве, промышленности, ЖКХ и сельском хозяйстве. Бренд делает акцент на универсальности: сальники подходят как для ремонта, так и для профилактики, модернизации и заводской сборки.
На производстве действует строгий контроль качества: изделия тестируются на прочность, износостойкость, термостойкость и эластичность. Геометрия каждой детали соответствует установленным стандартам, что исключает необходимость доработки при установке. Это позволяет экономить время и сразу вводить оборудование в эксплуатацию.
Продукция соответствует требованиям ТР ТС 010/2011, имеет сертификаты и документацию, что делает её подходящей как для частного ремонта, так и для предприятий с жёсткими нормами. При этом цена остаётся доступной, обеспечивая оптимальный баланс между качеством и стоимостью.
Репутация бренда основана не на рекламе, а на реальных отзывах пользователей. Сальники РОСИЧЪ используются в сотнях сервисов и автопарках по всей стране. Их надёжность и долговечность проверены годами практики.
Приобрести продукцию РОСИЧЪ можно на сайте АвтоАльянса — вашего надёжного партнера в мире автозапчастей. Мы предлагаем проверенные комплектующие для легковых и грузовых автомобилей, гарантируя оперативную доставку, честные цены и стабильные поставки по всей России.по всей России.
Ассортимент:
- Манжета
- Сальник МАЗ, КАМАЗ, УАЗ, ВАЗ, ЯМЗ
- Сальник коленвала ГАЗ, ЗИЛ, КАМАЗ, ЯМЗ
- Колпачок
На складах : 2887 шт.

РОСИЧЪ — российский бренд, давно зарекомендовавший себя как надёжный производитель армированных сальников и резинотехнических изделий для отечественного автотранспорта и спецтехники. С самого начала бренд сделал ставку на решение конкретной задачи — герметизацию узлов в сложных условиях: высоких нагрузках, перепадах температур, воздействии агрессивных жидкостей и пыли. Эта специализация не ограничила возможности бренда, а, напротив, выделила его среди множества дешёвых и безликих аналогов.
Компания фокусируется на выпуске сальников из маслобензостойкой резины, способных сохранять эластичность и точную геометрию даже после длительной эксплуатации в сложных климатических и технических условиях России — от минусовых температур до нагрева под капотом и контакта с техническими жидкостями.
Особенностью продукции является точное соответствие оригинальным параметрам, использование высококачественной резины марки МБР, устойчивой к агрессивным средам и деформациям. Каждый сальник обеспечивает защиту от утечек и проникновения пыли и влаги внутрь механизма — факторов, которые могут привести к серьёзным поломкам. Это делает продукцию РОСИЧЪ предпочтительным выбором для ответственных узлов.
Ассортимент охватывает ключевые компоненты техники: двигатели, коробки передач, мосты, редукторы, полуоси, ступицы и другие узлы. Продукция подходит для популярных моделей — КАМАЗ, МАЗ, ЗИЛ, УАЗ, УРАЛ, ГАЗ и других, широко используемых в строительстве, промышленности, ЖКХ и сельском хозяйстве. Бренд делает акцент на универсальности: сальники подходят как для ремонта, так и для профилактики, модернизации и заводской сборки.
На производстве действует строгий контроль качества: изделия тестируются на прочность, износостойкость, термостойкость и эластичность. Геометрия каждой детали соответствует установленным стандартам, что исключает необходимость доработки при установке. Это позволяет экономить время и сразу вводить оборудование в эксплуатацию.
Продукция соответствует требованиям ТР ТС 010/2011, имеет сертификаты и документацию, что делает её подходящей как для частного ремонта, так и для предприятий с жёсткими нормами. При этом цена остаётся доступной, обеспечивая оптимальный баланс между качеством и стоимостью.
Репутация бренда основана не на рекламе, а на реальных отзывах пользователей. Сальники РОСИЧЪ используются в сотнях сервисов и автопарках по всей стране. Их надёжность и долговечность проверены годами практики.
Приобрести продукцию РОСИЧЪ можно на сайте АвтоАльянса — вашего надёжного партнера в мире автозапчастей. Мы предлагаем проверенные комплектующие для легковых и грузовых автомобилей, гарантируя оперативную доставку, честные цены и стабильные поставки по всей России.по всей России.
Ассортимент:
- Манжета
- Сальник МАЗ, КАМАЗ, УАЗ, ВАЗ, ЯМЗ
- Сальник коленвала ГАЗ, ЗИЛ, КАМАЗ, ЯМЗ
- Колпачок

Сальники CAVETTO производятся из материала Viton® c учетом всех современных требований к качественным запчастям.
Материал Viton®, запатентованный компанией DuPont отличают: высокая химическая стойкость; устойчивость к повышенным температурам; отличные физико-механические свойства.
Финишная лазерная обработка придает кромкам идеальную геометрическую форму, обеспечивающую высокую герметичность валов и ступиц во всех режимах работы. Продукция CAVETTO соответствует требованиям технического регламента ТС (ТР ТС 018/2011), что подтверждено сертификатом.
Ассортимент:
- Сальники коленвала
- Сальники КПП
- Сальники оси
- Сальники ступицы
- Сальники хвостовика
- Кольца уплотнительные редуктора
- Колпачки маслоотражательные (маслосъемные)
На складах : 3262 шт.

Сальники CAVETTO производятся из материала Viton® c учетом всех современных требований к качественным запчастям.
Материал Viton®, запатентованный компанией DuPont отличают: высокая химическая стойкость; устойчивость к повышенным температурам; отличные физико-механические свойства.
Финишная лазерная обработка придает кромкам идеальную геометрическую форму, обеспечивающую высокую герметичность валов и ступиц во всех режимах работы. Продукция CAVETTO соответствует требованиям технического регламента ТС (ТР ТС 018/2011), что подтверждено сертификатом.
Ассортимент:
- Сальники коленвала
- Сальники КПП
- Сальники оси
- Сальники ступицы
- Сальники хвостовика
- Кольца уплотнительные редуктора
- Колпачки маслоотражательные (маслосъемные)

ПАО "Автодизель" (Ярославский моторный завод) - одно из старейших предприятий российского автомобилестроения. В 1920 - 50-е годы был освоен выпуск первых в стране 3-12-тонных автомобилей, самосвалов, троллейбусов, автобусов, автомобильных дизельных двигателей.
С 1958 г. Ярославский моторный завод специализируется на разработке и производстве дизельных силовых агрегатов многоцелевого назначения и является признанным лидером отечественного двигателестроения.
На сегодняшний день Ярославский моторный завод (ПАО «Автодизель») является крупнейшим российским предприятием, специализирующимся на производстве дизельных двигателей многоцелевого назначения, сцеплений, коробок передач, запасных частей к ним, а также стационарных агрегатов на базе дизелей ЯМЗ.
Ярославские двигатели нашли применение более чем на 300 видах изделий производства ведущих предприятий России, Белоруссии, Украины. Они устанавливаются на автомобили, магистральные автопоезда, карьерные самосвалы, аэродромные тягачи, зерно-уборочные комбайны, лесовозы, экскаваторы, автобусы, а также на дизель-электрические станции и агрегаты.
Основные потребители: ОАО «МАЗ», ОАО «Автомобильный завод «Урал», ООО «ЛиАЗ», ХК «АвтоКрАЗ», РУПП «БелАЗ», ОАО «Электроагрегат» (Курск) и другие. Широкое применение двигатели ЯМЗ находят на специализированной технике Министерства обороны РФ.
"АвтоАльянс" является официальным дилером ПАО «Автодизель» (ЯМЗ) уже много лет и обеспечивает потребителей полным перечнем продукции завода. От запчастей до двигателей в сборе.
Борьба с контрафактом
ПАО "Автодизель" (Ярославский моторный завод) тщательно следит за высоким качеством продукции, а так же проводит комплекс активных мероприятий для борьбы с контрафактными предложениями на рынке. Для противодействия распространению контрафакта на официальном сайте завода создан раздел ЯМЗ/ЯЗДА. Защита от контрафакта, в котором размещена информация о конкурентных преимуществах оригинальной продукции, о рисках и угрозах использования альтернативной продукции ненадлежащего качества, а также доступна опция проверки оригинальности продукции ЯМЗ.

ПАО "Автодизель" (Ярославский моторный завод) - одно из старейших предприятий российского автомобилестроения. В 1920 - 50-е годы был освоен выпуск первых в стране 3-12-тонных автомобилей, самосвалов, троллейбусов, автобусов, автомобильных дизельных двигателей.
С 1958 г. Ярославский моторный завод специализируется на разработке и производстве дизельных силовых агрегатов многоцелевого назначения и является признанным лидером отечественного двигателестроения.
На сегодняшний день Ярославский моторный завод (ПАО «Автодизель») является крупнейшим российским предприятием, специализирующимся на производстве дизельных двигателей многоцелевого назначения, сцеплений, коробок передач, запасных частей к ним, а также стационарных агрегатов на базе дизелей ЯМЗ.
Ярославские двигатели нашли применение более чем на 300 видах изделий производства ведущих предприятий России, Белоруссии, Украины. Они устанавливаются на автомобили, магистральные автопоезда, карьерные самосвалы, аэродромные тягачи, зерно-уборочные комбайны, лесовозы, экскаваторы, автобусы, а также на дизель-электрические станции и агрегаты.
Основные потребители: ОАО «МАЗ», ОАО «Автомобильный завод «Урал», ООО «ЛиАЗ», ХК «АвтоКрАЗ», РУПП «БелАЗ», ОАО «Электроагрегат» (Курск) и другие. Широкое применение двигатели ЯМЗ находят на специализированной технике Министерства обороны РФ.
"АвтоАльянс" является официальным дилером ПАО «Автодизель» (ЯМЗ) уже много лет и обеспечивает потребителей полным перечнем продукции завода. От запчастей до двигателей в сборе.
Борьба с контрафактом
ПАО "Автодизель" (Ярославский моторный завод) тщательно следит за высоким качеством продукции, а так же проводит комплекс активных мероприятий для борьбы с контрафактными предложениями на рынке. Для противодействия распространению контрафакта на официальном сайте завода создан раздел ЯМЗ/ЯЗДА. Защита от контрафакта, в котором размещена информация о конкурентных преимуществах оригинальной продукции, о рисках и угрозах использования альтернативной продукции ненадлежащего качества, а также доступна опция проверки оригинальности продукции ЯМЗ.

ПАО "Автодизель" (Ярославский моторный завод) - одно из старейших предприятий российского автомобилестроения. В 1920 - 50-е годы был освоен выпуск первых в стране 3-12-тонных автомобилей, самосвалов, троллейбусов, автобусов, автомобильных дизельных двигателей.
С 1958 г. Ярославский моторный завод специализируется на разработке и производстве дизельных силовых агрегатов многоцелевого назначения и является признанным лидером отечественного двигателестроения.
На сегодняшний день Ярославский моторный завод (ПАО «Автодизель») является крупнейшим российским предприятием, специализирующимся на производстве дизельных двигателей многоцелевого назначения, сцеплений, коробок передач, запасных частей к ним, а также стационарных агрегатов на базе дизелей ЯМЗ.
Ярославские двигатели нашли применение более чем на 300 видах изделий производства ведущих предприятий России, Белоруссии, Украины. Они устанавливаются на автомобили, магистральные автопоезда, карьерные самосвалы, аэродромные тягачи, зерно-уборочные комбайны, лесовозы, экскаваторы, автобусы, а также на дизель-электрические станции и агрегаты.
Основные потребители: ОАО «МАЗ», ОАО «Автомобильный завод «Урал», ООО «ЛиАЗ», ХК «АвтоКрАЗ», РУПП «БелАЗ», ОАО «Электроагрегат» (Курск) и другие. Широкое применение двигатели ЯМЗ находят на специализированной технике Министерства обороны РФ.
"АвтоАльянс" является официальным дилером ПАО «Автодизель» (ЯМЗ) уже много лет и обеспечивает потребителей полным перечнем продукции завода. От запчастей до двигателей в сборе.
Борьба с контрафактом
ПАО "Автодизель" (Ярославский моторный завод) тщательно следит за высоким качеством продукции, а так же проводит комплекс активных мероприятий для борьбы с контрафактными предложениями на рынке. Для противодействия распространению контрафакта на официальном сайте завода создан раздел ЯМЗ/ЯЗДА. Защита от контрафакта, в котором размещена информация о конкурентных преимуществах оригинальной продукции, о рисках и угрозах использования альтернативной продукции ненадлежащего качества, а также доступна опция проверки оригинальности продукции ЯМЗ.

ПАО "Автодизель" (Ярославский моторный завод) - одно из старейших предприятий российского автомобилестроения. В 1920 - 50-е годы был освоен выпуск первых в стране 3-12-тонных автомобилей, самосвалов, троллейбусов, автобусов, автомобильных дизельных двигателей.
С 1958 г. Ярославский моторный завод специализируется на разработке и производстве дизельных силовых агрегатов многоцелевого назначения и является признанным лидером отечественного двигателестроения.
На сегодняшний день Ярославский моторный завод (ПАО «Автодизель») является крупнейшим российским предприятием, специализирующимся на производстве дизельных двигателей многоцелевого назначения, сцеплений, коробок передач, запасных частей к ним, а также стационарных агрегатов на базе дизелей ЯМЗ.
Ярославские двигатели нашли применение более чем на 300 видах изделий производства ведущих предприятий России, Белоруссии, Украины. Они устанавливаются на автомобили, магистральные автопоезда, карьерные самосвалы, аэродромные тягачи, зерно-уборочные комбайны, лесовозы, экскаваторы, автобусы, а также на дизель-электрические станции и агрегаты.
Основные потребители: ОАО «МАЗ», ОАО «Автомобильный завод «Урал», ООО «ЛиАЗ», ХК «АвтоКрАЗ», РУПП «БелАЗ», ОАО «Электроагрегат» (Курск) и другие. Широкое применение двигатели ЯМЗ находят на специализированной технике Министерства обороны РФ.
"АвтоАльянс" является официальным дилером ПАО «Автодизель» (ЯМЗ) уже много лет и обеспечивает потребителей полным перечнем продукции завода. От запчастей до двигателей в сборе.
Борьба с контрафактом
ПАО "Автодизель" (Ярославский моторный завод) тщательно следит за высоким качеством продукции, а так же проводит комплекс активных мероприятий для борьбы с контрафактными предложениями на рынке. Для противодействия распространению контрафакта на официальном сайте завода создан раздел ЯМЗ/ЯЗДА. Защита от контрафакта, в котором размещена информация о конкурентных преимуществах оригинальной продукции, о рисках и угрозах использования альтернативной продукции ненадлежащего качества, а также доступна опция проверки оригинальности продукции ЯМЗ.

Компания "Русский Двигатель" была основана в 2005 году в Ярославле и почти сразу завоевала доверие со стороны производителей двигателей. Предприятие имеет собственное производство и выпускает более 300 видов прокладок и 150 видов ремкомплектов на обширном станочном парке. Для создания прокладок «Русский двигатель» использует паронит заводского изготовления, а так же занимается индивидуальной разработкой штампов и запуском новых товаров. Компания является поставщиком паронитовых прокладок на конвейеры Ярославского Моторного Завода (Автодизель), ЯрДизель Аппаратуры, ОАО "Карачаевский механический завод", Ногинского завода топливной аппаратуры, Тутаевского Моторного Завода, Ярославского Завода Топливной Аппаратуры.
На складах : 18 шт.

Компания "Русский Двигатель" была основана в 2005 году в Ярославле и почти сразу завоевала доверие со стороны производителей двигателей. Предприятие имеет собственное производство и выпускает более 300 видов прокладок и 150 видов ремкомплектов на обширном станочном парке. Для создания прокладок «Русский двигатель» использует паронит заводского изготовления, а так же занимается индивидуальной разработкой штампов и запуском новых товаров. Компания является поставщиком паронитовых прокладок на конвейеры Ярославского Моторного Завода (Автодизель), ЯрДизель Аппаратуры, ОАО "Карачаевский механический завод", Ногинского завода топливной аппаратуры, Тутаевского Моторного Завода, Ярославского Завода Топливной Аппаратуры.

Компания "Русский Двигатель" была основана в 2005 году в Ярославле и почти сразу завоевала доверие со стороны производителей двигателей. Предприятие имеет собственное производство и выпускает более 300 видов прокладок и 150 видов ремкомплектов на обширном станочном парке. Для создания прокладок «Русский двигатель» использует паронит заводского изготовления, а так же занимается индивидуальной разработкой штампов и запуском новых товаров. Компания является поставщиком паронитовых прокладок на конвейеры Ярославского Моторного Завода (Автодизель), ЯрДизель Аппаратуры, ОАО "Карачаевский механический завод", Ногинского завода топливной аппаратуры, Тутаевского Моторного Завода, Ярославского Завода Топливной Аппаратуры.

Компания "Русский Двигатель" была основана в 2005 году в Ярославле и почти сразу завоевала доверие со стороны производителей двигателей. Предприятие имеет собственное производство и выпускает более 300 видов прокладок и 150 видов ремкомплектов на обширном станочном парке. Для создания прокладок «Русский двигатель» использует паронит заводского изготовления, а так же занимается индивидуальной разработкой штампов и запуском новых товаров. Компания является поставщиком паронитовых прокладок на конвейеры Ярославского Моторного Завода (Автодизель), ЯрДизель Аппаратуры, ОАО "Карачаевский механический завод", Ногинского завода топливной аппаратуры, Тутаевского Моторного Завода, Ярославского Завода Топливной Аппаратуры.

Компания "Русский Двигатель" была основана в 2005 году в Ярославле и почти сразу завоевала доверие со стороны производителей двигателей. Предприятие имеет собственное производство и выпускает более 300 видов прокладок и 150 видов ремкомплектов на обширном станочном парке. Для создания прокладок «Русский двигатель» использует паронит заводского изготовления, а так же занимается индивидуальной разработкой штампов и запуском новых товаров. Компания является поставщиком паронитовых прокладок на конвейеры Ярославского Моторного Завода (Автодизель), ЯрДизель Аппаратуры, ОАО "Карачаевский механический завод", Ногинского завода топливной аппаратуры, Тутаевского Моторного Завода, Ярославского Завода Топливной Аппаратуры.
На складах : 16 шт.

Компания "Русский Двигатель" была основана в 2005 году в Ярославле и почти сразу завоевала доверие со стороны производителей двигателей. Предприятие имеет собственное производство и выпускает более 300 видов прокладок и 150 видов ремкомплектов на обширном станочном парке. Для создания прокладок «Русский двигатель» использует паронит заводского изготовления, а так же занимается индивидуальной разработкой штампов и запуском новых товаров. Компания является поставщиком паронитовых прокладок на конвейеры Ярославского Моторного Завода (Автодизель), ЯрДизель Аппаратуры, ОАО "Карачаевский механический завод", Ногинского завода топливной аппаратуры, Тутаевского Моторного Завода, Ярославского Завода Топливной Аппаратуры.

Автомобильный концерн ГАЗ является одним из ведущих производителей в России. Компания предлагает запчасти для всех своих моделей автомобилей, а также поставляет комплектующие и сопутствующие товары на рынок автокомпонентов.
Преимущества автозапчастей ГАЗ заключаются в заметном качестве и надежности продукции, а также в доступных ценах. Благодаря использованию современных технологий и высококвалифицированному персоналу, ГАЗ гарантирует соответствующие характеристики продукции.
Все запчасти и компоненты проходят строгий контроль качества на каждом из этапов производства и подвергаются испытаниям в специальных лабораториях. Это обеспечивает стабильную работу и долговечность продукции ГАЗ. Детали производятся с использованием современных технологий и проверенных материалов. Это обеспечивает высокую производительность и безопасность автомобилей, а также улучшенный комфорт во время эксплуатации.
Компания предлагает широкий ассортимент запчастей для различных моделей автомобилей, а также для транспортных средств других марок. Все изделия имеют сертификаты соответствия и гарантию на производственные дефекты.
Кроме того, ГАЗ постоянно совершенствует свои продукты и осваивает новые рынки, чтобы удовлетворить даже самые неожиданные потребности своих клиентов. Все это выгодно выделяет автозапчасти и автокомпоненты ГАЗ в глазах покупателей, как в России, так и за ее пределами.
Ассортимент:
- Двигатели и их компоненты, такие как поршни, кольца, клапаны и т.д.
- Трансмиссия, включая коробки передач и дифференциалы.
- Системы выхлопа, включая глушители, катализаторы и трубы.
- Рулевое управление, включая рулевые рейки и насосы гидроусилителя руля.
- Подвеска, включая амортизаторы, пружины, рычаги и шаровые опоры.
- Тормозные системы, включая тормозные колодки, диски и суппорты.
- Электроника, включая стартеры, генераторы, аккумуляторы и свечи зажигания.
- Кузовные запчасти, включая крылья, двери, бамперы и фары.
На складах : 124 шт.

Автомобильный концерн ГАЗ является одним из ведущих производителей в России. Компания предлагает запчасти для всех своих моделей автомобилей, а также поставляет комплектующие и сопутствующие товары на рынок автокомпонентов.
Преимущества автозапчастей ГАЗ заключаются в заметном качестве и надежности продукции, а также в доступных ценах. Благодаря использованию современных технологий и высококвалифицированному персоналу, ГАЗ гарантирует соответствующие характеристики продукции.
Все запчасти и компоненты проходят строгий контроль качества на каждом из этапов производства и подвергаются испытаниям в специальных лабораториях. Это обеспечивает стабильную работу и долговечность продукции ГАЗ. Детали производятся с использованием современных технологий и проверенных материалов. Это обеспечивает высокую производительность и безопасность автомобилей, а также улучшенный комфорт во время эксплуатации.
Компания предлагает широкий ассортимент запчастей для различных моделей автомобилей, а также для транспортных средств других марок. Все изделия имеют сертификаты соответствия и гарантию на производственные дефекты.
Кроме того, ГАЗ постоянно совершенствует свои продукты и осваивает новые рынки, чтобы удовлетворить даже самые неожиданные потребности своих клиентов. Все это выгодно выделяет автозапчасти и автокомпоненты ГАЗ в глазах покупателей, как в России, так и за ее пределами.
Ассортимент:
- Двигатели и их компоненты, такие как поршни, кольца, клапаны и т.д.
- Трансмиссия, включая коробки передач и дифференциалы.
- Системы выхлопа, включая глушители, катализаторы и трубы.
- Рулевое управление, включая рулевые рейки и насосы гидроусилителя руля.
- Подвеска, включая амортизаторы, пружины, рычаги и шаровые опоры.
- Тормозные системы, включая тормозные колодки, диски и суппорты.
- Электроника, включая стартеры, генераторы, аккумуляторы и свечи зажигания.
- Кузовные запчасти, включая крылья, двери, бамперы и фары.

"Завод Красная Этна" уже более 110 лет производит крепёжные изделия и пружины для автомобильной промышленности. История завода начинается с 24 декабря 1898 года, когда по положению Комитета Министров Николай Второй разрешает Виктору Михайловичу Гольденбергу и германскому подданному Петру Ивановичу Мартини учредить "Акционерное Общество Рижского металлического завода "Этна". С 1904 года по 1915 год на Рижском металлическом заводе работали цеха: гвоздильный, горячепрокатный, цепочный, травильный, отжигательный, волочильный. Продукция завода была востребована в России, Прибалтике и за рубежом. В годы первой мировой войны завод был эвакуирован из Риги в Нижний Новгород. С этого момента для завода начинается новая история. Во время войны "Завод Красная Этна" обеспечивал своей продукцией фронт. На заводе начался выпуск минных цепей, гвоздей к солдатским сапогам, колючей проволоки, пряжек к ружьям и карабинов, а также другой продукции для нужд фронта и населения России. С 1916 года по 1918 год происходит национализация завода и смена учредителей. Завод стал именоваться, как Акционерное общество Нижегородского металлического завода "Новая Этна". С приходом советской власти на заводе сменилось название на "Красная Этна" и были запущены: электростанция, прокатный цех, цех тонкого волочения и болтозаклепочный цех. В 1925 в структуру завода вливается предприятие с парком металлорежущего оборудования. В этом же году, на базе влившегося предприятия, создаются инструментальный и механический цеха, а также лесопильно-ящичный цех. В начале 30х, организовано строительство Горьковского автомобильного завода, который оказал большое влияние на развитие и деятельность предприятия. "Красная Этна" переходит на выпуск изделий высокого класса точности и включается в обслуживание автомобильной промышленности страны. К началу Великой Отечественной войны, реконструированный завод представлял собой крупное предприятие автомобильной промышленности, которое специализировалось на выпуске: специальной проволоки, пружин, шайб, холоднокатаной ленты и автонормалей. Во время Второй Мировой войны завод бесперебойно снабжал фронт боеприпасами. С 1941 года по 1943 год на заводе работало 996 человек. В послевоенное время завод стал активно развиваться. В дальнейшем на заводе были реконструированы цеха и освоено новое производство, создано собственное станкостроение и автоматические линии, выстроен инженерный корпус и здание очистных сооружений. Организовано производство проката и пружин, а также стержневого крепежа. Создан важнейший отдел обеспечения качеством. На сегодняшний день ОАО "Завод Красная Этна" представляет собой современное, динамично-развивающееся предприятие, специализирующееся на производстве крепежных изделий для автомобильной промышленности. Продукция завода поставляется на крупнейшие предприятия России, стран СНГ и дальнего зарубежья. Продукция предприятия соответствует международным системам качества ИСО 9001-2000 и ISO/TS 16949:2002. Продукция завода прошла проверку аудиторами TUV CERT (Германия) и национальной системой ГОСТ Р. Номенклатура предприятия насчитывает более 2,5 тысячи видов крепёжных изделий, в том числе соответствующих стандарту DIN. Компания "АвтоАльянс" предлагает оригинальную продукцию производства ОАО "Завод Красная Этна". В ассортименте представлен широкий перечень продукции завода: винты различных конструкций, пружины, стремянки, шайбы, гайки, шпильки, заклепки, штуцеры, оси, пробки и пластины, а также всевозможный крепёж к различным автомобилям.
На складах : 426 шт.

"Завод Красная Этна" уже более 110 лет производит крепёжные изделия и пружины для автомобильной промышленности. История завода начинается с 24 декабря 1898 года, когда по положению Комитета Министров Николай Второй разрешает Виктору Михайловичу Гольденбергу и германскому подданному Петру Ивановичу Мартини учредить "Акционерное Общество Рижского металлического завода "Этна". С 1904 года по 1915 год на Рижском металлическом заводе работали цеха: гвоздильный, горячепрокатный, цепочный, травильный, отжигательный, волочильный. Продукция завода была востребована в России, Прибалтике и за рубежом. В годы первой мировой войны завод был эвакуирован из Риги в Нижний Новгород. С этого момента для завода начинается новая история. Во время войны "Завод Красная Этна" обеспечивал своей продукцией фронт. На заводе начался выпуск минных цепей, гвоздей к солдатским сапогам, колючей проволоки, пряжек к ружьям и карабинов, а также другой продукции для нужд фронта и населения России. С 1916 года по 1918 год происходит национализация завода и смена учредителей. Завод стал именоваться, как Акционерное общество Нижегородского металлического завода "Новая Этна". С приходом советской власти на заводе сменилось название на "Красная Этна" и были запущены: электростанция, прокатный цех, цех тонкого волочения и болтозаклепочный цех. В 1925 в структуру завода вливается предприятие с парком металлорежущего оборудования. В этом же году, на базе влившегося предприятия, создаются инструментальный и механический цеха, а также лесопильно-ящичный цех. В начале 30х, организовано строительство Горьковского автомобильного завода, который оказал большое влияние на развитие и деятельность предприятия. "Красная Этна" переходит на выпуск изделий высокого класса точности и включается в обслуживание автомобильной промышленности страны. К началу Великой Отечественной войны, реконструированный завод представлял собой крупное предприятие автомобильной промышленности, которое специализировалось на выпуске: специальной проволоки, пружин, шайб, холоднокатаной ленты и автонормалей. Во время Второй Мировой войны завод бесперебойно снабжал фронт боеприпасами. С 1941 года по 1943 год на заводе работало 996 человек. В послевоенное время завод стал активно развиваться. В дальнейшем на заводе были реконструированы цеха и освоено новое производство, создано собственное станкостроение и автоматические линии, выстроен инженерный корпус и здание очистных сооружений. Организовано производство проката и пружин, а также стержневого крепежа. Создан важнейший отдел обеспечения качеством. На сегодняшний день ОАО "Завод Красная Этна" представляет собой современное, динамично-развивающееся предприятие, специализирующееся на производстве крепежных изделий для автомобильной промышленности. Продукция завода поставляется на крупнейшие предприятия России, стран СНГ и дальнего зарубежья. Продукция предприятия соответствует международным системам качества ИСО 9001-2000 и ISO/TS 16949:2002. Продукция завода прошла проверку аудиторами TUV CERT (Германия) и национальной системой ГОСТ Р. Номенклатура предприятия насчитывает более 2,5 тысячи видов крепёжных изделий, в том числе соответствующих стандарту DIN. Компания "АвтоАльянс" предлагает оригинальную продукцию производства ОАО "Завод Красная Этна". В ассортименте представлен широкий перечень продукции завода: винты различных конструкций, пружины, стремянки, шайбы, гайки, шпильки, заклепки, штуцеры, оси, пробки и пластины, а также всевозможный крепёж к различным автомобилям.

Компания "Русский Двигатель" была основана в 2005 году в Ярославле и почти сразу завоевала доверие со стороны производителей двигателей. Предприятие имеет собственное производство и выпускает более 300 видов прокладок и 150 видов ремкомплектов на обширном станочном парке. Для создания прокладок «Русский двигатель» использует паронит заводского изготовления, а так же занимается индивидуальной разработкой штампов и запуском новых товаров. Компания является поставщиком паронитовых прокладок на конвейеры Ярославского Моторного Завода (Автодизель), ЯрДизель Аппаратуры, ОАО "Карачаевский механический завод", Ногинского завода топливной аппаратуры, Тутаевского Моторного Завода, Ярославского Завода Топливной Аппаратуры.

Компания "Русский Двигатель" была основана в 2005 году в Ярославле и почти сразу завоевала доверие со стороны производителей двигателей. Предприятие имеет собственное производство и выпускает более 300 видов прокладок и 150 видов ремкомплектов на обширном станочном парке. Для создания прокладок «Русский двигатель» использует паронит заводского изготовления, а так же занимается индивидуальной разработкой штампов и запуском новых товаров. Компания является поставщиком паронитовых прокладок на конвейеры Ярославского Моторного Завода (Автодизель), ЯрДизель Аппаратуры, ОАО "Карачаевский механический завод", Ногинского завода топливной аппаратуры, Тутаевского Моторного Завода, Ярославского Завода Топливной Аппаратуры.