C 9:00 до 20:00. Звонок по РФ бесплатный

0.270(01) ­ ENGINE OIL DIPSTICK Бульдозер D350. Каталог 2010г.

ВниманиеЭлектронный автокаталог запчастей предназначен для справочных целей! Наша компания продает только те товары, у которых есть цены в списке.

Вид отображения:

Детали справа
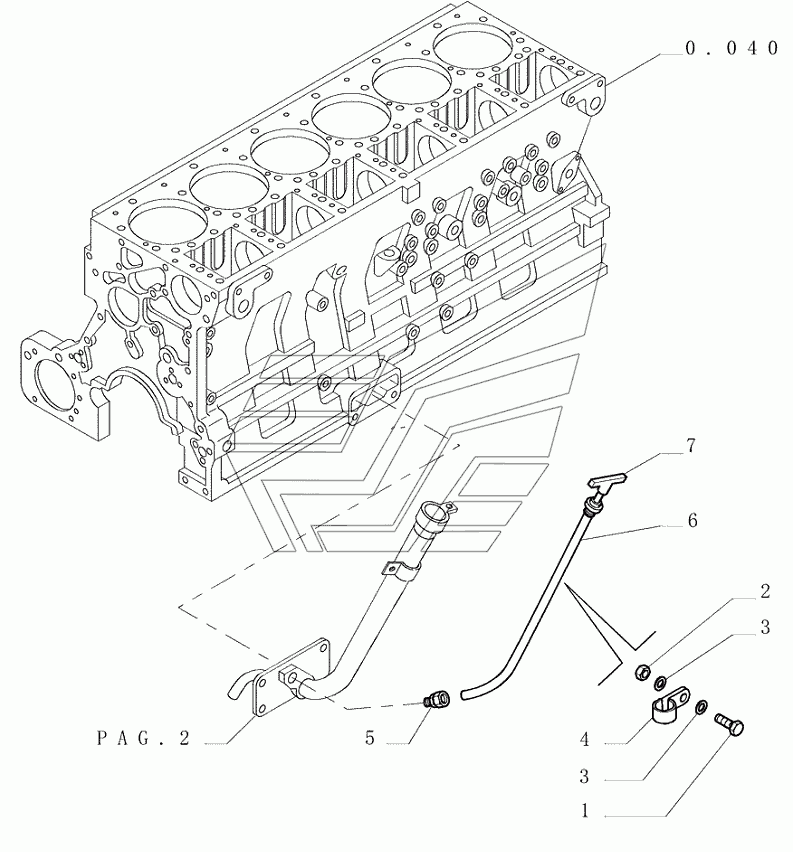
1
2
3
4
5
6
7
1

Номер детали на чертеже: 

1

Винт

Заводской номер: 76101585 Количество на модель: 1
76101585
1
2

Номер детали на чертеже: 

2

Гайка

Заводской номер: 76101627 Количество на модель: 1
76101627
1
3

Номер детали на чертеже: 

3

Плоская шайба

Заводской номер: 76101655 Количество на модель: 2
76101655
2
4

Номер детали на чертеже: 

4

Втулка

Заводской номер: 76101738 Количество на модель: 1
76101738
1
5

Номер детали на чертеже: 

5

Гидравлический разъем

Заводской номер: 153648333 Количество на модель: 1
153648333
1
6

Номер детали на чертеже: 

6

Жесткая трубка

Заводской номер: 76195310 Количество на модель: 1
76195310
1
7

Номер детали на чертеже: 

7

Щуп

Заводской номер: 76195300 Количество на модель: 1
76195300
1