C 9:00 до 20:00. Звонок по РФ бесплатный

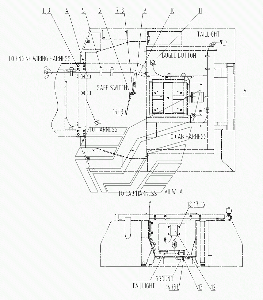
46C5563 FRAME WIRING CLG-B160. Каталог 2010г.

ВниманиеЭлектронный автокаталог запчастей предназначен для справочных целей! Наша компания продает только те товары, у которых есть цены в списке.

Вид отображения:

Детали справа
1
3
4
5
6
7
8
9
10
11
12
13
14
15
16
17
18
1

Номер детали на чертеже: 

1

BOLT

Заводской номер: 00B0236 Количество на модель: 2
00B0236
2
3

Номер детали на чертеже: 

3

Washer

Заводской номер: 06B0396 Количество на модель: 5
06B0396
5
4

Номер детали на чертеже: 

4

Хомут

Заводской номер: 20A1854 Количество на модель: 10
20A1854
10
5

Номер детали на чертеже: 

5

Хомут

Заводской номер: 37B0004 Количество на модель: 20
37B0004
20
6

Номер детали на чертеже: 

6

Swich holder

Заводской номер: 22C0568 Количество на модель: 1
22C0568
1
7

Номер детали на чертеже: 

7

Шайба

Заводской номер: 06B0022 Количество на модель: 2
06B0022
2
8

Номер детали на чертеже: 

8

Винт

Заводской номер: 04B0341 Количество на модель: 2
04B0341
2
9

Номер детали на чертеже: 

9

Limit switch

Заводской номер: 34B0582 Количество на модель: 1
34B0582
1
10

Номер детали на чертеже: 

10

Harness

Заводской номер: 08C2944 Количество на модель: 1
08C2944
1
11

Номер детали на чертеже: 

11

Key

Заводской номер: 34B0581 Количество на модель: 1
34B0581
1
12

Номер детали на чертеже: 

12

Relay

Заводской номер: 46C3439 Количество на модель: 1
46C3439
1
13

Номер детали на чертеже: 

13

Болт

Заводской номер: 05B0072 Количество на модель: 1
05B0072
1
14

Номер детали на чертеже: 

14

Гайка

Заводской номер: 03B0289 Количество на модель: 1
03B0289
1
15

Номер детали на чертеже: 

15

Bolt

Заводской номер: 00B0524 Количество на модель: 2
00B0524
2
16

Номер детали на чертеже: 

16

Bolt

Заводской номер: 00B0540 Количество на модель: 4
00B0540
4
17

Номер детали на чертеже: 

17

Washer

Заводской номер: 06B0395 Количество на модель: 8
06B0395
8
18

Номер детали на чертеже: 

18

Гайка

Заводской номер: 03B0087 Количество на модель: 4
03B0087
4