8 800 700-05-95 Все контакты

C 9:00 до 20:00. Звонок по РФ бесплатный

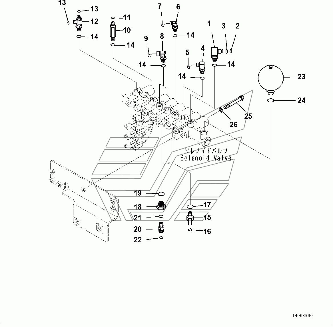
Solenoid Valve, Related Parts (#80001-) PC300LC-8MO. Каталог 2010г.

ВниманиеЭлектронный автокаталог запчастей предназначен для справочных целей! Наша компания продает только те товары, у которых есть цены в списке.

Вид отображения:

Детали справа
1

Номер детали на чертеже: 

1

ELBOW

Заводской номер: 20Y-62-22271 Количество на модель: 1
20Y-62-22271
1
2

Номер детали на чертеже: 

2

O-RING

Заводской номер: 201-60-11390 Количество на модель: 1
201-60-11390
1
3

Номер детали на чертеже: 

3

O-RING

Заводской номер: 20Y-62-19560 Количество на модель: 1
20Y-62-19560
1
4

Номер детали на чертеже: 

4

Elbow

Заводской номер: 207-62-72120 Количество на модель: 1
207-62-72120
1
5

Номер детали на чертеже: 

5

O-RING

Заводской номер: 02896-11008 Количество на модель: 1
02896-11008
1
6

Номер детали на чертеже: 

6

ELBOW

Заводской номер: 11Y-62-12160 Количество на модель: 1
11Y-62-12160
1
8

Номер детали на чертеже: 

8

ELBOW

Заводской номер: 21W-62-42490 Количество на модель: 2
21W-62-42490
2
9

Номер детали на чертеже: 

9

O-RING

Заводской номер: 02896-11009 Количество на модель: 2
02896-11009
2
10

Номер детали на чертеже: 

10

Union

Заводской номер: 11Y-62-12230 Количество на модель: 1
11Y-62-12230
1
12

Номер детали на чертеже: 

12

ELBOW

Заводской номер: 11Y-62-12330 Количество на модель: 1
11Y-62-12330
1
14

Номер детали на чертеже: 

14

O-RING

Заводской номер: 07002-11423 Количество на модель: 7
07002-11423
7
15

Номер детали на чертеже: 

15

UNION

Заводской номер: 02781-00422 Количество на модель: 1
02781-00422
1
16

Номер детали на чертеже: 

16

O-RING

Заводской номер: 02896-11012 Количество на модель: 1
02896-11012
1
17

Номер детали на чертеже: 

17

O-RING

Заводской номер: 07002-12034 Количество на модель: 1
07002-12034
1
18

Номер детали на чертеже: 

18

FILTER ASS'Y

Заводской номер: 20Y-62-21940 Количество на модель: 1
20Y-62-21940
1
20

Номер детали на чертеже: 

20

UNION

Заводской номер: 02781-0031D Количество на модель: 1
02781-0031D
1
23

Номер детали на чертеже: 

23

Accumulator

Заводской номер: 22U-60-21331 Количество на модель: 1
22U-60-21331
1
23

Номер детали на чертеже: 

23

ACCUMULATOR

Заводской номер: 22U-60-21330 Количество на модель: 1
22U-60-21330
1
25

Номер детали на чертеже: 

25

BOLT

Заводской номер: 01010-81090 Количество на модель: 2
01010-81090
2
26

Номер детали на чертеже: 

26

WASHER

Заводской номер: 01643-31032 Количество на модель: 2
01643-31032
2