C 9:00 до 20:00. Звонок по РФ бесплатный

Arm, Bucket Link (#80171-) PC300LC-8MO. Каталог 2010г.

ВниманиеЭлектронный автокаталог запчастей предназначен для справочных целей! Наша компания продает только те товары, у которых есть цены в списке.

Вид отображения:

Детали справа

Номер детали на чертеже: 

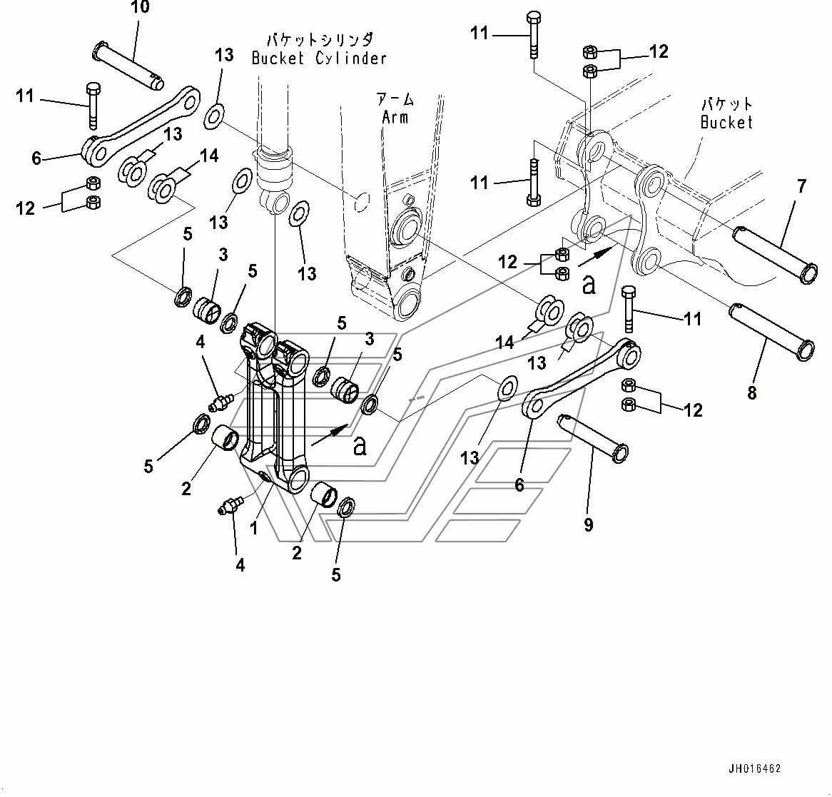
LINK ASS'Y

Заводской номер: 207-70-00480 Количество на модель: 1
207-70-00480
1
1

Номер детали на чертеже: 

1

Link

Заводской номер: Link Количество на модель: 1
Link
1
2

Номер детали на чертеже: 

2

BUSHING

Заводской номер: 207-70-33160 Количество на модель: 2
207-70-33160
2
4

Номер детали на чертеже: 

4

FITTING, GREASE

Заводской номер: 07020-00000 Количество на модель: 3
07020-00000
3
5

Номер детали на чертеже: 

5

SEAL

Заводской номер: 207-70-72120 Количество на модель: 6
207-70-72120
6
6

Номер детали на чертеже: 

6

LINK

Заводской номер: 207-70-33120 Количество на модель: 2
207-70-33120
2
7

Номер детали на чертеже: 

7

PIN

Заводской номер: 207-70-73210 Количество на модель: 1
207-70-73210
1
9

Номер детали на чертеже: 

9

PIN

Заводской номер: 207-70-33141 Количество на модель: 1
207-70-33141
1
11

Номер детали на чертеже: 

11

BOLT

Заводской номер: 208-70-73160 Количество на модель: 4
208-70-73160
4
12

Номер детали на чертеже: 

12

NUT

Заводской номер: 01580-12419 Количество на модель: 8
01580-12419
8
13

Номер детали на чертеже: 

13

SPACER¤ 0.8MM

Заводской номер: 207-70-24190 Количество на модель: 8
207-70-24190
8
14

Номер детали на чертеже: 

14

SPACER¤ 1.5MM

Заводской номер: 207-70-24210 Количество на модель: 4
207-70-24210
4