C 9:00 до 20:00. Звонок по РФ бесплатный

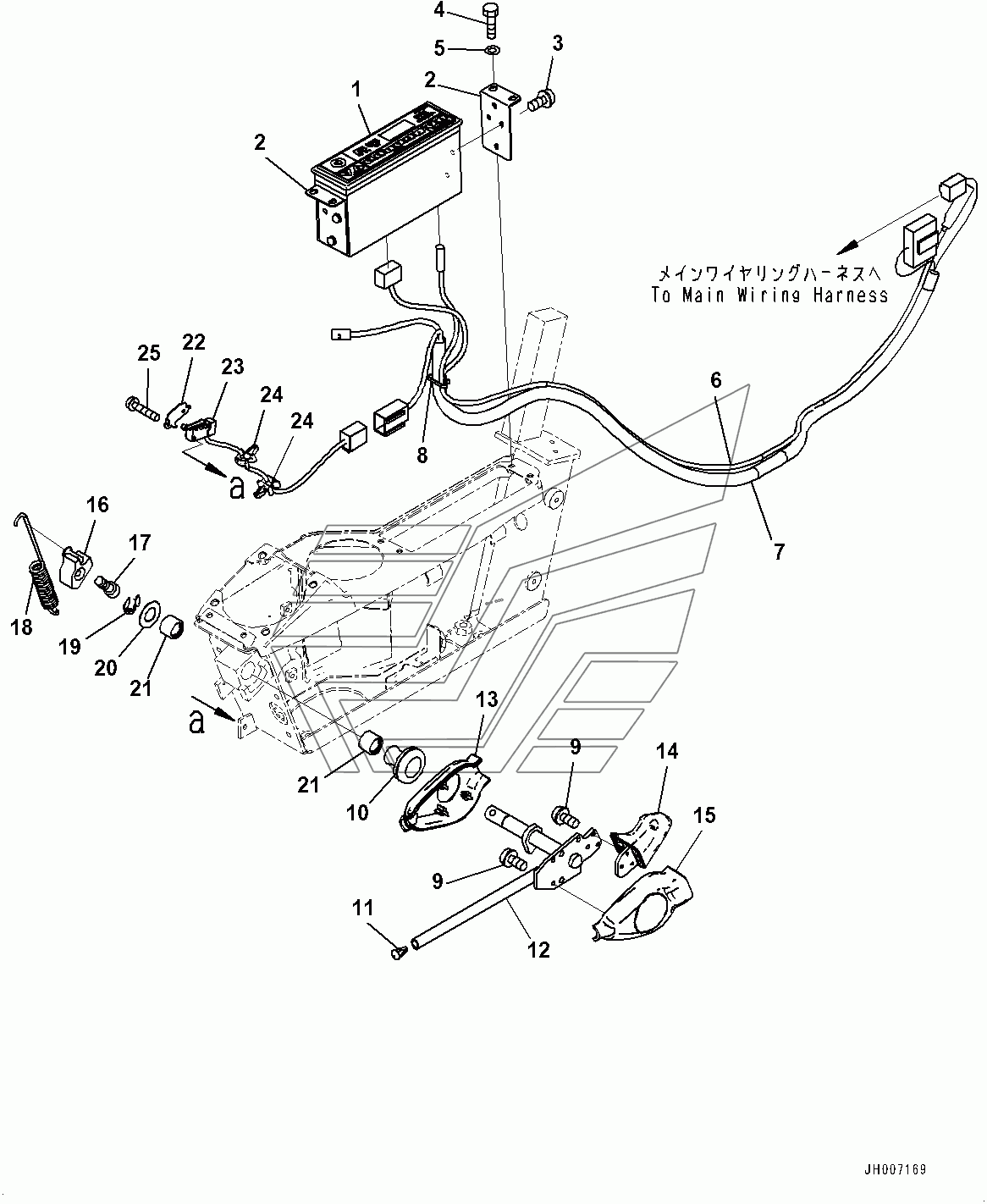
Cab, Floor, PPC Lock Lever and Radio (#400001-) PC200-8MO. Каталог 2010г.

ВниманиеЭлектронный автокаталог запчастей предназначен для справочных целей! Наша компания продает только те товары, у которых есть цены в списке.

Вид отображения:

Детали справа
1

Номер детали на чертеже: 

1

Radio

Заводской номер: 2A5-06-11922 Количество на модель: 1
2A5-06-11922
1
2

Номер детали на чертеже: 

2

Plate

Заводской номер: 20Y-43-42130 Количество на модель: 2
20Y-43-42130
2
3

Номер детали на чертеже: 

3

SCREW

Заводской номер: 01023-60510 Количество на модель: 6
01023-60510
6
4

Номер детали на чертеже: 

4

BOLT

Заводской номер: 01010-80616 Количество на модель: 4
01010-80616
4
5

Номер детали на чертеже: 

5

WASHER

Заводской номер: 01643-30623 Количество на модель: 4
01643-30623
4
6

Номер детали на чертеже: 

6

Cable

Заводской номер: 566-07-12151 Количество на модель: 1
566-07-12151
1
7

Номер детали на чертеже: 

7

Wiring Harness

Заводской номер: 20Y-06-16910 Количество на модель: 1
20Y-06-16910
1
8

Номер детали на чертеже: 

8

BAND

Заводской номер: 08034-20414 Количество на модель: 1
08034-20414
1
9

Номер детали на чертеже: 

9

SCREW

Заводской номер: 01023-60410 Количество на модель: 6
01023-60410
6
10

Номер детали на чертеже: 

10

GROMMET

Заводской номер: 08037-11425 Количество на модель: 1
08037-11425
1
11

Номер детали на чертеже: 

11

CAP

Заводской номер: 208-53-12280 Количество на модель: 1
208-53-12280
1
12

Номер детали на чертеже: 

12

LEVER

Заводской номер: 20Y-43-31513 Количество на модель: 1
20Y-43-31513
1
13

Номер детали на чертеже: 

13

COVER

Заводской номер: 20Y-43-31522 Количество на модель: 1
20Y-43-31522
1
14

Номер детали на чертеже: 

14

KNOB

Заводской номер: 20Y-43-31611 Количество на модель: 1
20Y-43-31611
1
15

Номер детали на чертеже: 

15

COVER

Заводской номер: 20Y-43-31621 Количество на модель: 1
20Y-43-31621
1
16

Номер детали на чертеже: 

16

CAM

Заводской номер: 20Y-43-31432 Количество на модель: 1
20Y-43-31432
1
17

Номер детали на чертеже: 

17

BOLT

Заводской номер: 01252-70816 Количество на модель: 1
01252-70816
1
18

Номер детали на чертеже: 

18

SPRING

Заводской номер: 20Y-43-31421 Количество на модель: 1
20Y-43-31421
1
19

Номер детали на чертеже: 

19

RING

Заводской номер: 20Y-43-31440 Количество на модель: 1
20Y-43-31440
1
20

Номер детали на чертеже: 

20

RING

Заводской номер: 20Y-43-31450 Количество на модель: 1
20Y-43-31450
1
21

Номер детали на чертеже: 

21

BEARING

Заводской номер: 06124-01616 Количество на модель: 2
06124-01616
2
22

Номер детали на чертеже: 

22

PLATE

Заводской номер: 22U-06-22490 Количество на модель: 1
22U-06-22490
1
23

Номер детали на чертеже: 

23

SWITCH ASS'Y

Заводской номер: 22U-06-22360 Количество на модель: 1
22U-06-22360
1
24

Номер детали на чертеже: 

24

CLIP

Заводской номер: 22U-43-23260 Количество на модель: 2
22U-43-23260
2
25

Номер детали на чертеже: 

25

SCREW

Заводской номер: 01023-60320 Количество на модель: 2
01023-60320
2