8 800 700-05-95 Все контакты

C 9:00 до 20:00. Звонок по РФ бесплатный

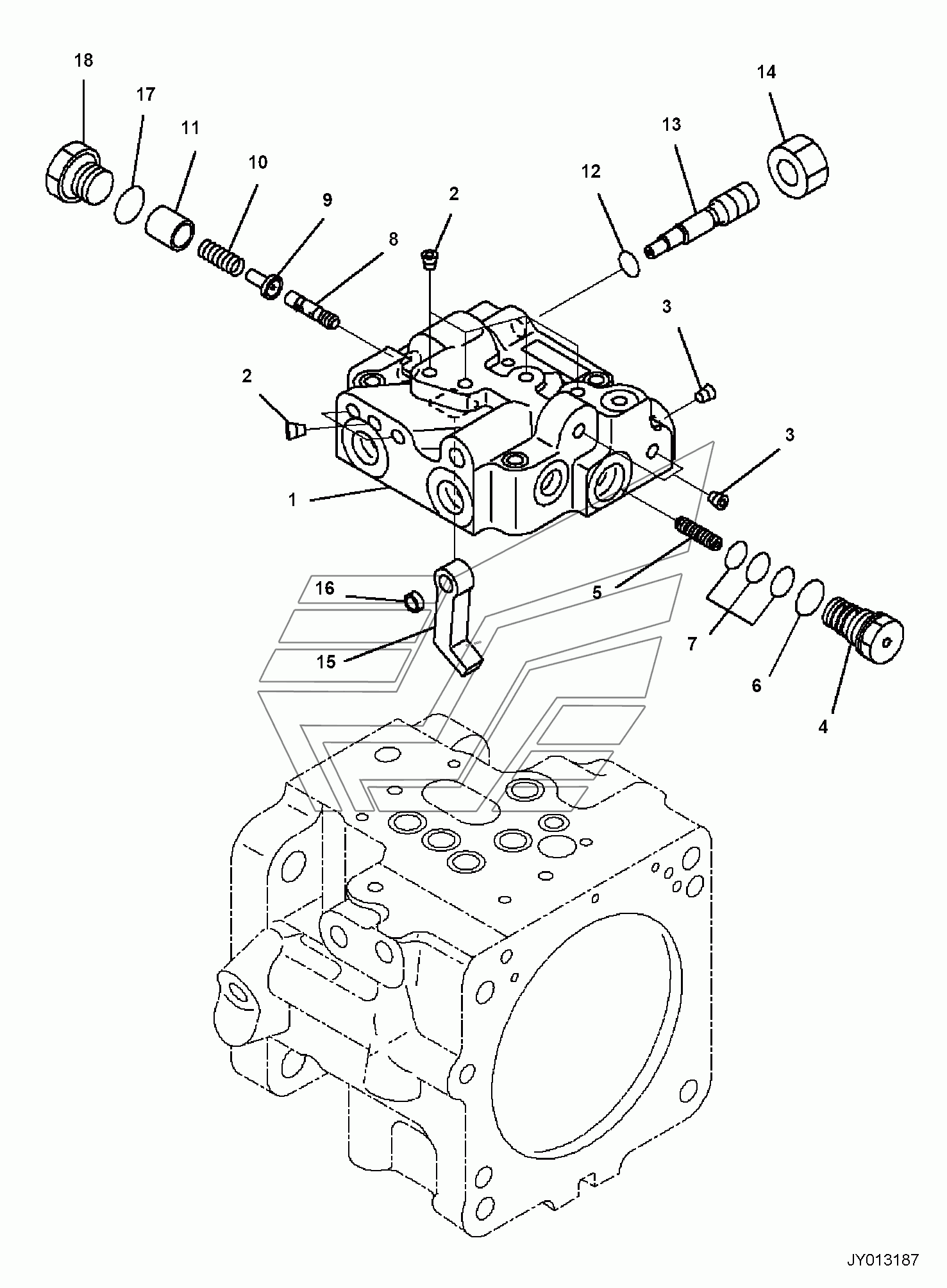
ENGINE UNIT, WITH AIR CONDITIONER, PISTON PUMP, INNER PARTS (3/6) PC55MR-3. Каталог 2010г.

ВниманиеЭлектронный автокаталог запчастей предназначен для справочных целей! Наша компания продает только те товары, у которых есть цены в списке.

Номер детали на чертеже: 

PUMP, ASSEMBLY

Заводской номер: 708-3S-00952 Количество на модель: 1
708-3S-00952
1

Номер детали на чертеже: 

VALVE ASSEMBLY

Заводской номер: 708-3S-03840 Количество на модель: 1
708-3S-03840
1

Номер детали на чертеже: 

BODY, ASSEMBLY

Заводской номер: BODY, ASSEMBLY Количество на модель: 1
BODY, ASSEMBLY
1

Номер детали на чертеже: 

PISTON, SUBASSEMBLY

Заводской номер: 708-3S-04140 Количество на модель: 1
708-3S-04140
1
1

Номер детали на чертеже: 

1

BODY, VALVE

Заводской номер: BODY Количество на модель: 1
BODY
1
2

Номер детали на чертеже: 

2

PLUG

Заводской номер: PLUG Количество на модель: 7
PLUG
7
4

Номер детали на чертеже: 

4

SLEEVE

Заводской номер: SLEEVE Количество на модель: 1
SLEEVE
1
5

Номер детали на чертеже: 

5

PISTON

Заводской номер: PISTON Количество на модель: 1
PISTON
1
6

Номер детали на чертеже: 

6

O-RING

Заводской номер: 07002-11623 Количество на модель: 1
07002-11623
1
7

Номер детали на чертеже: 

7

SEAL

Заводской номер: 708-3S-15390 Количество на модель: 3
708-3S-15390
3
8

Номер детали на чертеже: 

8

SPOOL

Заводской номер: SPOOL Количество на модель: 1
SPOOL
1
9

Номер детали на чертеже: 

9

SEAT, VALVE

Заводской номер: SEAT Количество на модель: 1
SEAT
1
10

Номер детали на чертеже: 

10

SPRING

Заводской номер: SPRING Количество на модель: 1
SPRING
1
11

Номер детали на чертеже: 

11

RETAINER

Заводской номер: RETAINER Количество на модель: 1
RETAINER
1
12

Номер детали на чертеже: 

12

O-RING

Заводской номер: O-RING Количество на модель: 1
O-RING
1
14

Номер детали на чертеже: 

14

NUT

Заводской номер: NUT Количество на модель: 1
NUT
1
15

Номер детали на чертеже: 

15

LEVER

Заводской номер: LEVER Количество на модель: 1
LEVER
1
16

Номер детали на чертеже: 

16

SPACER

Заводской номер: SPACER Количество на модель: 1
SPACER
1
18

Номер детали на чертеже: 

18

PLUG

Заводской номер: 708-1S-15290 Количество на модель: 1
708-1S-15290
1