8 800 700-05-95 Все контакты

C 9:00 до 20:00. Звонок по РФ бесплатный

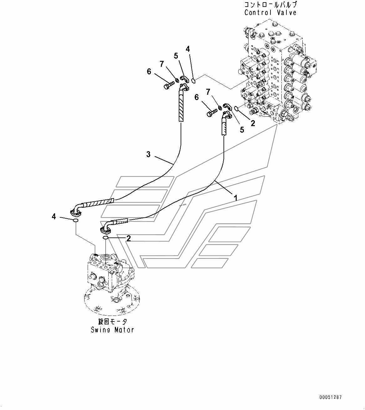
Swing Piping (#100001-) PC220LC-8MO. Каталог 2010г.

ВниманиеЭлектронный автокаталог запчастей предназначен для справочных целей! Наша компания продает только те товары, у которых есть цены в списке.

Вид отображения:

Детали справа
1
2
3
5
6
7
1

Номер детали на чертеже: 

1

Hose

Заводской номер: 206-62-21120 Количество на модель: 1
206-62-21120
1
2

Номер детали на чертеже: 

2

O-RING

Заводской номер: 07000-13025 Количество на модель: 2
07000-13025
2
3

Номер детали на чертеже: 

3

Hose

Заводской номер: 206-62-21110 Количество на модель: 1
206-62-21110
1
5

Номер детали на чертеже: 

5

FLANGE

Заводской номер: 07371-30640 Количество на модель: 8
07371-30640
8
6

Номер детали на чертеже: 

6

BOLT

Заводской номер: 07372-21035 Количество на модель: 16
07372-21035
16
7

Номер детали на чертеже: 

7

WASHER

Заводской номер: 01643-51032 Количество на модель: 16
01643-51032
16