C 9:00 до 20:00. Звонок по РФ бесплатный

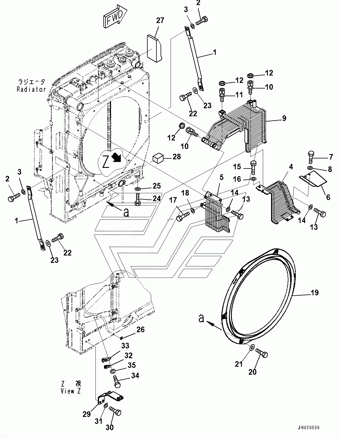
Cooling System, Fan Guard (#100001-) PC220-8MO. Каталог 2010г.

ВниманиеЭлектронный автокаталог запчастей предназначен для справочных целей! Наша компания продает только те товары, у которых есть цены в списке.

Вид отображения:

Детали справа
1

Номер детали на чертеже: 

1

Stay

Заводской номер: 20Y-03-32660 Количество на модель: 2
20Y-03-32660
2
2

Номер детали на чертеже: 

2

BOLT

Заводской номер: 01010-81635 Количество на модель: 2
01010-81635
2
3

Номер детали на чертеже: 

3

WASHER

Заводской номер: 01643-31645 Количество на модель: 2
01643-31645
2
4

Номер детали на чертеже: 

4

Guard

Заводской номер: 20Y-03-46321 Количество на модель: 1
20Y-03-46321
1
5

Номер детали на чертеже: 

5

Guard

Заводской номер: 20Y-03-46330 Количество на модель: 1
20Y-03-46330
1
6

Номер детали на чертеже: 

6

Bracket

Заводской номер: 20Y-03-46430 Количество на модель: 1
20Y-03-46430
1
7

Номер детали на чертеже: 

7

BOLT

Заводской номер: 01010-81020 Количество на модель: 2
01010-81020
2
8

Номер детали на чертеже: 

8

WASHER

Заводской номер: 01643-31032 Количество на модель: 2
01643-31032
2
9

Номер детали на чертеже: 

9

Guard

Заводской номер: 20Y-03-46450 Количество на модель: 1
20Y-03-46450
1
10

Номер детали на чертеже: 

10

Bolt

Заводской номер: 01026-A1025 Количество на модель: 3
01026-A1025
3
11

Номер детали на чертеже: 

11

Bolt, Sems

Заводской номер: 01026-A1050 Количество на модель: 1
01026-A1050
1
12

Номер детали на чертеже: 

12

Grommet

Заводской номер: 17M-911-6330 Количество на модель: 4
17M-911-6330
4
13

Номер детали на чертеже: 

13

BOLT

Заводской номер: 01010-81025 Количество на модель: 3
01010-81025
3
15

Номер детали на чертеже: 

15

BOLT

Заводской номер: 01010-81050 Количество на модель: 1
01010-81050
1
17

Номер детали на чертеже: 

17

BOLT

Заводской номер: 01010-81060 Количество на модель: 1
01010-81060
1
19

Номер детали на чертеже: 

19

Shroud

Заводской номер: 22U-03-31170 Количество на модель: 1
22U-03-31170
1
21

Номер детали на чертеже: 

21

WASHER

Заводской номер: 203-54-56970 Количество на модель: 6
203-54-56970
6
23

Номер детали на чертеже: 

23

WASHER

Заводской номер: 21T-54-16150 Количество на модель: 2
21T-54-16150
2
24

Номер детали на чертеже: 

24

BOLT

Заводской номер: 01010-81640 Количество на модель: 4
01010-81640
4
26

Номер детали на чертеже: 

26

CLIP

Заводской номер: 206-03-43340 Количество на модель: 1
206-03-43340
1
27

Номер детали на чертеже: 

27

Sheet

Заводской номер: 206-03-21371 Количество на модель: 1
206-03-21371
1
28

Номер детали на чертеже: 

28

Sheet

Заводской номер: 20Y-03-41831 Количество на модель: 1
20Y-03-41831
1
29

Номер детали на чертеже: 

29

Bracket

Заводской номер: 20Y-62-51481 Количество на модель: 1
20Y-62-51481
1
30

Номер детали на чертеже: 

30

BOLT

Заводской номер: 01010-81225 Количество на модель: 2
01010-81225
2
31

Номер детали на чертеже: 

31

WASHER

Заводской номер: 01643-31232 Количество на модель: 2
01643-31232
2
32

Номер детали на чертеже: 

32

SENSOR

Заводской номер: 20Y-979-6191 Количество на модель: 1
20Y-979-6191
1
33

Номер детали на чертеже: 

33

BRACKET

Заводской номер: 20Y-979-6271 Количество на модель: 1
20Y-979-6271
1
34

Номер детали на чертеже: 

34

BOLT

Заводской номер: 01010-80616 Количество на модель: 1
01010-80616
1
35

Номер детали на чертеже: 

35

WASHER

Заводской номер: 01643-30623 Количество на модель: 1
01643-30623
1