8 800 700-05-95 Все контакты

C 9:00 до 20:00. Звонок по РФ бесплатный

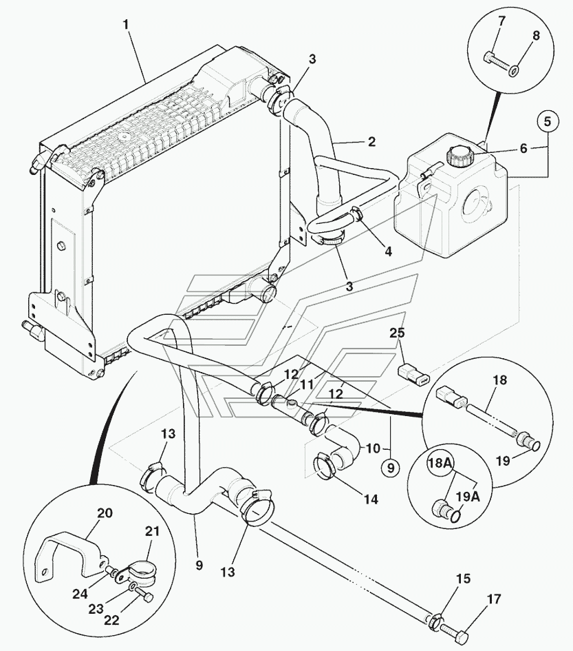
RADIATOR & HOSES 2WS BUILDS T2 (From: M960524, M967723) JCB-3CX (Часть 2). Каталог 2015г.

ВниманиеЭлектронный автокаталог запчастей предназначен для справочных целей! Наша компания продает только те товары, у которых есть цены в списке.

Вид отображения:

Детали справа

Номер детали на чертеже: 

Cooler assembly

Заводской номер: 128/14326 Количество на модель: 1
128/14326
1

Номер детали на чертеже: 

Bolt

Заводской номер: 1315/3714Z Количество на модель: 1
1315/3714Z
1

Номер детали на чертеже: 

Sensor water level

Заводской номер: 701/80513 Количество на модель: 1
701/80513
1

Номер детали на чертеже: 

Multi Supersession

Заводской номер: MSS Количество на модель: 1
MSS
1

Номер детали на чертеже: 

Plug

Заводской номер: 816/90702 Количество на модель: 1
816/90702
1

Номер детали на чертеже: 

O-Ring

Заводской номер: 828/10310 Количество на модель: 1
828/10310
1

Номер детали на чертеже: 

O-Ring

Заводской номер: 2401/0504 Количество на модель: 1
2401/0504
1

Номер детали на чертеже: 

Bracket support bottom hose

Заводской номер: 331/50633 Количество на модель: 1
331/50633
1

Номер детали на чертеже: 

Clip P

Заводской номер: 821/00377 Количество на модель: 1
821/00377
1

Номер детали на чертеже: 

Setscrew

Заводской номер: 1315/0307Z Количество на модель: 1
1315/0307Z
1

Номер детали на чертеже: 

Washer

Заводской номер: 1420/0007Z Количество на модель: 2
1420/0007Z
2

Номер детали на чертеже: 

Nut

Заводской номер: 826/01102 Количество на модель: 1
826/01102
1

Номер детали на чертеже: 

Clip Jubilee

Заводской номер: 2201/0006 Количество на модель: 1
2201/0006
1

Номер детали на чертеже: 

Clip jubilee

Заводской номер: 2201/0010 Количество на модель: 1
2201/0010
1

Номер детали на чертеже: 

Clip Jubilee

Заводской номер: 2201/0012 Количество на модель: 2
2201/0012
2

Номер детали на чертеже: 

Hose radiator top

Заводской номер: 834/10989 Количество на модель: 1
834/10989
1

Номер детали на чертеже: 

Clip Worm Drive

Заводской номер: 2201/0011 Количество на модель: 2
2201/0011
2

Номер детали на чертеже: 

Clip Worm Drive

Заводской номер: 2201/0005 Количество на модель: 1
2201/0005
1

Номер детали на чертеже: 

Tank coolant expansion

Заводской номер: 128/15313 Количество на модель: 1
128/15313
1

Номер детали на чертеже: 

Cap Expansion Bottle

Заводской номер: 477/00223 Количество на модель: 1
477/00223
1

Номер детали на чертеже: 

Setscrew

Заводской номер: 1315/0310Z Количество на модель: 2
1315/0310Z
2

Номер детали на чертеже: 

Hose radiator bottom 2ws assembly

Заводской номер: 128/15196 Количество на модель: 1
128/15196
1

Номер детали на чертеже: 

Hose elbow

Заводской номер: 834/11106 Количество на модель: 1
834/11106
1

Номер детали на чертеже: 

Housing water level sensor

Заводской номер: 335/09126 Количество на модель: 1
335/09126
1

Номер детали на чертеже: 

Clip Wormdrive

Заводской номер: 2201/0007 Количество на модель: 2
2201/0007
2

Номер детали на чертеже: 

Plug blanking 3-way deutsch DTM

Заводской номер: 715/20029 Количество на модель: 1
715/20029
1