8 800 700-05-95 Все контакты

C 9:00 до 20:00. Звонок по РФ бесплатный

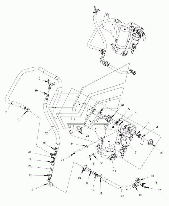
Sprinkler pump Dynapac CC5200. Каталог 2017г.

ВниманиеЭлектронный автокаталог запчастей предназначен для справочных целей! Наша компания продает только те товары, у которых есть цены в списке.

Вид отображения:

Детали справа
1

Номер детали на чертеже: 

1

Sprinkler plate

Заводской номер: 4812121292 Количество на модель: 1
4812121292
1
2

Номер детали на чертеже: 

2

Water filter

Заводской номер: 4812111325 Количество на модель: 1
4812111325
1
2

Номер детали на чертеже: 

2

O-ring

Заводской номер: 4700791959 Количество на модель: 1
4700791959
1
2

Номер детали на чертеже: 

2

Filter element

Заводской номер: 4700791949 Количество на модель: 1
4700791949
1
2

Номер детали на чертеже: 

2

Gasket

Заводской номер: 4700791568 Количество на модель: 1
4700791568
1
2

Номер детали на чертеже: 

2

Valve

Заводской номер: 4700379009 Количество на модель: 1
4700379009
1
3

Номер детали на чертеже: 

3

Hose connection swivel

Заводской номер: 4812111332 Количество на модель: 1
4812111332
1
4

Номер детали на чертеже: 

4

O-ring 70

Заводской номер: 4700480852 Количество на модель: 2
4700480852
2
5

Номер детали на чертеже: 

5

Hose connebtion swivel

Заводской номер: 4812111329 Количество на модель: 1
4812111329
1
7

Номер детали на чертеже: 

7

Plastic hose

Заводской номер: 4812112074 Количество на модель:
4812112074
8

Номер детали на чертеже: 

8

Bypass valve

Заводской номер: 4700792813 Количество на модель: 1
4700792813
1
9

Номер детали на чертеже: 

9

Hose connection

Заводской номер: 4700901431 Количество на модель: 1
4700901431
1
10

Номер детали на чертеже: 

10

Hose connection

Заводской номер: 4811000107 Количество на модель: 1
4811000107
1
11

Номер детали на чертеже: 

11

Sprinkler pump

Заводской номер: 4812121289 Количество на модель: 1
4812121289
1
12

Номер детали на чертеже: 

12

Hose connection

Заводской номер: 4811000085 Количество на модель: 1
4811000085
1
13

Номер детали на чертеже: 

13

Hose connection

Заводской номер: 4700393542 Количество на модель: 1
4700393542
1
14

Номер детали на чертеже: 

14

Washer

Заводской номер: 4700904229 Количество на модель: 2
4700904229
2
15

Номер детали на чертеже: 

15

Hex. screw

Заводской номер: 4700500013 Количество на модель: 4
4700500013
4
15

Номер детали на чертеже: 

15

Hex. screw

Заводской номер: 4700500012 Количество на модель: 4
4700500012
4
17

Номер детали на чертеже: 

17

O-ring 70

Заводской номер: 4700792600 Количество на модель: 1
4700792600
1
18

Номер детали на чертеже: 

18

Swivel nut

Заводской номер: 4700392227 Количество на модель: 1
4700392227
1
19

Номер детали на чертеже: 

19

Hose clamp

Заводской номер: 4700313002 Количество на модель: 10
4700313002
10
21

Номер детали на чертеже: 

21

Screw

Заводской номер: 4700500189 Количество на модель: 2
4700500189
2
21

Номер детали на чертеже: 

21

Screw

Заводской номер: 4700500090 Количество на модель: 2
4700500090
2
22

Номер детали на чертеже: 

22

Steel plain washer

Заводской номер: 4700904228 Количество на модель: 4
4700904228
4
25

Номер детали на чертеже: 

25

Cable tie with holder

Заводской номер: 4700792441 Количество на модель: 2
4700792441
2
26

Номер детали на чертеже: 

26

Swivel nut

Заводской номер: 4700792779 Количество на модель: 2
4700792779
2
27

Номер детали на чертеже: 

27

Hose connection

Заводской номер: 4700923735 Количество на модель: 1
4700923735
1