8 800 700-05-95 Все контакты

C 9:00 до 20:00. Звонок по РФ бесплатный

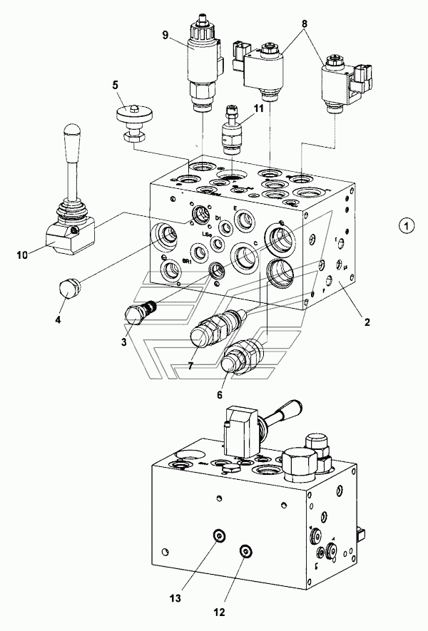
4700395924 Hydraulic valve Dynapac CC5200. Каталог 2017г.

ВниманиеЭлектронный автокаталог запчастей предназначен для справочных целей! Наша компания продает только те товары, у которых есть цены в списке.

Вид отображения:

Детали справа
1
2
3
4
5
6
7
8
8
9
10
11
12
13
1

Номер детали на чертеже: 

1

Hydraulic valve

Заводской номер: 4700395924 Количество на модель: 1
4700395924
1
2

Номер детали на чертеже: 

2

Valve block, cpl

Заводской номер: Valveblock Количество на модель: 1
Valveblock
1
3

Номер детали на чертеже: 

3

Shuttle valve

Заводской номер: 4700940572 Количество на модель: 1
4700940572
1
4

Номер детали на чертеже: 

4

Check valve

Заводской номер: 4812159770 Количество на модель: 1
4812159770
1
5

Номер детали на чертеже: 

5

Brake release valve

Заводской номер: 4812160491 Количество на модель: 1
4812160491
1
6

Номер детали на чертеже: 

6

Priority valve

Заводской номер: 4700950571 Количество на модель: 1
4700950571
1
7

Номер детали на чертеже: 

7

Pressure relief valve

Заводской номер: 4700950572 Количество на модель: 1
4700950572
1
8

Номер детали на чертеже: 

8

Coil

Заводской номер: 4812156662 Количество на модель: 1
4812156662
1
8

Номер детали на чертеже: 

8

Solenoid valve

Заводской номер: 4700950570 Количество на модель: 2
4700950570
2
9

Номер детали на чертеже: 

9

Fan proportional valve

Заводской номер: 4812156787 Количество на модель: 1
4812156787
1
10

Номер детали на чертеже: 

10

Brake release pump

Заводской номер: Brakereleasepump Количество на модель: 1
Brakereleasepump
1
11

Номер детали на чертеже: 

11

Brake pressure relief valve

Заводской номер: 4812160160 Количество на модель: 1
4812160160
1
12

Номер детали на чертеже: 

12

Orifice with wire

Заводской номер: 4812157585 Количество на модель: 1
4812157585
1
13

Номер детали на чертеже: 

13

Orifice

Заводской номер: 4812159762 Количество на модель: 1
4812159762
1