8 800 700-05-95 Все контакты

C 9:00 до 20:00. Звонок по РФ бесплатный

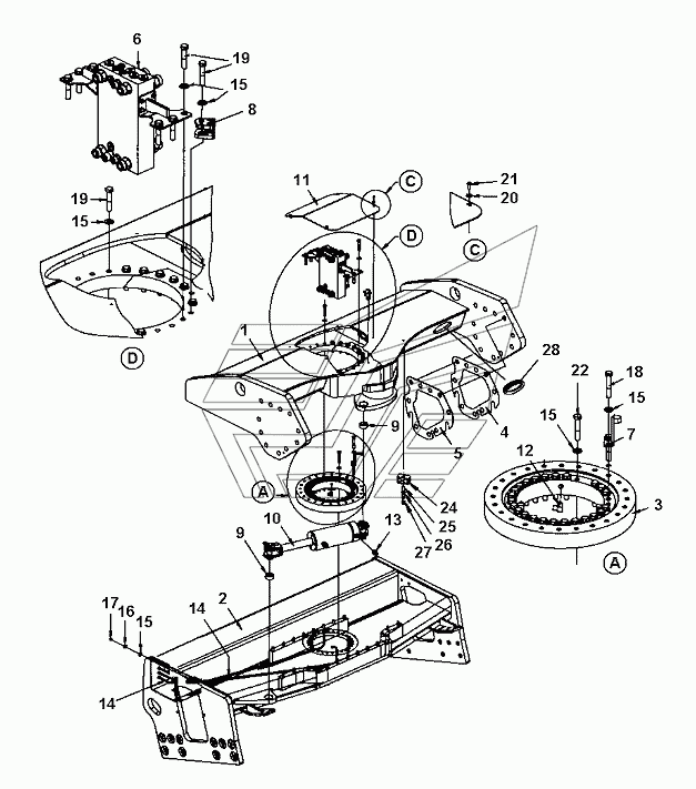
Frame Dynapac CC5200. Каталог 2017г.

ВниманиеЭлектронный автокаталог запчастей предназначен для справочных целей! Наша компания продает только те товары, у которых есть цены в списке.

Вид отображения:

Детали справа
1

Номер детали на чертеже: 

1

Frame

Заводской номер: 4700391481 Количество на модель: 1
4700391481
1
2

Номер детали на чертеже: 

2

Yoke

Заводской номер: 4700391974 Количество на модель: 1
4700391974
1
3

Номер детали на чертеже: 

3

Bearing

Заводской номер: 4700359192 Количество на модель: 1
4700359192
1
4

Номер детали на чертеже: 

4

Shim

Заводской номер: 4700390469 Количество на модель:
4700390469
5

Номер детали на чертеже: 

5

Shim

Заводской номер: 4700390470 Количество на модель:
4700390470
6

Номер детали на чертеже: 

6

Connection block

Заводской номер: Connectionblock Количество на модель: 1
Connectionblock
1
7

Номер детали на чертеже: 

7

Cam

Заводской номер: 4700395694 Количество на модель: 1
4700395694
1
8

Номер детали на чертеже: 

8

Micro switch

Заводской номер: Microswitch Количество на модель: 1
Microswitch
1
9

Номер детали на чертеже: 

9

Bearing

Заводской номер: 4700391430 Количество на модель: 2
4700391430
2
10

Номер детали на чертеже: 

10

Steering cylinder

Заводской номер: 4700391024 Количество на модель: 1
4700391024
1
11

Номер детали на чертеже: 

11

Cover

Заводской номер: 4700379987 Количество на модель: 1
4700379987
1
12

Номер детали на чертеже: 

12

Elbow 90°

Заводской номер: 4700373183 Количество на модель: 4
4700373183
4
13

Номер детали на чертеже: 

13

Straight connector orfs

Заводской номер: 4700792337 Количество на модель: 2
4700792337
2
14

Номер детали на чертеже: 

14

Hydraulic hose

Заводской номер: 4700393345 Количество на модель: 4
4700393345
4
15

Номер детали на чертеже: 

15

Washer

Заводской номер: 4700904231 Количество на модель: 55
4700904231
55
16

Номер детали на чертеже: 

16

Hexagon nut

Заводской номер: 4700903831 Количество на модель: 4
4700903831
4
17

Номер детали на чертеже: 

17

Grease fitting

Заводской номер: 4700926214 Количество на модель: 4
4700926214
4
18

Номер детали на чертеже: 

18

Screw

Заводской номер: 4700903735 Количество на модель: 2
4700903735
2
19

Номер детали на чертеже: 

19

Hex. screw

Заводской номер: 4700500175 Количество на модель: 24
4700500175
24
20

Номер детали на чертеже: 

20

Washer

Заводской номер: 4700603001 Количество на модель: 4
4700603001
4
21

Номер детали на чертеже: 

21

Screw

Заводской номер: 4700904206 Количество на модель: 4
4700904206
4
22

Номер детали на чертеже: 

22

Hexagon head screw m

Заводской номер: 4700947712 Количество на модель: 25
4700947712
25
24

Номер детали на чертеже: 

24

Pipe clamp

Заводской номер: 4700904085 Количество на модель: 1
4700904085
1
25

Номер детали на чертеже: 

25

Stud

Заводской номер: 4700791858 Количество на модель: 1
4700791858
1
26

Номер детали на чертеже: 

26

Washer

Заводской номер: 4700904229 Количество на модель: 1
4700904229
1
27

Номер детали на чертеже: 

27

Hexagon lock nut

Заводской номер: 4700586003 Количество на модель: 1
4700586003
1
28

Номер детали на чертеже: 

28

Hose guard

Заводской номер: 4700395653 Количество на модель: 2
4700395653
2