C 9:00 до 20:00. Звонок по РФ бесплатный

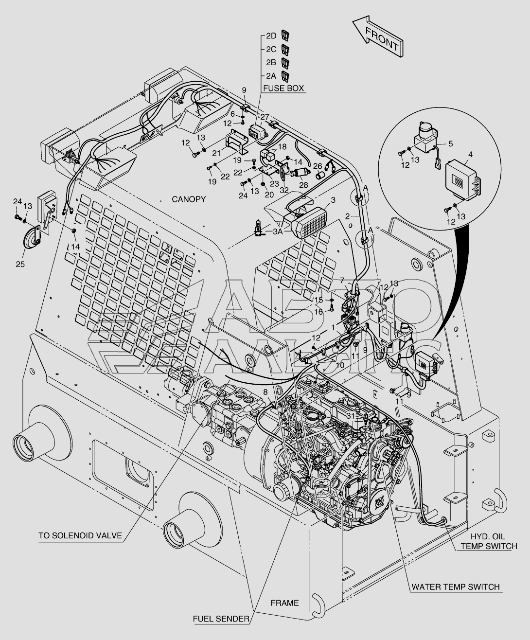
6700 Жгуты проводов Мини-погрузчик 430 Plus. Каталог 2010г.

ВниманиеЭлектронный автокаталог запчастей предназначен для справочных целей! Наша компания продает только те товары, у которых есть цены в списке.

Вид отображения:

Детали справа

Номер детали на чертеже: 

HARNESS;ENGINE

Заводской номер: K1021861 Количество на модель: 1
K1021861
1

Номер детали на чертеже: 

CIGAR LIGHTER

Заводской номер: K1022898 Количество на модель: 1
K1022898
1

Номер детали на чертеже: 

FUSE 5A

Заводской номер: K1019105 Количество на модель: 1
K1019105
1

Номер детали на чертеже: 

FUSE 10A

Заводской номер: K1019052 Количество на модель: 1
K1019052
1

Номер детали на чертеже: 

FUSE 15A

Заводской номер: K1022925 Количество на модель: 4
K1022925
4

Номер детали на чертеже: 

FUSE 30A

Заводской номер: K1022931 Количество на модель: 1
K1022931
1

Номер детали на чертеже: 

LAMP

Заводской номер: K1022967 Количество на модель: 1
K1022967
1

Номер детали на чертеже: 

SWITCH;TEMPERATURE

Заводской номер: K1021464 Количество на модель: 1
K1021464
1

Номер детали на чертеже: 

BRACKET

Заводской номер: K1021856 Количество на модель: 1
K1021856
1

Номер детали на чертеже: 

BULB

Заводской номер: 2515-1016D2 Количество на модель: 1
2515-1016D2
1

Номер детали на чертеже: 

UNIT;CONTROL

Заводской номер: K1022921 Количество на модель: 1
K1022921
1

Номер детали на чертеже: 

RELAY;PREHEAT

Заводской номер: K1019410 Количество на модель: 1
K1019410
1

Номер детали на чертеже: 

WASHER;HARDENED

Заводской номер: K1023157 Количество на модель: 5
K1023157
5

Номер детали на чертеже: 

PLATE;HOUSING

Заводской номер: K1021029 Количество на модель: 1
K1021029
1

Номер детали на чертеже: 

CLIP

Заводской номер: K1022972 Количество на модель: 1
K1022972
1

Номер детали на чертеже: 

CLIP

Заводской номер: K1022975 Количество на модель: 8
K1022975
8

Номер детали на чертеже: 

PLATE;NAME(FUSE DIAGRAM)

Заводской номер: K1021879 Количество на модель: 1
K1021879
1

Номер детали на чертеже: 

SOCKET

Заводской номер: K1020835 Количество на модель: 1
K1020835
1

Номер детали на чертеже: 

HORN

Заводской номер: K1022970 Количество на модель: 1
K1022970
1

Номер детали на чертеже: 

CLIP

Заводской номер: K1022973 Количество на модель: 3
K1022973
3

Номер детали на чертеже: 

BOLT

Заводской номер: S0511463 Количество на модель: 2
S0511463
2

Номер детали на чертеже: 

BOLT

Заводской номер: S0504463 Количество на модель: 17
S0504463
17

Номер детали на чертеже: 

WASHER

Заводской номер: K1023156 Количество на модель: 12
K1023156
12

Номер детали на чертеже: 

NUT

Заводской номер: S4012343 Количество на модель: 5
S4012343
5

Номер детали на чертеже: 

WASHER;HARDENED

Заводской номер: K1023146 Количество на модель: 2
K1023146
2

Номер детали на чертеже: 

BOLT

Заводской номер: S0508863 Количество на модель: 2
S0508863
2

Номер детали на чертеже: 

RELAY;SEALED

Заводской номер: K1019698 Количество на модель: 2
K1019698
2

Номер детали на чертеже: 

SCREW M5X0.8X16

Заводской номер: S3450853 Количество на модель: 4
S3450853
4

Номер детали на чертеже: 

HARNESS;CANOPY

Заводской номер: K1021862 Количество на модель: 1
K1021862
1

Номер детали на чертеже: 

NUT

Заводской номер: S4006203 Количество на модель: 2
S4006203
2

Номер детали на чертеже: 

BRACKET

Заводской номер: K1021017 Количество на модель: 1
K1021017
1

Номер детали на чертеже: 

WASHER;PLAIN

Заводской номер: S5000213 Количество на модель: 4
S5000213
4

Номер детали на чертеже: 

BRACKET

Заводской номер: K1020922 Количество на модель: 1
K1020922
1

Номер детали на чертеже: 

BOLT

Заводской номер: S0504763 Количество на модель: 3
S0504763
3

Номер детали на чертеже: 

ELECTRIC WIRING

Заводской номер: K1021482 Количество на модель:
K1021482