C 9:00 до 20:00. Звонок по РФ бесплатный

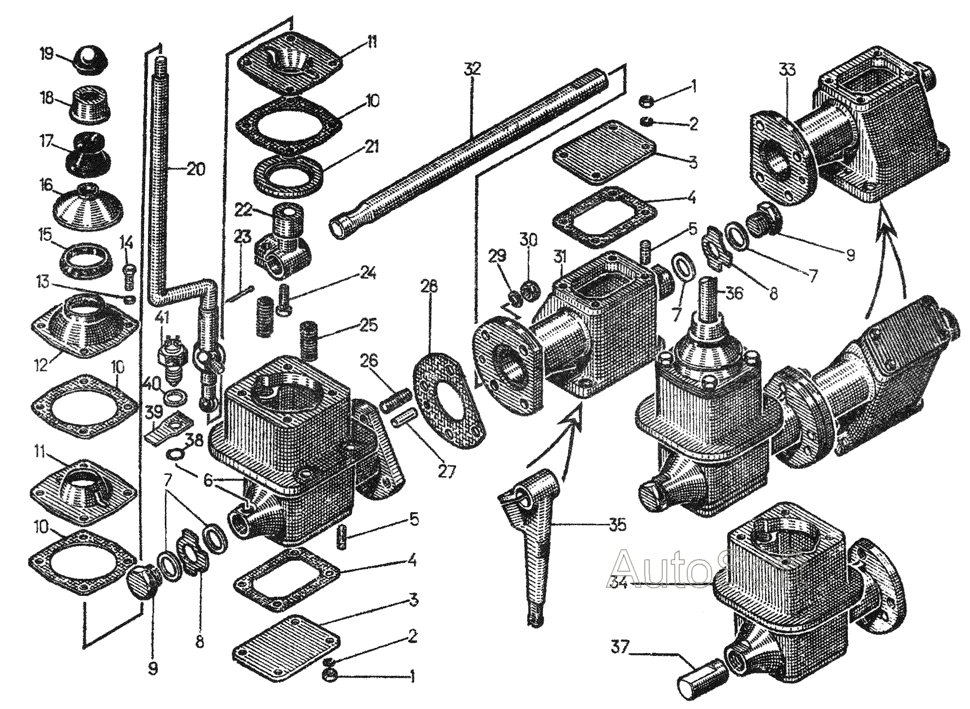
Механизм переключения передач для болотоходных тракторов 20-12-131СП-левый, 20-12-132СП-правый Т-130. Каталог 1990г.

ВниманиеЭлектронный автокаталог запчастей предназначен для справочных целей! Наша компания продает только те товары, у которых есть цены в списке.

Номер детали на чертеже: 

Проставка правая

Заводской номер: 20-12-129СП Количество на модель: 1
20-12-129СП
1

Номер детали на чертеже: 

Проставка левая

Заводской номер: 20-12-130СП Количество на модель: 1
20-12-130СП
1
1

Номер детали на чертеже: 

1

Гайка М8х1.6.019

Заводской номер: Гайка М8х1.6.019 Количество на модель: 8
Гайка М8х1.6.019
8
2

Номер детали на чертеже: 

2

Шайба 8Т.65Г.06

Заводской номер: Шайба 8Т.65Г.06 Количество на модель: 8
Шайба 8Т.65Г.06
8
3

Номер детали на чертеже: 

3

Крышка

Заводской номер: 18-12-246 Количество на модель: 2
18-12-246
2
4

Номер детали на чертеже: 

4

Прокладка

Заводской номер: 700-40-3072-1 Количество на модель: 2
700-40-3072-1
2
4

Номер детали на чертеже: 

4

Прокладка

Заводской номер: 700-40-3072 Количество на модель: 9
700-40-3072
9
5

Номер детали на чертеже: 

5

Шпилька

Заводской номер: 23333 Количество на модель: 8
23333
8
6

Номер детали на чертеже: 

6

Проставка правая передняя

Заводской номер: 29575 Количество на модель: 1
29575
1
7

Номер детали на чертеже: 

7

Прокладка

Заводской номер: 40588 Количество на модель: 4
40588
4
8

Номер детали на чертеже: 

8

Шайба

Заводской номер: 31368 Количество на модель: 2
31368
2
9

Номер детали на чертеже: 

9

Пробка

Заводской номер: 700-37-2154 Количество на модель: 9
700-37-2154
9
10

Номер детали на чертеже: 

10

Прокладка

Заводской номер: 40819 Количество на модель: 3
40819
3
10

Номер детали на чертеже: 

10

Прокладка

Заводской номер: 40819-1 Количество на модель: 3
40819-1
3
11

Номер детали на чертеже: 

11

Фланец шаровой

Заводской номер: 13317 Количество на модель: 2
13317
2
12

Номер детали на чертеже: 

12

Фланец шаровой

Заводской номер: 13318 Количество на модель: 1
13318
1
13

Номер детали на чертеже: 

13

Шайба 10.ОТ.65Г.06

Заводской номер: Шайба 10.ОТ.65Г.06 Количество на модель: 4
Шайба 10.ОТ.65Г.06
4
14

Номер детали на чертеже: 

14

Болт М10х30.46.019

Заводской номер: Болт М10х30.46.019 Количество на модель: 4
Болт М10х30.46.019
4
15

Номер детали на чертеже: 

15

Кольцо

Заводской номер: 40820 Количество на модель: 1
40820
1
16

Номер детали на чертеже: 

16

Крышка

Заводской номер: 13319 Количество на модель: 1
13319
1
17

Номер детали на чертеже: 

17

Колпачок

Заводской номер: 46612 Количество на модель: 1
46612
1
18

Номер детали на чертеже: 

18

Крышка

Заводской номер: 13591 Количество на модель: 1
13591
1
19

Номер детали на чертеже: 

19

Рукоятка

Заводской номер: 13310 Количество на модель: 1
13310
1
20

Номер детали на чертеже: 

20

Рычаг правый

Заводской номер: 18-12-161СП Количество на модель: 1
18-12-161СП
1
21

Номер детали на чертеже: 

21

Кольцо

Заводской номер: 13360 Количество на модель: 1
13360
1
22

Номер детали на чертеже: 

22

Хвостовик

Заводской номер: 33592 Количество на модель: 1
33592
1
23

Номер детали на чертеже: 

23

Шплинт 4x32

Заводской номер: Шплинт 4x32 Количество на модель: 1
Шплинт 4x32
1
24

Номер детали на чертеже: 

24

Болт

Заводской номер: 700-28-2336 Количество на модель: 4
700-28-2336
4
25

Номер детали на чертеже: 

25

Пружина

Заводской номер: 38323 Количество на модель: 2
38323
2
26

Номер детали на чертеже: 

26

Шпилька

Заводской номер: 29310 Количество на модель: 4
29310
4
27

Номер детали на чертеже: 

27

Штифт

Заводской номер: 32349 Количество на модель: 1
32349
1
28

Номер детали на чертеже: 

28

Прокладка

Заводской номер: 700-40-3254-1 Количество на модель: 1
700-40-3254-1
1
28

Номер детали на чертеже: 

28

Прокладка

Заводской номер: 700-40-3254 Количество на модель: 1
700-40-3254
1
29

Номер детали на чертеже: 

29

Шайба 16 ОТ.65Г.06

Заводской номер: Шайба 16 ОТ.65Г.06 Количество на модель: 4
Шайба 16 ОТ.65Г.06
4
30

Номер детали на чертеже: 

30

Гайка

Заводской номер: 30246 Количество на модель: 4
30246
4
31

Номер детали на чертеже: 

31

Проставка задняя правая

Заводской номер: 31401 Количество на модель: 1
31401
1
32

Номер детали на чертеже: 

32

Валик

Заводской номер: 33958 Количество на модель: 1
33958
1
33

Номер детали на чертеже: 

33

Проставка задняя левая

Заводской номер: 31766 Количество на модель: 1
31766
1
34

Номер детали на чертеже: 

34

Проставка передняя левая

Заводской номер: 31036 Количество на модель: 1
31036
1
35

Номер детали на чертеже: 

35

Рычаг

Заводской номер: 33227 Количество на модель: 1
33227
1
36

Номер детали на чертеже: 

36

Рычаг левый

Заводской номер: 18-12-162СП Количество на модель: 1
18-12-162СП
1
37

Номер детали на чертеже: 

37

Валик

Заводской номер: 29209 Количество на модель: 1
29209
1
38

Номер детали на чертеже: 

38

Кольцо Н2-18Х14-2

Заводской номер: Кольцо Н2-18Х14-2 Количество на модель: 2
Кольцо Н2-18Х14-2
2
39

Номер детали на чертеже: 

39

Пластина

Заводской номер: 18-12-411 Количество на модель: 1
18-12-411
1
40

Номер детали на чертеже: 

40

Прокладка

Заводской номер: 18618 Количество на модель: 3
18618
3
41

Номер детали на чертеже: 

41

Включатель ВК-403

Заводской номер: Включатель ВК-403 Количество на модель: 1
Включатель ВК-403
1
590079
СОАТЭ
ВК0403 ВК403
Производитель: СОАТЭ
029836
AVTOELECTRICA
ВК403 АЕ ВК403
Производитель: AVTOELECTRICA
083824
ЭМИ
1352.3768-02 ВК403/ ВЗХ-2, ВК403
Код: 083824
Артикул: 1352.3768-02, ВК403/ ВЗХ-2, ВК403
Производитель: ЭМИ