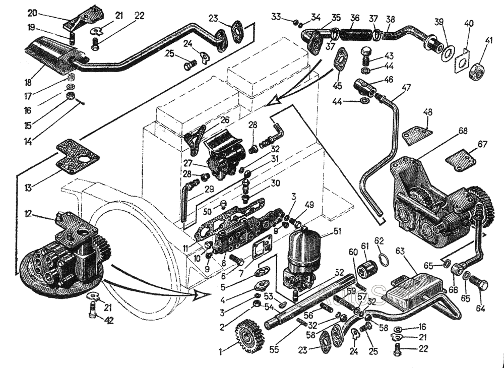
7 Аппаратура топливная, электрооборудование и приборы автомобилей, тракторов, сельскохозяйственных машин и мотоциклов, оборудование гаражное для автотранспортных средств. Узлы и детали гаражного оборудования
Вид покрытия
1 - цинковое с хроматированием (цинкование и пассивирование(П29)
24
Номер детали на чертеже:
24
Шайба
Заводской номер: 31366Количество на модель: 4
31366
4
О детали
Номер
Болт М8х20.46.019
Наименование
Болт М8х20.46.019
Кол-во на "Количество"
4
Входит в ;Материал;Масса, кг
51-09-2СП;;;
25
Номер детали на чертеже:
25
Болт М8х20.46.019
Заводской номер: Болт М8х20.46.019Количество на модель: 4
Болт М8х20.46.019
4
О детали
Номер
700-40-3162
Наименование
Прокладка
Кол-во на "Количество"
1
Входит в ;Материал;Масса, кг
51-09-2СП;Паронит;0,006;
ОКПО класс
47 Тракторы и сельскохозяйственные машины
26
Номер детали на чертеже:
26
Прокладка
Заводской номер: 700-40-3162Количество на модель: 1
700-40-3162
1
О детали
Номер
16-09-130СП
Наименование
Фильтр масляный
Кол-во на "Количество"
1
Входит в ;Материал;Масса, кг
51-09-2СП;;17807;
ОКПО класс
47 Тракторы и сельскохозяйственные машины
27
Номер детали на чертеже:
27
Фильтр масляный
Заводской номер: 16-09-130СПКоличество на модель: 1
16-09-130СП
1
О детали
Номер
700-41-2001
Наименование
Штуцер
Кол-во на "Количество"
2
Входит в ;Материал;Масса, кг
51-09-2СП;Сталь А12;0,03;
ОКПО класс
47 Тракторы и сельскохозяйственные машины
28
Номер детали на чертеже:
28
Штуцер
Заводской номер: 700-41-2001Количество на модель: 2
700-41-2001
2
О детали
Номер
16-09-187СП
Наименование
Трубка
Кол-во на "Количество"
1
Входит в ;Материал;Масса, кг
51-09-2СП;;0,12;
ОКПО класс
47 Тракторы и сельскохозяйственные машины
29
Номер детали на чертеже:
29
Трубка
Заводской номер: 16-09-187СПКоличество на модель: 1
16-09-187СП
1
О детали
Номер
700-41-3008
Наименование
Штуцер
Кол-во на "Количество"
1
Входит в ;Материал;Масса, кг
51-09-2СП;Сталь А12;0,03;
ОКПО класс
47 Тракторы и сельскохозяйственные машины
30
Номер детали на чертеже:
30
Штуцер
Заводской номер: 700-41-3008Количество на модель: 1
700-41-3008
1
О детали
Номер
Гайка М12х1,25.6.019
Наименование
Гайка М12х1,25.6.019
Кол-во на "Количество"
3
Входит в ;Материал;Масса, кг
51-09-2СП;;;
31
Номер детали на чертеже:
31
Гайка М12х1,25.6.019
Заводской номер: Гайка М12х1,25.6.019Количество на модель: 3
Гайка М12х1,25.6.019
3
О детали
Номер
Шайба 12.ОТ.65Г.06
Наименование
Шайба 12.ОТ.65Г.06
Кол-во на "Количество"
7
Входит в ;Материал;Масса, кг
51-09-2СП;;;
32
Номер детали на чертеже:
32
Шайба 12.ОТ.65Г.06
Заводской номер: Шайба 12.ОТ.65Г.06Количество на модель: 7
Шайба 12.ОТ.65Г.06
7
О детали
Номер
Гайка M8.6.019
Наименование
Гайка M8.6.019
Кол-во на "Количество"
2
Входит в ;Материал;Масса, кг
51-09-2СП;;;
33
Номер детали на чертеже:
33
Гайка M8.6.019
Заводской номер: Гайка M8.6.019Количество на модель: 2
Гайка M8.6.019
2
О детали
Номер
Шайба 8Т.65Г.06
Наименование
Шайба 8Т.65Г.06
Кол-во на "Количество"
2
Входит в ;Материал;Масса, кг
51-09-2СП;;;
34
Номер детали на чертеже:
34
Шайба 8Т.65Г.06
Заводской номер: Шайба 8Т.65Г.06Количество на модель: 2
Шайба 8Т.65Г.06
2
О детали
Номер
51-09-129СП
Наименование
Труба
Кол-во на "Количество"
1
Входит в ;Материал;Масса, кг
51-09-2СП;;0,17;
35
Номер детали на чертеже:
35
Труба
Заводской номер: 51-09-129СПКоличество на модель: 1
51-09-129СП
1
О детали
Номер
46849
Наименование
Рукав
Кол-во на "Количество"
1
Входит в ;Материал;Масса, кг
51-09-2СП;Рукав прорезинен.;0,056;
36
Номер детали на чертеже:
36
Рукав
Заводской номер: 46849Количество на модель: 1
46849
1
О детали
Номер
Xoмут 26
Наименование
Xoмут 26
Кол-во на "Количество"
2
Входит в ;Материал;Масса, кг
51-09-2СП;;0,021;
ОКПО класс
47 Тракторы и сельскохозяйственные машины
37
Номер детали на чертеже:
37
Xoмут 26
Заводской номер: Xoмут 26Количество на модель: 2
Xoмут 26
2
О детали
Номер
51-09-130СП
Наименование
Труба
Кол-во на "Количество"
1
Входит в ;Материал;Масса, кг
51-09-2СП;;0,19;
38
Номер детали на чертеже:
38
Труба
Заводской номер: 51-09-130СПКоличество на модель: 1
51-09-130СП
1
О детали
Номер
40910
Наименование
Кольцо
Кол-во на "Количество"
1
Входит в ;Материал;Масса, кг
51-С9-2СП;Ml;0,002;
ОКПО класс
47 Тракторы и сельскохозяйственные машины
ОКПО подкласс
5 Двигатели тракторов и сельскохозяйственных машин
39
Номер детали на чертеже:
39
Кольцо
Заводской номер: 40910Количество на модель: 1
40910
1
О детали
Номер
3173
Наименование
Пластина стопорная
Кол-во на "Количество"
1
Входит в ;Материал;Масса, кг
51-09-2СП;Сталь 08кп;0,002;
40
Номер детали на чертеже:
40
Пластина стопорная
Заводской номер: 3173Количество на модель: 1
3173
1
О детали
Номер
3039
Наименование
Гайка
Кол-во на "Количество"
1
Входит в ;Материал;Масса, кг
51-09-2CП;Сталь А12;0,04;
ОКПО класс
47 Тракторы и сельскохозяйственные машины
41
Номер детали на чертеже:
41
Гайка
Заводской номер: 3039Количество на модель: 1
3039
1
О детали
Номер
Болт M10x30.46.019
Наименование
Болт M10x30.46.019
Кол-во на "Количество"
4
Входит в ;Материал;Масса, кг
51-09-2СП;;;
42
Номер детали на чертеже:
42
Болт M10x30.46.019
Заводской номер: Болт M10x30.46.019Количество на модель: 4
Болт M10x30.46.019
4
О детали
Номер
700-41-2917
Наименование
Штуцер
Кол-во на "Количество"
1
Входит в ;Материал;Масса, кг
51-09-2СП;Сталь 35;0,04;
ОКПО класс
47 Тракторы и сельскохозяйственные машины
43
Номер детали на чертеже:
43
Штуцер
Заводской номер: 700-41-2917Количество на модель: 1
700-41-2917
1
О детали
Номер
Кольцо 14x20 МН 4152-62
Наименование
Кольцо 14x20 МН 4152-62
Кол-во на "Количество"
2
Входит в ;Материал;Масса, кг
51-09-2СП;;0,001;
44
Номер детали на чертеже:
44
Кольцо 14x20 МН 4152-62
Заводской номер: Кольцо 14x20 МН 4152-62Количество на модель: 2
Кольцо 14x20 МН 4152-62
2
О детали
Номер
700-40-5650
Наименование
Прокладка
Кол-во на "Количество"
1
Входит в ;Материал;Масса, кг
51-09-2СП;Паронит;0,003;
ОКПО класс
47 Тракторы и сельскохозяйственные машины
ОКПО подкласс
5 Двигатели тракторов и сельскохозяйственных машин
45
Номер детали на чертеже:
45
Прокладка
Заводской номер: 700-40-5650Количество на модель: 1
700-40-5650
1
О детали
Номер
51-66-1СП
Наименование
Уравновешивающий механизм
Кол-во на "Количество"
1
Входит в ;Материал;Масса, кг
51-09-2СП;;36,5;
ОКПО класс
47 Тракторы и сельскохозяйственные машины
ОКПО подкласс
5 Двигатели тракторов и сельскохозяйственных машин
46
Номер детали на чертеже:
46
Уравновешивающий механизм
Заводской номер: 51-66-1СПКоличество на модель: 1
51-66-1СП
1
О детали
Номер
51-09-154СП
Наименование
Труба
Кол-во на "Количество"
1
Входит в ;Материал;Масса, кг
51-09-2СП;;0,18;
ОКПО класс
47 Тракторы и сельскохозяйственные машины
47
Номер детали на чертеже:
47
Труба
Заводской номер: 51-09-154СПКоличество на модель: 1
51-09-154СП
1
О детали
Номер
29-09-108
Наименование
Прокладка
Кол-во на "Количество"
3
Входит в ;Материал;Масса, кг
51-09-2СП;Сталь 10;0,005;
48
Номер детали на чертеже:
48
Прокладка
Заводской номер: 29-09-108Количество на модель: 3
29-09-108
3
О детали
Номер
Болт M10x45.46.019
Наименование
Болт M10x45.46.019
Кол-во на "Количество"
3
Входит в ;Материал;Масса, кг
51-09-2СП;;;
49
Номер детали на чертеже:
49
Болт M10x45.46.019
Заводской номер: Болт M10x45.46.019Количество на модель: 3
Болт M10x45.46.019
3
О детали
Номер
700-41-3164
Наименование
Штуцер
Кол-во на "Количество"
1
Входит в ;Материал;Масса, кг
51-09-2СП;Сталь А12;0,03;
ОКПО класс
47 Тракторы и сельскохозяйственные машины
50
Номер детали на чертеже:
50
Штуцер
Заводской номер: 700-41-3164Количество на модель: 1
700-41-3164
1
О детали
Номер
95000
Наименование
Центрифуга масляная
Кол-во на "Количество"
1
Входит в ;Материал;Масса, кг
51-09-2СП;;7,12;
ОКПО класс
47 Тракторы и сельскохозяйственные машины
51
Номер детали на чертеже:
51
Центрифуга масляная
Заводской номер: 95000Количество на модель: 1
95000
1
О детали
Номер
700-29-2146
Наименование
Шпилька
Кол-во на "Количество"
4
Входит в ;Материал;Масса, кг
51-09-2СП;Сталь 35;0,02;
ОКПО класс
47 Тракторы и сельскохозяйственные машины
ОКПО подкласс
6 Агрегаты, узлы и детали тракторов
52
Номер детали на чертеже:
52
Шпилька
Заводской номер: 700-29-2146Количество на модель: 4
700-29-2146
4
О детали
Номер
700-34-2040
Наименование
Шпонка
Кол-во на "Количество"
1
Входит в ;Материал;Масса, кг
51-09-122СП;Сталь 45;0,007;
ОКПО класс
47 Тракторы и сельскохозяйственные машины
ОКПО подкласс
6 Агрегаты, узлы и детали тракторов
53
Номер детали на чертеже:
53
Шпонка
Заводской номер: 700-34-2040Количество на модель: 1
700-34-2040
1
О детали
Номер
51-09-51
Наименование
Валик
Кол-во на "Количество"
1
Входит в ;Материал;Масса, кг
51-09-122СП;Сталь 45Х;0,98;
ОКПО класс
47 Тракторы и сельскохозяйственные машины
54
Номер детали на чертеже:
54
Валик
Заводской номер: 51-09-51Количество на модель: 1
51-09-51
1
О детали
Номер
32268
Наименование
Штифт
Кол-во на "Количество"
1
Входит в ;Материал;Масса, кг
51-09-122СП;Сталь 20;0,003;
ОКПО класс
47 Тракторы и сельскохозяйственные машины
55
Номер детали на чертеже:
55
Штифт
Заводской номер: 32268Количество на модель: 1
32268
1
О детали
Номер
700-29-2853
Наименование
Шпилька
Кол-во на "Количество"
1
Входит в ;Материал;Масса, кг
51-09-2СП;Сталь 35;0,06;
ОКПО класс
47 Тракторы и сельскохозяйственные машины
56
Номер детали на чертеже:
56
Шпилька
Заводской номер: 700-29-2853Количество на модель: 1
700-29-2853
1
О детали
Номер
3135
Наименование
Шайба
Кол-во на "Количество"
4
Входит в ;Материал;Масса, кг
51-09-2СП;Сталь 3кп;0,004;
57
Номер детали на чертеже:
57
Шайба
Заводской номер: 3135Количество на модель: 4
3135
4
О детали
Номер
3010
Наименование
Гайка
Кол-во на "Количество"
4
Входит в ;Материал;Масса, кг
51-09-2СП;Сталь 20кп;0,024;
ОКПО класс
47 Тракторы и сельскохозяйственные машины
ОКПО подкласс
5 Двигатели тракторов и сельскохозяйственных машин
58
Номер детали на чертеже:
58
Гайка
Заводской номер: 3010Количество на модель: 4
3010
4
О детали
Номер
700-29-2233
Наименование
Шпилька
Кол-во на "Количество"
3
Входит в ;Материал;Масса, кг
51-09-2СП;Сталь 45;0,12;
ОКПО класс
47 Тракторы и сельскохозяйственные машины
ОКПО подкласс
5 Двигатели тракторов и сельскохозяйственных машин
59
Номер детали на чертеже:
59
Шпилька
Заводской номер: 700-29-2233Количество на модель: 3
700-29-2233
3
О детали
Номер
700-32-2105
Наименование
Штифт
Кол-во на "Количество"
2
Входит в ;Материал;Масса, кг
51-09-2СП;Сталь 45;0,003;
ОКПО класс
47 Тракторы и сельскохозяйственные машины
60
Номер детали на чертеже:
60
Штифт
Заводской номер: 700-32-2105Количество на модель: 2
700-32-2105
2
О детали
Номер
51-09-50
Наименование
Муфта
Кол-во на "Количество"
1
Входит в ;Материал;Масса, кг
51-09-2СП;Сталь 45;0,11;
ОКПО класс
47 Тракторы и сельскохозяйственные машины
ОКПО подкласс
5 Двигатели тракторов и сельскохозяйственных машин
61
Номер детали на чертеже:
61
Муфта
Заводской номер: 51-09-50Количество на модель: 1
51-09-50
1
О детали
Номер
700-58-2368
Наименование
Кольцо
Кол-во на "Количество"
2
Входит в ;Материал;Масса, кг
51-09-2СП;Проволока 11-2;0,03;
ОКПО класс
47 Тракторы и сельскохозяйственные машины
ОКПО подкласс
5 Двигатели тракторов и сельскохозяйственных машин
62
Номер детали на чертеже:
62
Кольцо
Заводской номер: 700-58-2368Количество на модель: 2
700-58-2368
2
О детали
Номер
51-09-149СП
Наименование
Маслоприемник
Кол-во на "Количество"
1
Входит в ;Материал;Масса, кг
51-09-2СП;;0,84;
ОКПО класс
47 Тракторы и сельскохозяйственные машины
ОКПО подкласс
5 Двигатели тракторов и сельскохозяйственных машин
63
Номер детали на чертеже:
63
Маслоприемник
Заводской номер: 51-09-149СПКоличество на модель: 1
51-09-149СП
1
О детали
Номер
411143
Наименование
Штуцер
Кол-во на "Количество"
1
Входит в ;Материал;Масса, кг
51-09-2СП;Сталь А12;0,06;
Покрытие
без покрытия
ОКПО класс
47 Тракторы и сельскохозяйственные машины
ОКПО подкласс
5 Двигатели тракторов и сельскохозяйственных машин
64
Номер детали на чертеже:
64
Штуцер
Заводской номер: 411143Количество на модель: 1
411143
1
О детали
Номер
Кольцо 16x20 МН 4152-62
Наименование
Кольцо 16x20 МН 4152-62
Кол-во на "Количество"
2
Входит в ;Материал;Масса, кг
51-09-2СП;;0,001;
65
Номер детали на чертеже:
65
Кольцо 16x20 МН 4152-62
Заводской номер: Кольцо 16x20 МН 4152-62Количество на модель: 2
Кольцо 16x20 МН 4152-62
2
О детали
Номер
29-09-122СП.
Наименование
Трубка
Кол-во на "Количество"
1
Входит в ;Материал;Масса, кг
51-09-2СП;;0,64;
ОКПО класс
47 Тракторы и сельскохозяйственные машины
66
Номер детали на чертеже:
66
Трубка
Заводской номер: 29-09-122СП.Количество на модель: 1