8 800 700-05-95 Все контакты

C 9:00 до 20:00. Звонок по РФ бесплатный

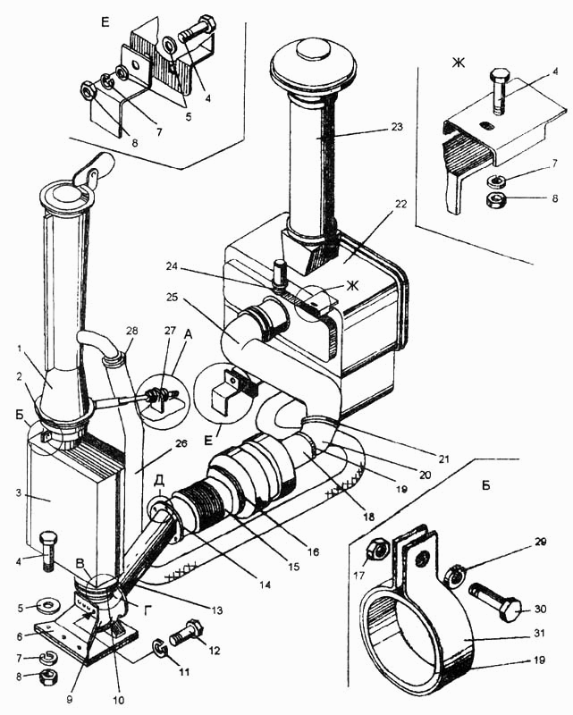
Система всасывания и выхлопа ДЗ-98В. Каталог 2003г.

ВниманиеЭлектронный автокаталог запчастей предназначен для справочных целей! Наша компания продает только те товары, у которых есть цены в списке.

Вид отображения:

Детали справа
1

Номер детали на чертеже: 

1

Эжектор

Заводской номер: ДЗ-98В.32.10.210-1 Количество на модель: 1
ДЗ-98В.32.10.210-1
1
2

Номер детали на чертеже: 

2

Хомут

Заводской номер: 067.36.11.144 Количество на модель: 1
067.36.11.144
1
3

Номер детали на чертеже: 

3

Глушитель

Заводской номер: ДЗ-140А.32.00.510 Количество на модель: 1
ДЗ-140А.32.00.510
1
4

Номер детали на чертеже: 

4

Болт

Заводской номер: М12-6gх35.58.019 7798 Количество на модель: 6
М12-6gх35.58.019 7798
6
5

Номер детали на чертеже: 

5

Шайба

Заводской номер: С12.02.069 11371 Количество на модель: 8
С12.02.069 11371
8
6

Номер детали на чертеже: 

6

Кронштейн

Заводской номер: ДЗ-98В.32.00142 Количество на модель: 1
ДЗ-98В.32.00142
1
7

Номер детали на чертеже: 

7

Шайба

Заводской номер: 12.65Г.019 ГОСТ 6402-70 Количество на модель: 12
12.65Г.019 ГОСТ 6402-70
12
512420
САЛЬСКСЕЛЬМАШ
12.65 Г019 12 65Г 019
Код: 512420
Артикул: 12.65 Г019, 12 65Г 019
Под заказ

На складах : Под заказ

Производитель: САЛЬСКСЕЛЬМАШ
8

Номер детали на чертеже: 

8

Гайка

Заводской номер: М12-6Н.5.019 5915 Количество на модель: 8
М12-6Н.5.019 5915
8
9

Номер детали на чертеже: 

9

Переходник

Заводской номер: ДЗ-98В.32.00.141 Количество на модель: 1
ДЗ-98В.32.00.141
1
10

Номер детали на чертеже: 

10

Прокладка

Заводской номер: ДЗ-98В.32.00.157 Количество на модель: 1
ДЗ-98В.32.00.157
1
11

Номер детали на чертеже: 

11

Шайба

Заводской номер: 8.65Г.069 6402 Количество на модель: 9
8.65Г.069 6402
9
12

Номер детали на чертеже: 

12

Болт

Заводской номер: М12-6gх25.58.019 7798 Количество на модель: 2
М12-6gх25.58.019 7798
2
13

Номер детали на чертеже: 

13

Труба

Заводской номер: ДЗ-98В.32.00.170-01 Количество на модель: 1
ДЗ-98В.32.00.170-01
1
14

Номер детали на чертеже: 

14

Прокладка

Заводской номер: ДЗ-98.32.00.059 Количество на модель: 3
ДЗ-98.32.00.059
3
15

Номер детали на чертеже: 

15

Компенсатор

Заводской номер: ДЗ-98.32.00.590 Количество на модель: 1
ДЗ-98.32.00.590
1
16

Номер детали на чертеже: 

16

Прокладка

Заводской номер: ДЗ-98В.32.00.108 Количество на модель: 1
ДЗ-98В.32.00.108
1
17

Номер детали на чертеже: 

17

Гайка

Заводской номер: М10-6Н.5.019 5915 Количество на модель: 29
М10-6Н.5.019 5915
29
18

Номер детали на чертеже: 

18

Труба

Заводской номер: ДЗ-98В.32.00.180 Количество на модель: 1
ДЗ-98В.32.00.180
1
19

Номер детали на чертеже: 

19

Прокладка

Заводской номер: ДЗ-98В.32.00.169 Количество на модель: 2
ДЗ-98В.32.00.169
2
20

Номер детали на чертеже: 

20

Переходник

Заводской номер: 7536.092 Количество на модель: 1
7536.092
1
21

Номер детали на чертеже: 

21

Хомут

Заводской номер: 120-130-3 Количество на модель: 2
120-130-3
2
22

Номер детали на чертеже: 

22

Воздухоочиститель

Заводской номер: ДЗ-98В.32.10.010 Количество на модель: 1
ДЗ-98В.32.10.010
1
23

Номер детали на чертеже: 

23

Воздухозаборная труба

Заводской номер: ДЗ-98В.32.00.200 Количество на модель: 1
ДЗ-98В.32.00.200
1
016866
Не указан
200 (6200) 200
Код: 016866
Артикул: 200 (6200), 200
Под заказ

На складах : Под заказ

Производитель: Не указан
24

Номер детали на чертеже: 

24

Индикатор засоренности воздуха

Заводской номер: ИЗВ-500 Количество на модель: 1
ИЗВ-500
1
25

Номер детали на чертеже: 

25

Рукав

Заводской номер: 125х925 Количество на модель: 1
125х925
1
26

Номер детали на чертеже: 

26

Рукав 50х61,5-15

Заводской номер: ДЗ-98В.32.00.154 Количество на модель: 1
ДЗ-98В.32.00.154
1
27

Номер детали на чертеже: 

27

Стойка

Заводской номер: ДЗ-98В.32.00.153 Количество на модель: 2
ДЗ-98В.32.00.153
2
28

Номер детали на чертеже: 

28

Хомут

Заводской номер: ДЗ-98.43.00.480-02 Количество на модель: 4
ДЗ-98.43.00.480-02
4
29

Номер детали на чертеже: 

29

Шайба

Заводской номер: 10.65Г.069 6402 Количество на модель: 19
10.65Г.069 6402
19
30

Номер детали на чертеже: 

30

Болт

Заводской номер: М10-6gх55.58.059 7798 Количество на модель: 1
М10-6gх55.58.059 7798
1
31

Номер детали на чертеже: 

31

Хомут

Заводской номер: 067.36.11.117 Количество на модель: 1
067.36.11.117
1