8 800 700-05-95 Все контакты

C 9:00 до 20:00. Звонок по РФ бесплатный

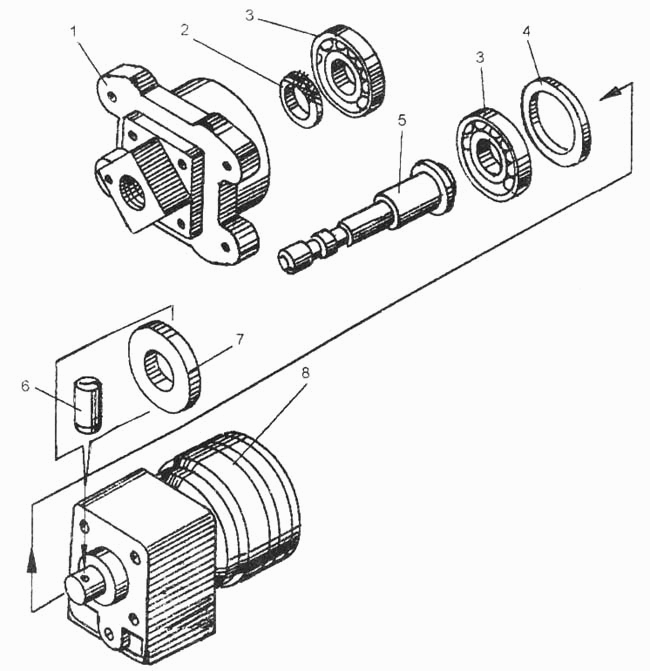
Гидроруль ДЗ-98В. Каталог 2003г.

ВниманиеЭлектронный автокаталог запчастей предназначен для справочных целей! Наша компания продает только те товары, у которых есть цены в списке.

Вид отображения:

Детали справа
1
2
3
4
5
6
7
8
1

Номер детали на чертеже: 

1

Корпус

Заводской номер: ДЗ-140А.50.01 056 Количество на модель: 1
ДЗ-140А.50.01 056
1
2

Номер детали на чертеже: 

2

Кольцо

Заводской номер: СП-47-34-5 6308 Количество на модель: 1
СП-47-34-5 6308
1
3

Номер детали на чертеже: 

3

Подшипник

Заводской номер: 107 8338 Количество на модель: 2
107 8338
2
067651
Не указан
107 (6007) 107
Код: 067651
Артикул: 107 (6007), 107
Под заказ

На складах : Под заказ

Производитель: Не указан
4

Номер детали на чертеже: 

4

Кольцо

Заводской номер: С62 13941 Количество на модель: 1
С62 13941
1
5

Номер детали на чертеже: 

5

Вал

Заводской номер: ДЗ-140А.50.01.047 Количество на модель: 1
ДЗ-140А.50.01.047
1
6

Номер детали на чертеже: 

6

Палец

Заводской номер: ДЗ-140 14.03.002 Количество на модель: 1
ДЗ-140 14.03.002
1
7

Номер детали на чертеже: 

7

Переходник

Заводской номер: ДЗ-140А.50.01.057 Количество на модель: 1
ДЗ-140А.50.01.057
1
8

Номер детали на чертеже: 

8

Насос - дозатор моноблочный

Заводской номер: НДМ 200-У600-16 Количество на модель: 1
НДМ 200-У600-16
1