8 800 700-05-95 Все контакты

C 9:00 до 20:00. Звонок по РФ бесплатный

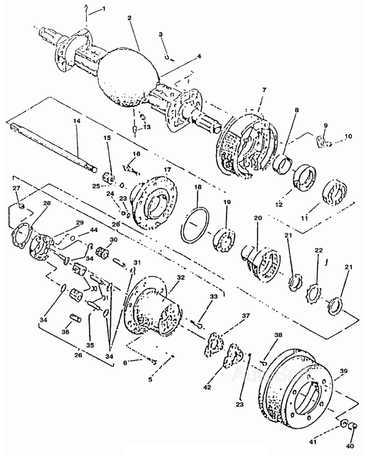
Балка с редукторами 1784.h.20, 1786.h.20 ДВ-1784. Каталог 2002г.

ВниманиеЭлектронный автокаталог запчастей предназначен для справочных целей! Наша компания продает только те товары, у которых есть цены в списке.

Номер детали на чертеже: 

Балка с редукторами

Заводской номер: 6198.10.01.00.00-05 Количество на модель: 1
6198.10.01.00.00-05
1
1

Номер детали на чертеже: 

1

Штифт

Заводской номер: 6198.01.00.12 Количество на модель: 2
6198.01.00.12
2
2

Номер детали на чертеже: 

2

Штифт цилиндрический 8n6х25 БДС1980-77

Заводской номер: [Штифт цилиндрический 8n6х25 БДС1980-77] Количество на модель: 2
[Штифт цилиндрический 8n6х25 БДС1980-77]
2
3

Номер детали на чертеже: 

3

Болт

Заводской номер: 6140.00.00.09 Количество на модель: 16
6140.00.00.09
16
4

Номер детали на чертеже: 

4

Балка с рукавами

Заводской номер: 6198.01.01.00 Количество на модель: 1
6198.01.01.00
1
5

Номер детали на чертеже: 

5

Пробка II коническая 1/4-8g БДС2527-71/5

Заводской номер: [Пробка II коническая 1/4-8g БДС2527-71/5] Количество на модель: 2
[Пробка II коническая 1/4-8g БДС2527-71/5]
2
6

Номер детали на чертеже: 

6

Винт 3М8х30-5.6 БДС1359-83

Заводской номер: [Винт 3М8х30-5.6 БДС1359-83] Количество на модель: 6
[Винт 3М8х30-5.6 БДС1359-83]
6
7

Номер детали на чертеже: 

7

Сервотормоз 270

Заводской номер: 6942.20.00.00.00-02 Количество на модель: 2
6942.20.00.00.00-02
2
8

Номер детали на чертеже: 

8

Кольцо

Заводской номер: 6198.01.00.06 Количество на модель: 2
6198.01.00.06
2
9

Номер детали на чертеже: 

9

Пластина стопорная

Заводской номер: 6140.01.00.12 Количество на модель: 8
6140.01.00.12
8
10

Номер детали на чертеже: 

10

Гайка М14х1,5-8 БДС1269-73

Заводской номер: [Гайка М14х1,5-8 БДС1269-73] Количество на модель: 16
[Гайка М14х1,5-8 БДС1269-73]
16
11

Номер детали на чертеже: 

11

Подшипник 2007113 ГОСТ333-79

Заводской номер: [Подшипник 2007113 ГОСТ333-79] Количество на модель: 2
[Подшипник 2007113 ГОСТ333-79]
2
600469
Не указан
2007113 (32013Х) 2007113 (32013), 2007113
Код: 600469
Артикул: 2007113 (32013Х), 2007113 (32013), 2007113
Производитель: Не указан
565901
ГПЗ
2007113-6А (32013Х) 6-2007113А
Производитель: ГПЗ
12

Номер детали на чертеже: 

12

Уплотнение А75х100-10-3 БДС9954-78

Заводской номер: [Уплотнение А75х100-10-3 БДС9954-78] Количество на модель: 2
[Уплотнение А75х100-10-3 БДС9954-78]
2
13

Номер детали на чертеже: 

13

Пробка II коническая 1/2-8g БДС2527-71

Заводской номер: [Пробка II коническая 1/2-8g БДС2527-71] Количество на модель: 2
[Пробка II коническая 1/2-8g БДС2527-71]
2
14

Номер детали на чертеже: 

14

Полувал

Заводской номер: 6198.01.00.01 Количество на модель: 2
6198.01.00.01
2
15

Номер детали на чертеже: 

15

Шестерня

Заводской номер: 6198.01.00.13 Количество на модель: 2
6198.01.00.13
2
16

Номер детали на чертеже: 

16

Болт

Заводской номер: 6198.01.00.07 Количество на модель: 12
6198.01.00.07
12
17

Номер детали на чертеже: 

17

Ступица

Заводской номер: 6198.01.00.03 Количество на модель: 2
6198.01.00.03
2
18

Номер детали на чертеже: 

18

Кольцо 2-155х3-2 БДС7947-85

Заводской номер: [Кольцо 2-155х3-2 БДС7947-85] Количество на модель: 2
[Кольцо 2-155х3-2 БДС7947-85]
2
19

Номер детали на чертеже: 

19

Подшипник 2007116 ГОСТ333-79

Заводской номер: [Подшипник 2007116 ГОСТ333-79] Количество на модель: 2
[Подшипник 2007116 ГОСТ333-79]
2
20

Номер детали на чертеже: 

20

Зубчатый венец

Заводской номер: 6198.01.00.19 Количество на модель: 2
6198.01.00.19
2
21

Номер детали на чертеже: 

21

Гайка круглая

Заводской номер: 6198.01.00.09 Количество на модель: 4
6198.01.00.09
4
22

Номер детали на чертеже: 

22

Предохранительная шайба

Заводской номер: 6198.01.00.10 Количество на модель: 2
6198.01.00.10
2
23

Номер детали на чертеже: 

23

Шайба 2-8Н БДС833-82

Заводской номер: [Шайба 2-8Н БДС833-82] Количество на модель: 6
[Шайба 2-8Н БДС833-82]
6
24

Номер детали на чертеже: 

24

Гайка М8-5 БДС744-91

Заводской номер: [Гайка М8-5 БДС744-91] Количество на модель: 6
[Гайка М8-5 БДС744-91]
6
25

Номер детали на чертеже: 

25

Кольцо

Заводской номер: В30 БДС2170-77 Количество на модель: 2
В30 БДС2170-77
2
26

Номер детали на чертеже: 

26

Направляющая в сборе

Заводской номер: 6198.01.02.00-02 Количество на модель: 2
6198.01.02.00-02
2
27

Номер детали на чертеже: 

27

Гайка М12-8 БДС1262-83

Заводской номер: [Гайка М12-8 БДС1262-83] Количество на модель: 6
[Гайка М12-8 БДС1262-83]
6
28

Номер детали на чертеже: 

28

Пластина стопорная

Заводской номер: 6198.01.02.06 Количество на модель: 2
6198.01.02.06
2
29

Номер детали на чертеже: 

29

Несущий элемент

Заводской номер: 6198.01.02.02 Количество на модель: 2
6198.01.02.02
2
30

Номер детали на чертеже: 

30

Шестерня

Заводской номер: 6198.01.02.07 Количество на модель: 6
6198.01.02.07
6
31

Номер детали на чертеже: 

31

Ось

Заводской номер: 6198.01.02.03 Количество на модель: 6
6198.01.02.03
6
32

Номер детали на чертеже: 

32

Кожух

Заводской номер: 6198.01.02.01 Количество на модель: 2
6198.01.02.01
2
33

Номер детали на чертеже: 

33

Болт 1 М12х65-8.8 БДС1231-85

Заводской номер: [Болт 1 М12х65-8.8 БДС1231-85] Количество на модель: 6
[Болт 1 М12х65-8.8 БДС1231-85]
6
34

Номер детали на чертеже: 

34

Опорная шайба

Заводской номер: 6198.01.02.05 Количество на модель: 12
6198.01.02.05
12
35

Номер детали на чертеже: 

35

Шарик 5мм БДС4885-82

Заводской номер: [Шарик 5мм БДС4885-82] Количество на модель: 6
[Шарик 5мм БДС4885-82]
6
36

Номер детали на чертеже: 

36

Ролик игольчатый 3х27,8 II БДС4886-81

Заводской номер: [Ролик игольчатый 3х27,8 II БДС4886-81] Количество на модель: 120
[Ролик игольчатый 3х27,8 II БДС4886-81]
120
37

Номер детали на чертеже: 

37

Уплотнение

Заводской номер: 6198.01.00.08 Количество на модель: 2
6198.01.00.08
2
38

Номер детали на чертеже: 

38

Болт 1 М8х16-5.6 БДС1232-86

Заводской номер: [Болт 1 М8х16-5.6 БДС1232-86] Количество на модель: 18
[Болт 1 М8х16-5.6 БДС1232-86]
18
39

Номер детали на чертеже: 

39

Тормозной барабан

Заводской номер: 6198.01.00.22 Количество на модель: 2
6198.01.00.22
2
40

Номер детали на чертеже: 

40

Специальная гайка

Заводской номер: 701.08.00.02 Количество на модель: 12
701.08.00.02
12
41

Номер детали на чертеже: 

41

Сферическая пружинная шайба С18,5 DIN74361

Заводской номер: [Сферическая пружинная шайба С18,5 DIN74361] Количество на модель: 12
[Сферическая пружинная шайба С18,5 DIN74361]
12
42

Номер детали на чертеже: 

42

Крышка

Заводской номер: 6198.01.00.11 Количество на модель: 2
6198.01.00.11
2
44

Номер детали на чертеже: 

44

Кольцо 2-13х3-2 БДС7947-85

Заводской номер: [Кольцо 2-13х3-2 БДС7947-85] Количество на модель: 6
[Кольцо 2-13х3-2 БДС7947-85]
6