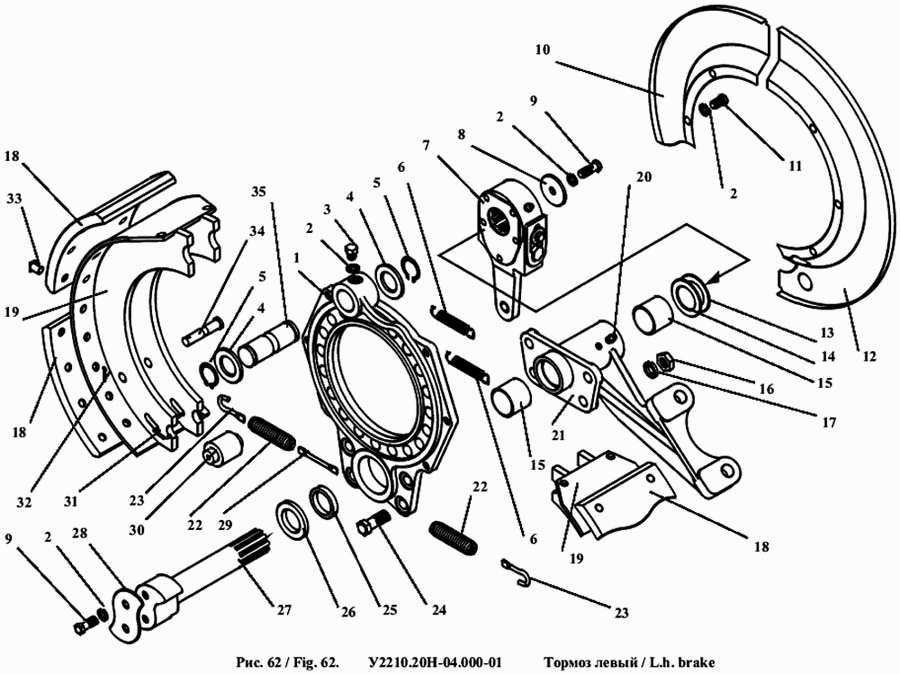
Тормоз левый Амкодор-333В (ТО-18Б3)
MEGAPOWER Automotive – бренд с почти 30-летней историей.
История производства автомобильных компонентов MEGAPOWER Automotive началась в 1995 году. Бренд MEGAPOWER Automotive стал одним из первых на рынке, кто предложил автомобилистам светодиодные лампы в качестве достойной и технологичной альтернативы традиционным лампочкам накаливания. На протяжении второй половины 90-х и начала 2000х годов к ассортименту выпускаемой MEGAPOWER продукции добавились компрессоры для шин, безотказно работающие при любой погоде и обстоятельствах, щетки стеклоочистителя для широкой гаммы легковых и грузовых автомобилей, гидравлические домкраты грузоподъемностью до 50-ти тонн, надежные буксировочные тросы, зарядные устройства, стяжки груза и многое другое.
Важная особенность MEGAPOWER Automotive – поступательное развитие и внимание к деталям. Сочетание высоких технических характеристик, практичность и разумные цены сделали продукцию MEGAPOWER крайне востребованной как опытными водителями, так и сотрудниками сервисных центров.
В начале 2010-х MEGAPOWER Automotive перешел к новому этапу своего развития. Существенно расширился ассортименти и параллельно был запущен проект по выходу на смежный рынок автомобильных запчастей. С этого момента компания разделила 2 своих направления: автотовары, светотехнику и аксессуары продолжили выпускать с исходным красным логотипом, а для автомобильных запчастей была разработана обновленная стилистика оформления, упаковки и черно-голубой логотип.
Абсолютно все запасные части MEGAPOWER Automotive перед тем как попасть к конечному потребителю проверяются на 4х независимых этапах: проверка качества сырья перед началом производственного цикла, постоянный контроль всех параметров технологического процесса, осмотр и контроль изготовленных деталей перед упаковкой, выборочные испытания деталей из каждой партии на специализированных стендах. Запчасти MEGAPOWER имеют расширенную гарантию до 2 лет.
Основу предложения запасных частей MEGAPOWER Automotive составили высококачественные детали для грузовиков, малотоннажного транспорта, а с 2022 года и легковых автомобилей. Сегодня бренд выпускает запчасти двигателя и трансмиссии, подвески и ходовой части, тормозной и рулевой систем, электрооборудование и многое другое.
Продолжая свое развитие, MEGAPOWER Automotive совершенствует технологии, расширяет ассортимент, активно взаимодействует с потребителями продукции, улучшая текущие товары и разрабатывая новые.
Преимущества бренда:
- постоянное расширение ассортимента;
- двухлетняя гарантия качества продукции (1 год на турбокомпрессоры и автотовары);
- более 3500 позиций для грузовых и легковых автомобилей;
- крупносерийное производство;
- квалифицированные специалисты в области инженерных разработок;
На складах : 275 шт.
MEGAPOWER Automotive – бренд с почти 30-летней историей.
История производства автомобильных компонентов MEGAPOWER Automotive началась в 1995 году. Бренд MEGAPOWER Automotive стал одним из первых на рынке, кто предложил автомобилистам светодиодные лампы в качестве достойной и технологичной альтернативы традиционным лампочкам накаливания. На протяжении второй половины 90-х и начала 2000х годов к ассортименту выпускаемой MEGAPOWER продукции добавились компрессоры для шин, безотказно работающие при любой погоде и обстоятельствах, щетки стеклоочистителя для широкой гаммы легковых и грузовых автомобилей, гидравлические домкраты грузоподъемностью до 50-ти тонн, надежные буксировочные тросы, зарядные устройства, стяжки груза и многое другое.
Важная особенность MEGAPOWER Automotive – поступательное развитие и внимание к деталям. Сочетание высоких технических характеристик, практичность и разумные цены сделали продукцию MEGAPOWER крайне востребованной как опытными водителями, так и сотрудниками сервисных центров.
В начале 2010-х MEGAPOWER Automotive перешел к новому этапу своего развития. Существенно расширился ассортименти и параллельно был запущен проект по выходу на смежный рынок автомобильных запчастей. С этого момента компания разделила 2 своих направления: автотовары, светотехнику и аксессуары продолжили выпускать с исходным красным логотипом, а для автомобильных запчастей была разработана обновленная стилистика оформления, упаковки и черно-голубой логотип.
Абсолютно все запасные части MEGAPOWER Automotive перед тем как попасть к конечному потребителю проверяются на 4х независимых этапах: проверка качества сырья перед началом производственного цикла, постоянный контроль всех параметров технологического процесса, осмотр и контроль изготовленных деталей перед упаковкой, выборочные испытания деталей из каждой партии на специализированных стендах. Запчасти MEGAPOWER имеют расширенную гарантию до 2 лет.
Основу предложения запасных частей MEGAPOWER Automotive составили высококачественные детали для грузовиков, малотоннажного транспорта, а с 2022 года и легковых автомобилей. Сегодня бренд выпускает запчасти двигателя и трансмиссии, подвески и ходовой части, тормозной и рулевой систем, электрооборудование и многое другое.
Продолжая свое развитие, MEGAPOWER Automotive совершенствует технологии, расширяет ассортимент, активно взаимодействует с потребителями продукции, улучшая текущие товары и разрабатывая новые.
Преимущества бренда:
- постоянное расширение ассортимента;
- двухлетняя гарантия качества продукции (1 год на турбокомпрессоры и автотовары);
- более 3500 позиций для грузовых и легковых автомобилей;
- крупносерийное производство;
- квалифицированные специалисты в области инженерных разработок;
Компания "АвтоАльянс" является одним из крупнейших дилеров ОАО "ТАиМ" - Бобруйского завода тормозной аппаратуры и механизмов и предлагает широкий выбор выпускаемой заводом продукции: Пневмотормозные системы и их комплектующие для грузовых и сельскохозяйственных машин, в том числе прицепов и комбайнов ПО "Гомсельмаш", грузовой автотехники МАЗ, КрАЗ, КамАЗ, МЗКТ, "Могилевтрасмаш", БелАЗ (тормозные колодки для колесных тормозов, рычаги регулировочные, виброизоляционные подушки, и опоры для установки двигателей Д-245, ЯМЗ-238, ТМЗ-0421, кронштейны, пружины, разжимные кулаки и т.д.). Пневмоаппараты для тракторной техники минского и липецкого тракторных заводов (регуляторы давления, краны тормозные, головки соединительные). Пневмоаппаратура для прицепной сельскохозяйственной техники и грузовой автомобильной техники: ресиверы объемом до 40 литров, фильтры магистральные, клапаны слива конденсата, клапаны контрольного вывода, краны ручного управления тормозами, воздухораспределители двух- и однопроводные, головки соеденительные. Все виды тормозных шлагов для автотехники МАЗ, КрАЗ, КамАЗ, ЛиАЗ, ЗИЛ, СЗАП
На складах : 64 шт.
Компания "АвтоАльянс" является одним из крупнейших дилеров ОАО "ТАиМ" - Бобруйского завода тормозной аппаратуры и механизмов и предлагает широкий выбор выпускаемой заводом продукции: Пневмотормозные системы и их комплектующие для грузовых и сельскохозяйственных машин, в том числе прицепов и комбайнов ПО "Гомсельмаш", грузовой автотехники МАЗ, КрАЗ, КамАЗ, МЗКТ, "Могилевтрасмаш", БелАЗ (тормозные колодки для колесных тормозов, рычаги регулировочные, виброизоляционные подушки, и опоры для установки двигателей Д-245, ЯМЗ-238, ТМЗ-0421, кронштейны, пружины, разжимные кулаки и т.д.). Пневмоаппараты для тракторной техники минского и липецкого тракторных заводов (регуляторы давления, краны тормозные, головки соединительные). Пневмоаппаратура для прицепной сельскохозяйственной техники и грузовой автомобильной техники: ресиверы объемом до 40 литров, фильтры магистральные, клапаны слива конденсата, клапаны контрольного вывода, краны ручного управления тормозами, воздухораспределители двух- и однопроводные, головки соеденительные. Все виды тормозных шлагов для автотехники МАЗ, КрАЗ, КамАЗ, ЛиАЗ, ЗИЛ, СЗАП
СПЕЦМАШ — имя, ставшее синонимом надежности в сфере спецтехники и комплектующих. С момента основания в 1932 году в Ленинграде компания прошла путь от конструкторского бюро до ведущего производителя энергонасыщенных машин, востребованных в дорожном строительстве, нефтегазовой отрасли и других сферах.
За почти столетие инженеры СПЕЦМАШ разработали более 140 моделей техники, 75 из которых выпущены серийно. В их числе — уникальные гусеничные краны, самоходные установки на базе «Кировца» и другие решения, подтвержденные сотнями патентов и государственных наград.
Сегодня СПЕЦМАШ — это не просто завод, а полноценный инновационный холдинг с собственным КБ, исследовательским центром и испытательной базой. Такая структура позволяет не только создавать технику, но и внедрять прорывные технологии, гарантируя качество и долговечность продукции.
Ответом на современные вызовы стал запуск производства запчастей для грузовиков. Это снизило зависимость от импорта, укрепило контроль качества и расширило ассортимент для рынков России и ЕАЭС. Компания активно сотрудничает со странами СНГ, соблюдая строгие стандарты Таможенного союза.
В планах до 2030 года — цифровая трансформация: внедрение AI, IoT и роботизации. Акцент делается на экологичность и энергоэффективность, что соответствует глобальным трендам. Опытная команда СПЕЦМАШ сочетает техническое мастерство с клиентоориентированностью, предлагая не просто машины, а комплексные решения. Это делает компанию trusted-партнером в транспортном машиностроении.
Ассортимент:
- Ремкомплект трубки тормозной
- Болт-штуцер
- Болт
- Трубка тормозная
- Палец
- Фильтр масляный
- Кольцо
- Трубка топливная
- Ось
- Шланг подкачки колеса
- Втулка
- Замок двери
- Опора
СПЕЦМАШ — имя, ставшее синонимом надежности в сфере спецтехники и комплектующих. С момента основания в 1932 году в Ленинграде компания прошла путь от конструкторского бюро до ведущего производителя энергонасыщенных машин, востребованных в дорожном строительстве, нефтегазовой отрасли и других сферах.
За почти столетие инженеры СПЕЦМАШ разработали более 140 моделей техники, 75 из которых выпущены серийно. В их числе — уникальные гусеничные краны, самоходные установки на базе «Кировца» и другие решения, подтвержденные сотнями патентов и государственных наград.
Сегодня СПЕЦМАШ — это не просто завод, а полноценный инновационный холдинг с собственным КБ, исследовательским центром и испытательной базой. Такая структура позволяет не только создавать технику, но и внедрять прорывные технологии, гарантируя качество и долговечность продукции.
Ответом на современные вызовы стал запуск производства запчастей для грузовиков. Это снизило зависимость от импорта, укрепило контроль качества и расширило ассортимент для рынков России и ЕАЭС. Компания активно сотрудничает со странами СНГ, соблюдая строгие стандарты Таможенного союза.
В планах до 2030 года — цифровая трансформация: внедрение AI, IoT и роботизации. Акцент делается на экологичность и энергоэффективность, что соответствует глобальным трендам. Опытная команда СПЕЦМАШ сочетает техническое мастерство с клиентоориентированностью, предлагая не просто машины, а комплексные решения. Это делает компанию trusted-партнером в транспортном машиностроении.
Ассортимент:
- Ремкомплект трубки тормозной
- Болт-штуцер
- Болт
- Трубка тормозная
- Палец
- Фильтр масляный
- Кольцо
- Трубка топливная
- Ось
- Шланг подкачки колеса
- Втулка
- Замок двери
- Опора
История бренда АВТОМАГНАТ началась в 1998 году, когда компания ООО «Радиатор» — сегодня один из крупнейших дистрибьюторов автозапчастей в России — запустила производство и поставку запчастей под собственной торговой маркой. Основанием для этого решения стал растущий спрос на качественные и доступные комплектующие для грузового и легкового транспорта, сельхозтехники и спецмашин. За четверть века бренд заслужил репутацию надежного поставщика, сотрудничающего с 62 заводами в России и Китае, включая партнерство с YUHUAN HANGCHAO TRANSMISSION SHAFT CO. LTD.
Сегодня ассортимент АВТОМАГНАТ насчитывает свыше 6000 позиций: от амортизаторов и дисков сцепления до насосов, фильтров, тормозных систем и электрооборудования. Продукция охватывает потребности техники ведущих отечественных марок — ГАЗ, КАМАЗ, УАЗ, МАЗ, МТЗ и других, — а также поставляется в страны СНГ, Восточной Европы и Азии.
Гарантия на российскую продукцию составляет 1-2 года, что свидетельствует о высоком качестве и надежности изделий. География поставок охватывает не только Россию, но и страны СНГ, такие как Беларусь, Казахстан, Азербайджан и Туркменистан, а также страны Восточной Европы и Азии, включая Германию, Латвию, Китай и Индию. Это говорит о широкой международной представленности бренда и его конкурентоспособности на внешних рынках.
Продукция компании АВТОМАГНАТ соответствует строгим требованиям российских стандартов ГОСТ Р и Евразийского экономического союза, что гарантирует её законность и безопасность на рынке. В своей деятельности компания руководствуется международными стандартами менеджмента качества ISO 9001, что свидетельствует о высоком уровне организации производства и контроля качества. АвтоАльянс — надёжный партнёр компании АВТОМАГНАТ. На своём сайте autoopt.tu он предлагает широкий ассортимент автозапчастей как от АВТОМАГНАТ, так и от других производителей, обеспечивая комплексное снабжение автомобильной техники качественными деталями по всей России.
Ассортимент:
- Шланг тормозной
- Крестовина
- Барабан тормозной
- Вал карданный
- Мотор отопителя
- Ступица
- Амортизатор
- Компрессор и др.
История бренда АВТОМАГНАТ началась в 1998 году, когда компания ООО «Радиатор» — сегодня один из крупнейших дистрибьюторов автозапчастей в России — запустила производство и поставку запчастей под собственной торговой маркой. Основанием для этого решения стал растущий спрос на качественные и доступные комплектующие для грузового и легкового транспорта, сельхозтехники и спецмашин. За четверть века бренд заслужил репутацию надежного поставщика, сотрудничающего с 62 заводами в России и Китае, включая партнерство с YUHUAN HANGCHAO TRANSMISSION SHAFT CO. LTD.
Сегодня ассортимент АВТОМАГНАТ насчитывает свыше 6000 позиций: от амортизаторов и дисков сцепления до насосов, фильтров, тормозных систем и электрооборудования. Продукция охватывает потребности техники ведущих отечественных марок — ГАЗ, КАМАЗ, УАЗ, МАЗ, МТЗ и других, — а также поставляется в страны СНГ, Восточной Европы и Азии.
Гарантия на российскую продукцию составляет 1-2 года, что свидетельствует о высоком качестве и надежности изделий. География поставок охватывает не только Россию, но и страны СНГ, такие как Беларусь, Казахстан, Азербайджан и Туркменистан, а также страны Восточной Европы и Азии, включая Германию, Латвию, Китай и Индию. Это говорит о широкой международной представленности бренда и его конкурентоспособности на внешних рынках.
Продукция компании АВТОМАГНАТ соответствует строгим требованиям российских стандартов ГОСТ Р и Евразийского экономического союза, что гарантирует её законность и безопасность на рынке. В своей деятельности компания руководствуется международными стандартами менеджмента качества ISO 9001, что свидетельствует о высоком уровне организации производства и контроля качества. АвтоАльянс — надёжный партнёр компании АВТОМАГНАТ. На своём сайте autoopt.tu он предлагает широкий ассортимент автозапчастей как от АВТОМАГНАТ, так и от других производителей, обеспечивая комплексное снабжение автомобильной техники качественными деталями по всей России.
Ассортимент:
- Шланг тормозной
- Крестовина
- Барабан тормозной
- Вал карданный
- Мотор отопителя
- Ступица
- Амортизатор
- Компрессор и др.
Компания FENOX начала свой путь в 1989 году, когда на постсоветском пространстве появилась небольшая фирма, выпускавшая гидравлические цилиндры для автомобилей ВАЗ. С тех пор компания прошла долгий путь развития — от узкоспециализированного производителя до международного концерна с современными заводами в Беларуси, России и Германии. В 1996 году FENOX сделала важный шаг, приобретя оборудование немецкой Bremse Hydraulic, что позволило значительно повысить качество продукции и выйти на рынки Европы и Америки. Сегодня FENOX — это более 12 современных производственных площадок и тысячи сотрудников, среди которых сотни инженеров, работающих над инновационными решениями и расширением ассортимента.
Ассортимент продукции FENOX насчитывает более 5000 наименований автокомпонентов, охватывающих все ключевые системы автомобиля. Компания производит детали для тормозных систем, электрических и охлаждающих систем, подвески, трансмиссии и рулевого управления. В числе выпускаемых изделий — амортизаторы, тормозные диски и колодки, гидроцилиндры, генераторы, стартеры, свечи зажигания, рулевые рейки, насосы, муфты сцепления, вентиляторы отопления и охлаждения, а также комплектующие для карданных шарниров и многое другое. Продукция ориентирована на широкий спектр техники: от легковых автомобилей ВАЗ и зарубежных брендов до грузовиков КАМАЗ, МАЗ, ГАЗ и УАЗ.
FENOX известна своей приверженностью качеству и инновациям. Компания обладает собственным конструкторским бюро и испытательным центром, аккредитованным по международным стандартам, что гарантирует надежность и безопасность выпускаемых изделий. Сертификация по ISO 9001 и соответствие требованиям VDA 6.1 позволяют поставлять продукцию не только на вторичный рынок, но и на конвейеры ведущих мировых автопроизводителей, таких как Volkswagen, Renault, General Motors и другие.
Сегодня FENOX экспортирует свою продукцию более чем в 50 стран мира, укрепляя позиции на международном рынке и продолжая расширять ассортимент. В планах компании — дальнейшее внедрение современных технологий, развитие производства и создание новых решений, которые помогут сделать автомобили еще более надежными и безопасными. История FENOX — это пример успешного развития, основанного на качестве, инновациях и стремлении удовлетворять потребности самых требовательных клиентов.
Ассортимент:
- Система охлаждения
- Электрическая система
- Система рулевого управления
- Система подвески
- Система трансмиссии
- Главные тормозные цилиндры
- Датчики ABS
- Лямбда-зонды
Компания FENOX начала свой путь в 1989 году, когда на постсоветском пространстве появилась небольшая фирма, выпускавшая гидравлические цилиндры для автомобилей ВАЗ. С тех пор компания прошла долгий путь развития — от узкоспециализированного производителя до международного концерна с современными заводами в Беларуси, России и Германии. В 1996 году FENOX сделала важный шаг, приобретя оборудование немецкой Bremse Hydraulic, что позволило значительно повысить качество продукции и выйти на рынки Европы и Америки. Сегодня FENOX — это более 12 современных производственных площадок и тысячи сотрудников, среди которых сотни инженеров, работающих над инновационными решениями и расширением ассортимента.
Ассортимент продукции FENOX насчитывает более 5000 наименований автокомпонентов, охватывающих все ключевые системы автомобиля. Компания производит детали для тормозных систем, электрических и охлаждающих систем, подвески, трансмиссии и рулевого управления. В числе выпускаемых изделий — амортизаторы, тормозные диски и колодки, гидроцилиндры, генераторы, стартеры, свечи зажигания, рулевые рейки, насосы, муфты сцепления, вентиляторы отопления и охлаждения, а также комплектующие для карданных шарниров и многое другое. Продукция ориентирована на широкий спектр техники: от легковых автомобилей ВАЗ и зарубежных брендов до грузовиков КАМАЗ, МАЗ, ГАЗ и УАЗ.
FENOX известна своей приверженностью качеству и инновациям. Компания обладает собственным конструкторским бюро и испытательным центром, аккредитованным по международным стандартам, что гарантирует надежность и безопасность выпускаемых изделий. Сертификация по ISO 9001 и соответствие требованиям VDA 6.1 позволяют поставлять продукцию не только на вторичный рынок, но и на конвейеры ведущих мировых автопроизводителей, таких как Volkswagen, Renault, General Motors и другие.
Сегодня FENOX экспортирует свою продукцию более чем в 50 стран мира, укрепляя позиции на международном рынке и продолжая расширять ассортимент. В планах компании — дальнейшее внедрение современных технологий, развитие производства и создание новых решений, которые помогут сделать автомобили еще более надежными и безопасными. История FENOX — это пример успешного развития, основанного на качестве, инновациях и стремлении удовлетворять потребности самых требовательных клиентов.
Ассортимент:
- Система охлаждения
- Электрическая система
- Система рулевого управления
- Система подвески
- Система трансмиссии
- Главные тормозные цилиндры
- Датчики ABS
- Лямбда-зонды
БЕЛАК — бренд, официально известный как «БелАвтоКомплект», основан в Белоруссии и специализируется на запчастях, инструментах и аксессуарах для грузовых автомобилей. За почти три десятилетия компания трансформировалась в промышленный холдинг, объединяющий производственные мощности, научные лаборатории и дистрибьюторские сети. Сегодня БЕЛАК — это узнаваемый игрок на рынке России, стран СНГ и зарубежья, ориентированный на создание надёжных решений для профессионального и бытового использования.
Ключевым принципом бренда является бескомпромиссное качество. На всех этапах производства — от проектирования до сборки — действует многоуровневый контроль. Каждое изделие проходит не только лабораторные тесты, но и ходовые испытания в реальных условиях, часто превышающие два гарантийных срока эксплуатации. Такой подход обеспечивает долговечность и износостойкость продукции даже при интенсивных нагрузках. БЕЛАК сертифицирован по стандартам ISO 9001, а также соответствует требованиям Таможенного союза и ГОСТ, что дополнительно подтверждает его соответствие строгим техническим и экологическим нормативам.
Ассортимент бренда охватывает широкий спектр продуктов для обслуживания грузовой и легковой техники. В линейке представлены гидравлические домкраты грузоподъёмностью от 1,5 до 32 тонн, насосы для перекачки топливной жидкости и масел, проф-инструменты, а также тормозные компоненты, амортизаторы, насосы ГУР и циркуляционные системы. Конструкторские бюро бренда регулярно совершенствуют технологии, внедряют высокопрочные материалы и улучшают эргономику, что повышает безопасность и эффективность работы с продукцией.
БЕЛАК успешно сочетает надёжность с доступностью, что делают его продукты привлекательными для автосервисов, транспортных компаний и частных автовладельцев. К 2030 году компания планирует укрепить позиции через расширение производственных мощностей и внедрение экологичных технологий.
АвтоАльянс является официальным партнёром БЕЛАК, предлагая клиентам каталог оригинальных автозапчастей и инструментов этого бренда. Сотрудничая с нами, вы получаете не только проверенное качество и надёжность, но и профессиональные консультации, гарантийное обслуживание и оперативную доставку.
Ассортимент:
- Гидравлические домкраты различной грузоподъёмности
- Насосы для перекачки топлива (дизель, керосин и др.)
- Механические гайковёрты для работы с крепёжными элементами
- Шприцы для смазки узлов и механизмов
- Автомобильные компрессоры для накачки шин и обслуживания техники
- Тормозные клапаны и регуляторы давления воздуха для пневматических систем
- Тормозные краны и осушители воздуха для грузовых автомобилей
- Тормозные камеры и гидравлические компоненты тормозных систем
- Регулировочные рычаги и детали подвески
- Циркуляционные насосы для систем отопления и охлаждения
- Диски и корзины сцепления, усилители привода сцепления
- Амортизаторы и амортизаторные стойки
- Универсальные зеркала заднего вида для грузовиков и спецтехники
- Фитинги и соединительные элементы для трубопроводов
- Гидроусилители руля (ГУР)
- Быстросъёмные наконечники и переходники для инструментов
- Прецизионные гаечные ключи с динамометром
- Универсальные наборы ключей с трещоткой
- Приспособления для тормозных систем (утапливатель поршня)
- Электрические топливные насосы
БЕЛАК — бренд, официально известный как «БелАвтоКомплект», основан в Белоруссии и специализируется на запчастях, инструментах и аксессуарах для грузовых автомобилей. За почти три десятилетия компания трансформировалась в промышленный холдинг, объединяющий производственные мощности, научные лаборатории и дистрибьюторские сети. Сегодня БЕЛАК — это узнаваемый игрок на рынке России, стран СНГ и зарубежья, ориентированный на создание надёжных решений для профессионального и бытового использования.
Ключевым принципом бренда является бескомпромиссное качество. На всех этапах производства — от проектирования до сборки — действует многоуровневый контроль. Каждое изделие проходит не только лабораторные тесты, но и ходовые испытания в реальных условиях, часто превышающие два гарантийных срока эксплуатации. Такой подход обеспечивает долговечность и износостойкость продукции даже при интенсивных нагрузках. БЕЛАК сертифицирован по стандартам ISO 9001, а также соответствует требованиям Таможенного союза и ГОСТ, что дополнительно подтверждает его соответствие строгим техническим и экологическим нормативам.
Ассортимент бренда охватывает широкий спектр продуктов для обслуживания грузовой и легковой техники. В линейке представлены гидравлические домкраты грузоподъёмностью от 1,5 до 32 тонн, насосы для перекачки топливной жидкости и масел, проф-инструменты, а также тормозные компоненты, амортизаторы, насосы ГУР и циркуляционные системы. Конструкторские бюро бренда регулярно совершенствуют технологии, внедряют высокопрочные материалы и улучшают эргономику, что повышает безопасность и эффективность работы с продукцией.
БЕЛАК успешно сочетает надёжность с доступностью, что делают его продукты привлекательными для автосервисов, транспортных компаний и частных автовладельцев. К 2030 году компания планирует укрепить позиции через расширение производственных мощностей и внедрение экологичных технологий.
АвтоАльянс является официальным партнёром БЕЛАК, предлагая клиентам каталог оригинальных автозапчастей и инструментов этого бренда. Сотрудничая с нами, вы получаете не только проверенное качество и надёжность, но и профессиональные консультации, гарантийное обслуживание и оперативную доставку.
Ассортимент:
- Гидравлические домкраты различной грузоподъёмности
- Насосы для перекачки топлива (дизель, керосин и др.)
- Механические гайковёрты для работы с крепёжными элементами
- Шприцы для смазки узлов и механизмов
- Автомобильные компрессоры для накачки шин и обслуживания техники
- Тормозные клапаны и регуляторы давления воздуха для пневматических систем
- Тормозные краны и осушители воздуха для грузовых автомобилей
- Тормозные камеры и гидравлические компоненты тормозных систем
- Регулировочные рычаги и детали подвески
- Циркуляционные насосы для систем отопления и охлаждения
- Диски и корзины сцепления, усилители привода сцепления
- Амортизаторы и амортизаторные стойки
- Универсальные зеркала заднего вида для грузовиков и спецтехники
- Фитинги и соединительные элементы для трубопроводов
- Гидроусилители руля (ГУР)
- Быстросъёмные наконечники и переходники для инструментов
- Прецизионные гаечные ключи с динамометром
- Универсальные наборы ключей с трещоткой
- Приспособления для тормозных систем (утапливатель поршня)
- Электрические топливные насосы
Сегодня SORL представлен в Азии, Австралии, Европе, Северной и Южной Америке. SORL - один из лидеров по производству тормозных механизмов, пневматической аппаратуры и компонентов для грузовых автомобилей, признанный во всем мире. SORL является конвейерным поставщиком для ведущих отечественных автомобильных заводов: KAMAZ, ГАЗ, МАЗ; производителей прицепов: Nordtank, Политранс, Сеспель, Grunwald и еще порядка 20 заводов. Весь производственный процесс реализован на современных роботизированных заводах. На всех 11-х производствах автоматизированное оборудование контролируется внедренной системой контроля качества на основе машинного 3D-зрения.
Вся продукция SORL сертифицирована в соответствии с международными и российскими стандартами качества.
Комплектующие SORL - это выбор крупнейших поставщиков запасных частей и комплектующих:
- Качество оригинальной детали по разумной цене
- Высокий ресурс деталей и полное соответствие OEM чертежам
- Расширенная гарантия (до 24 месяцев) без ограничений по пробегу
- Широкий ассортимент компонентов: более 500 наименований на складах в РФ и более 8 тысяч - под заказ из Китая
- Минимальный процент брака с количеством частей на миллион (PPM) менее 50
Продукция SORL всегда в наличии на складах АвтоАльянса.
Сегодня SORL представлен в Азии, Австралии, Европе, Северной и Южной Америке. SORL - один из лидеров по производству тормозных механизмов, пневматической аппаратуры и компонентов для грузовых автомобилей, признанный во всем мире. SORL является конвейерным поставщиком для ведущих отечественных автомобильных заводов: KAMAZ, ГАЗ, МАЗ; производителей прицепов: Nordtank, Политранс, Сеспель, Grunwald и еще порядка 20 заводов. Весь производственный процесс реализован на современных роботизированных заводах. На всех 11-х производствах автоматизированное оборудование контролируется внедренной системой контроля качества на основе машинного 3D-зрения.
Вся продукция SORL сертифицирована в соответствии с международными и российскими стандартами качества.
Комплектующие SORL - это выбор крупнейших поставщиков запасных частей и комплектующих:
- Качество оригинальной детали по разумной цене
- Высокий ресурс деталей и полное соответствие OEM чертежам
- Расширенная гарантия (до 24 месяцев) без ограничений по пробегу
- Широкий ассортимент компонентов: более 500 наименований на складах в РФ и более 8 тысяч - под заказ из Китая
- Минимальный процент брака с количеством частей на миллион (PPM) менее 50
Продукция SORL всегда в наличии на складах АвтоАльянса.
На складах : 25 шт.
