8 800 700-05-95 Все контакты

C 9:00 до 20:00. Звонок по РФ бесплатный

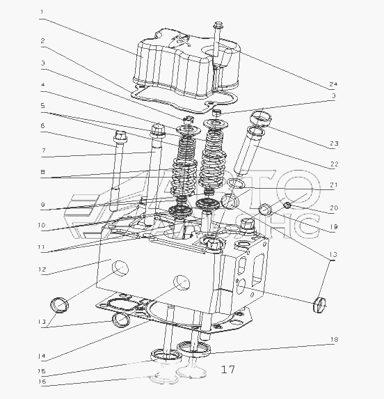
M3001-1003000 Головка цилиндров и крышка головки цилиндров в сборе YC6M220G (M3020). Каталог 2010г.

ВниманиеЭлектронный автокаталог запчастей предназначен для справочных целей! Наша компания продает только те товары, у которых есть цены в списке.

Вид отображения:

Детали справа
1

Номер детали на чертеже: 

1

Крышка головки цилиндров

Заводской номер: M3400-1003205 Количество на модель: 1
M3400-1003205
1
2

Номер детали на чертеже: 

2

Прокладка крышки блока цилиндров

Заводской номер: M3400-1003201 Количество на модель: 4
M3400-1003201
4
3

Номер детали на чертеже: 

3

Зажим замка клапана

Заводской номер: M3000-1003109A Количество на модель: 2
M3000-1003109A
2
4

Номер детали на чертеже: 

4

Верхнее сиденье пружины клапана

Заводской номер: M3000-1003116A Количество на модель: 2
M3000-1003116A
2
5

Номер детали на чертеже: 

5

Внутренняя пружина клапана

Заводской номер: M3000-1003117 Количество на модель: 4
M3000-1003117
4
6

Номер детали на чертеже: 

6

Болт главного цилиндра

Заводской номер: M5000-1003003A Количество на модель: 2
M5000-1003003A
2
7

Номер детали на чертеже: 

7

Подболт головки цилиндра

Заводской номер: M3000-1003012A Количество на модель: 2
M3000-1003012A
2
8

Номер детали на чертеже: 

8

Пружина впускного клапана

Заводской номер: M3000-1003120 Количество на модель: 2
M3000-1003120
2
9

Номер детали на чертеже: 

9

Масляное уплотнение штока клапана

Заводской номер: M3000-1003105A Количество на модель: 2
M3000-1003105A
2
10

Номер детали на чертеже: 

10

Части сидения под пружиной клапана

Заводской номер: M3000-1003160 Количество на модель: 2
M3000-1003160
2
11

Номер детали на чертеже: 

11

Направляющая клапана

Заводской номер: M3000-1003104A Количество на модель: 1
M3000-1003104A
1
12

Номер детали на чертеже: 

12

Головка блока цилиндров

Заводской номер: M3000-1003101G Количество на модель: 1
M3000-1003101G
1
13

Номер детали на чертеже: 

13

Шайба d30

Заводской номер: Q72230 Количество на модель: 1
Q72230
1
14

Номер детали на чертеже: 

14

Прокладка головки блока цилиндров

Заводской номер: M3000-1003001E Количество на модель: 1
M3000-1003001E
1
15

Номер детали на чертеже: 

15

Кольцо сиденья выпускного клапана

Заводской номер: M3000-1003102B Количество на модель: 1
M3000-1003102B
1
16

Номер детали на чертеже: 

16

выпускного клапан

Заводской номер: M3000-1003103A Количество на модель: 1
M3000-1003103A
1
17

Номер детали на чертеже: 

17

Выпускной клапан

Заводской номер: M3000-1003111B Количество на модель: 1
M3000-1003111B
1
18

Номер детали на чертеже: 

18

Впускное уплотнительное кольцо

Заводской номер: M3000-1003112C Количество на модель: 1
M3000-1003112C
1
19

Номер детали на чертеже: 

19

Пробка

Заводской номер: Q72212 Количество на модель: 1
Q72212
1
20

Номер детали на чертеже: 

20

Пробка

Заводской номер: Q72222 Количество на модель: 1
Q72222
1
21

Номер детали на чертеже: 

21

Кольцевая прокладка 3.55X23.6

Заводской номер: YC208-C02360S Количество на модель: 1
YC208-C02360S
1
22

Номер детали на чертеже: 

22

Медная гильза инжектора

Заводской номер: M3000-1003119A Количество на модель: 1
M3000-1003119A
1
23

Номер детали на чертеже: 

23

Винтовая втулка

Заводской номер: 6105QA-1003001 Количество на модель: 2
6105QA-1003001
2
24

Номер детали на чертеже: 

24

Болт M8x60

Заводской номер: Q1840860 Количество на модель: 1
Q1840860
1