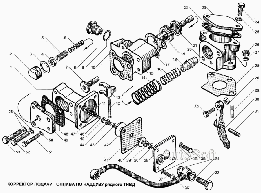
Корректор подачи топлива по наддуву рядного ТНВД ЯМЗ-236 НЕ, 236 БЕ, 7601.10. Каталог 2003г.

История Ярославского завода дизельной аппаратуры — это не просто рассказ о промышленном предприятии, а живая летопись отечественного машиностроения, наполненная важными датами, судьбоносными решениями и человеческими историями. Всё началось 5 февраля 1972 года, когда в Ярославле был заложен первый камень будущего завода. Тогда перед страной стояла амбициозная задача: обеспечить Камский автозавод собственными топливными насосами высокого давления, чтобы снизить зависимость от импортных комплектующих и укрепить технологическую независимость российского автопрома.
Уже в 1977 году с конвейера сошёл первый топливный насос, а к 1980-м годам предприятие расширило производство, начав выпускать аппаратуру для дизельных двигателей грузовиков «Урал», «ЗИЛ», а также для автобусов Львовского и Ликинского заводов. В 1988 году ЯЗДА стал частью объединённого комплекса «Дизельаппаратура», объединив усилия с Ярославским заводом топливной аппаратуры — этот шаг не только укрепил производственные мощности, но и создал атмосферу единой команды, где каждый сотрудник ощущал свою причастность к большому делу. С началом рыночных реформ в 1993 году завод преобразовался в акционерное общество, а в 2006 году вошёл в состав дивизиона «Силовые агрегаты» группы ГАЗ, что стало новым этапом в его развитии. За более чем полвека ЯЗДА стал надёжным поставщиком топливной аппаратуры для большинства отечественных грузовиков и автобусов: КамАЗ, Урал, ЗИЛ, ЯМЗ, МАЗ, КрАЗ, ЛиАЗ, ПАЗ — все эти марки используют продукцию завода, доверяя её качеству и долговечности.
Особое место в истории предприятия занимает коллектив — люди, которые не просто выполняют свою работу, а вкладывают в неё душу. Здесь всегда ценились профессионализм, ответственность и стремление к совершенству. Многие сотрудники проработали на заводе десятки лет, передавая опыт новым поколениям и поддерживая традиции качества. Важным элементом корпоративной культуры стало постоянное обучение и внедрение современных технологий, что позволило ЯЗДА оставаться на передовой машиностроения даже в условиях перемен. Сегодня завод не только сохраняет верность своим истокам, но и смотрит в будущее. К 2030 году ЯЗДА планирует расширить экспорт, внедрять цифровые решения и поддерживать соответствие международным стандартам качества, чтобы российская топливная аппаратура оставалась конкурентоспособной на мировом рынке. За этими стратегическими целями стоят реальные люди, их труд, инициативы и забота о каждом клиенте.
ЯЗДА — это не просто производитель, а часть большой истории российского машиностроения, где ценится не только результат, но и путь к нему. Завод гордится своим вкладом в развитие отечественной техники и стремится быть надёжным партнёром для автопроизводителей и транспортных компаний. АвтоАльянс является официальным дилером ЯЗДА. Мы объединяем опыт, современные технологии и заботу о качестве, чтобы каждый двигатель работал безотказно в любых условиях. Сохраняя традиции и внедряя инновации, мы движемся вперёд вместе с вами.
Ассортимент:
- Болт
- Вал карданный
- Блок управления
- Втулка
- Винт КАМАЗ
- Насос топливный КАМАЗ, ТМЗ, УРАЛ
- Муфта ЯМЗ
- Пара плунжерная и др.

История Ярославского завода дизельной аппаратуры — это не просто рассказ о промышленном предприятии, а живая летопись отечественного машиностроения, наполненная важными датами, судьбоносными решениями и человеческими историями. Всё началось 5 февраля 1972 года, когда в Ярославле был заложен первый камень будущего завода. Тогда перед страной стояла амбициозная задача: обеспечить Камский автозавод собственными топливными насосами высокого давления, чтобы снизить зависимость от импортных комплектующих и укрепить технологическую независимость российского автопрома.
Уже в 1977 году с конвейера сошёл первый топливный насос, а к 1980-м годам предприятие расширило производство, начав выпускать аппаратуру для дизельных двигателей грузовиков «Урал», «ЗИЛ», а также для автобусов Львовского и Ликинского заводов. В 1988 году ЯЗДА стал частью объединённого комплекса «Дизельаппаратура», объединив усилия с Ярославским заводом топливной аппаратуры — этот шаг не только укрепил производственные мощности, но и создал атмосферу единой команды, где каждый сотрудник ощущал свою причастность к большому делу. С началом рыночных реформ в 1993 году завод преобразовался в акционерное общество, а в 2006 году вошёл в состав дивизиона «Силовые агрегаты» группы ГАЗ, что стало новым этапом в его развитии. За более чем полвека ЯЗДА стал надёжным поставщиком топливной аппаратуры для большинства отечественных грузовиков и автобусов: КамАЗ, Урал, ЗИЛ, ЯМЗ, МАЗ, КрАЗ, ЛиАЗ, ПАЗ — все эти марки используют продукцию завода, доверяя её качеству и долговечности.
Особое место в истории предприятия занимает коллектив — люди, которые не просто выполняют свою работу, а вкладывают в неё душу. Здесь всегда ценились профессионализм, ответственность и стремление к совершенству. Многие сотрудники проработали на заводе десятки лет, передавая опыт новым поколениям и поддерживая традиции качества. Важным элементом корпоративной культуры стало постоянное обучение и внедрение современных технологий, что позволило ЯЗДА оставаться на передовой машиностроения даже в условиях перемен. Сегодня завод не только сохраняет верность своим истокам, но и смотрит в будущее. К 2030 году ЯЗДА планирует расширить экспорт, внедрять цифровые решения и поддерживать соответствие международным стандартам качества, чтобы российская топливная аппаратура оставалась конкурентоспособной на мировом рынке. За этими стратегическими целями стоят реальные люди, их труд, инициативы и забота о каждом клиенте.
ЯЗДА — это не просто производитель, а часть большой истории российского машиностроения, где ценится не только результат, но и путь к нему. Завод гордится своим вкладом в развитие отечественной техники и стремится быть надёжным партнёром для автопроизводителей и транспортных компаний. АвтоАльянс является официальным дилером ЯЗДА. Мы объединяем опыт, современные технологии и заботу о качестве, чтобы каждый двигатель работал безотказно в любых условиях. Сохраняя традиции и внедряя инновации, мы движемся вперёд вместе с вами.
Ассортимент:
- Болт
- Вал карданный
- Блок управления
- Втулка
- Винт КАМАЗ
- Насос топливный КАМАЗ, ТМЗ, УРАЛ
- Муфта ЯМЗ
- Пара плунжерная и др.

История Ярославского завода дизельной аппаратуры — это не просто рассказ о промышленном предприятии, а живая летопись отечественного машиностроения, наполненная важными датами, судьбоносными решениями и человеческими историями. Всё началось 5 февраля 1972 года, когда в Ярославле был заложен первый камень будущего завода. Тогда перед страной стояла амбициозная задача: обеспечить Камский автозавод собственными топливными насосами высокого давления, чтобы снизить зависимость от импортных комплектующих и укрепить технологическую независимость российского автопрома.
Уже в 1977 году с конвейера сошёл первый топливный насос, а к 1980-м годам предприятие расширило производство, начав выпускать аппаратуру для дизельных двигателей грузовиков «Урал», «ЗИЛ», а также для автобусов Львовского и Ликинского заводов. В 1988 году ЯЗДА стал частью объединённого комплекса «Дизельаппаратура», объединив усилия с Ярославским заводом топливной аппаратуры — этот шаг не только укрепил производственные мощности, но и создал атмосферу единой команды, где каждый сотрудник ощущал свою причастность к большому делу. С началом рыночных реформ в 1993 году завод преобразовался в акционерное общество, а в 2006 году вошёл в состав дивизиона «Силовые агрегаты» группы ГАЗ, что стало новым этапом в его развитии. За более чем полвека ЯЗДА стал надёжным поставщиком топливной аппаратуры для большинства отечественных грузовиков и автобусов: КамАЗ, Урал, ЗИЛ, ЯМЗ, МАЗ, КрАЗ, ЛиАЗ, ПАЗ — все эти марки используют продукцию завода, доверяя её качеству и долговечности.
Особое место в истории предприятия занимает коллектив — люди, которые не просто выполняют свою работу, а вкладывают в неё душу. Здесь всегда ценились профессионализм, ответственность и стремление к совершенству. Многие сотрудники проработали на заводе десятки лет, передавая опыт новым поколениям и поддерживая традиции качества. Важным элементом корпоративной культуры стало постоянное обучение и внедрение современных технологий, что позволило ЯЗДА оставаться на передовой машиностроения даже в условиях перемен. Сегодня завод не только сохраняет верность своим истокам, но и смотрит в будущее. К 2030 году ЯЗДА планирует расширить экспорт, внедрять цифровые решения и поддерживать соответствие международным стандартам качества, чтобы российская топливная аппаратура оставалась конкурентоспособной на мировом рынке. За этими стратегическими целями стоят реальные люди, их труд, инициативы и забота о каждом клиенте.
ЯЗДА — это не просто производитель, а часть большой истории российского машиностроения, где ценится не только результат, но и путь к нему. Завод гордится своим вкладом в развитие отечественной техники и стремится быть надёжным партнёром для автопроизводителей и транспортных компаний. АвтоАльянс является официальным дилером ЯЗДА. Мы объединяем опыт, современные технологии и заботу о качестве, чтобы каждый двигатель работал безотказно в любых условиях. Сохраняя традиции и внедряя инновации, мы движемся вперёд вместе с вами.
Ассортимент:
- Болт
- Вал карданный
- Блок управления
- Втулка
- Винт КАМАЗ
- Насос топливный КАМАЗ, ТМЗ, УРАЛ
- Муфта ЯМЗ
- Пара плунжерная и др.

История Ярославского завода дизельной аппаратуры — это не просто рассказ о промышленном предприятии, а живая летопись отечественного машиностроения, наполненная важными датами, судьбоносными решениями и человеческими историями. Всё началось 5 февраля 1972 года, когда в Ярославле был заложен первый камень будущего завода. Тогда перед страной стояла амбициозная задача: обеспечить Камский автозавод собственными топливными насосами высокого давления, чтобы снизить зависимость от импортных комплектующих и укрепить технологическую независимость российского автопрома.
Уже в 1977 году с конвейера сошёл первый топливный насос, а к 1980-м годам предприятие расширило производство, начав выпускать аппаратуру для дизельных двигателей грузовиков «Урал», «ЗИЛ», а также для автобусов Львовского и Ликинского заводов. В 1988 году ЯЗДА стал частью объединённого комплекса «Дизельаппаратура», объединив усилия с Ярославским заводом топливной аппаратуры — этот шаг не только укрепил производственные мощности, но и создал атмосферу единой команды, где каждый сотрудник ощущал свою причастность к большому делу. С началом рыночных реформ в 1993 году завод преобразовался в акционерное общество, а в 2006 году вошёл в состав дивизиона «Силовые агрегаты» группы ГАЗ, что стало новым этапом в его развитии. За более чем полвека ЯЗДА стал надёжным поставщиком топливной аппаратуры для большинства отечественных грузовиков и автобусов: КамАЗ, Урал, ЗИЛ, ЯМЗ, МАЗ, КрАЗ, ЛиАЗ, ПАЗ — все эти марки используют продукцию завода, доверяя её качеству и долговечности.
Особое место в истории предприятия занимает коллектив — люди, которые не просто выполняют свою работу, а вкладывают в неё душу. Здесь всегда ценились профессионализм, ответственность и стремление к совершенству. Многие сотрудники проработали на заводе десятки лет, передавая опыт новым поколениям и поддерживая традиции качества. Важным элементом корпоративной культуры стало постоянное обучение и внедрение современных технологий, что позволило ЯЗДА оставаться на передовой машиностроения даже в условиях перемен. Сегодня завод не только сохраняет верность своим истокам, но и смотрит в будущее. К 2030 году ЯЗДА планирует расширить экспорт, внедрять цифровые решения и поддерживать соответствие международным стандартам качества, чтобы российская топливная аппаратура оставалась конкурентоспособной на мировом рынке. За этими стратегическими целями стоят реальные люди, их труд, инициативы и забота о каждом клиенте.
ЯЗДА — это не просто производитель, а часть большой истории российского машиностроения, где ценится не только результат, но и путь к нему. Завод гордится своим вкладом в развитие отечественной техники и стремится быть надёжным партнёром для автопроизводителей и транспортных компаний. АвтоАльянс является официальным дилером ЯЗДА. Мы объединяем опыт, современные технологии и заботу о качестве, чтобы каждый двигатель работал безотказно в любых условиях. Сохраняя традиции и внедряя инновации, мы движемся вперёд вместе с вами.
Ассортимент:
- Болт
- Вал карданный
- Блок управления
- Втулка
- Винт КАМАЗ
- Насос топливный КАМАЗ, ТМЗ, УРАЛ
- Муфта ЯМЗ
- Пара плунжерная и др.

История Ярославского завода дизельной аппаратуры — это не просто рассказ о промышленном предприятии, а живая летопись отечественного машиностроения, наполненная важными датами, судьбоносными решениями и человеческими историями. Всё началось 5 февраля 1972 года, когда в Ярославле был заложен первый камень будущего завода. Тогда перед страной стояла амбициозная задача: обеспечить Камский автозавод собственными топливными насосами высокого давления, чтобы снизить зависимость от импортных комплектующих и укрепить технологическую независимость российского автопрома.
Уже в 1977 году с конвейера сошёл первый топливный насос, а к 1980-м годам предприятие расширило производство, начав выпускать аппаратуру для дизельных двигателей грузовиков «Урал», «ЗИЛ», а также для автобусов Львовского и Ликинского заводов. В 1988 году ЯЗДА стал частью объединённого комплекса «Дизельаппаратура», объединив усилия с Ярославским заводом топливной аппаратуры — этот шаг не только укрепил производственные мощности, но и создал атмосферу единой команды, где каждый сотрудник ощущал свою причастность к большому делу. С началом рыночных реформ в 1993 году завод преобразовался в акционерное общество, а в 2006 году вошёл в состав дивизиона «Силовые агрегаты» группы ГАЗ, что стало новым этапом в его развитии. За более чем полвека ЯЗДА стал надёжным поставщиком топливной аппаратуры для большинства отечественных грузовиков и автобусов: КамАЗ, Урал, ЗИЛ, ЯМЗ, МАЗ, КрАЗ, ЛиАЗ, ПАЗ — все эти марки используют продукцию завода, доверяя её качеству и долговечности.
Особое место в истории предприятия занимает коллектив — люди, которые не просто выполняют свою работу, а вкладывают в неё душу. Здесь всегда ценились профессионализм, ответственность и стремление к совершенству. Многие сотрудники проработали на заводе десятки лет, передавая опыт новым поколениям и поддерживая традиции качества. Важным элементом корпоративной культуры стало постоянное обучение и внедрение современных технологий, что позволило ЯЗДА оставаться на передовой машиностроения даже в условиях перемен. Сегодня завод не только сохраняет верность своим истокам, но и смотрит в будущее. К 2030 году ЯЗДА планирует расширить экспорт, внедрять цифровые решения и поддерживать соответствие международным стандартам качества, чтобы российская топливная аппаратура оставалась конкурентоспособной на мировом рынке. За этими стратегическими целями стоят реальные люди, их труд, инициативы и забота о каждом клиенте.
ЯЗДА — это не просто производитель, а часть большой истории российского машиностроения, где ценится не только результат, но и путь к нему. Завод гордится своим вкладом в развитие отечественной техники и стремится быть надёжным партнёром для автопроизводителей и транспортных компаний. АвтоАльянс является официальным дилером ЯЗДА. Мы объединяем опыт, современные технологии и заботу о качестве, чтобы каждый двигатель работал безотказно в любых условиях. Сохраняя традиции и внедряя инновации, мы движемся вперёд вместе с вами.
Ассортимент:
- Болт
- Вал карданный
- Блок управления
- Втулка
- Винт КАМАЗ
- Насос топливный КАМАЗ, ТМЗ, УРАЛ
- Муфта ЯМЗ
- Пара плунжерная и др.

История Ярославского завода дизельной аппаратуры — это не просто рассказ о промышленном предприятии, а живая летопись отечественного машиностроения, наполненная важными датами, судьбоносными решениями и человеческими историями. Всё началось 5 февраля 1972 года, когда в Ярославле был заложен первый камень будущего завода. Тогда перед страной стояла амбициозная задача: обеспечить Камский автозавод собственными топливными насосами высокого давления, чтобы снизить зависимость от импортных комплектующих и укрепить технологическую независимость российского автопрома.
Уже в 1977 году с конвейера сошёл первый топливный насос, а к 1980-м годам предприятие расширило производство, начав выпускать аппаратуру для дизельных двигателей грузовиков «Урал», «ЗИЛ», а также для автобусов Львовского и Ликинского заводов. В 1988 году ЯЗДА стал частью объединённого комплекса «Дизельаппаратура», объединив усилия с Ярославским заводом топливной аппаратуры — этот шаг не только укрепил производственные мощности, но и создал атмосферу единой команды, где каждый сотрудник ощущал свою причастность к большому делу. С началом рыночных реформ в 1993 году завод преобразовался в акционерное общество, а в 2006 году вошёл в состав дивизиона «Силовые агрегаты» группы ГАЗ, что стало новым этапом в его развитии. За более чем полвека ЯЗДА стал надёжным поставщиком топливной аппаратуры для большинства отечественных грузовиков и автобусов: КамАЗ, Урал, ЗИЛ, ЯМЗ, МАЗ, КрАЗ, ЛиАЗ, ПАЗ — все эти марки используют продукцию завода, доверяя её качеству и долговечности.
Особое место в истории предприятия занимает коллектив — люди, которые не просто выполняют свою работу, а вкладывают в неё душу. Здесь всегда ценились профессионализм, ответственность и стремление к совершенству. Многие сотрудники проработали на заводе десятки лет, передавая опыт новым поколениям и поддерживая традиции качества. Важным элементом корпоративной культуры стало постоянное обучение и внедрение современных технологий, что позволило ЯЗДА оставаться на передовой машиностроения даже в условиях перемен. Сегодня завод не только сохраняет верность своим истокам, но и смотрит в будущее. К 2030 году ЯЗДА планирует расширить экспорт, внедрять цифровые решения и поддерживать соответствие международным стандартам качества, чтобы российская топливная аппаратура оставалась конкурентоспособной на мировом рынке. За этими стратегическими целями стоят реальные люди, их труд, инициативы и забота о каждом клиенте.
ЯЗДА — это не просто производитель, а часть большой истории российского машиностроения, где ценится не только результат, но и путь к нему. Завод гордится своим вкладом в развитие отечественной техники и стремится быть надёжным партнёром для автопроизводителей и транспортных компаний. АвтоАльянс является официальным дилером ЯЗДА. Мы объединяем опыт, современные технологии и заботу о качестве, чтобы каждый двигатель работал безотказно в любых условиях. Сохраняя традиции и внедряя инновации, мы движемся вперёд вместе с вами.
Ассортимент:
- Болт
- Вал карданный
- Блок управления
- Втулка
- Винт КАМАЗ
- Насос топливный КАМАЗ, ТМЗ, УРАЛ
- Муфта ЯМЗ
- Пара плунжерная и др.
На складах : 292 шт.
На складах : 63 шт.

Компания предлагает широкий ассортимент любых видов медных и алюминиевых шайб, которые широко используются как запчасти во многих автомобильных агрегатах, а так же спецтехники всех видов. Изготовление шайбы медной осуществляется на высокотехнологичном оборудовании известых марок с использованием только качественного медного проката, проверенных производителей. Это означает, что потребитель при покупке медной шайбы получает качественную продукцию, которая полностью соответствует требованиям, которые предъявляются к шайбе медной. Технологический процесс производства основан на использовании передовых европейских энергосберегающих и металлообрабатывающих технологий, что позволяет в условиях кризиса не только держать стабильную цену на медную шайбу, но даже снижать ее в процессе модернизации производства. Снижение цены не отражается на качестве используемого в производстве сырья и производимых медных прокладок. Преимущество шайбы медной, как запчасти для автомобильной техники, это высокая пластичность материала и отличная стойкость медного сплава против коррозии, что позволяет использовать шайбу в агрегатах высокого давления. Основная область применения шайб медных, как запчастей - топливная аппаратура в грузовых автомобилях и спецтехнике. Так же шайбы из меди широко используются как запчасти для ремонта коробок передач.
На складах : 985 шт.

Компания предлагает широкий ассортимент любых видов медных и алюминиевых шайб, которые широко используются как запчасти во многих автомобильных агрегатах, а так же спецтехники всех видов. Изготовление шайбы медной осуществляется на высокотехнологичном оборудовании известых марок с использованием только качественного медного проката, проверенных производителей. Это означает, что потребитель при покупке медной шайбы получает качественную продукцию, которая полностью соответствует требованиям, которые предъявляются к шайбе медной. Технологический процесс производства основан на использовании передовых европейских энергосберегающих и металлообрабатывающих технологий, что позволяет в условиях кризиса не только держать стабильную цену на медную шайбу, но даже снижать ее в процессе модернизации производства. Снижение цены не отражается на качестве используемого в производстве сырья и производимых медных прокладок. Преимущество шайбы медной, как запчасти для автомобильной техники, это высокая пластичность материала и отличная стойкость медного сплава против коррозии, что позволяет использовать шайбу в агрегатах высокого давления. Основная область применения шайб медных, как запчастей - топливная аппаратура в грузовых автомобилях и спецтехнике. Так же шайбы из меди широко используются как запчасти для ремонта коробок передач.

Компания "Русский Двигатель" была основана в 2005 году в Ярославле и почти сразу завоевала доверие со стороны производителей двигателей. Предприятие имеет собственное производство и выпускает более 300 видов прокладок и 150 видов ремкомплектов на обширном станочном парке. Для создания прокладок «Русский двигатель» использует паронит заводского изготовления, а так же занимается индивидуальной разработкой штампов и запуском новых товаров. Компания является поставщиком паронитовых прокладок на конвейеры Ярославского Моторного Завода (Автодизель), ЯрДизель Аппаратуры, ОАО "Карачаевский механический завод", Ногинского завода топливной аппаратуры, Тутаевского Моторного Завода, Ярославского Завода Топливной Аппаратуры.
На складах : 49 шт.

Компания "Русский Двигатель" была основана в 2005 году в Ярославле и почти сразу завоевала доверие со стороны производителей двигателей. Предприятие имеет собственное производство и выпускает более 300 видов прокладок и 150 видов ремкомплектов на обширном станочном парке. Для создания прокладок «Русский двигатель» использует паронит заводского изготовления, а так же занимается индивидуальной разработкой штампов и запуском новых товаров. Компания является поставщиком паронитовых прокладок на конвейеры Ярославского Моторного Завода (Автодизель), ЯрДизель Аппаратуры, ОАО "Карачаевский механический завод", Ногинского завода топливной аппаратуры, Тутаевского Моторного Завода, Ярославского Завода Топливной Аппаратуры.

Компания "Русский Двигатель" была основана в 2005 году в Ярославле и почти сразу завоевала доверие со стороны производителей двигателей. Предприятие имеет собственное производство и выпускает более 300 видов прокладок и 150 видов ремкомплектов на обширном станочном парке. Для создания прокладок «Русский двигатель» использует паронит заводского изготовления, а так же занимается индивидуальной разработкой штампов и запуском новых товаров. Компания является поставщиком паронитовых прокладок на конвейеры Ярославского Моторного Завода (Автодизель), ЯрДизель Аппаратуры, ОАО "Карачаевский механический завод", Ногинского завода топливной аппаратуры, Тутаевского Моторного Завода, Ярославского Завода Топливной Аппаратуры.
На складах : 12 шт.

Компания "Русский Двигатель" была основана в 2005 году в Ярославле и почти сразу завоевала доверие со стороны производителей двигателей. Предприятие имеет собственное производство и выпускает более 300 видов прокладок и 150 видов ремкомплектов на обширном станочном парке. Для создания прокладок «Русский двигатель» использует паронит заводского изготовления, а так же занимается индивидуальной разработкой штампов и запуском новых товаров. Компания является поставщиком паронитовых прокладок на конвейеры Ярославского Моторного Завода (Автодизель), ЯрДизель Аппаратуры, ОАО "Карачаевский механический завод", Ногинского завода топливной аппаратуры, Тутаевского Моторного Завода, Ярославского Завода Топливной Аппаратуры.

Компания "Русский Двигатель" была основана в 2005 году в Ярославле и почти сразу завоевала доверие со стороны производителей двигателей. Предприятие имеет собственное производство и выпускает более 300 видов прокладок и 150 видов ремкомплектов на обширном станочном парке. Для создания прокладок «Русский двигатель» использует паронит заводского изготовления, а так же занимается индивидуальной разработкой штампов и запуском новых товаров. Компания является поставщиком паронитовых прокладок на конвейеры Ярославского Моторного Завода (Автодизель), ЯрДизель Аппаратуры, ОАО "Карачаевский механический завод", Ногинского завода топливной аппаратуры, Тутаевского Моторного Завода, Ярославского Завода Топливной Аппаратуры.
На складах : 40 шт.

Компания "Русский Двигатель" была основана в 2005 году в Ярославле и почти сразу завоевала доверие со стороны производителей двигателей. Предприятие имеет собственное производство и выпускает более 300 видов прокладок и 150 видов ремкомплектов на обширном станочном парке. Для создания прокладок «Русский двигатель» использует паронит заводского изготовления, а так же занимается индивидуальной разработкой штампов и запуском новых товаров. Компания является поставщиком паронитовых прокладок на конвейеры Ярославского Моторного Завода (Автодизель), ЯрДизель Аппаратуры, ОАО "Карачаевский механический завод", Ногинского завода топливной аппаратуры, Тутаевского Моторного Завода, Ярославского Завода Топливной Аппаратуры.

Компания "Русский Двигатель" была основана в 2005 году в Ярославле и почти сразу завоевала доверие со стороны производителей двигателей. Предприятие имеет собственное производство и выпускает более 300 видов прокладок и 150 видов ремкомплектов на обширном станочном парке. Для создания прокладок «Русский двигатель» использует паронит заводского изготовления, а так же занимается индивидуальной разработкой штампов и запуском новых товаров. Компания является поставщиком паронитовых прокладок на конвейеры Ярославского Моторного Завода (Автодизель), ЯрДизель Аппаратуры, ОАО "Карачаевский механический завод", Ногинского завода топливной аппаратуры, Тутаевского Моторного Завода, Ярославского Завода Топливной Аппаратуры.
На складах : 49 шт.

Компания "Русский Двигатель" была основана в 2005 году в Ярославле и почти сразу завоевала доверие со стороны производителей двигателей. Предприятие имеет собственное производство и выпускает более 300 видов прокладок и 150 видов ремкомплектов на обширном станочном парке. Для создания прокладок «Русский двигатель» использует паронит заводского изготовления, а так же занимается индивидуальной разработкой штампов и запуском новых товаров. Компания является поставщиком паронитовых прокладок на конвейеры Ярославского Моторного Завода (Автодизель), ЯрДизель Аппаратуры, ОАО "Карачаевский механический завод", Ногинского завода топливной аппаратуры, Тутаевского Моторного Завода, Ярославского Завода Топливной Аппаратуры.

Компания "Русский Двигатель" была основана в 2005 году в Ярославле и почти сразу завоевала доверие со стороны производителей двигателей. Предприятие имеет собственное производство и выпускает более 300 видов прокладок и 150 видов ремкомплектов на обширном станочном парке. Для создания прокладок «Русский двигатель» использует паронит заводского изготовления, а так же занимается индивидуальной разработкой штампов и запуском новых товаров. Компания является поставщиком паронитовых прокладок на конвейеры Ярославского Моторного Завода (Автодизель), ЯрДизель Аппаратуры, ОАО "Карачаевский механический завод", Ногинского завода топливной аппаратуры, Тутаевского Моторного Завода, Ярославского Завода Топливной Аппаратуры.
На складах : 12 шт.

Компания "Русский Двигатель" была основана в 2005 году в Ярославле и почти сразу завоевала доверие со стороны производителей двигателей. Предприятие имеет собственное производство и выпускает более 300 видов прокладок и 150 видов ремкомплектов на обширном станочном парке. Для создания прокладок «Русский двигатель» использует паронит заводского изготовления, а так же занимается индивидуальной разработкой штампов и запуском новых товаров. Компания является поставщиком паронитовых прокладок на конвейеры Ярославского Моторного Завода (Автодизель), ЯрДизель Аппаратуры, ОАО "Карачаевский механический завод", Ногинского завода топливной аппаратуры, Тутаевского Моторного Завода, Ярославского Завода Топливной Аппаратуры.

Компания "Русский Двигатель" была основана в 2005 году в Ярославле и почти сразу завоевала доверие со стороны производителей двигателей. Предприятие имеет собственное производство и выпускает более 300 видов прокладок и 150 видов ремкомплектов на обширном станочном парке. Для создания прокладок «Русский двигатель» использует паронит заводского изготовления, а так же занимается индивидуальной разработкой штампов и запуском новых товаров. Компания является поставщиком паронитовых прокладок на конвейеры Ярославского Моторного Завода (Автодизель), ЯрДизель Аппаратуры, ОАО "Карачаевский механический завод", Ногинского завода топливной аппаратуры, Тутаевского Моторного Завода, Ярославского Завода Топливной Аппаратуры.
На складах : 40 шт.

Компания "Русский Двигатель" была основана в 2005 году в Ярославле и почти сразу завоевала доверие со стороны производителей двигателей. Предприятие имеет собственное производство и выпускает более 300 видов прокладок и 150 видов ремкомплектов на обширном станочном парке. Для создания прокладок «Русский двигатель» использует паронит заводского изготовления, а так же занимается индивидуальной разработкой штампов и запуском новых товаров. Компания является поставщиком паронитовых прокладок на конвейеры Ярославского Моторного Завода (Автодизель), ЯрДизель Аппаратуры, ОАО "Карачаевский механический завод", Ногинского завода топливной аппаратуры, Тутаевского Моторного Завода, Ярославского Завода Топливной Аппаратуры.

Компания "Русский Двигатель" была основана в 2005 году в Ярославле и почти сразу завоевала доверие со стороны производителей двигателей. Предприятие имеет собственное производство и выпускает более 300 видов прокладок и 150 видов ремкомплектов на обширном станочном парке. Для создания прокладок «Русский двигатель» использует паронит заводского изготовления, а так же занимается индивидуальной разработкой штампов и запуском новых товаров. Компания является поставщиком паронитовых прокладок на конвейеры Ярославского Моторного Завода (Автодизель), ЯрДизель Аппаратуры, ОАО "Карачаевский механический завод", Ногинского завода топливной аппаратуры, Тутаевского Моторного Завода, Ярославского Завода Топливной Аппаратуры.
На складах : 49 шт.

Компания "Русский Двигатель" была основана в 2005 году в Ярославле и почти сразу завоевала доверие со стороны производителей двигателей. Предприятие имеет собственное производство и выпускает более 300 видов прокладок и 150 видов ремкомплектов на обширном станочном парке. Для создания прокладок «Русский двигатель» использует паронит заводского изготовления, а так же занимается индивидуальной разработкой штампов и запуском новых товаров. Компания является поставщиком паронитовых прокладок на конвейеры Ярославского Моторного Завода (Автодизель), ЯрДизель Аппаратуры, ОАО "Карачаевский механический завод", Ногинского завода топливной аппаратуры, Тутаевского Моторного Завода, Ярославского Завода Топливной Аппаратуры.

Компания "Русский Двигатель" была основана в 2005 году в Ярославле и почти сразу завоевала доверие со стороны производителей двигателей. Предприятие имеет собственное производство и выпускает более 300 видов прокладок и 150 видов ремкомплектов на обширном станочном парке. Для создания прокладок «Русский двигатель» использует паронит заводского изготовления, а так же занимается индивидуальной разработкой штампов и запуском новых товаров. Компания является поставщиком паронитовых прокладок на конвейеры Ярославского Моторного Завода (Автодизель), ЯрДизель Аппаратуры, ОАО "Карачаевский механический завод", Ногинского завода топливной аппаратуры, Тутаевского Моторного Завода, Ярославского Завода Топливной Аппаратуры.
На складах : 12 шт.

Компания "Русский Двигатель" была основана в 2005 году в Ярославле и почти сразу завоевала доверие со стороны производителей двигателей. Предприятие имеет собственное производство и выпускает более 300 видов прокладок и 150 видов ремкомплектов на обширном станочном парке. Для создания прокладок «Русский двигатель» использует паронит заводского изготовления, а так же занимается индивидуальной разработкой штампов и запуском новых товаров. Компания является поставщиком паронитовых прокладок на конвейеры Ярославского Моторного Завода (Автодизель), ЯрДизель Аппаратуры, ОАО "Карачаевский механический завод", Ногинского завода топливной аппаратуры, Тутаевского Моторного Завода, Ярославского Завода Топливной Аппаратуры.

Компания "Русский Двигатель" была основана в 2005 году в Ярославле и почти сразу завоевала доверие со стороны производителей двигателей. Предприятие имеет собственное производство и выпускает более 300 видов прокладок и 150 видов ремкомплектов на обширном станочном парке. Для создания прокладок «Русский двигатель» использует паронит заводского изготовления, а так же занимается индивидуальной разработкой штампов и запуском новых товаров. Компания является поставщиком паронитовых прокладок на конвейеры Ярославского Моторного Завода (Автодизель), ЯрДизель Аппаратуры, ОАО "Карачаевский механический завод", Ногинского завода топливной аппаратуры, Тутаевского Моторного Завода, Ярославского Завода Топливной Аппаратуры.
На складах : 66 шт.

Компания "Русский Двигатель" была основана в 2005 году в Ярославле и почти сразу завоевала доверие со стороны производителей двигателей. Предприятие имеет собственное производство и выпускает более 300 видов прокладок и 150 видов ремкомплектов на обширном станочном парке. Для создания прокладок «Русский двигатель» использует паронит заводского изготовления, а так же занимается индивидуальной разработкой штампов и запуском новых товаров. Компания является поставщиком паронитовых прокладок на конвейеры Ярославского Моторного Завода (Автодизель), ЯрДизель Аппаратуры, ОАО "Карачаевский механический завод", Ногинского завода топливной аппаратуры, Тутаевского Моторного Завода, Ярославского Завода Топливной Аппаратуры.

Компания "Русский Двигатель" была основана в 2005 году в Ярославле и почти сразу завоевала доверие со стороны производителей двигателей. Предприятие имеет собственное производство и выпускает более 300 видов прокладок и 150 видов ремкомплектов на обширном станочном парке. Для создания прокладок «Русский двигатель» использует паронит заводского изготовления, а так же занимается индивидуальной разработкой штампов и запуском новых товаров. Компания является поставщиком паронитовых прокладок на конвейеры Ярославского Моторного Завода (Автодизель), ЯрДизель Аппаратуры, ОАО "Карачаевский механический завод", Ногинского завода топливной аппаратуры, Тутаевского Моторного Завода, Ярославского Завода Топливной Аппаратуры.
На складах : 15 шт.

Компания "Русский Двигатель" была основана в 2005 году в Ярославле и почти сразу завоевала доверие со стороны производителей двигателей. Предприятие имеет собственное производство и выпускает более 300 видов прокладок и 150 видов ремкомплектов на обширном станочном парке. Для создания прокладок «Русский двигатель» использует паронит заводского изготовления, а так же занимается индивидуальной разработкой штампов и запуском новых товаров. Компания является поставщиком паронитовых прокладок на конвейеры Ярославского Моторного Завода (Автодизель), ЯрДизель Аппаратуры, ОАО "Карачаевский механический завод", Ногинского завода топливной аппаратуры, Тутаевского Моторного Завода, Ярославского Завода Топливной Аппаратуры.

Компания "Русский Двигатель" была основана в 2005 году в Ярославле и почти сразу завоевала доверие со стороны производителей двигателей. Предприятие имеет собственное производство и выпускает более 300 видов прокладок и 150 видов ремкомплектов на обширном станочном парке. Для создания прокладок «Русский двигатель» использует паронит заводского изготовления, а так же занимается индивидуальной разработкой штампов и запуском новых товаров. Компания является поставщиком паронитовых прокладок на конвейеры Ярославского Моторного Завода (Автодизель), ЯрДизель Аппаратуры, ОАО "Карачаевский механический завод", Ногинского завода топливной аппаратуры, Тутаевского Моторного Завода, Ярославского Завода Топливной Аппаратуры.

Компания "Русский Двигатель" была основана в 2005 году в Ярославле и почти сразу завоевала доверие со стороны производителей двигателей. Предприятие имеет собственное производство и выпускает более 300 видов прокладок и 150 видов ремкомплектов на обширном станочном парке. Для создания прокладок «Русский двигатель» использует паронит заводского изготовления, а так же занимается индивидуальной разработкой штампов и запуском новых товаров. Компания является поставщиком паронитовых прокладок на конвейеры Ярославского Моторного Завода (Автодизель), ЯрДизель Аппаратуры, ОАО "Карачаевский механический завод", Ногинского завода топливной аппаратуры, Тутаевского Моторного Завода, Ярославского Завода Топливной Аппаратуры.

Компания "Русский Двигатель" была основана в 2005 году в Ярославле и почти сразу завоевала доверие со стороны производителей двигателей. Предприятие имеет собственное производство и выпускает более 300 видов прокладок и 150 видов ремкомплектов на обширном станочном парке. Для создания прокладок «Русский двигатель» использует паронит заводского изготовления, а так же занимается индивидуальной разработкой штампов и запуском новых товаров. Компания является поставщиком паронитовых прокладок на конвейеры Ярославского Моторного Завода (Автодизель), ЯрДизель Аппаратуры, ОАО "Карачаевский механический завод", Ногинского завода топливной аппаратуры, Тутаевского Моторного Завода, Ярославского Завода Топливной Аппаратуры.
На складах : 16 шт.

Компания "Русский Двигатель" была основана в 2005 году в Ярославле и почти сразу завоевала доверие со стороны производителей двигателей. Предприятие имеет собственное производство и выпускает более 300 видов прокладок и 150 видов ремкомплектов на обширном станочном парке. Для создания прокладок «Русский двигатель» использует паронит заводского изготовления, а так же занимается индивидуальной разработкой штампов и запуском новых товаров. Компания является поставщиком паронитовых прокладок на конвейеры Ярославского Моторного Завода (Автодизель), ЯрДизель Аппаратуры, ОАО "Карачаевский механический завод", Ногинского завода топливной аппаратуры, Тутаевского Моторного Завода, Ярославского Завода Топливной Аппаратуры.

Компания "Русский Двигатель" была основана в 2005 году в Ярославле и почти сразу завоевала доверие со стороны производителей двигателей. Предприятие имеет собственное производство и выпускает более 300 видов прокладок и 150 видов ремкомплектов на обширном станочном парке. Для создания прокладок «Русский двигатель» использует паронит заводского изготовления, а так же занимается индивидуальной разработкой штампов и запуском новых товаров. Компания является поставщиком паронитовых прокладок на конвейеры Ярославского Моторного Завода (Автодизель), ЯрДизель Аппаратуры, ОАО "Карачаевский механический завод", Ногинского завода топливной аппаратуры, Тутаевского Моторного Завода, Ярославского Завода Топливной Аппаратуры.
На складах : 49 шт.

Компания "Русский Двигатель" была основана в 2005 году в Ярославле и почти сразу завоевала доверие со стороны производителей двигателей. Предприятие имеет собственное производство и выпускает более 300 видов прокладок и 150 видов ремкомплектов на обширном станочном парке. Для создания прокладок «Русский двигатель» использует паронит заводского изготовления, а так же занимается индивидуальной разработкой штампов и запуском новых товаров. Компания является поставщиком паронитовых прокладок на конвейеры Ярославского Моторного Завода (Автодизель), ЯрДизель Аппаратуры, ОАО "Карачаевский механический завод", Ногинского завода топливной аппаратуры, Тутаевского Моторного Завода, Ярославского Завода Топливной Аппаратуры.

Компания "Русский Двигатель" была основана в 2005 году в Ярославле и почти сразу завоевала доверие со стороны производителей двигателей. Предприятие имеет собственное производство и выпускает более 300 видов прокладок и 150 видов ремкомплектов на обширном станочном парке. Для создания прокладок «Русский двигатель» использует паронит заводского изготовления, а так же занимается индивидуальной разработкой штампов и запуском новых товаров. Компания является поставщиком паронитовых прокладок на конвейеры Ярославского Моторного Завода (Автодизель), ЯрДизель Аппаратуры, ОАО "Карачаевский механический завод", Ногинского завода топливной аппаратуры, Тутаевского Моторного Завода, Ярославского Завода Топливной Аппаратуры.
На складах : 12 шт.

Компания "Русский Двигатель" была основана в 2005 году в Ярославле и почти сразу завоевала доверие со стороны производителей двигателей. Предприятие имеет собственное производство и выпускает более 300 видов прокладок и 150 видов ремкомплектов на обширном станочном парке. Для создания прокладок «Русский двигатель» использует паронит заводского изготовления, а так же занимается индивидуальной разработкой штампов и запуском новых товаров. Компания является поставщиком паронитовых прокладок на конвейеры Ярославского Моторного Завода (Автодизель), ЯрДизель Аппаратуры, ОАО "Карачаевский механический завод", Ногинского завода топливной аппаратуры, Тутаевского Моторного Завода, Ярославского Завода Топливной Аппаратуры.

Компания "Русский Двигатель" была основана в 2005 году в Ярославле и почти сразу завоевала доверие со стороны производителей двигателей. Предприятие имеет собственное производство и выпускает более 300 видов прокладок и 150 видов ремкомплектов на обширном станочном парке. Для создания прокладок «Русский двигатель» использует паронит заводского изготовления, а так же занимается индивидуальной разработкой штампов и запуском новых товаров. Компания является поставщиком паронитовых прокладок на конвейеры Ярославского Моторного Завода (Автодизель), ЯрДизель Аппаратуры, ОАО "Карачаевский механический завод", Ногинского завода топливной аппаратуры, Тутаевского Моторного Завода, Ярославского Завода Топливной Аппаратуры.
На складах : 40 шт.

Компания "Русский Двигатель" была основана в 2005 году в Ярославле и почти сразу завоевала доверие со стороны производителей двигателей. Предприятие имеет собственное производство и выпускает более 300 видов прокладок и 150 видов ремкомплектов на обширном станочном парке. Для создания прокладок «Русский двигатель» использует паронит заводского изготовления, а так же занимается индивидуальной разработкой штампов и запуском новых товаров. Компания является поставщиком паронитовых прокладок на конвейеры Ярославского Моторного Завода (Автодизель), ЯрДизель Аппаратуры, ОАО "Карачаевский механический завод", Ногинского завода топливной аппаратуры, Тутаевского Моторного Завода, Ярославского Завода Топливной Аппаратуры.

Компания "Русский Двигатель" была основана в 2005 году в Ярославле и почти сразу завоевала доверие со стороны производителей двигателей. Предприятие имеет собственное производство и выпускает более 300 видов прокладок и 150 видов ремкомплектов на обширном станочном парке. Для создания прокладок «Русский двигатель» использует паронит заводского изготовления, а так же занимается индивидуальной разработкой штампов и запуском новых товаров. Компания является поставщиком паронитовых прокладок на конвейеры Ярославского Моторного Завода (Автодизель), ЯрДизель Аппаратуры, ОАО "Карачаевский механический завод", Ногинского завода топливной аппаратуры, Тутаевского Моторного Завода, Ярославского Завода Топливной Аппаратуры.
На складах : 283 шт.

Компания "Русский Двигатель" была основана в 2005 году в Ярославле и почти сразу завоевала доверие со стороны производителей двигателей. Предприятие имеет собственное производство и выпускает более 300 видов прокладок и 150 видов ремкомплектов на обширном станочном парке. Для создания прокладок «Русский двигатель» использует паронит заводского изготовления, а так же занимается индивидуальной разработкой штампов и запуском новых товаров. Компания является поставщиком паронитовых прокладок на конвейеры Ярославского Моторного Завода (Автодизель), ЯрДизель Аппаратуры, ОАО "Карачаевский механический завод", Ногинского завода топливной аппаратуры, Тутаевского Моторного Завода, Ярославского Завода Топливной Аппаратуры.
На складах : 779 шт.
На складах : 72 шт.

ПАО "Автодизель" (Ярославский моторный завод) - одно из старейших предприятий российского автомобилестроения. В 1920 - 50-е годы был освоен выпуск первых в стране 3-12-тонных автомобилей, самосвалов, троллейбусов, автобусов, автомобильных дизельных двигателей.
С 1958 г. Ярославский моторный завод специализируется на разработке и производстве дизельных силовых агрегатов многоцелевого назначения и является признанным лидером отечественного двигателестроения.
На сегодняшний день Ярославский моторный завод (ПАО «Автодизель») является крупнейшим российским предприятием, специализирующимся на производстве дизельных двигателей многоцелевого назначения, сцеплений, коробок передач, запасных частей к ним, а также стационарных агрегатов на базе дизелей ЯМЗ.
Ярославские двигатели нашли применение более чем на 300 видах изделий производства ведущих предприятий России, Белоруссии, Украины. Они устанавливаются на автомобили, магистральные автопоезда, карьерные самосвалы, аэродромные тягачи, зерно-уборочные комбайны, лесовозы, экскаваторы, автобусы, а также на дизель-электрические станции и агрегаты.
Основные потребители: ОАО «МАЗ», ОАО «Автомобильный завод «Урал», ООО «ЛиАЗ», ХК «АвтоКрАЗ», РУПП «БелАЗ», ОАО «Электроагрегат» (Курск) и другие. Широкое применение двигатели ЯМЗ находят на специализированной технике Министерства обороны РФ.
"АвтоАльянс" является официальным дилером ПАО «Автодизель» (ЯМЗ) уже много лет и обеспечивает потребителей полным перечнем продукции завода. От запчастей до двигателей в сборе.
Борьба с контрафактом
ПАО "Автодизель" (Ярославский моторный завод) тщательно следит за высоким качеством продукции, а так же проводит комплекс активных мероприятий для борьбы с контрафактными предложениями на рынке. Для противодействия распространению контрафакта на официальном сайте завода создан раздел ЯМЗ/ЯЗДА. Защита от контрафакта, в котором размещена информация о конкурентных преимуществах оригинальной продукции, о рисках и угрозах использования альтернативной продукции ненадлежащего качества, а также доступна опция проверки оригинальности продукции ЯМЗ.

ПАО "Автодизель" (Ярославский моторный завод) - одно из старейших предприятий российского автомобилестроения. В 1920 - 50-е годы был освоен выпуск первых в стране 3-12-тонных автомобилей, самосвалов, троллейбусов, автобусов, автомобильных дизельных двигателей.
С 1958 г. Ярославский моторный завод специализируется на разработке и производстве дизельных силовых агрегатов многоцелевого назначения и является признанным лидером отечественного двигателестроения.
На сегодняшний день Ярославский моторный завод (ПАО «Автодизель») является крупнейшим российским предприятием, специализирующимся на производстве дизельных двигателей многоцелевого назначения, сцеплений, коробок передач, запасных частей к ним, а также стационарных агрегатов на базе дизелей ЯМЗ.
Ярославские двигатели нашли применение более чем на 300 видах изделий производства ведущих предприятий России, Белоруссии, Украины. Они устанавливаются на автомобили, магистральные автопоезда, карьерные самосвалы, аэродромные тягачи, зерно-уборочные комбайны, лесовозы, экскаваторы, автобусы, а также на дизель-электрические станции и агрегаты.
Основные потребители: ОАО «МАЗ», ОАО «Автомобильный завод «Урал», ООО «ЛиАЗ», ХК «АвтоКрАЗ», РУПП «БелАЗ», ОАО «Электроагрегат» (Курск) и другие. Широкое применение двигатели ЯМЗ находят на специализированной технике Министерства обороны РФ.
"АвтоАльянс" является официальным дилером ПАО «Автодизель» (ЯМЗ) уже много лет и обеспечивает потребителей полным перечнем продукции завода. От запчастей до двигателей в сборе.
Борьба с контрафактом
ПАО "Автодизель" (Ярославский моторный завод) тщательно следит за высоким качеством продукции, а так же проводит комплекс активных мероприятий для борьбы с контрафактными предложениями на рынке. Для противодействия распространению контрафакта на официальном сайте завода создан раздел ЯМЗ/ЯЗДА. Защита от контрафакта, в котором размещена информация о конкурентных преимуществах оригинальной продукции, о рисках и угрозах использования альтернативной продукции ненадлежащего качества, а также доступна опция проверки оригинальности продукции ЯМЗ.
На складах : 45 шт.

Компания "Русский Двигатель" была основана в 2005 году в Ярославле и почти сразу завоевала доверие со стороны производителей двигателей. Предприятие имеет собственное производство и выпускает более 300 видов прокладок и 150 видов ремкомплектов на обширном станочном парке. Для создания прокладок «Русский двигатель» использует паронит заводского изготовления, а так же занимается индивидуальной разработкой штампов и запуском новых товаров. Компания является поставщиком паронитовых прокладок на конвейеры Ярославского Моторного Завода (Автодизель), ЯрДизель Аппаратуры, ОАО "Карачаевский механический завод", Ногинского завода топливной аппаратуры, Тутаевского Моторного Завода, Ярославского Завода Топливной Аппаратуры.

Компания "Русский Двигатель" была основана в 2005 году в Ярославле и почти сразу завоевала доверие со стороны производителей двигателей. Предприятие имеет собственное производство и выпускает более 300 видов прокладок и 150 видов ремкомплектов на обширном станочном парке. Для создания прокладок «Русский двигатель» использует паронит заводского изготовления, а так же занимается индивидуальной разработкой штампов и запуском новых товаров. Компания является поставщиком паронитовых прокладок на конвейеры Ярославского Моторного Завода (Автодизель), ЯрДизель Аппаратуры, ОАО "Карачаевский механический завод", Ногинского завода топливной аппаратуры, Тутаевского Моторного Завода, Ярославского Завода Топливной Аппаратуры.

История Ярославского завода дизельной аппаратуры — это не просто рассказ о промышленном предприятии, а живая летопись отечественного машиностроения, наполненная важными датами, судьбоносными решениями и человеческими историями. Всё началось 5 февраля 1972 года, когда в Ярославле был заложен первый камень будущего завода. Тогда перед страной стояла амбициозная задача: обеспечить Камский автозавод собственными топливными насосами высокого давления, чтобы снизить зависимость от импортных комплектующих и укрепить технологическую независимость российского автопрома.
Уже в 1977 году с конвейера сошёл первый топливный насос, а к 1980-м годам предприятие расширило производство, начав выпускать аппаратуру для дизельных двигателей грузовиков «Урал», «ЗИЛ», а также для автобусов Львовского и Ликинского заводов. В 1988 году ЯЗДА стал частью объединённого комплекса «Дизельаппаратура», объединив усилия с Ярославским заводом топливной аппаратуры — этот шаг не только укрепил производственные мощности, но и создал атмосферу единой команды, где каждый сотрудник ощущал свою причастность к большому делу. С началом рыночных реформ в 1993 году завод преобразовался в акционерное общество, а в 2006 году вошёл в состав дивизиона «Силовые агрегаты» группы ГАЗ, что стало новым этапом в его развитии. За более чем полвека ЯЗДА стал надёжным поставщиком топливной аппаратуры для большинства отечественных грузовиков и автобусов: КамАЗ, Урал, ЗИЛ, ЯМЗ, МАЗ, КрАЗ, ЛиАЗ, ПАЗ — все эти марки используют продукцию завода, доверяя её качеству и долговечности.
Особое место в истории предприятия занимает коллектив — люди, которые не просто выполняют свою работу, а вкладывают в неё душу. Здесь всегда ценились профессионализм, ответственность и стремление к совершенству. Многие сотрудники проработали на заводе десятки лет, передавая опыт новым поколениям и поддерживая традиции качества. Важным элементом корпоративной культуры стало постоянное обучение и внедрение современных технологий, что позволило ЯЗДА оставаться на передовой машиностроения даже в условиях перемен. Сегодня завод не только сохраняет верность своим истокам, но и смотрит в будущее. К 2030 году ЯЗДА планирует расширить экспорт, внедрять цифровые решения и поддерживать соответствие международным стандартам качества, чтобы российская топливная аппаратура оставалась конкурентоспособной на мировом рынке. За этими стратегическими целями стоят реальные люди, их труд, инициативы и забота о каждом клиенте.
ЯЗДА — это не просто производитель, а часть большой истории российского машиностроения, где ценится не только результат, но и путь к нему. Завод гордится своим вкладом в развитие отечественной техники и стремится быть надёжным партнёром для автопроизводителей и транспортных компаний. АвтоАльянс является официальным дилером ЯЗДА. Мы объединяем опыт, современные технологии и заботу о качестве, чтобы каждый двигатель работал безотказно в любых условиях. Сохраняя традиции и внедряя инновации, мы движемся вперёд вместе с вами.
Ассортимент:
- Болт
- Вал карданный
- Блок управления
- Втулка
- Винт КАМАЗ
- Насос топливный КАМАЗ, ТМЗ, УРАЛ
- Муфта ЯМЗ
- Пара плунжерная и др.

История Ярославского завода дизельной аппаратуры — это не просто рассказ о промышленном предприятии, а живая летопись отечественного машиностроения, наполненная важными датами, судьбоносными решениями и человеческими историями. Всё началось 5 февраля 1972 года, когда в Ярославле был заложен первый камень будущего завода. Тогда перед страной стояла амбициозная задача: обеспечить Камский автозавод собственными топливными насосами высокого давления, чтобы снизить зависимость от импортных комплектующих и укрепить технологическую независимость российского автопрома.
Уже в 1977 году с конвейера сошёл первый топливный насос, а к 1980-м годам предприятие расширило производство, начав выпускать аппаратуру для дизельных двигателей грузовиков «Урал», «ЗИЛ», а также для автобусов Львовского и Ликинского заводов. В 1988 году ЯЗДА стал частью объединённого комплекса «Дизельаппаратура», объединив усилия с Ярославским заводом топливной аппаратуры — этот шаг не только укрепил производственные мощности, но и создал атмосферу единой команды, где каждый сотрудник ощущал свою причастность к большому делу. С началом рыночных реформ в 1993 году завод преобразовался в акционерное общество, а в 2006 году вошёл в состав дивизиона «Силовые агрегаты» группы ГАЗ, что стало новым этапом в его развитии. За более чем полвека ЯЗДА стал надёжным поставщиком топливной аппаратуры для большинства отечественных грузовиков и автобусов: КамАЗ, Урал, ЗИЛ, ЯМЗ, МАЗ, КрАЗ, ЛиАЗ, ПАЗ — все эти марки используют продукцию завода, доверяя её качеству и долговечности.
Особое место в истории предприятия занимает коллектив — люди, которые не просто выполняют свою работу, а вкладывают в неё душу. Здесь всегда ценились профессионализм, ответственность и стремление к совершенству. Многие сотрудники проработали на заводе десятки лет, передавая опыт новым поколениям и поддерживая традиции качества. Важным элементом корпоративной культуры стало постоянное обучение и внедрение современных технологий, что позволило ЯЗДА оставаться на передовой машиностроения даже в условиях перемен. Сегодня завод не только сохраняет верность своим истокам, но и смотрит в будущее. К 2030 году ЯЗДА планирует расширить экспорт, внедрять цифровые решения и поддерживать соответствие международным стандартам качества, чтобы российская топливная аппаратура оставалась конкурентоспособной на мировом рынке. За этими стратегическими целями стоят реальные люди, их труд, инициативы и забота о каждом клиенте.
ЯЗДА — это не просто производитель, а часть большой истории российского машиностроения, где ценится не только результат, но и путь к нему. Завод гордится своим вкладом в развитие отечественной техники и стремится быть надёжным партнёром для автопроизводителей и транспортных компаний. АвтоАльянс является официальным дилером ЯЗДА. Мы объединяем опыт, современные технологии и заботу о качестве, чтобы каждый двигатель работал безотказно в любых условиях. Сохраняя традиции и внедряя инновации, мы движемся вперёд вместе с вами.
Ассортимент:
- Болт
- Вал карданный
- Блок управления
- Втулка
- Винт КАМАЗ
- Насос топливный КАМАЗ, ТМЗ, УРАЛ
- Муфта ЯМЗ
- Пара плунжерная и др.

Компания "Русский Двигатель" была основана в 2005 году в Ярославле и почти сразу завоевала доверие со стороны производителей двигателей. Предприятие имеет собственное производство и выпускает более 300 видов прокладок и 150 видов ремкомплектов на обширном станочном парке. Для создания прокладок «Русский двигатель» использует паронит заводского изготовления, а так же занимается индивидуальной разработкой штампов и запуском новых товаров. Компания является поставщиком паронитовых прокладок на конвейеры Ярославского Моторного Завода (Автодизель), ЯрДизель Аппаратуры, ОАО "Карачаевский механический завод", Ногинского завода топливной аппаратуры, Тутаевского Моторного Завода, Ярославского Завода Топливной Аппаратуры.
На складах : 40 шт.

Компания "Русский Двигатель" была основана в 2005 году в Ярославле и почти сразу завоевала доверие со стороны производителей двигателей. Предприятие имеет собственное производство и выпускает более 300 видов прокладок и 150 видов ремкомплектов на обширном станочном парке. Для создания прокладок «Русский двигатель» использует паронит заводского изготовления, а так же занимается индивидуальной разработкой штампов и запуском новых товаров. Компания является поставщиком паронитовых прокладок на конвейеры Ярославского Моторного Завода (Автодизель), ЯрДизель Аппаратуры, ОАО "Карачаевский механический завод", Ногинского завода топливной аппаратуры, Тутаевского Моторного Завода, Ярославского Завода Топливной Аппаратуры.
На складах : 11 шт.

Компания "Русский Двигатель" была основана в 2005 году в Ярославле и почти сразу завоевала доверие со стороны производителей двигателей. Предприятие имеет собственное производство и выпускает более 300 видов прокладок и 150 видов ремкомплектов на обширном станочном парке. Для создания прокладок «Русский двигатель» использует паронит заводского изготовления, а так же занимается индивидуальной разработкой штампов и запуском новых товаров. Компания является поставщиком паронитовых прокладок на конвейеры Ярославского Моторного Завода (Автодизель), ЯрДизель Аппаратуры, ОАО "Карачаевский механический завод", Ногинского завода топливной аппаратуры, Тутаевского Моторного Завода, Ярославского Завода Топливной Аппаратуры.

Компания "Русский Двигатель" была основана в 2005 году в Ярославле и почти сразу завоевала доверие со стороны производителей двигателей. Предприятие имеет собственное производство и выпускает более 300 видов прокладок и 150 видов ремкомплектов на обширном станочном парке. Для создания прокладок «Русский двигатель» использует паронит заводского изготовления, а так же занимается индивидуальной разработкой штампов и запуском новых товаров. Компания является поставщиком паронитовых прокладок на конвейеры Ярославского Моторного Завода (Автодизель), ЯрДизель Аппаратуры, ОАО "Карачаевский механический завод", Ногинского завода топливной аппаратуры, Тутаевского Моторного Завода, Ярославского Завода Топливной Аппаратуры.

Компания "Русский Двигатель" была основана в 2005 году в Ярославле и почти сразу завоевала доверие со стороны производителей двигателей. Предприятие имеет собственное производство и выпускает более 300 видов прокладок и 150 видов ремкомплектов на обширном станочном парке. Для создания прокладок «Русский двигатель» использует паронит заводского изготовления, а так же занимается индивидуальной разработкой штампов и запуском новых товаров. Компания является поставщиком паронитовых прокладок на конвейеры Ярославского Моторного Завода (Автодизель), ЯрДизель Аппаратуры, ОАО "Карачаевский механический завод", Ногинского завода топливной аппаратуры, Тутаевского Моторного Завода, Ярославского Завода Топливной Аппаратуры.
На складах : 49 шт.

Компания "Русский Двигатель" была основана в 2005 году в Ярославле и почти сразу завоевала доверие со стороны производителей двигателей. Предприятие имеет собственное производство и выпускает более 300 видов прокладок и 150 видов ремкомплектов на обширном станочном парке. Для создания прокладок «Русский двигатель» использует паронит заводского изготовления, а так же занимается индивидуальной разработкой штампов и запуском новых товаров. Компания является поставщиком паронитовых прокладок на конвейеры Ярославского Моторного Завода (Автодизель), ЯрДизель Аппаратуры, ОАО "Карачаевский механический завод", Ногинского завода топливной аппаратуры, Тутаевского Моторного Завода, Ярославского Завода Топливной Аппаратуры.

Компания "Русский Двигатель" была основана в 2005 году в Ярославле и почти сразу завоевала доверие со стороны производителей двигателей. Предприятие имеет собственное производство и выпускает более 300 видов прокладок и 150 видов ремкомплектов на обширном станочном парке. Для создания прокладок «Русский двигатель» использует паронит заводского изготовления, а так же занимается индивидуальной разработкой штампов и запуском новых товаров. Компания является поставщиком паронитовых прокладок на конвейеры Ярославского Моторного Завода (Автодизель), ЯрДизель Аппаратуры, ОАО "Карачаевский механический завод", Ногинского завода топливной аппаратуры, Тутаевского Моторного Завода, Ярославского Завода Топливной Аппаратуры.
На складах : 12 шт.

Компания "Русский Двигатель" была основана в 2005 году в Ярославле и почти сразу завоевала доверие со стороны производителей двигателей. Предприятие имеет собственное производство и выпускает более 300 видов прокладок и 150 видов ремкомплектов на обширном станочном парке. Для создания прокладок «Русский двигатель» использует паронит заводского изготовления, а так же занимается индивидуальной разработкой штампов и запуском новых товаров. Компания является поставщиком паронитовых прокладок на конвейеры Ярославского Моторного Завода (Автодизель), ЯрДизель Аппаратуры, ОАО "Карачаевский механический завод", Ногинского завода топливной аппаратуры, Тутаевского Моторного Завода, Ярославского Завода Топливной Аппаратуры.

Компания "Русский Двигатель" была основана в 2005 году в Ярославле и почти сразу завоевала доверие со стороны производителей двигателей. Предприятие имеет собственное производство и выпускает более 300 видов прокладок и 150 видов ремкомплектов на обширном станочном парке. Для создания прокладок «Русский двигатель» использует паронит заводского изготовления, а так же занимается индивидуальной разработкой штампов и запуском новых товаров. Компания является поставщиком паронитовых прокладок на конвейеры Ярославского Моторного Завода (Автодизель), ЯрДизель Аппаратуры, ОАО "Карачаевский механический завод", Ногинского завода топливной аппаратуры, Тутаевского Моторного Завода, Ярославского Завода Топливной Аппаратуры.
На складах : 40 шт.

Компания "Русский Двигатель" была основана в 2005 году в Ярославле и почти сразу завоевала доверие со стороны производителей двигателей. Предприятие имеет собственное производство и выпускает более 300 видов прокладок и 150 видов ремкомплектов на обширном станочном парке. Для создания прокладок «Русский двигатель» использует паронит заводского изготовления, а так же занимается индивидуальной разработкой штампов и запуском новых товаров. Компания является поставщиком паронитовых прокладок на конвейеры Ярославского Моторного Завода (Автодизель), ЯрДизель Аппаратуры, ОАО "Карачаевский механический завод", Ногинского завода топливной аппаратуры, Тутаевского Моторного Завода, Ярославского Завода Топливной Аппаратуры.

ООО «ЯЗТО-Авто» - ведущий производитель безасбестовых прокладок головки блока цилиндров (ГБЦ), прокладок газопроводов, выпускных коллекторов, ремкомплектов и запасных частей для двигателей ЯМЗ и других ведущих моторостроительных заводов, один из поставщиков безасбестовых прокладок сборочного конвейера ОАО «Автодизель».

ООО «ЯЗТО-Авто» - ведущий производитель безасбестовых прокладок головки блока цилиндров (ГБЦ), прокладок газопроводов, выпускных коллекторов, ремкомплектов и запасных частей для двигателей ЯМЗ и других ведущих моторостроительных заводов, один из поставщиков безасбестовых прокладок сборочного конвейера ОАО «Автодизель».